Onderhoud
De werktuigkoppeling smeren
Als de sluithendel op de werktuigkoppeling niet onbelemmerd en soepel draait, moet u een dun laagje vet aanbrengen op de plaats die wordt getoond in Figuur 15.

Lees deze informatie zorgvuldig door, zodat u weet hoe u dit product op de juiste wijze moet gebruiken en onderhouden en om letsel en schade aan de machine te voorkomen. U bent verantwoordelijk voor het juiste en veilige gebruik van de machine.
U kunt op www.Toro.com rechtstreeks contact met Toro opnemen om informatie over producten en accessoires te verkrijgen, een verkoper te vinden of uw product te registreren.
Als u service, originele Toro onderdelen of aanvullende informatie nodig hebt, kunt u contact opnemen met een erkende servicedealer of met de klantenservice van Toro. U dient hierbij altijd het modelnummer en het serienummer van het product te vermelden. De locatie van het plaatje met het modelnummer en het serienummer van het product is aangegeven op Figuur 1. U kunt de nummers noteren in de ruimte hieronder.

Er worden in deze handleiding een aantal mogelijke gevaren en een aantal veiligheidsberichten genoemd met de volgende veiligheidssymbolen (Figuur 2), die duiden op een gevaarlijke situatie die zwaar lichamelijk letsel of de dood tot gevolg kan hebben als u de veiligheidsvoorschriften niet in acht neemt.

Er worden in deze handleiding twee woorden gebruikt om uw aandacht op bijzondere informatie te vestigen. Belangrijk attendeert u op bijzondere technische informatie en Opmerking duidt algemene informatie aan die bijzondere aandacht verdient.
![]() |
Veiligheidsstickers en veiligheidsinstructies zijn gemakkelijk zichtbaar voor de bestuurder en bevinden zich bij plaatsen waar gevaar kan ontstaan. Vervang alle beschadigde of ontbrekende stickers. |

Benodigde onderdelen voor deze stap:
| Getande hark | 1 |
| Trekstang | 1 |
| Bout (½" x 1¾") | 1 |
| Flensmoer (½") | 1 |
| Zeskantige moer (½") | 1 |
| Flenskopbout (⅜" x 1") | 1 |
| Flensmoer (⅜") | 1 |
| Werktuigkoppeling | 1 |
| Borgpen | 2 |
| Hefarm | 1 |
| Draaibeugel | 1 |
| Bout (⅜" x 1¼") | 1 |
| Borgmoer (⅜") | 1 |
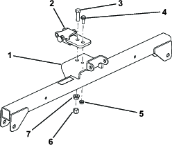
Zet de trekstang losjes op het voorste gat van de hanger (Figuur 3). Gebruik hierbij een bout (½" x 1¾"), flenskopmoer (½") en een zeskantige moer (½").

Zet de buis met schuin uiteinde losjes op het achterste gat van de hanger. Gebruik hiervoor een flenskopbout (⅜" x 1") en een flensmoer (⅜").
Draai de moeren als volgt aan:
Flensmoer (½") – 104 tot 126 N·m
Zeskantige moer (½") – 91 tot 113 N·m
Flensmoer (⅜") – 22 tot 27 N·m
Lijn de hefarm uit met de beugel op de werktuigkoppeling (Figuur 4) en bevestig deze met de beugel zoals afgebeeld in Figuur 5.
Note: Gebruik tijdens het verplaatsen van de werktuigkoppeling de handgreep aan de achterzijde van de koppeling (Figuur 4).


Bevestig de draaibeugel (Figuur 5) met 3 borgpennen en een bout (⅜" x 1¼") en borgmoer (⅜").
Benodigde onderdelen voor deze stap:
| Bout (⅜" x 2½") | 2 |
| Ring (⅜" x ⅞") | 4 |
| Afstandsstuk | 2 |
| Borgmoer (⅜") | 2 |
Verwijder werktuigen van de achterkant van de machine.
Breng de koppeling van de tractie-eenheid omlaag en rijd de tractie-eenheid achteruit tot deze zich vlak voor de werktuigkoppeling bevindt.
Note: Controleer of de sluithendel naar links is gedraaid (onvergrendelde stand) gezien vanaf de achterkant van de machine.
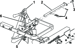
Schuif de werktuigkoppeling op de koppeling van de tractie-eenheid.
Important: De lange arm van de hefarmconstructie moet zich onder het achterframe van de tractie-eenheid bevinden (Figuur 6).
Uw vingers kunnen bekneld raken tussen de werktuigkoppeling en de koppeling op de tractie-eenheid.
U moet het werktuig altijd omhoog brengen en bewegen met behulp van de handgreep op de achterkant van de werktuigkoppeling (Figuur 6).
Draai de sluithendel naar rechts om de koppelingen aan elkaar vast te zetten.
Bevestig de bovenste schakel van elke ketting aan de buitenkant van de hefarm (Figuur 6) met een bout (⅜" x 2½"), 2 onderlegringen (⅜" x ⅞"), een afstandsstuk en een borgmoer (⅜").

Note: Om de hark goed te kunnen gebruiken, moeten de kettingen slap hangen als de hark is neergelaten (bedrijfsstand).
Note: Zorg ervoor dat alle egalisatieharken elkaar goed overlappen en plat liggen en dat de kettingen niet gedraaid of in de knoop zijn.
Monteer de hark op de tractie-eenheid en breng het werktuig omhoog.
Meet de afstand tussen de zware ring en de schouder van het hefjuk van het verbindingmechanisme op de werktuigkoppeling zoals wordt getoond in Figuur 7.
Note: Als de koppeling juist afgesteld staat, is er een afstand van 1,5 tot 2 mm tusen de zware ring en de schouder van het hefjuk (Figuur 7).

Als de afstand niet correct is, moet u de contramoer losdraaien en de stelmoer op het verbindingsmechanisme verdraaien om de afstand te veranderen (Figuur 7).

Neem dit hoofdstuk over harken door voordat u een bunker gaat harken. Welke afstelling geschikt is voor de getande hark is afhankelijk van een groot aantal omstandigheden. De structuur en de diepte van het zand, het vochtgehalte, onkruid en de mate van compactie kunnen per golfbaan verschillen, of zelfs per bunker op dezelfde golfbaan. Stel de hark optimaal af met aandacht voor de omstandigheden in uw omgeving.
Oefen u in het gebruik van de hark in een grote, vlakke bunker op de golfbaan. Oefen u in het starten en stoppen, draaien, omhoog brengen en neerlaten van de hark, het in- en uitrijden van de bunker, enz. Doe dit bij een matig motortoerental en een lage rijsnelheid. Tijdens deze oefenperiode bouwt u vertrouwen op in de bediening van de machine.
Note: Rijd niet achteruit met de tractie-eenheid terwijl het werktuig omlaag is gebracht, anders beschadigt het werktuig.
Als het zand diep genoeg is, kunt u op vlak terrein tot de rand van de bunker harken.
Als het zand op de grasmat dwarrelt, moet u voldoende afstand tot de rand bewaren om te voorkomen dat de ondergrond wordt verstoord.
Hark niet te dicht in de buurt van kort, steile taluds. Het zand zal alleen maar neervallen op de bodem van de bunker.
Soms zult u steile taluds, kleine holle stukken, enz. wat moeten bijwerken met een handhark.
Hark de bunker volgens het patroon afgebeeld in Figuur 9. Deze werkwijze voorkomt onnodige overlapping, beperkt de compactie tot een minimum en zorgt voor een verzorgd en aantrekkelijk patroon op het zand.
Rij de bunker in met een rechte lijn in de lengterichting, op een plaats waar deze het minst sterk glooit. Rij door het midden van de bunker totdat u bijna het einde ervan hebt bereikt, maak een zo scherp mogelijke bocht in een van beide richtingen en rij in een rechte lijn terug naast de eerste baan. Werk in een spiraal naar buiten zoals wordt getoond op de tekening, en verlaat de bunker in een rechte hoek op een vlak stuk.
Sla steile, korte taluds en kleine holle stukken over en werk die naderhand bij met een handhark.

Als u de bunker inrijdt, mag u de hark pas neerlaten als deze zich boven het zand bevindt. Hiermee voorkomt u dat het gras wordt beschadigd of maaisel of andere rommel wordt meegesleept in de bunker. Laat de hark neer terwijl de machine in beweging is.
Als u de bunker uitrijdt, moet u beginnen met de hark omhoog te brengen zodra het voorwiel de bunker verlaat. Als de machine dan de bunker uitrijdt, wordt de hark omhoog gebracht zonder dat deze zand naar het gras meesleept.
Door ervaring en oefening zult u snel de timing leren die nodig is om de bunker correct in en uit te rijden.
U kunt de stand van de hark instellen om de agressiviteit in het zand te verhogen of te verminderen. Monteer de trekstang en de hark zoals getoond in de volgende afbeeldingen om de gewenste agressiviteit te bereiken.
U kunt de lengte van de troffels aanpassen om de mate van binnendringing van de riek te doen toenemen of afnemen.
Draai de montageschroeven los, beweeg de troffel op en neer tot de gewenste stand en draai de schroeven vast (Figuur 12).

Zet de borgmoeren los en draai de aanslagbouten van de hark (Figuur 13) naar buiten om de zijdelingse vrijheid van de hark te beperken. Draai de borgmoeren vast om de afstelling te borgen.

U kunt optionele gewichten bevestigen aan de egalisatieharken als het zand vochtig of grof is, of als er sprake is van diepe voetafdrukken in de bunkers. U kunt deze kleurstof bestellen bij een erkende Toro dealer (onderdeelnr. 18-7570).
Ga als volgt te werk om hark voor het transport hoger of lager te zetten:
Laat de hark neer en zet de hefinrichting in de laagst mogelijke stand.
Koppel de kettingen los van de hefarmen en sluit deze hoger aan.
Note: Voor de goede werking van de hark moet u de kettingen vóór gebruik van de hark weer zo monteren dat ze slap blijven.
Reinig de machine grondig na het harken. Omdat u de machine voornamelijk gebruikt in zand en zand een zeer schurende werking heeft, moet u het zand na elk gebruik afspoelen. Als u de machine regelmatig schoonmaakt (voordat het zand vast gaat zitten), spoel deze dan schoon met een waterslang zonder spuitmond. Als u een hogedrukstraal gebruikt, kan het zand in slijtdelen worden gespoten, waar het een schurende werking kan uitoefenen.
Note: Als de werktuigkoppeling vastzit aan de koppeling van de tractie-eenheid, moet u een koevoet/schroevendraaier in de sleuf steken om beide delen van elkaar los te maken (Figuur 14).

Als de sluithendel op de werktuigkoppeling niet onbelemmerd en soepel draait, moet u een dun laagje vet aanbrengen op de plaats die wordt getoond in Figuur 15.
