Vedlikehold
Smøre tilbehørsadapteren
Hvis låsespaken på tilbehørsadapteren ikke svinger fritt og lett, påfør et tynt lag med smørefett på området vist i Figur 15.

Les denne håndboken nøye, slik at du lærer å bruke og vedlikeholde produktet på riktig måte og unngår person- eller produktskade. Du har ansvar for å bruke produktet på en riktig og sikker måte.
Du kan kontakte Toro direkte på www.Toro.com for informasjon om produkter og tilbehør, hjelp til å finne en forhandler eller for å registrere produktet ditt.
Hvis maskinen må repareres eller du trenger originale Toro-deler eller mer informasjon, kan du kontakte et autorisert forhandlerverksted eller Toros kundeserviceavdeling. Ha modell- og serienummer for hånden når du tar kontakt. Figur 1 viser hvor på produktet modell- og serienumrene er plassert. Skriv inn numrene i de tomme feltene.

Denne brukerhåndboken identifiserer potensielle farer og har sikkerhetsmeldinger som identifiseres ved hjelp av sikkerhetsvarselssymbolet (Figur 2) som advarer om farer som kan føre til alvorlig personskade eller død hvis du ikke følger anbefalte forholdsregler.

I tillegg brukes to ord for å utheve informasjon. Viktig gjør oppmerksom på spesiell mekanisk informasjon og Obs henviser til generell informasjon som er verdt å huske.
![]() |
Sikkerhetsmerker og -instruksjoner er lett synlige for føreren og er plassert i nærheten av alle områder som representerer en potensiell fare. Skift ut alle merker som er ødelagte eller mangler. |

Deler som er nødvendige for dette trinnet:
| Montere tannraken | 1 |
| Slepeutstyr | 1 |
| Bolt (½ x 1¾ tomme) | 1 |
| Flensmutter (1/2 tomme) | 1 |
| Sekskantmutter (1/2 tomme) | 1 |
| Flenshodebolt (3/8 x 1 tomme) | 1 |
| Flensmutter (⅜ tomme) | 1 |
| Montere tilbehørsadapter | 1 |
| Splint | 2 |
| Montere løftearm | 1 |
| Dreieledd | 1 |
| Bolt (3/8 x 1–1/4 tommer) | 1 |
| Låsemutter (3/8 tomme) | 1 |
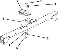
Monter slepestangen løst til fremre hull i hengeren (Figur 3) med en bolt (½ x 1¾ tomme), flensmutter (½ tomme) og en sekskantmutter (½ tomme).

Monter rørkoblingsarmen løst til bakre hull i hengeren med en flenshodebolt (⅜ x 1 tomme) og en flensmutter (⅜ tomme).
Stram mutterne som følger:
Flensmutter (½ tomme) – 104 til 126 Nm
Sekskantmutter (½ tomme) – 91 til 113 Nm
Flensmutter (⅜ tomme) – 22 til 27 Nm
Tilpass løftearmen til braketten på tilbehørsadapteren (Figur 4), og koble dem sammen med dreieleddet som illustrert på Figur 5.
Note: Når du flytter tilbehørsadapteren, bruk håndtaket på baksiden av adapteren (Figur 4).


Fest dreieleddet (Figur 5) med tre splinter og en bolt (3/8 x 1 1/4 tomme) og låsemutter (3/8 tomme).
Deler som er nødvendige for dette trinnet:
| Bolt (3/8 x 2 1/2 tommer) | 2 |
| Skive (3/8 x 7/8 tomme) | 4 |
| Avstandsstykke | 2 |
| Låsemutter (⅜ tomme) | 2 |
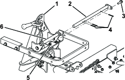
Fjern alt tilbehør fra baksiden av maskinen.
Senk trekkenhetsadapteren og rygg trekkenheten i posisjon foran tilbehørsadapteren.
Note: Sørg for at låsespaken svinger mot venstre (ulåst stilling) som sett fra bak maskinen.
Skyv utstyrsadapteren inn på trekkenhetsadapteren.
Important: Den lange armen på løftearmenheten må være under trekkenhetens bakre rammeenhet (Figur 6).
Du kan klemme fingrene mellom tilbehøret og trekkenhetsadapterne.
Løft og beveg alltid utstyret ved hjelp av håndtaket bak på utstyrsadapteren (Figur 6).
Sving låsespaken til høyre for å låse adapterne sammen.
Fest toppleddet til hvert kjede på utsiden av løftearmen (Figur 6) med en bolt (3/8 x 2 1/2 tommer), to skiver (3/8 x 7/8 tomme), et avstandsstykke og en låsemutter (3/8 tomme).

Note: For at raken skal kunne fungere ordentlig må kjedene være slakke når raken er i senket stilling (driftsstilling).
Note: Påse at alle finishingrakene overlapper ordentlig, ligger flatt uten at kjettingene er sammenfiltret eller vridd.
Når raken er raken montert og sikret på trekkenheten, løft tilbehøret.
Mål mellomrommet mellom den tunge skiven og ansatsen av løftearmens dreiegaffel på tilbehørsadapteren som vist i Figur 7.
Note: Koblingen er riktig justert hvis du måler et mellomrom på 1,5 til 2 mm (0,060 til 0,080 tomme) mellom den tunge skive og ansatsen på løftearmens dreiegaffel (Figur 7).

Hvis mellomrommet ikke er riktig, løsne kontramutteren og stram til eller løsne justeringsmutteren på koblingssettet så mye som nødvendig for å endre mellomrommet (Figur 7).

Les denne delen om raking før du raker en bunker. Det er mange forhold som avgjør innstillingene til tannraketilbehøret. Teksturen og dybden av sanden, fuktinnhold, ugress og komprimeringsgrad kan alle variere fra bane til bane, eller til og med fra bunker til bunker på samme bane. Juster raken for å oppnå optimal ytelse i ditt område.
Øv deg på raking i en stor, jevn bunker på banen. Øv deg på å starte, stoppe, snu, heve og senke raken, kjøre inn i og ut av bunkeren osv. Øv deg i moderat motorturtall og langsom kjørehastighet. Denne opplæringsperioden vil hjelpe deg med å bli trygg på å bruke maskinen.
Note: Ikke rygg med trekkenheten når utstyret er senket. Dette kan forårsake skade på utstyret.
Hvis sanden er dyp nok, kan du rake helt opp til kanten av bunkeren i flate områder.
Hvis sanden sprer seg ut på gresset, må du holde deg langt nok unna kanten til at du unngår å forstyrre jordsmonnet under.
Ikke rak for nærme en kort, bratt sandbanke. Sanden vil bare renne ned til bunnen av bunkeren.
Litt finjustering med en håndrake kan være nødvendig i bratte banker, små lommer osv.
Rak bunkeren i henhold til mønsteret vist i Figur 9. Dette mønsteret unngår unødvendig overlapping, presser til et minimum og etterlater et ryddig, pent mønster i sanden.
Kjør inn i bunkeren fra kortsiden, der banken er på sitt minste. Kjør gjennom midten av bunkeren nesten til enden, snu så skarpt du kan til en av sidene og kom tilbake ved siden av den første raden. Kjør i en spiral utover som vist på tegningen, og forlat bunkeren i riktig vinkel i et flatt område.
Utelat bratte, korte banker og små lommer, og gå i stedet over disse med en håndrake.

Når du kjører inn i bunkeren, må du ikke senke raken før raken er over sanden. Dermed unngår du å klippe plenen eller dra klippet gress eller andre rester inn i bunkeren. Senk raken mens maskinen beveger seg.
Når du forlater bunkeren, begynner du å heve raken når forhjulet forlater bunkeren. Når maskinen kjører ut, løftes raken så ikke sanden dras ut på gresset.
Med erfaring og øvelse vil du snart kunne kjøre inn i og ut av bunkeren i riktig flyt og tempo.
Du kan endre posisjonen til raken for å øke eller redusere graden av aggressivitet i sanden. Monter slepestangen og raken som vist i følgende figurer, for å oppnå ønsket aggressivitet.
Du kan justere lengden av pussebrettene for å øke eller redusere tindenes penetrasjon.
Løsne pussebrettenes monteringsskruer, beveg pussebrettet oppover eller nedover til ønsket stilling, og stram til skruene (Figur 12).

Løsne låsemutrene og vri rakens stoppskruer (Figur 13) utover for å begrense rakens svinging fra side til side. Stram låsemutrene for å låse justeringen.

Du kan feste valgfrie vekter på finishingrakene hvis sanden er fuktig eller grov, eller hvis det er dype fotavtrykk i bunkerne. Bestill delenr. 18-7570 fra en autorisert Toro-forhandler.
Gjennomfør følgende prosedyre for å øke høyden av raken under transport:
Senk raken og løft enheten så lavt som mulig.
Koble kjedene fra løftearmene og koble dem til igjen høyere oppe.
Note: For å sikre at raken fungerer som den skal, returnerer du kjedene til den opprinnelige slakke stillingen før du bruker raken.
Etter raking må du rengjøre maskinen grundig. Fordi du bruker denne maskinen primært i sand og sand er svært slipende, må du skylle bort sanden etter hver bruk. Hvis du rengjør maskinen ofte (før sanden får sjansen til å størkne), rengjør du den med en vannslange med munnstykket fjernet. En vannstråle med høyt trykk kan drive sanden inn i slitasjeområder, hvor den kan virke som et slipestoff.
Note: Hvis tilbehørsadapteren sitter fast i trekkenhetsadapteren, fører du et brekkjern eller en skrutrekker inn i åpningssporet for å løsne delene fra hverandre (Figur 14).

Hvis låsespaken på tilbehørsadapteren ikke svinger fritt og lett, påfør et tynt lag med smørefett på området vist i Figur 15.
