Vedligeholdelse
Smøring af redskabsadapteren
Hvis løftegrebet på redskabsadapteren ikke drejer frit og nemt, kan et tyndt lag fedt påføres på det område, der er vist i Figur 15

Læs denne vejledning omhyggeligt, så du kan lære at betjene og vedligeholde produktet korrekt samt undgå person- og produktskade. Det er dit ansvar at betjene produktet korrekt og sikkert.
Du kan kontakte Toro direkte på www.Toro.com for at få oplysninger om produkter og tilbehør, hjælp til at finde en forhandler og for at registrere dit produkt.
Når du har brug for service, originale Toro-dele eller yderligere oplysninger, bedes du kontakte en autoriseret serviceforhandler eller Toros kundeservice samt have produktets model- og serienummer parat. Figur 1 viser model- og serienummerets placering på produktet. Skriv numrene, hvor der er gjort plads til dette.

Denne betjeningsvejledning advarer dig om mulige farer og giver dig særlige sikkerhedsoplysninger ved hjælp af advarselssymbolet (Figur 2), der angiver en fare, som kan forårsage alvorlig personskade eller død, hvis du ikke følger de anbefalede forholdsregler.

Denne betjeningsvejledning bruger 2 ord til at fremhæve oplysninger. Vigtigt henleder opmærksomheden på særlige mekaniske oplysninger, og Bemærk angiver generel information, som det er værd at lægge særligt mærke til.
![]() |
Sikkerheds- og instruktionsmærkaterne kan nemt ses af operatøren og er placeret tæt på potentielle risikoområder. Udskift eventuelle beskadigede eller manglende mærkater. |

Dele, der skal bruges til dette trin:
| Rivesamling | 1 |
| Trækstang | 1 |
| Bolt (½" x 1¾") | 1 |
| Flangemøtrik (1/2 tomme) | 1 |
| Sekskantmøtrik (½") | 1 |
| Flangehovedbolt (⅜" x 1") | 1 |
| Flangemøtrik (⅜") | 1 |
| Redskabsadapter | 1 |
| Låseclips | 2 |
| Løftearmsenhed | 1 |
| Drejestang | 1 |
| Bolt (⅜" x 1¼") | 1 |
| Låsemøtrik (⅜") | 1 |
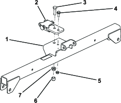
Monter trækstangen løst i det forreste hul i hængesamlingen (Figur 3) med en bolt (½" x 1¾"), flangemøtrik (½") og en sekskantmøtrik (½").

Monter rørtrækstangen løst i det bageste hul i hængesamlingen med en flangehovedbolt (⅜" x 1") og en flangemøtrik (⅜").
Tilspænd møtrikkerne som følger:
Flangemøtrik (½") – 104 til 126 Nm
Sekskantmøtrik (½") – 91 til 113 Nm
Flangemøtrik (⅜") – 22 til 27 Nm
Juster løftearmen, så den flugter med beslaget på redskabsadapteren (Figur 4), og forbind dem vha. drejestangen som vist i Figur 5.
Note: Når redskabsadapteren bevæges, skal håndtaget bag på adapteren bruges (Figur 4).


Fastgør drejestangen (Figur 5) med 3 låseclips, en bolt (⅜" x 1¼") og en låsemøtrik (⅜").
Dele, der skal bruges til dette trin:
| Bolt (⅜" x 2½") | 2 |
| Spændeskive (⅜" x ⅞") | 4 |
| Afstandsklods | 2 |
| Låsemøtrik (⅜") | 2 |
Fjern eventuelle redskaber fra bagenden af maskinen.
Sænk traktionsenhedens adapter, og bak, så traktionsenheden er placeret foran redskabsadapteren.
Note: Sørg for, at løftegrebet er drejet mod venstre (ulåst position) set fra maskinens bagende.
Sæt redskabsadapteren fast på traktionsenhedens adapter.
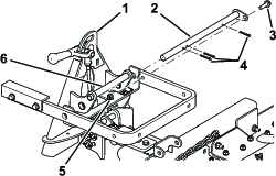
Important: Løftearmenhedens lange arm skal placeres under traktionsenhedens bageste ramme (Figur 6).
Du kan få fingrene i klemme mellem redskabsadapteren og traktionsenhedens adapter.
Når redskabet løftes og flyttes, skal du altid bruge håndtaget bag på redskabsadapteren(Figur 6).
Drej løftegrebet mod højre for at låse adapterne sammen.
Fastgør det øverste forbindelsesled på hver kæde på ydersiden af løftearmen (Figur 6) vha. en bolt (⅜" x 2½"), 2 spændeskiver (3/8 x 7/8 tomme), en afstandsbøsning og en låsemøtrik (3/8 tomme).

Note: Kæderne skal være slækkede, når riven er i sænket (drifts)-position for, at riven fungerer korrekt.
Note: Sørg for, at alle efterbehandlingsriverne overlapper korrekt, så de ligger fladt, og ingen af kæderne er snoede eller viklet ind i hinanden.
Når riven er monteret og fastgjort på traktionsenheden, skal du hæve redskabet.
Mål afstanden mellem den kraftige spændeskive og løftegaflens ansats på redskabsadapteren som vist i Figur 7.
Note: Forbindelsesleddet er indstillet korrekt, hvis afstanden mellem den kraftige spændeskive og løftegaflens ansats er mellem 1,5 til 2 mm (Figur 7).

Hvis afstanden ikke er korrekt, skal kontramøtrikken løsnes, og justermøtrikken på forbindelsesledet skal strammes eller løsnes efter behov for at ændre afstanden (Figur 7).

Læs dette afsnit om rivning, inden du river en bunker. Der er mange forhold, der bestemmer, hvordan standardriven skal justeres. Sandets struktur og dybde, fugtindhold, ukrudt og komprimeringsgrad kan variere fra bane til bane og endda på samme bane fra bunker til bunker. Foretag de nødvendige justeringer af riven for at opnå optimale resultater i dit område.
Øv dig i at rive på en stor og jævn bunker på banen. Øv dig i at starte og stoppe, dreje, hæve og sænke riven, køre ind og ud af bunkere osv. Du kan også øve dig i at ændre motorens hastighed og køre ved lav hastighed. Ved at øve disse procedurer vil du blive mere fortrolig med, hvordan maskinen betjenes.
Note: Undgå at bakke med traktionsenheden, når redskabet er sænket. Det kan medføre beskadigelse af redskabet.
Hvis sandet er tilstrækkeligt dybt, kan du rive helt op til kanten af bunkeren på jævne områder.
Hvis sandet grænser op til plænen, skal du holde dig tilstrækkeligt langt væk fra kanten til at undgå at påvirke den underliggende jord.
Du må ikke rive for tæt på en kort, stejl skråning. Sandet vil blot flyde ned i bunden af bunkeren.
Det kan være nødvendigt at gå efter med en håndrive på stejle skråninger, små fordybninger osv.
Riv bunkeren i henhold til mønsteret vist i Figur 9. Dette mønster modvirker unødvendige overlapninger, holder kompakteringen på et minimum og sikrer, at der opnås et pænt, attraktivt mønster i sandet.
Kør ind i den lange del af bunkeren, hvor skråningen har den mindste hældning. Kør gennem midten af bunkeren og næsten helt ned i bunden, drej så skarpt som muligt i begge retninger, og kør tilbage, så du er placeret lige ved siden af den første arbejdsgang. Foretag spiralformet kørsel udad som vist på tegningen, og forlad bunkeren i en lige vinkel på et jævnt område.
Udbedr områder på stejle, korte skråninger og små fordybninger med en håndrive.

Når du kører ind i en bunker, skal du ikke sænke riven, før den befinder sig over sandet. På den måde undgår du at rive op i plænen eller trække afklippet græs eller andet affald ned i bunkeren. Sænk riven, mens maskinen er i bevægelse.
Når du forlader bunkeren, skal du begynde at hæve riven, når forhjulet forlader bunkeren. Efterhånden som maskinen bevæger sig ud af bunkeren, hæves riven, så den ikke trækker sand ud på græsset.
I takt med at du får erfaring og øvelse med maskinen vil du blive bekendt med den rette timing for kørsel ind og ud af bunkeren.
Du kan ændre rivens position med henblik på at øge eller mindske rivens aggressive sandbehandling. Monter trækstangen og riven som vist i følgende figurer for at opnå den ønskede aggressivitet.
Du kan justere længden af trækpladerne ved at øge eller mindske dybden af tændernes gennemtrængning.
Løsn monteringsskruerne på trækpladen, flyt trækpladen op eller ned, så den har den ønskede position, og stram skruerne (Figur 12).

Løsn kontramøtrikkerne, og drej rivens stopbolte (Figur 13) udad for at begrænse rivens bevægelser fra side til side. Stram kontramøtrikkerne for at låse justeringen.

Hvis sandet er fugtigt eller groft, eller hvis der er dybe fodspor i bunkerne, kan du montere yderligere vægte på efterbehandlingsriverne. Bestil delnr. 18-7570 fra din autoriserede Toro-forhandler.
Gennemfør følgende procedure for at øge rivens højde, når du transporterer maskinen:
Sænk riven, og løft enheden til så lav en position som muligt.
Frakobl kæderne fra løftearmene, og tilkobl dem i en højere position.
Note: For at sikre korrekt betjening af riven skal kæderne sættes tilbage til den oprindelige slækkede position, inden du betjener riven.
Efter rivning skal maskinen rengøres grundigt. Da du primært bruger maskinen i sand, og sand virker enormt slibende, skal du vaske sandet af efter hver brug. Hvis du rengør maskinen hyppigt (inden sandet klumper sig sammen), skal du rengøre den med en vandslange uden dyse. Et højt vandtryk kan presse sandet ind i slidområder, hvor det kan virke som en slibende blanding.
Note: Hvis redskabsadapteren sætter sig fast i traktionsenhedens adapter, skal du indsætte et koben eller en skruetrækker i vristerillen for at skille delene ad (Figur 14).

Hvis løftegrebet på redskabsadapteren ikke drejer frit og nemt, kan et tyndt lag fedt påføres på det område, der er vist i Figur 15
