Note: Vänster och höger sida på maskinen är lika med förarens vänstra respektive högra sida vid normal körning.
Delar som behövs till detta steg:
| Dragkrok | 1 |
| Stopplatta | 2 |
| Distansbricka | 2 |
| Skruv (½ x 5 ½ tum) | 1 |
| Låsmutter (½ tum) | 1 |
| Sprintbult | 2 |
| Bricka | 4 |
| Saxpinne | 2 |
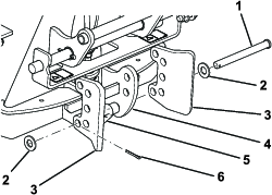
Rikta in en stopplatta på höger sida av redskapshållaren, och montera en sprintbult och en bricka i hålet längst ner i stopplattan och redskapshållaren, genom spärrmekanismen (Figur 3).

För sprintbulten igenom vänster sida av redskapshållaren och genom det nedre hålet i den andra stopplattan (Figur 3).
Trä en bricka på sprintbulten och fäst den med en saxpinne. Fäst saxpinnen genom att böja ändarna på saxpinnen (Figur 3).
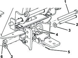
Montera en skruv (½ x 5 ½ tum) genom stopplattorna, redskapshållaren, de två distansbrickorna och dragstången enligt Figur 4.

Fäst skruven med en låsmutter (½ tum) och dra åt den till 91–113 Nm. Se Figur 4.
Montera en sprintbult genom stopplattorna, redskapshållaren och dragstången (Figur 4).
Trä en bricka på sprintbulten och fäst den med en saxpinne. Fäst saxpinnen genom att böja ändarna på saxpinnen (Figur 4).
Delar som behövs till detta steg:
| Skruv (½ x 1 ¾ tum) | |
| Flänsskruv (3/8 x 1 tum) | 1 |
| Låsmutter (½ tum) | 1 |
| Flänsmutter (1/2 tum) | 1 |
| Flänsmutter (⅜ tum) | 1 |
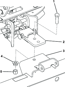
Rikta in hålet på ½ tum i dragstången med hålet på ½ tum i räfsans fäste, och fäst ihop dem med en skruv (½ x 1 ¾ tum), en flänsmutter (½ tum) och en låsmutter (½ tum). Se Figur 5.
Dra åt flänsmuttern till 104–126 Nm och låsmuttern till 91–113 Nm.

Om det bara finns ett enda hål i räfsans fäste ska du borra ytterligare ett hål på följande sätt:
Borra ett hål (⅜ tum) genom det andra hålet i dragstången i räfsans fäste (Figur 6).
Important: Kontrollera att dragstången är i 90 graders vinkel i förhållande till räfsan. Om dragstången inte sitter i 90 graders vinkel i förhållande till räfsan kommer räfsan att bogseras snett.

Montera en flänsskruv (⅜ tum) i det hål du nyss borrade och fäst räfsans fäste mot dragstångens med en flänsmutter (⅜ tum). Se Figur 7.
Dra åt flänsmuttern till 22–27 Nm.

Du kan öka eller minska räfsans intryck i sanden genom att ändra dess läge. Montera dragstången och räfsan enligt anvisningarna nedan för att få önskat intryck.
Lossa kontramuttrarna och vrid stoppskruvarna på räfsan (Figur 10) utåt så att räfsans vridning från sida till sida begränsas. Dra åt kontramuttrarna för att fixera justeringen.
