Entretien
Note: Les côtés gauche et droit de la machine sont déterminés d'après la position d'utilisation normale.
Programme d'entretien recommandé
| Périodicité d'entretien | Procédure d'entretien |
|---|---|
| Après les 2 premières heures de fonctionnement |
|
| Après les 10 premières heures de fonctionnement |
|
| À chaque utilisation ou une fois par jour |
|
| Après chaque utilisation |
|
| Toutes les 50 heures |
|
| Toutes les 400 heures |
|
Liste de contrôle pour l'entretien journalier
Copiez cette page pour pouvoir vous en servir régulièrement.
| Entretiens à effectuer | Pour la semaine du : | ||||||
|---|---|---|---|---|---|---|---|
| Lun. | Mar. | Mer. | Jeu. | Ven. | Sam. | Dim. | |
| Contrôle du déflecteur d'herbe en position abaissée (le cas échéant) | |||||||
| Contrôle de la pression des pneus | |||||||
| Contrôle de l'état des lames | |||||||
| Lubrifiez tous les graisseurs1 | |||||||
| Retouchez les peintures endommagées | |||||||
|
1. Immédiatement après chaque lavage, quelle que soit la fréquence d'entretien indiquée. |
|||||||
| Notes concernant les problèmes constatés | ||
| Contrôle effectué par : | ||
| Point contrôlé | Date | Information |
Prudence
Si vous laissez la clé dans le commutateur d'allumage, quelqu'un pourrait mettre le moteur en marche accidentellement et vous blesser gravement, ainsi que toute personne à proximité.
Avant tout entretien, retirez la clé de contact.
Important: Les fixations des capots de la machine sont conçues pour rester sur le capot après son retrait. Desserrez toutes les fixations de chaque capot de quelques tours de sorte que le capot soit desserré mais reste en place. Desserrez-les ensuite jusqu'à ce que le capot se détache. Vous éviterez ainsi d'arracher les filets des boulons en les retirant des dispositifs de retenue.
Graissage
| Périodicité d'entretien | Procédure d'entretien |
|---|---|
| À chaque utilisation ou une fois par jour |
|
| Toutes les 50 heures |
|
Les graisseurs de la machine doivent être lubrifiés régulièrement avec de la graisse au lithium nº 2.
Lubrifiez aux endroits suivants :
Contrôle de l'huile du boîtier d'engrenages
| Périodicité d'entretien | Procédure d'entretien |
|---|---|
| Toutes les 50 heures |
|
| Toutes les 400 heures |
|
Le boîtier d'engrenages est conçu pour fonctionner avec de l'huile pour engrenages SAE 80-90W. Le boîtier d'engrenages est rempli de lubrifiant à l'usine. Vérifiez toutefois le niveau du liquide avant d'utiliser l'unité de coupe. La capacité du boitier d'engrenages et de 283 ml.
-
Garez la machine et l'unité de coupe sur une surface plane et horizontale.
-
Retirez le bouchon de remplissage-jauge au sommet du boîtier d'engrenages (Figure 23) et vérifiez que le niveau d'huile se situe entre les repères sur la jauge. Si le niveau de lubrifiant est trop bas, faites l'appoint de lubrifiant pour faire monter le niveau entre les repères.

Dépose du capot
Important: Les fixations des capots de la machine sont conçues pour rester sur le capot après son retrait. Desserrez toutes les fixations de chaque capot de quelques tours de sorte que le capot soit desserré mais reste en place. Desserrez-les ensuite jusqu'à ce que le capot se détache. Vous éviterez ainsi d'arracher les filets des boulons en les retirant des dispositifs de retenue.
Séparation de l'unité de coupe et du groupe de déplacement
-
Placez la machine sur une surface plane et horizontale, abaissez l'unité de coupe au sol, placez le levier de levage en position de flottement, coupez le moteur et serrez le frein de stationnement.
-
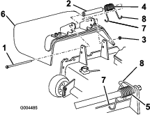
Retirez les goupilles fendues et les axes de chape qui fixent les bras de levage aux supports des bras pivotants (Figure 24).

-
Éloignez l'unité de coupe de la machine, en séparant les parties mâle et femelle de l'arbre de PDF (Figure 25).

Danger
Vous risquez de vous blesser gravement si le moteur démarre et que l'arbre de PDF tourne.
Ne démarrez pas le moteur et ne placez pas la commande de PDF en position engagée si l'arbre de PDF n'est pas relié au boîtier d'engrenages de l'unité de coupe.
Accouplement de l'unité de coupe au groupe de déplacement
-
Garez la machine sur une surface plane et horizontale, et arrêtez le moteur.
-
Placez l'unité de coupe devant le groupe de déplacement.
-
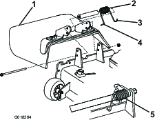
Insérez l'arbre de PDF mâle dans l'arbre de PDF femelle (Figure 25).
-
Poussez la commande de levage en avant en position de FLOTTEMENT. Poussez un bras de levage vers le bas jusqu'à ce que les trous soient en face de ceux du support du bras pivotant et qu'il soit possible d'insérer la tige de réglage de hauteur de coupe dans les patins du bras de levage (Figure 26).
-
Fixez le bras de levage au bras pivotant avec 2 rondelles de butée, un axe de chape et une goupille fendue, Placez les rondelles de butée entre le bras de levage et le support de bras pivotant (Figure 26) et insérez l'extrémité de la goupille fendue dans la fente de la patte du bras pivotant pour retenir la goupille fendue.
-
Répétez ces opérations pour le bras de levage opposé.
-
Mettez le moteur en marche et levez l'unité de coupe.

Entretien des bagues des bras pivotants
Les bras pivotants sont munis de bagues enfoncées à la presse en haut et en bas du tube. Les bagues s'usent après de nombreuses heures d'utilisation.
Pour vérifiez l'état des bagues, bougez la fourche de la roue pivotante longitudinalement et latéralement. Si l'axe de pivot bouge à l'intérieur des bagues, cela signifie que les bagues sont usées ; vous devez alors les remplacer.
-
Levez l'unité de coupe pour décoller les roues du sol. Calez l'unité de coupe pour l'empêcher de retomber accidentellement.
-
Retirez le chapeau de tension, la ou les entretoise(s) et la rondelle de butée situés en haut de l'axe de pivot.
-
Sortez l'axe de pivot du tube de montage, mais laissez la rondelle de butée et la ou les entretoise(s) au bas de l'axe.
-
Insérez un chasse-goupille dans le haut ou le bas du tube de montage et chassez la bague hors du tube (Figure 27). Chassez ensuite l'autre bague. Nettoyez l'intérieur des tubes de montage.

-
Graissez l'intérieur et l'extérieur des nouvelles bagues. À l'aide d'un marteau et d'une plaque plate, enfoncez les bagues dans le tube de montage.
-
Examinez l'état du pivot et remplacez-le s'il est endommagé.
-
Poussez le pivot de la roue pivotante dans les bagues et le tube de montage, enfilez la rondelle de butée et la ou les entretoises sur le pivot, puis posez le chapeau de tension sur le pivot.
Entretien des roues pivotantes et des roulements
| Périodicité d'entretien | Procédure d'entretien |
|---|---|
| Après les 2 premières heures de fonctionnement |
|
| Après les 10 premières heures de fonctionnement |
|
| Toutes les 50 heures |
|
-
Enlevez le contre-écrou du boulon qui fixe la roue pivotante à la chape (Figure 28). Maintenez la roue pivotante et sortez le boulon de la fourche ou du bras pivotant.

-
Enlevez le roulement du moyeu de la roue et laissez tomber la douille d'écartement à l'extérieur (Figure 28). Enlevez le roulement de l'autre côté du moyeu.
-
Vérifiez l'usure des roulements, de la douille d'écartement et de l'intérieur du moyeu. Remplacez les pièces endommagées.
-
Pour assembler la roue pivotante, enfoncez le roulement dans le moyeu. Lors de la pose des roulements, appuyez sur la bague extérieure des roulements.
-
Glissez la douille d'écartement dans le moyeu. Insérez l'autre roulement dans le côté ouvert du moyeu pour bloquer la douille d'écartement à l'intérieur.
-
Montez la roue pivotante entre la fourche et fixez-la en place à l'aide du boulon et du contre-écrou.
Entretien des lames
Consignes de sécurité relative aux lames
Une lame usée ou endommagée peut se briser et projeter le morceau cassé dans votre direction ou celle d'autres personnes, et infliger des blessures graves ou mortelles.
-
Contrôlez l'état et l'usure des lames périodiquement.
-
Examinez toujours les lames avec prudence. Manipulez les lames avec des gants ou en les enveloppant dans un chiffon, et toujours avec prudence. Limitez-vous à remplacer ou aiguiser les lames ; n'essayez jamais de les redresser ou de les souder.
-
Sur les machines à plusieurs lames, la rotation d'une lame peut entraîner celle des autres.
Recherche d'une lame faussée
-
Placez la machine sur une surface plane et horizontale. Levez l'unité de coupe, serrez le frein de stationnement, amenez la pédale de déplacement à la position neutre, placez le levier de PDF en position DéSENGAGéE, coupez le moteur et enlevez la clé de contact. Calez l'unité de coupe pour l'empêcher de retomber accidentellement.
-
Tournez la lame dans le sens longitudinal. Mesurez la distance entre l'intérieur de l'unité de coupe et le tranchant à l'avant de la lame (Figure 29), et notez cette valeur.

-
Tournez la lame pour faire passer la pointe qui est à l'arrière à l'avant. Mesurez la distance entre l'unité de coupe et le tranchant de la lame au même endroit qu'au point 2. Les valeurs relevées aux opérations 2 et 3 ne doivent pas différer de plus de 3 mm. Si la différence est supérieure à 3 mm, remplacez la lame car elle est faussée ; voir Dépose et pose des lames.
Dépose et pose des lames
Remplacez la lame si elle a heurté un obstacle, et si elle est déséquilibrée, usée ou faussée. Pour garantir le meilleur rendement et le maximum de sécurité, utilisez toujours des lames Toro d'origine. N'utilisez jamais les lames d'autres constructeurs car elles peuvent être dangereuses.
-
Levez l'unité de coupe au maximum, serrez le frein de stationnement, coupez le moteur et enlevez la clé de contact. Calez l'unité de coupe pour l'empêcher de retomber accidentellement.
-
Tenez la lame par son extrémité avec un chiffon ou un gant épais. Enlevez le boulon, la coupelle de protection et la lame de l'axe de pivot (Figure 30).

-
Montez la lame, l'ailette vers l'unité de coupe, et fixez-la avec la coupelle de protection et le boulon Serrez le boulon de la lame à un couple de 115 à 149 N·m.
Important: Pour obtenir une coupe correcte, l'ailette de la lame doit être dirigée vers l'intérieur de l'unité de coupe.
Contrôle et affûtage de(s) lame(s)
| Périodicité d'entretien | Procédure d'entretien |
|---|---|
| Après les 10 premières heures de fonctionnement |
|
| À chaque utilisation ou une fois par jour |
|
| Toutes les 50 heures |
|
Danger
Une lame usée ou endommagée peut se briser et projeter le morceau cassé dans votre direction ou celle d'autres personnes, et infliger des blessures graves ou mortelles.
-
Contrôlez l'état et l'usure des lames périodiquement.
-
N'essayez pas de redresser une lame faussée.
-
Ne soudez jamais une lame brisée ou fendue.
-
Remplacez toute lame usée ou endommagée par une lame Toro neuve afin de garantir la sécurité continue du produit.
Le tranchant comme l'ailette (qui est la partie relevée à l'opposé du tranchant) contribuent tous deux à assurer la qualité de la coupe. L'ailette est importante, car elle redresse l'herbe et permet d'obtenir une coupe nette. Toutefois, elle a tendance à s'user progressivement au cours de l'utilisation normale. À mesure que l'ailette s'use, la qualité de la coupe se dégrade, même si les tranchants de la lame restent vifs. Le tranchant de la lame doit être bien aiguisé pour couper l'herbe nettement, sans l'arracher. Si la lame est émoussée, l'herbe coupée a tendance à brunir et à être déchiquetée sur les bords. Affûtez les tranchants pour remédier à cela.
-
Garez la machine sur un sol plat et horizontal. Levez l'unité de coupe, serrez le frein de stationnement, amenez la pédale de déplacement à la position neutre, placez le levier de PDF en position DéSENGAGéE, coupez le moteur et enlevez la clé.
-
Examinez attentivement les tranchants de la lame, particulièrement au point de rencontre de la partie plane et de l'ailette (Figure 31). Le sable et les matières abrasives peuvent éroder le métal à cet endroit, c'est pourquoi il est important de contrôler l'état de la lame avant d'utiliser la machine. Remplacez la lame si elle est usée (Figure 31) ; voir Dépose et pose des lames.

Attention
Si la lame est trop usée, une entaille se forme entre l'ailette et la partie plane (Figure 31). La lame peut alors se briser et un morceau être projeté du dessous de la machine, vous blessant gravement ou une personne à proximité.
-
Contrôlez l'état et l'usure des lames périodiquement.
-
Remplacez toute lame usée ou endommagée par une lame Toro neuve afin de garantir la sécurité continue du produit.
-
-
Examinez les tranchants de toutes les lames et affûtez-les s'ils sont émoussés ou ébréchés. N'aiguisez que le haut du tranchant et conservez l'angle de coupe d'origine pour obtenir une coupe nette (Figure 32). Limez la même quantité de métal sur chacun des deux tranchants pour ne pas déséquilibrer la lame.

Note: Déposez les lames et aiguisez-les à la meule ; voir Dépose des lames. Une fois affûtée, remontez la lame ainsi que la coupelle de protection et le boulon de fixation. L'ailette de la lame doit se trouver en haut de la lame. Serrez le boulon de la lame à un couple de 115 à 149 N·m.
Remplacement de la courroie d'entraînement
| Périodicité d'entretien | Procédure d'entretien |
|---|---|
| Toutes les 50 heures |
|
La courroie d'entraînement des lames, qui est tendue par la poulie de tension à ressort, est très durable. Elle commence toutefois à s'user après de longues heures d'utilisation. La courroie peut montrer les signes d'usure suivants : grincement pendant la rotation, glissement des lames pendant la coupe, bords effilochés, traces de brûlures et fissures. Remplacez la courroie si elle présente ce genre de problèmes.
-
Abaissez l'unité de coupe au sol. Déposez les couvercles de courroie en haut de l'unité de coupe et mettez-les de côté.
-
À l'aide d'une clé dynamométrique ou d'un outil similaire, éloignez la poulie de tension (Figure 33) de la courroie d'entraînement pour détendre cette dernière et pouvoir la déchausser de la poulie du boîtier d'engrenages (Figure 34).


-
Enlevez la courroie usagée des poulies d'axe et de la poulie de tension.
-
Acheminez la courroie neuve autour des poulies d'axe et de l'ensemble poulie de tension, comme indiqué à la Figure 35.

-
Reposez les couvercles de courroies.
Remplacement du déflecteur d'herbe
Attention
Si l'ouverture d'éjection est ouverte, la machine peut projeter des objets dans votre direction ou celle de personnes à proximité et causer des blessures graves ou mortelles. Un contact avec la lame est également possible.
-
N'utilisez jamais la machine sans l'équiper d'une plaque d'obturation, d'un déflecteur de mulching ou d'une goulotte d'éjection et d'un système de ramassage.
-
Vérifiez que le déflecteur d’herbe est abaissé.
-
Retirez le contre-écrou, le boulon, le ressort et l'entretoise qui fixent le déflecteur aux supports de pivot (Figure 36). Déposez le déflecteur d'herbe s'il est endommagé ou usé.
-
Placez une entretoise et un ressort sur le déflecteur d'herbe. L'extrémité en L du ressort doit se trouver derrière le bord de l'unité de coupe.
Note: Prenez soin de placer l'extrémité en L du ressort derrière le bord de l'unité de coupe avant de mettre le boulon en place, comme montré à la Figure 36.
-
Remettez le boulon et l'écrou en place. Accrochez l'extrémité en J du ressort au déflecteur d'herbe (Figure 36).
Important: Vous devez pouvoir abaisser le déflecteur d'herbe en position. Soulevez le déflecteur pour vérifier qu'il s'abaisse complètement.

Nettoyage du dessous de l'unité de coupe
| Périodicité d'entretien | Procédure d'entretien |
|---|---|
| Après chaque utilisation |
|
Enlevez chaque jour l'herbe agglomérée sous l'unité de coupe.
-
Désengagez la PDF, relâchez la pédale de déplacement en position neutre et serrez le frein de stationnement.
-
Placez la commande d'accélérateur en position de BAS RéGIME, coupez le moteur, enlevez la clé et attendez l'arrêt complet de toutes les pièces mobiles avant de quitter le poste de conduite.
-
Levez l'unité de coupe en position de TRANSPORT.
-
Avec un cric, soulevez l'avant de la machine et soutenez-la avec des chandelles.
-
Lavez soigneusement le dessous de l'unité de coupe à l'eau.





























