Manutenção
Note: Determine os lados direito e esquerdo da máquina a partir da posição normal de utilização.
Plano de manutenção recomendado
| Intervalo de assistência | Procedimento de manutenção |
|---|---|
| Após as pimeiras 2 horas |
|
| Após as pimeiras 10 horas |
|
| Em todas as utilizações ou diariamente |
|
| Após cada utilização |
|
| A cada 50 horas |
|
| A cada 400 horas |
|
Lista de manutenção diária
Copie esta página para uma utilização de rotina.
| Verificações de manutenção | Para a semana de: | ||||||
|---|---|---|---|---|---|---|---|
| Seg. | Ter. | Qua. | Qui. | Sex. | Sáb. | Dom. | |
| Verifique o defletor de relva quando este estiver em baixo (caso aplicável) | |||||||
| Verifique a pressão dos pneus | |||||||
| Verifique o estado das lâminas | |||||||
| Lubrifique todos os bocais de lubrificação1 | |||||||
| Retoque a pintura danificada | |||||||
|
1. Imediatamente após cada lavagem, independentemente do intervalo previsto. |
|||||||
| Notas sobre zonas problemáticas | ||
| Inspeção executada por: | ||
| Item | Data | Informação |
Cuidado
Se deixar a chave na ignição, alguém pode ligar acidentalmente o motor e feri-lo a si ou às pessoas que se encontrarem próximo da máquina.
Retire a chave da ignição antes de fazer qualquer revisão.
Important: Os dispositivos de fixação das coberturas desta máquina foram concebidos para permanecer na cobertura após remoção. Desaperte algumas voltas todos os dispositivos de fixação de cada cobertura de forma a que a cobertura fique solta, mas ainda presa e então desaperte-os até que a cobertura saia completamente. Isto vai evitar que perca acidentalmente os parafusos dos fixadores.
Lubrificação
| Intervalo de assistência | Procedimento de manutenção |
|---|---|
| Em todas as utilizações ou diariamente |
|
| A cada 50 horas |
|
A máquina possui bocais de lubrificação que deverão ser lubrificados regularmente com massa lubrificante nº 2 para utilizações gerais, à base de lítio.
Lubrifique as seguintes áreas:
Verificação do lubrificante na caixa de velocidades
| Intervalo de assistência | Procedimento de manutenção |
|---|---|
| A cada 50 horas |
|
| A cada 400 horas |
|
A caixa de velocidades foi concebida para funcionar com o lubrificante para engrenagens SAE 80-90. Apesar de a caixa de velocidades ser vendida com lubrificante de fábrica, verifique o seu nível antes de operar a unidade de corte. A capacidade da caixa de velocidades é de 283 ml.
-
Estacione a máquina e a unidade de corte numa superfície plana.
-
Retire a vareta/tampão de enchimento da parte superior da caixa de engrenagens (Figura 23) e verifique se há lubrificante entre as marcas da vareta. Se o nível de lubrificante estiver baixo, adicione lubrificante suficiente até o nível ficar entre as marcas.

Remoção da cobertura
Important: Os fixadores das coberturas desta máquina foram concebidos para permanecer na cobertura após remoção. Desaperte algumas voltas todos os fixadores de cada cobertura de forma a que a cobertura fique solta, mas ainda presa e então desaperte-os até que a cobertura saia completamente. Isto vai evitar que perca acidentalmente os parafusos dos fixadores.
Separação da unidade de corte da unidade de tração
-
Coloque a máquina numa superfície nivelada, baixe a unidade de corte até ao nível do chão, mova a alavanca de elevação para a posição FLUTUAçãO, desligue o motor e engate o travão de mão.
-
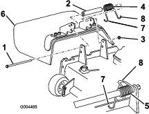
Retire os pernos de gancho e os pinos de segurança que fixam os braços de elevação aos suportes do braço da roda giratória (Figura 24).

-
Rode a unidade de corte afastando-a da unidade de tração, separando as secções macho e fêmea do veio da tomada de força (Figura 25).

Perigo
Se ligar o motor e o veio da tomada de força rodar, pode dar origem a ferimentos graves.
Não ligue o motor nem engate o interruptor da PTO quando o veio da tomada de força não estiver ligado à caixa de velocidades na unidade de corte.
Montagem da unidade de corte da unidade de tração
-
Coloque a máquina numa superfície nivelada e desligue o motor.
-
Mova a unidade de corte para a posição em frente da unidade de tração.
-
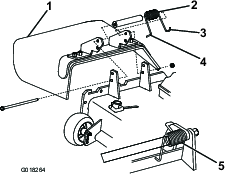
Deslize o veio macho da tomada de força ao veio fêmea da tomada de força (Figura 25).
-
Pressione o interruptor de elevação para a frente para a posição FLUTUAçãO. Empurre um braço de elevação para baixo até que os furos no braço fiquem alinhados com os furos do suporte do braço da roda giratória e possa inserir a haste de altura de corte nas pastilhas do braço de elevação (Figura 26).
-
Prenda o braço de elevação no braço da roda giratória com duas anilhas de encosto, um passador de forquilha e um perno de gancho, posicione as anilhas de encosto entre o braço de elevação e o suporte do braço de elevação (Figura 26) e insira a extremidade do perno de gancho na ranhura da patilha do braço da roda giratória para fixar o perno de gancho.
-
Repita o procedimento para o braços de elevação oposto.
-
Ligue a unidade de tração e eleve a unidade de corte.

Manutenção dos casquilhos nos braços da roda giratória
Os braços da roda giratória possuem casquilhos apertados no topo e no fundo da tubagem, que podem desgastar-se após muitas horas de utilização.
Para verificar os casquilhos, desloque a forquilha da roda giratória para a frente e para trás e para os lados Se o fuso da roda giratória estiver solto, significa que os casquilhos estão gastos e devem ser substituídos.
-
Levante a unidade de corte para que as rodas fiquem levantadas do chão. Bloqueie a unidade de corte para não cair acidentalmente.
-
Retire a tampa de fixação, espaçador(es) e anilha de apoio do cimo do fuso da roda giratória.
-
Retire o fuso da roda giratória para fora do tubo de montagem. Mantenha a arruela de apoio e o(s) espaçador(es) no fundo do fuso.
-
Introduza um punção para cavilhas na zona superior ou inferior do tubo de montagem e retire o casquilho para fora do tubo (Figura 27). Retire igualmente o outro casquilho do tubo. Limpe o interior dos tubos para remover a sujidade.

-
Aplique lubrificante no interior e exterior dos novos casquilhos. Introduza os casquilhos nos tubos de montagem, utilizando um martelo e uma placa plana.
-
Verifique se o fuso da roda giratória apresenta desgaste e substitua-o se estiver danificado.
-
Empurre o eixo da roda giratória através dos casquilhos e tubo de montagem, deslize a anilha de encosto e espaçador(es) no eixo e instale a tampa de tensionamento no fuso da roda giratória.
Manutenção das rodas giratórias e rolamentos
| Intervalo de assistência | Procedimento de manutenção |
|---|---|
| Após as pimeiras 2 horas |
|
| Após as pimeiras 10 horas |
|
| A cada 50 horas |
|
-
Retire a porca de bloqueio do parafuso que fixa o conjunto da roda, no respetivo suporte (Figura 28). Fixe a roda giratória e retire o parafuso da forquilha ou do braço articulado.

-
Retire o rolamento do cubo da roda e deixe cair o espaçador do rolamento para fora (Figura 28). Retire o rolamento do lado oposto ao do cubo da roda.
-
Verifique se existe algum desgaste nos rolamentos, no espaçador e no interior do cubo da roda. Substitua todas as peças danificadas.
-
Para montar a roda giratória, basta pressionar o rolamento para dentro do cubo da roda. Quando montar os rolamentos, pressione a corrediça exterior dos mesmos.
-
Introduza o espaçador do rolamento no cubo da roda. Pressione o outro rolamento contra à extremidade aberta do cubo da roda para encaixar o respetivo espaçador dentro do cubo da roda.
-
Monte a estrutura da roda giratória entre a forquilha da roda giratória e fixe-a nessa posição com o parafuso e a porca de bloqueio.
Manutenção das lâminas de corte
Segurança da lâmina
Uma lâmina desgastada ou danificada pode partir-se, podendo levar à projeção de um fragmento contra o utilizador ou alguém que esteja por perto e provocar lesões graves ou até mesmo a morte.
-
Inspecione periodicamente se a lâmina apresenta sinais de desgaste ou outros danos.
-
Tome todas as precauções necessárias quando efetuar a verificação das lâminas. Envolva as lâminas ou utilize luvas e tome todas as precauções necessárias quando efetuar a manutenção das lâminas. Substitua ou afie apenas as lâminas, não as endireite ou solde.
-
Em máquinas multilâminas, esteja atento ao facto de que a rotação de uma lâmina pode provocar a rotação das restantes.
Deteção de lâminas deformadas
-
Coloque a máquina numa superfície plana. Levante a unidade de corte, engate o travão de mão, ponha o pedal de tração na posição de ponto-morto, desloque a alavanca da tomada de força para a posição DESLIGAR, desligue o motor e retire a chave da ignição. Bloqueie a unidade de corte para não cair acidentalmente.
-
Rode a lâmina até que as suas extremidades se encontrem viradas para a frente e para trás. Meça a distância entre o interior da unidade de corte e a parte cortante na zona dianteira da lâmina (Figura 29), e lembre-se desta dimensão.

-
Rode a extremidade oposta da lâmina para a frente. Meça a distância entre a unidade de corte e a parte cortante da lâmina na mesma posição referida no ponto 2. A diferença entre as medidas obtidas nos ponto 2 e 3 não devem exceder 3 mm. Se a dimensão exceder os 3 mm, substitua a lâmina porque esta se encontra deformada; consulte Desmontagem e montagem da lâmina(s).
Desmontagem e montagem da lâmina(s)
A lâmina deve ser substituída quando atingir um objeto sólido e quando se encontrar desequilibrada ou deformada. Utilize sempre lâminas sobressalentes genuínas Toro para garantir um desempenho seguro e eficaz. Nunca utilize lâminas produzidas por outros fabricantes porque podem tornar-se perigosas.
-
Coloque a unidade de corte na posição mais alta, engate o travão de estacionamento, pare o motor e retire a chave da ignição. Bloqueie a unidade de corte para não cair acidentalmente.
-
Fixe a extremidade da lâmina utilizando um pedaço de tecido ou uma luva grossa. Retire o parafuso da lâmina, o recipiente antidanos e lâmina do eixo (Figura 30).

-
Instale a lâmina, com a aba voltada para a unidade de corte, com o recipiente antidanos e o parafuso da lâmina. Aperte a porca de bloqueio com 115 a 149 N·m.
Important: A parte curva da lâmina tem de estar a apontar para o interior da unidade de corte para assegurar uma boa capacidade de corte.
Verificação e afinação da(s) lâmina(s)
| Intervalo de assistência | Procedimento de manutenção |
|---|---|
| Após as pimeiras 10 horas |
|
| Em todas as utilizações ou diariamente |
|
| A cada 50 horas |
|
Perigo
Uma lâmina desgastada ou danificada pode partir-se, podendo levar à projeção de um fragmento contra o utilizador ou alguém que esteja por perto e provocar lesões graves ou até mesmo a morte.
-
Inspecione periodicamente se a lâmina apresenta sinais de desgaste ou outros danos.
-
Não tente endireitar uma lâmina que esteja dobrada.
-
Não solde uma lâmina partida ou rachada.
-
Substitua uma lâmina gasta ou danificada por uma lâmina nova Toro para assegurar uma continuação da certificação de segurança do produto.
Tanto as partes cortantes como a parte curva (parte virada para cima oposta à parte cortante) contribuem para uma boa qualidade de corte. A parte curva é importante, pois levanta a relva e permite obter um corte regular. No entanto, a parte curva está sujeita a um desgaste gradual durante o funcionamento da máquina, o que é perfeitamente normal. À medida que a parte curva se gasta, também diminui a qualidade do corte, mesmo que as partes cortantes se encontrem afiadas. A parte cortante da lâmina deve manter-se afiada para que a relva seja cortada e não arrancada. Verifica-se uma parte cortante romba quando a relva apresenta extremidades acastanhadas e rasgadas. Afie a parte cortante para corrigir esta situação.
-
Estacione a máquina numa superfície nivelada. Levante a unidade de corte, engate o travão de mão, ponha o pedal de tração na posição de ponto-morto, desloque a alavanca da tomada de força para a posição DESLIGAR, desligue o motor e retire a chave da ignição.
-
Examine cuidadosamente as extremidades da lâmina, prestando especial atenção à zona onde se encontram as partes curvas e planas da lâmina (Figura 31). Verifique o estado da lâmina antes da operação de corte, pois a areia e outros materiais abrasivos podem ter desgastado o metal que liga as partes curva e plana da lâmina. Se der conta de desgaste (Figura 31), substitua a lâmina; consulte Desmontagem e montagem da lâmina(s).

Aviso
Se a lâmina continuar a sofrer este tipo de desgaste irá formar-se uma ranhura entre a aba e a parte plana da lâmina (Figura 31). Eventualmente, pode soltar-se algum pedaço da lâmina e projetar-se, ferindo-o a si ou a qualquer pessoa próxima.
-
Inspecione periodicamente se a lâmina apresenta sinais de desgaste ou outros danos.
-
Substitua uma lâmina gasta ou danificada por uma lâmina nova Toro para assegurar uma continuação da certificação de segurança do produto.
-
-
Inspecione as extremidades de corte de todas as lâminas. Afie as extremidades de corte se estas apresentarem sinais de desgaste ou ranhuras. Afie apenas o lado superior da parte cortante e mantenha o ângulo de corte original para garantir um desempenho eficaz da lâmina (Figura 32). A lâmina mantém o equilíbrio se for retirada a mesma quantidade de metal de ambas as partes cortantes.

Note: Retire as lâminas e afie-as num amolador; consulte “Remoção da lâmina de corte”. Após afiar a parte cortante, monte a lâmina com o recipiente antidanos e o parafuso da lâmina. A parte curva da lâmina tem de estar na parte de cima da lâmina. Aperte a porca de bloqueio com 115 a 149 N·m.
Substituição da correia de transmissão
| Intervalo de assistência | Procedimento de manutenção |
|---|---|
| A cada 50 horas |
|
A correia da transmissão da lâmina, apertada pela polia intermédia da mola, tem uma longa duração. No entanto, após muitas horas de utilização, esta deve apresentar alguns sinais de desgaste. Os sinais apresentados por uma correia desgastada são: ruído durante a rotação da correia, perda de eficácia das lâminas aquando do corte, extremidades desfiadas, marcas de queimaduras e rachas. Substitua a correia se notar algum destes sinais.
-
Baixe a unidade de corte até ao chão. Retire as coberturas da correia da zona superior da unidade de corte e coloque as coberturas à parte.
-
Utilizando uma uma chave de aperto ou ferramenta semelhante, afaste a polia intermédia (Figura 33) da correia da transmissão para libertar a tensão da correia e permitir que esta saia das polias da caixa de velocidades (Figura 34).


-
Retire a correia gasta das polias e da polia intermédia.
-
Coloque a nova correia nas polias de eixo e na estrutura da polia intermédia, como se mostra na Figura 35.

-
Instale as coberturas da correia.
Substituição do defletor de relva
Aviso
Uma abertura de descarga sem proteção pode fazer com que a máquina projete objetos na direção do utilizador ou outras pessoas e provocar ferimentos graves. Além disso, há o risco de contacto com a lâmina.
-
Não opere a máquina a não ser que monte uma placa de cobertura, uma placa de mulch ou uma calha e depósito de recolha de relva.
-
Certifique-se de que o defletor de relva está em baixo.
-
Retire a porca de bloqueio, o parafuso, a mola e a cunha que fixam o defletor aos apoios de articulação (Figura 36). Se o defletor de relva estiver danificado ou gasto, retire-o.
-
Coloque o espaçador e a mola no defletor de relva. Coloque a extremidade em L por trás da extremidade da plataforma.
Note: Certifique-se de que a extremidade em L da mola está montada por trás da extremidade da unidade de corte antes de colocar o parafuso como se mostra na Figura 36.
-
Coloque o parafuso e a porca. Coloque a extremidade em gancho J da mola em torno do defletor de relva (Figura 36).
Important: Tem de ser capaz de descer o defletor de relva para a posição. Suba o defletor para testar se desce por completo.

Limpeza do lado inferior da unidade de corte
| Intervalo de assistência | Procedimento de manutenção |
|---|---|
| Após cada utilização |
|
Retire a relva acumulada sob unidade de corte diariamente.
-
Desengate a tomada de força, liberte o pedal de tração para a posição de Ponto morto e engate o travão de estacionamento.
-
Desloque a alavanca do acelerador para a posição LENTO, desligue o motor, retire a chave e espere que todas as peças em movimento parem antes de deixar a posição de operador.
-
Levante a unidade de corte para a posição de TRANSPORTE.
-
Utilize um macaco para elevar a frente da máquina e apoie-a com preguiças.
-
Limpe muito bem a parte de baixo da unidade de corte com água.





























