Manutenzione
Note: Stabilite i lati sinistro e destro della macchina dalla normale posizione di guida.
Programma di manutenzione raccomandato
| Cadenza di manutenzione | Procedura di manutenzione |
|---|---|
| Dopo le prime 2 ore |
|
| Dopo le prime 10 ore |
|
| Prima di ogni utilizzo o quotidianamente |
|
| Dopo ogni utilizzo |
|
| Ogni 50 ore |
|
| Ogni 400 ore |
|
Lista di controllo della manutenzione quotidiana
Fotocopiate questa pagina e utilizzatela quando opportuno.
| Punto di verifica per la manutenzione | Per la settimana di: | ||||||
|---|---|---|---|---|---|---|---|
| Lun | Mar | Mer | Gio | Ven | Sab | Dom | |
| Controllate che il deflettore dell'erba sia abbassato (se pertinente) | |||||||
| Controllate la pressione dei pneumatici | |||||||
| Controllate la condizione delle lame | |||||||
| Lubrificate tutti i raccordi di ingrassaggio1 | |||||||
| Ritoccate la vernice danneggiata | |||||||
|
1. Subito dopo ogni lavaggio, a prescindere dall'intervallo indicato. |
|||||||
| Nota sulle aree problematiche | ||
| Ispezione eseguita da: | ||
| Art. | Data | Informazioni |
Attenzione
Se lasciate la chiave nell'interruttore di accensione, qualcuno potrebbe accidentalmente avviare il motore e ferire gravemente voi od altre persone.
Togliete la chiave di accensione prima di ogni intervento di manutenzione.
Important: Gli elementi di fissaggio presenti sui coperchi di questa macchina sono progettati in modo tale che rimangano agganciati ai coperchi dopo la loro rimozione. Allentate di alcuni giri tutti gli elementi di fissaggio su ogni coperchio, così che il coperchio risulti mobile ma ancora agganciato, quindi allentate completamente gli elementi di fissaggio fino a liberare del tutto il coperchio. Questa procedura vi impedisce di staccare accidentalmente del tutto i bulloni dagli elementi di fissaggio.
Lubrificazione
| Cadenza di manutenzione | Procedura di manutenzione |
|---|---|
| Prima di ogni utilizzo o quotidianamente |
|
| Ogni 50 ore |
|
La macchina è dotata di raccordi per ingrassaggio che devono essere lubrificati a intervalli regolari con grasso n. 2 al litio.
Lubrificate le seguenti zone:
-
Boccole (4) dell'asse della forcella delle ruote orientabili (Figura 19).

-
Cuscinetti (3) dell'asse del mandrino (situati sotto la puleggia) (Figura 20)

-
Cuscinetti dell'asse della leva di rinvio (Figura 20)
-
Perni dei bracci di sollevamento, anteriori (2) (Figura 21)

-
Perni dei bracci di sollevamento, posteriori (2) (Figura 22)

Controllo del lubrificante nella scatola ingranaggi
| Cadenza di manutenzione | Procedura di manutenzione |
|---|---|
| Ogni 50 ore |
|
| Ogni 400 ore |
|
La scatola ingranaggi è progettata per funzionare con lubrificante per ingranaggi SAE 80-90W. Sebbene la scatola ingranaggi sia spedita con lubrificante di fabbrica, verificate il livello prima di utilizzare l'apparato di taglio. La capacità della scatola ingranaggi è pari a 283 ml.
-
Parcheggiate la macchina e l'apparato di taglio su una superficie pianeggiante.
-
Rimuovete l'asta di livello/tappo di riempimento dalla parte superiore della scatola ingranaggi (Figura 23) e assicuratevi che il lubrificante sia compreso tra i segni sull'asta di livello. Se il lubrificante è insufficiente, rabboccatelo fino a raggiungere il livello compreso tra i segni.

Rimozione della copertura
Important: Gli elementi di fissaggio presenti sui coperchi di questa macchina sono progettati in modo tale che rimangano agganciati ai coperchi dopo la loro rimozione. Allentate di alcuni giri tutti gli elementi di fissaggio su ogni coperchio, così che il coperchio risulti mobile ma ancora agganciato, quindi allentate completamente gli elementi di fissaggio fino a liberare del tutto il coperchio. Questa procedura vi impedisce di staccare accidentalmente del tutto i bulloni dagli elementi di fissaggio.
Separazione dell’apparato di taglio dall'unità motrice
-
Parcheggiate la macchina su una superficie pianeggiante, abbassate l'apparato di taglio a terra, spostate la leva di sollevamento in posizione di FLOTTAZIONE, spegnete il motore e inserite il freno di stazionamento.
-
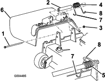
Rimuovete le coppiglie a forcina e i perni con testa che fissano i bracci di sollevamento alle staffe dei bracci delle ruote orientabili (Figura 24).

-
Allontanate l'apparato di taglio dal trattorino, separando le sezioni maschio e femmina dell'albero della presa di forza (Figura 25).

Pericolo
Se avviate il motore e l'albero della PDF può ruotare, possono verificarsi gravi infortuni.
Non avviate il motore né innestate la leva della PDF quando l'albero della PDF non è collegato alla scatola ingranaggi sull'apparato di taglio.
Collegamento dell’apparato di taglio al trattorino
-
Parcheggiate la macchina su una superficie piana e spegnete il motore.
-
Collocate l'apparato di taglio in posizione, davanti al trattorino.
-
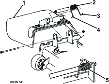
Inserite l'albero della presa di forza maschio nell'albero della presa di forza femmina (Figura 25).
-
Premete l'interruttore di sollevamento in avanti, in posizione di FLOTTAZIONE. Spingete in basso un braccio di sollevamento fino a quando i fori nel braccio di sollevamento non sono allineati ai fori nella staffa del braccio della ruota orientabile e non potete inserire l'asta dell'altezza di taglio nei cuscinetti del braccio di sollevamento (Figura 26).
-
Fissate il braccio di sollevamento al braccio della ruota orientabile con 2 rondelle di spinta, un perno con testa e una coppiglia a forcina, posizionate le rondelle di spinta tra il braccio di sollevamento e la staffa del braccio della ruota orientabile (Figura 26) e inserite l'estremità della coppiglia nella scanalatura nell'aletta del braccio della ruota orientabile, per fissare la coppiglia.
-
Ripetete l'operazione sul braccio di sollevamento opposto.
-
Avviate il trattorino e sollevate l'elemento di taglio.

Manutenzione delle boccole dei bracci delle ruote orientabili
I bracci orientabili sono dotati di boccole pressate nella parte superiore e inferiore del tubo e, dopo diverse ore di funzionamento, le boccole si usurano.
Per controllare le boccole, spostate la forcella della ruota orientabile avanti e indietro e da un lato all'altro. Se il mandrino delle ruote orientabili è lento all'interno delle boccole, le boccole sono usurate; sostituitele.
-
Alzate l'apparato di taglio, in modo che le ruote siano sollevate da terra. Bloccate l'apparato di taglio per impedire che cada accidentalmente.
-
Togliete il cappuccio di tensione, il distanziale (o distanziali) e la rondella di spinta dalla parte superiore del mandrino della ruota orientabile.
-
Estraete il mandrino della ruota orientabile dal tubo di fissaggio. Lasciate la rondella di spinta e il distanziale (o distanziali) sulla base del mandrino.
-
Inserite un punteruolo nella parte superiore o inferiore del tubo di fissaggio, e spingete la boccola fuori del tubo (Figura 27). Estraete dal tubo anche l'altra boccola. Pulite l'interno dei tubi di fissaggio.

-
Lubrificate le nuove boccole all'interno ed all'esterno con del grasso. Con un martello ed una piastra piatta inserite le boccole nel tubo di fissaggio.
-
Controllate che il mandrino della ruota orientabile non sia consumato, e sostituitelo se è danneggiato.
-
Spingete il mandrino della ruota orientabile attraverso le boccole e il tubo di montaggio, fate scorrere la rondella di spinta e il distanziale (o distanziali) sul mandrino e montate il cappuccio di tensione sul mandrino della ruota orientabile.
Revisione delle rotelle orientabili e dei cuscinetti
| Cadenza di manutenzione | Procedura di manutenzione |
|---|---|
| Dopo le prime 2 ore |
|
| Dopo le prime 10 ore |
|
| Ogni 50 ore |
|
-
Togliete il dado di bloccaggio dal bullone che fissa la rotella orientabile alla forcella (Figura 28). Afferrate la ruota orientabile ed estraete la vite a testa cilindrica dalla forcella o dal braccio di rotazione.

-
Togliete il cuscinetto dal mozzo della ruota e lasciate cadere il distanziale del cuscinetto (Figura 28). Togliete il cuscinetto dalla parte opposta del mozzo della ruota.
-
Controllate che i cuscinetti, il distanziale e l'interno del mozzo non siano usurati. Sostituite le parti avariate.
-
Per montare la ruota orientabile, inserite il cuscinetto nel mozzo della ruota. Durante il montaggio dei cuscinetti, premete l'anello esterno del cuscinetto.
-
Fate scorrere il distanziale del cuscinetto nel mozzo della ruota. Spingete l'altro cuscinetto nell'estremità aperta del mozzo della ruota, in modo da imprigionare il distanziale all'interno del mozzo.
-
Montate il gruppo ruota orientabile tra le forcelle, e fissatelo in sede con il bullone e il dado di bloccaggio.
Revisione delle lame di taglio
Sicurezza delle lame
Le lame consumate o danneggiate possono spezzarsi e scagliare frammenti verso di voi o gli astanti, causando gravi ferite o anche la morte.
-
Controllate la lama ad intervalli regolari, per accertare che non sia consumata o danneggiata.
-
Prestate la massima attenzione quando controllate le lame. Durante gli interventi di manutenzione, avvolgete le lame o indossate guanti adatti allo scopo e fate attenzione. Sostituite o affilate solo le lame; non raddrizzatele né saldatele.
-
Su macchine multilama, ricordate che la rotazione di 1 lama può provocare la rotazione anche di altre lame.
Verifica dell’assenza di curvatura della lama
-
Parcheggiate la macchina su terreno pianeggiante. Sollevate l'apparato di taglio, inserite il freno di stazionamento, mettete in folle il pedale di comando della trazione, mettete la leva della PDF in posizione di SPEGNIMENTO, spegnete il motore e togliete la chiave di accensione. Bloccate l'apparato di taglio per impedire che cada accidentalmente.
-
Girate la lama fino a disporla in parallelo con la lunghezza della macchina. Misurate la distanza tra l'interno dell'apparato di taglio e il tagliente sulla parte anteriore della lama (Figura 29), e annotatevela.

-
Girate in avanti l'estremità opposta delle lama. Misurate la distanza tra l'apparato di taglio e il tagliente della lama nella stessa posizione di cui al punto 2. La differenza tra le misure rilevate nelle voci 2 e 3 non deve superare i 3 mm. Se la dimensione supera i 3 mm, la lama è curva e dovete sostituirla; fate riferimento a Rimozione e montaggio della lama (o delle lame) .
Rimozione e montaggio della lama (o delle lame)
Sostituite la lama se colpisce un corpo solido, se è sbilanciata, consumata o incurvata. Utilizzate solo lame di ricambio originali Toro per garantire sicurezza e prestazioni ottimali. Non utilizzate mai lame di altre marche, in quanto possono essere pericolose.
-
Sollevate al massimo l'apparato di taglio, inserite il freno di stazionamento, spegnete il motore e togliete la chiave di accensione. Bloccate l'apparato di taglio per impedire che cada accidentalmente.
-
Afferrate l'estremità della lama con un cencio o un guanto bene imbottito. Togliete il bullone, la coppa antistrappo e la lama dall’asse del mandrino (Figura 30).

-
Montate la lama con la costa rivolta verso l'apparato di taglio servendovi della coppa antistrappo e del bullone della lama. Serrate il bullone della lama a un valore compreso tra 115 e 149 N∙m.
Important: Perché tagli correttamente, il lato curvo della lama deve essere rivolto verso l'interno dell'apparato di taglio.
Controllo e affilatura della lama (o delle lame)
| Cadenza di manutenzione | Procedura di manutenzione |
|---|---|
| Dopo le prime 10 ore |
|
| Prima di ogni utilizzo o quotidianamente |
|
| Ogni 50 ore |
|
Pericolo
Le lame consumate o danneggiate possono spezzarsi e scagliare frammenti verso di voi o gli astanti, causando gravi ferite o anche la morte.
-
Controllate la lama ad intervalli regolari, per accertare che non sia consumata o danneggiata.
-
Non tentate di raddrizzare una lama incurvata.
-
Non saldate una lama rotta o crepata.
-
Sostituite una lama consumata o danneggiata con una lama Toro nuova, per garantire che il prodotto sia sempre conforme alle norme di sicurezza.
Sia i taglienti sia la costa, cioè la parte rivolta in alto opposta al tagliente, contribuiscono alla buona qualità del taglio. La costa è importante perché solleva l'erba in verticale, consentendo in questo modo un taglio uniforme. La costa si consuma, tuttavia, con l’utilizzo; questo tipo di usura è normale. Quando la costa si usura, la qualità del taglio si deteriora, anche se i taglienti sono affilati. Il tagliente della lama deve essere affilato, in modo che l'erba venga tagliata anziché strappata. Quando le estremità dell'erba sono marroni e sminuzzate è evidente che il tagliente è ormai smussato. Per correggere questa condizione, affilate i taglienti
-
Parcheggiate la macchina su terreno pianeggiante. Sollevate l'apparato di taglio, inserite il freno di stazionamento, mettete in folle il pedale di comando della trazione, mettete la leva della PDF in posizione di SPEGNIMENTO, spegnete il motore e togliete la chiave.
-
Verificate accuratamente i taglienti, con particolare attenzione ai punti d'incontro delle sezioni piatta e curva della lama (Figura 31). Sabbia e materiali abrasivi possono consumare il metallo che connette le sezioni piatta e curva della lama, per cui si consiglia di controllare la lama prima di usare la macchina. Se notate dell'usura (Figura 31), sostituite la lama; fate riferimento a Rimozione e montaggio della lama (o delle lame) .

Avvertenza
Se continuate ad usare la lama usurata, si forma una scanalatura tra la costa e la sezione piatta della lama (Figura 31). Alla fine, un pezzo di lama può staccarsi e venire lanciato dal sottoscocca, con il rischio di ferire gravemente voi o gli astanti.
-
Controllate la lama ad intervalli regolari, per accertare che non sia consumata o danneggiata.
-
Sostituite una lama consumata o danneggiata con una lama Toro nuova, per garantire che il prodotto sia sempre conforme alle norme di sicurezza.
-
-
Esaminate i taglienti di tutte le lame, e affilateli se fossero ottusi o scheggiati. Affilate soltanto la parte superiore del tagliente e mantenete l'angolo di taglio originale per garantire l'affilatura (Figura 32). La lama rimane bilanciata soltanto se viene rimossa una quantità uguale di metallo da entrambi i taglienti.

Note: Rimuovete le lame e affilatele con un'affilatrice; vedere Rimozione delle lame. Dopo avere affilato i taglienti, montate la lama insieme alla coppa antistrappo e al bullone della lama. La costa deve trovarsi sulla parte superiore della lama. Serrate il bullone della lama tra 115 e 149 N∙m.
Sostituzione della cinghia di trasmissione
| Cadenza di manutenzione | Procedura di manutenzione |
|---|---|
| Ogni 50 ore |
|
La cinghia di trasmissione della lama, tesa dalla puleggia tendicinghia a molla, ha una lunga durata. Tuttavia, dopo molte ore di funzionamento, presenterà segni di usura. Questi sono: stridio durante la rotazione della cinghia, slittamento delle lame durante il taglio dell’erba, bordi sfilacciati, segni di bruciatura e spaccature. Sostituite la cinghia se si verifica una delle seguenti situazioni:
-
Abbassate al suolo l'apparato di taglio. Togliete i copricinghia dalla parte superiore dell’apparato di taglio e metteteli da parte.
-
Con una chiave dinamometrica o uno strumento simile, allontanate la puleggia tendicinghia (Figura 33) dalla cinghia di trasmissione per allentare la tensione della cinghia e staccarla dalla puleggia degli ingranaggi (Figura 34).


-
Togliete la vecchia cinghia dalle pulegge del mandrino e dalla puleggia tendicinghia.
-
Montate la nuova cinghia attorno alle pulegge del mandrino e alla puleggia tendicinghia, come illustrato in Figura 35.

-
Montate i copricinghia.
Sostituzione del deflettore di sfalcio
Avvertenza
Lasciando scoperta l’apertura di scarico si permette alla macchina di scagliare oggetti verso di voi o verso astanti, causando gravi lesioni. Inoltre, è possibile venire a contatto con la lama.
-
Non azionate la macchina senza aver montato una piastra di copertura, una piastra per mulching o una guida di scarico e un cesto di raccolta.
-
Accertatevi che il deflettore di sfalcio sia abbassato.
-
Togliete il dado di bloccaggio, il bullone, la molla e il distanziale che fissano il deflettore alle staffe orientabili del tosaerba (Figura 36). Togliete il deflettore di sfalcio se è danneggiato o consumato.
-
Inserite un distanziale e la molla sul deflettore di sfalcio. Inserite l’estremità a Ldella molla dietro il bordo dell'apparato di taglio.
Note: Assicuratevi che l'estremità a L della molla sia montata dietro il bordo dell'apparato di taglio prima di montare il bullone, come illustrato nella Figura 36.
-
Montate il bullone e il dado. Infilate l'estremità a J della molla attorno al deflettore di sfalcio (Figura 36).
Important: Dovete riuscire ad abbassare il deflettore dell'erba in posizione. Alzate il deflettore e verificate che quando scatta si abbassi completamente.

Pulizia della parte inferiore dell'apparato di taglio
| Cadenza di manutenzione | Procedura di manutenzione |
|---|---|
| Dopo ogni utilizzo |
|
Togliete ogni giorno lo sfalcio accumulatosi sotto l'apparato di taglio.
-
Disinnestate la PDF, rilasciate il pedale di trazione in posizione di folle e inserite il freno di stazionamento.
-
Portate la leva dell'acceleratore in posizione di MARCIA LENTA, spegnete il motore, togliete la chiave e prima di scendere dalla postazione dell'operatore attendete che le parti in movimento si siano fermate.
-
Sollevate l'apparato di taglio in posizione di TRASFERIMENTO.
-
Usate un martinetto per sollevare la parte anteriore della macchina e sostenetela su cavalletti.
-
Pulite accuratamente con acqua la parte inferiore dell'apparato di taglio.

























