保守
Note: 前後左右は運転位置からみた方向です。
推奨される定期整備作業
| 整備間隔 | 整備手順 |
|---|---|
| 使用開始後最初の 2 時間 |
|
| 使用開始後最初の 10 時間 |
|
| 使用するごとまたは毎日 |
|
| 使用後毎回 |
|
| 50運転時間ごと |
|
| 400運転時間ごと |
|
始業点検表
このページをコピーして使ってください。
| 点検項目 | 第週 | ||||||
|---|---|---|---|---|---|---|---|
| 月 | 火 | 水 | 木 | 金 | 土 | 日 | |
| デフレクタが下向きになっているか点検する(該当機種の場合)。 | |||||||
| タイヤ空気圧を点検する | |||||||
| ブレードのコンディションを点検する | |||||||
| すべてのグリスフィッティングにグリスを注入する 1 | |||||||
| 塗装傷のタッチアップ修理を行う。 | |||||||
|
1. 車体を水洗いしたときは整備間隔に関係なく直ちにグリスアップする。 |
|||||||
| 要注意個所の記録 | ||
| 点検担当者名: | ||
| 内容 | 日付 | 記事 |
注意
始動キーをつけたままにしておくと、誰でもいつでもエンジンを始動させることができ、危険である。
整備・調整作業の前には必ずエンジンを停止し、キーを抜いておくこと。
Important: カバーについているボルトナット類は、カバーを外しても、カバーから外れません。全部のボルト類を数回転ずつゆるめてカバーが外れかけた状態にし、それから、全部のボルト類を完全にゆるめてカバーを外すようにしてください。このようにすれば、誤ってリテーナからボルトを外してしまうことがありません。
潤滑
| 整備間隔 | 整備手順 |
|---|---|
| 使用するごとまたは毎日 |
|
| 50運転時間ごと |
|
定期的に、全部の潤滑個所にNo.2汎用リチウム系グリスを注入します。
以下の各部のグリスアップを行う:
ギアボックスのオイルを点検する
| 整備間隔 | 整備手順 |
|---|---|
| 50運転時間ごと |
|
| 400運転時間ごと |
|
ギアボックスに使用するオイルは SAE 80-90w のギア用潤滑油です。適量のオイルを入れて出荷していますが、カッティングユニットを使用する前に点検してください。ギアボックスの容量は 283 ml です。
-
マシンとカッティングユニットを平らな場所に駐車する。
-
ギアボックスの上部についているディップスティック兼給油プラグ(図 23)を取り、オイルの量が、ディップスティックについている2本のマークの間にあることを確認する。油量が少なければ2本のマークの中間まで補給する。

カバーを外す
Important: カバーについているボルトナット類は、カバーを外しても、カバーから外れません。全部のボルト類を数回転ずつゆるめてカバーが外れかけた状態にし、それから、全部のボルト類を完全にゆるめてカバーを外すようにしてください。このようにすれば、誤ってリテーナからボルトを外してしまうことがありません。
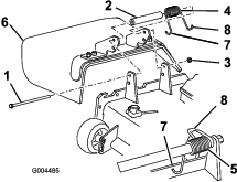
カッティングユニットの取り外し
トラクションユニットへのカッティングユニットの取り付け
-
平らな場所に駐車しエンジンを停止する。
-
カッティングユニットをトラクションユニットの前に置く。
-
オスの PTO シャフトとメスの PTO シャフトを接続する(図 25)。
-
昇降スイッチを前位置フロート位置にセットする。昇降アームを押し下げて、昇降アームについている穴とキャスタアームのブラケットについている穴を整列させ、昇降アームのパッドに刈高ロッドを挿入できるようにする(図 26)。
-
昇降アームをキャスタアームに固定する;スラストワッシャ(2枚)、クレビスピン、ヘアピンコッターを使用する。昇降アームとキャスタアームブラケットの間にスラストワッシャを入れ(図 26)、コッターピンを、キャスタアーム・タブのスロットに差し込んで固定する。
-
もう一方の昇降アームにも同じ作業を行う。
-
トラクションユニットを始動し、カッティングユニットを上昇させる。

キャスタアームのブッシュの整備
キャスタアームのチューブには上側と下側にブッシュがはめ込んでありますが、これらのブッシュは使用に伴って磨耗してきます。
ブッシュを点検するには、キャスタフォークを前後左右に揺り動かして見ます。ブッシュの中でキャスタのシャフトがぐらついているようならブッシュの磨耗が進んでいると判断し、交換してください。
-
カッティングユニットを上昇させて、ホイールを床から浮かす。カッティングユニットが落下しないように支持ブロックでサポートする。
-
各キャスタスピンドルの上部についているトーショニングキャップ、スペーサ、スラストワッシャを外す。
-
キャスタスピンドルをチューブから引き抜く。スラストワッシャとスペーサは、スピンドルの一番下に残しておく。
-
ピンポンチを使って、チューブの上または下からブッシュをたたき出す(図 27)。もう1個のブッシュについても同様にして取り出す。チューブの内部をきれいに清掃する。

-
新しいブッシュの内外面にグリスを塗る。ハンマーと平たい板を使って、ブッシュをチューブにたたき込む。
-
キャスタシャフトを点検し、必要に応じて交換する。
-
ブッシュと取り付けチューブにキャスタスピンドルを通し、もう 1 枚のスラストワッシャと残りのスペーサをスピンドルに取り付け、テンショニングキャップをキャスタスピンドルに取り付ける。
キャスタホイールとベアリングの整備
| 整備間隔 | 整備手順 |
|---|---|
| 使用開始後最初の 2 時間 |
|
| 使用開始後最初の 10 時間 |
|
| 50運転時間ごと |
|
-
キャスタホイールアセンブリをキャスタフォークの間に保持しているボルトのロックナット(図 28)を外す。キャスタホイールをつかんでおいて、ボルトをフォークまたはピボットアームから抜き取る。

-
ホイールのハブからベアリングを外して、ベアリングスペーサを床に落とす(図 28)。ホイールハブの反対側にあるベアリングを取る。
-
ベアリング、スペーサ、ホイールハブの内側の状態を点検する。磨耗したり破損したりしている部品は交換する。
-
キャスタホイールを組み立てるには、まず、ホイールのハブにベアリングを押し込む。ベアリングを取り付ける時、ベアリングの外側のレース部分を押すように注意すること。
-
ホイールのハブにベアリングスペーサを入れる。もう一個のベアリングをホイールハブの空いている側に取り付けてハブ内部のスペーサを固定する。
-
キャスタフォークの間にキャスタホイールアセンブリを入れ、ボルトとロックナットで固定する。
ブレードの整備
刈り込みブレードについての安全事項
磨耗の進んだブレードや破損したブレードは、回転中にちぎれて飛び出す場合があり、これが起こるとオペレータや周囲の人間に多大の危険を及ぼし、最悪の場合には死亡事故となる。
-
ブレードが磨耗や破損していないか定期的に点検すること。
-
ブレードを点検する時には安全に十分注意してください。ブレードをウェスでくるむか、安全手袋をはめ、十分に注意して取り扱ってください。ブレードは研磨または交換のみ行い、たたいて修復したり溶接したりしないでください。
-
複数のブレードを持つ機械では、1つのブレードを回転させると他も回転する場合がありますから注意してください。
ブレードの変形を調べる
-
平らな場所に駐車する。カッティングユニットを上昇させ、駐車ブレーキを掛け、走行ペダルをニュートラルに戻し、PTO レバーが OFF 位置であることを確認し、エンジンを停止しキーを抜き取る。カッティングユニットが落下しないように支持ブロックでサポートする。
-
ブレードが前後方向を指すように回転させる。カッティングユニットの天井から各ブレードの前端の刃先までの距離(図 29)を測り、測定値を記録する。

-
ブレードを半回転させてもう一方の切っ先を前に向ける。上記2で行ったと同方法で、ユニットの天井から各ブレードの前端の刃先までの距離測る。2での測定結果と3での測定結果との差が3 mm 以内であれば適正とする。差が3 mm よりも大きい場合には、そのブレードは曲がっていて危険であるから交換する;ブレードの取り外しと取り付けを参照。
ブレードの取り外しと取り付け
ブレードが堅いものに当たった、バランスが取れていない、磨耗した、曲がったなどの場合には新しいものと交換してください。安全を確保し、適切な刈りを行うために、ブレードは必ず Toro 社の純正品をお使いください。他社のブレードを使用すると危険な場合がありますから絶対にやめてください。
-
カッティングユニットを一番高い位置まで上昇させ、駐車ブレーキを掛け、エンジンを停止させてキーを抜き取る。カッティングユニットが落下しないように支持ブロックでサポートする。
-
ぼろきれや厚いパッドの入った手袋を使ってブレードの端部をしっかり握る。スピンドルのシャフトからブレードボルト、芝削り防止カップ、ブレードを取り外す(図 30)。

-
ブレードを取り付ける時は、セール(立ち上がっている部分)がカッティングデッキの天井を向くように取り付け、芝削り防止カップをつけてブレードボルトで固定する。各ブレードボルトを 115-149 N·m(11.8-15.2 kg.m=85-110 ft-lb)にトルク締めする。
Important: ブレードの立っている側(セイル部)がカッティングユニットの天井を向くのが正しい取り付け方です。
ブレードの点検と研磨
| 整備間隔 | 整備手順 |
|---|---|
| 使用開始後最初の 10 時間 |
|
| 使用するごとまたは毎日 |
|
| 50運転時間ごと |
|
危険
磨耗の進んだブレードや破損したブレードは、回転中にちぎれて飛び出す場合があり、これが起こるとオペレータや周囲の人間に多大の危険を及ぼし、最悪の場合には死亡事故となる。
-
ブレードが磨耗や破損していないか定期的に点検すること。
-
曲がったブレードを整形しないこと。
-
割れたり欠けたりしたブレードは絶対に溶接で修理しないこと。
-
安全性を確保し保証するために、磨耗や破損したブレードは必ず純正のブレードと交換してください。
高品質の刈りを実現するためには、刃先と、刃先の反対側にある立ち上がった部分であるセール部の両方が重要です。セール部は、風を起こして草を真っ直ぐに立て、均一な刈りを実現するものです。しかしセールは使用に伴って徐々に磨耗してきます。そしてこの磨耗に伴って、刃先が鋭く維持されていても、刈りの質は幾分か落ちてきます。草を引きちぎるのでなく、カットするためには、当然刃先が鋭利でなければなりません。刈りあとを見て、切り口がささくれ立っていたり茶色に変色しているのは刃先が鈍くなっている証拠です。このような状態が見られたら、ブレードを研磨してください。
-
平らな場所に駐車する。カッティングユニットを上昇させ、駐車ブレーキを掛け、走行ペダルをニュートラルに戻し、PTO レバーが OFF 位置であることを確認し、エンジンを停止してキーを抜き取る。
-
ブレードの切っ先を注意深く観察、特に、直線部と曲線部が交わる部分をよく観察する(図 31)。この、直線部と曲線部の交差域は、砂などによる磨耗が進みやすい部分なので、機械を使用するまえによく点検することが必要。磨耗が進んでいる場合(図 31)にはブレードを交換する;ブレードの取り外しと取り付けを参照。

警告
ブレードの磨耗を放置すると、ブレードのセール部と平坦部との間に割れ目が発生する(図 31)。この割れ目が拡大すると、最終的にはブレードがちぎれてハウジングの下から飛び出し、これがオペレータや周囲の人に重大な人身事故となる。
-
ブレードが磨耗や破損していないか定期的に点検すること。
-
安全性を確保し保証するために、磨耗や破損したブレードは必ず純正のブレードと交換してください。
-
-
全部のブレードの刃先を丁寧に点検する。刃先が鈍くなっていたり欠けていたりした場合には研磨する。研磨は刃先の上面だけに行い、刃の元々の角度を変えないように十分注意する(図 32)。ブレードの左右を均等に削れば、バランスを狂わすことなく研磨を行うことができる。

Note: ブレードを取り外し、研磨機で研磨する;「ブレードの取り外し」を参照。研磨後、ブレードを取り付ける時は、セール(立ち上がっている部分)がカッティングデッキの天井を向くように取り付け、芝削り防止カップをつけてブレードボルトで固定する。ブレードのセイル部がブレード上部になるようにすること。ブレードボルトを 115-149 N∙m(11.8-15.2 kg.m=85-110 ft-lb)にトルク締めする。
駆動ベルトの交換
| 整備間隔 | 整備手順 |
|---|---|
| 50運転時間ごと |
|
ブレードを駆動しているベルトはスプリング付きのアイドラで張りを調整されており、非常に耐久性が高く、長期間にわたって使用することができます。しかし長期間のうちに必ず磨耗が現れてきます。磨耗の兆候として:ベルトが回転するときにきしみ音がする、刈り込み中にベルトが滑ってブレードが回らない、ベルトの縁がほつれている、焼けた跡がある、割れているなどがあります。これらを発見したらベルトを交換してください。
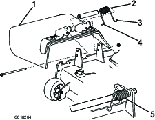
デフレクタの交換
警告
排出口がデフレクタなどで覆われていないと、デッキから異物が飛び出して人に当たる恐れがあり、このようなことが実際におこると深刻な人身事故になりかねない。また、ブレードに触れて大怪我をする可能性もある。
-
必ず、カバープレート、マルチプレート、またはシュートと集草バッグを取り付けて運転すること。
-
デフレクタが降りた位置になっているのを必ず確認しておくこと。
-
デフレクタをピボットブラケットに固定しているロックナット、ボルト、スプリング、スペーサを外す(図 36)。デフレクタを取り外す。
-
デフレクタにスペーサとスプリングを取り付ける。L 形端部をカッティングユニット後部のエッジに引っ掛ける。
Note: 必ずスプリングの L 字形端部をカッティングユニット後部のエッジに引っ掛け、それから 図 36 のようにボルトを取り付けてください。
-
ボルトとナットを取り付ける。スプリングの右側の J 字形フックを、デフレクタに引っ掛ける(図 36)。
Important: デフレクタを所定位置まで降ろすことができなければいけません。デフレクタを手で上向きにし、自力で下まで完全に下がることを確認してください。

カッティングユニットの下側の洗浄
| 整備間隔 | 整備手順 |
|---|---|
| 使用後毎回 |
|
カッティングユニットの裏側にたまった刈りかすは毎日取り除いてください。
-
PTOを解除し、走行ペダルから足を離してニュートラル位置とし、駐車ブレーキを掛ける。
-
スロットルレバーを 低速 にセットし、エンジンを停止し、キーを抜き取り、各部が完全に停止したのを確認してから運転席を降りる。
-
カッティングユニットを移動走行位置に上昇させる。
-
機体前部を浮かせ、ジャッキスタンドで支持する。
-
カッティングユニットの裏側を水でていねいに清掃する。


































