Mantenimiento
Note: Los lados derecho e izquierdo de la máquina se determinan desde la posición normal del operador.
Calendario recomendado de mantenimiento
| Intervalo de mantenimiento y servicio | Procedimiento de mantenimiento |
|---|---|
| Después de las primeras 2 horas |
|
| Después de las primeras 10 horas |
|
| Cada vez que se utilice o diariamente |
|
| Después de cada uso |
|
| Cada 50 horas |
|
| Cada 400 horas |
|
Lista de comprobación – mantenimiento diario
Duplique esta página para su uso rutinario.
| Elemento a comprobar | Para la semana de: | ||||||
|---|---|---|---|---|---|---|---|
| Lun. | Mar. | Miér. | Jue. | Vie. | Sáb. | Dom. | |
| Compruebe el deflector de hierba en posición bajada (en su caso) | |||||||
| Compruebe la presión de los neumáticos | |||||||
| Compruebe la condición de las cuchillas | |||||||
| Lubricar todos los puntos de engrase1 | |||||||
| Retoque cualquier pintura dañada | |||||||
|
1. Inmediatamente después de cada lavado, aunque no corresponda a uno de los intervalos citados. |
|||||||
| Anotación para áreas problemáticas: | ||
| Inspección realizada por: | ||
| Elemento | Fecha | Información |
Cuidado
Si deja la llave en el interruptor de encendido, alguien podría arrancar el motor accidentalmente y causar lesiones graves a usted o a otras personas.
Retire la llave de contacto antes de realizar cualquier operación de mantenimiento.
Important: Las fijaciones de las cubiertas de esta máquina están diseñadas para que queden sujetas a la cubierta después de retirarse ésta. Afloje todas las fijaciones de cada cubierta unas cuantas vueltas hasta que la cubierta esté suelta pero aún sujeta, luego vuelva a aflojarlas hasta que la cubierta quede libre. Esto evita la posibilidad de retirar accidentalmente los pernos de los retenedores.
Lubricación
| Intervalo de mantenimiento y servicio | Procedimiento de mantenimiento |
|---|---|
| Cada vez que se utilice o diariamente |
|
| Cada 50 horas |
|
La máquina tiene engrasadores que deben ser lubricados regularmente con grasa de litio Nº 2.
Lubrique las zonas siguientes:
-
Casquillos (4) del eje de la horquilla de las ruedas giratorias (Figura 19).

-
Cojinetes del eje (3) (situados debajo de la polea) (Figura 20).

-
Cojinetes del eje del brazo tensor (Figura 20)
-
Pivotes de los brazos de elevación delanteros (2) (Figura 21)

-
Pivotes de los brazos de elevación traseros (2) (Figura 22)

Comprobación del lubricante de la caja de engranajes
| Intervalo de mantenimiento y servicio | Procedimiento de mantenimiento |
|---|---|
| Cada 50 horas |
|
| Cada 400 horas |
|
La caja de engranajes está diseñada para funcionar con lubricante para engranajes de peso SAE 80-90. Aunque la caja de engranajes se entrega de fábrica llena de lubricante, compruebe el nivel antes de utilizar la unidad de corte. La capacidad de la caja de engranajes es de 283 ml.
-
Aparque la máquina y la unidad de corte en una superficie nivelada.
-
Retire la varilla/ tapón de llenado de la parte superior de la caja de engranajes (Figura 23) y compruebe que el lubricante está entre las marcas de la varilla. Si el nivel de lubricante es bajo, añada suficiente lubricante para que el nivel quede entre las marcas.

Cómo retirar la cubierta
Important: Las fijaciones de las cubiertas de esta máquina están diseñadas para que queden sujetas a la cubierta después de retirarse ésta. Afloje todas las fijaciones de cada cubierta unas cuantas vueltas hasta que la cubierta esté suelta pero aún sujeta, luego vuelva a aflojarlas hasta que la cubierta quede libre. Esto evita la posibilidad de retirar accidentalmente los pernos de los retenedores.
Separación de la unidad de corte de la unidad de tracción
-
Aparque la máquina en una superficie nivelada, baje la unidad de corte al suelo, mueva la palanca de elevación a la posición de FLOTACIóN, apague el motor y accione el freno de estacionamiento.
-
Retire las chavetas y los pasadores de horquilla que fijan los brazos de elevación a los soportes de los brazos de las ruedas giratorias (Figura 24).

-
Aleje la unidad de corte de la unidad de tracción, separando las secciones macho y hembra del árbol de la TDF (Figura 25).

Peligro
Si arranca el motor y el árbol de la TDF empieza a rotar, podrían producirse lesiones graves.
No arranque el motor ni accione la palanca de la TDF a menos que el árbol de la TDF esté conectado a la caja de engranajes de la unidad de corte.
Montaje de la unidad de corte en la unidad de tracción
-
Coloque la máquina en una superficie nivelada y pare el motor.
-
Coloque la unidad de corte delante de la unidad de tracción.
-
Introduzca el árbol macho de la TDF en el árbol hembra de la TDF (Figura 25).
-
Presione el interruptor de elevación hacia adelante, a la posición de FLOTACIóN. Empuje hacia abajo uno de los brazos de elevación hasta que los taladros del brazo de elevación estén alineados con los taladros del soporte del brazo de la rueda giratoria y pueda insertar la varilla de ajuste de altura de corte en los alojamientos del brazo de elevación (Figura 26).
-
Fije el brazo de elevación al brazo de la rueda giratoria con las 2 arandela de empuje, un pasador de horquilla y una chaveta, coloque las arandelas de empuje entre el brazo de elevación y el soporte del brazo de la rueda giratoria (Figura 26) e introduzca el extremo del pasador de horquilla en la ranura de la pestaña del brazo de la rueda giratoria para retener el pasador.
-
Repita este procedimiento en el otro brazo de elevación.
-
Arranque la unidad de tracción y eleve la unidad de corte.

Mantenimiento de los casquillos de las ruedas giratorias
Los brazos de las ruedas giratorias tienen casquillos colocados a presión en las partes superior e inferior del tubo, que se desgastarán después de muchas horas de uso.
Para comprobar los casquillos, mueva la horquilla hacia delante y hacia atrás y de un lado a otro. Si el eje tiene holgura dentro de los casquillos, los casquillos están desgastados; cámbielos.
-
Levante la unidad de corte de manera que las ruedas queden levantadas del suelo. Bloquee la unidad de corte para evitar que se caiga accidentalmente.
-
Retire el casquillo tensor, el/los suplemento (s) y la arandela de empuje de la parte superior del husillo de la rueda giratoria.
-
Retire el husillo del tubo de montaje. Deje la arandela de empuje y el/los suplemento(s) en la parte inferior del husillo.
-
Inserte un botador fino en la parte superior o inferior del tubo de montaje y dé golpes hasta retirar el casquillo del tubo (Figura 27). Retire también el otro casquillo del tubo. Limpie el interior de los tubos para eliminar toda suciedad.

-
Aplique grasa al interior y al exterior de los casquillos nuevos. Utilice un martillo y una chapa plana para introducir los casquillos nuevos en el tubo de montaje.
-
Inspeccione el husillo para ver si está desgastado, y cámbielo si está dañado.
-
Introduzca el eje de la rueda giratoria a través de los casquillos y del tubo de montaje, deslice la arandela de empuje y los espaciadores en el eje e instale el casquillo tensor en el eje.
Mantenimiento de las ruedas giratorias y los cojinetes
| Intervalo de mantenimiento y servicio | Procedimiento de mantenimiento |
|---|---|
| Después de las primeras 2 horas |
|
| Después de las primeras 10 horas |
|
| Cada 50 horas |
|
-
Retire la contratuerca del perno que sujeta el conjunto de la rueda giratoria en la horquilla (Figura 28). Sujete la rueda giratoria y retire el perno de la horquilla o del brazo de pivote.

-
Retire el cojinete de la rueda y deje que se caiga el suplemento del cojinete (Figura 28). Retire el cojinete del otro lado de la rueda.
-
Compruebe los cojinetes, el suplemento y el interior de la rueda por si estuvieran desgastados. Sustituya cualquier pieza dañada.
-
Para ensamblar la rueda giratoria, coloque el cojinete en el cubo de la rueda. Al instalar los cojinetes, empuje en el anillo de rodadura exterior de los mismos.
-
Deslice el suplemento del cojinete en el cubo de la rueda. Coloque el otro cojinete en la parte abierta del cubo de la rueda para fijar el suplemento dentro del cubo.
-
Instale el conjunto de la rueda giratoria entre la horquilla y fíjelo con el perno y la contratuerca.
Mantenimiento de las cuchillas de corte
Seguridad de las cuchillas
Una cuchilla desgastada o dañada puede romperse, y un trozo de la cuchilla podría ser arrojado hacia usted u otra persona, provocando lesiones personales graves o la muerte.
-
Inspeccione periódicamente las cuchillas, para asegurarse de que no están desgastadas ni dañadas.
-
Tenga cuidado al comprobar las cuchillas. Envuelva las cuchillas o lleve guantes, y extreme las precauciones al manejar las cuchillas. Las cuchillas únicamente pueden ser cambiadas o afiladas; no las enderece ni las suelde nunca.
-
En máquinas con múltiples cuchillas, tenga cuidado puesto que girar una cuchilla puede hacer que giren otras cuchillas.
Verificación de la rectilinealidad de las cuchillas
-
Coloque la máquina en una superficie nivelada. Levante la unidad de corte, accione el freno de estacionamiento, ponga el pedal de tracción en punto muerto, ponga la palanca de la TDF en posición de DESENGRANADO, apague el motor y retire la llave de contacto. Bloquee la unidad de corte para evitar que se caiga accidentalmente.
-
Gire la cuchilla hasta que los extremos estén orientados hacia adelante y hacia atrás. Mida desde el interior de la unidad de corte al filo de corte en la parte delantera de la cuchilla (Figura 29) y recuerde esta dimensión.

-
Gire hacia adelante el otro extremo de la cuchilla. Mida entre la unidad de corte y el filo de corte de la cuchilla en la misma posición que en el paso 2. La diferencia entre las dimensiones obtenidas en los pasos 2 y 3 no debe superar los 3 mm. Si esta dimensión es de más de 3 mm, cambie la cuchilla porque está doblada; consulte Cómo retirar e instalar la(s) cuchilla(s).
Cómo retirar e instalar la(s) cuchilla(s)
La cuchilla debe cambiarse si golpea un objeto sólido, o si está desequilibrada, doblada o desgastada. Utilice siempre piezas de repuesto genuinas de Toro para garantizar la seguridad y un rendimiento óptimo. No utilice nunca cuchillas de otros fabricantes, puesto que podrían ser peligrosas.
-
Eleve la unidad de corte a la posición más alta, ponga el freno de estacionamiento, pare el motor y retire la llave de contacto. Bloquee la unidad de corte para evitar que se caiga accidentalmente.
-
Sujete el extremo de la cuchilla usando un paño o un guante grueso. Retire del eje de la cuchilla el perno de la cuchilla, el protector de césped y la cuchilla (Figura 30).

-
Instale la cuchilla – la vela hacia la unidad de corte – con el protector de césped y el perno de la cuchilla. Apriete el perno de la cuchilla a 115–149 N·m.
Important: La parte curva de la cuchilla debe apuntar hacia el interior de la unidad de corte para asegurar un corte correcto.
Inspección y afilado de la(s) cuchilla(s)
| Intervalo de mantenimiento y servicio | Procedimiento de mantenimiento |
|---|---|
| Después de las primeras 10 horas |
|
| Cada vez que se utilice o diariamente |
|
| Cada 50 horas |
|
Peligro
Una cuchilla desgastada o dañada puede romperse, y un trozo de la cuchilla podría ser arrojado hacia usted u otra persona, provocando lesiones personales graves o la muerte.
-
Inspeccione periódicamente las cuchillas, para asegurarse de que no están desgastadas ni dañadas.
-
No intente enderezar una cuchilla doblada.
-
No suelde una cuchilla rota o agrietada.
-
Cambie cualquier cuchilla desgastada o dañada por una cuchilla Toro nueva para asegurar que el producto siga cumpliendo la certificación de seguridad.
Tanto el filo de corte como la vela – la parte inclinada hacia arriba frente al filo de corte – contribuyen a una buena calidad de corte. La vela es importante porque levanta y endereza la hoja de hierba, así produciendo un corte homogéneo. No obstante, la vela se desgasta gradualmente durante la operación, y esto es normal. A medida que la vela se desgasta, la calidad de corte disminuye algo, aunque los filos estén afilados. El filo de corte de la cuchilla debe estar afilado para que la hierba sea cortada en vez de desgarrada. Cuando las puntas de las hojas de hierba tienen un aspecto marrón y desgarrado, es señal de que el filo no está afilado. Afile la cuchilla para corregir esta condición.
-
Aparque la máquina en una superficie nivelada. Levante la unidad de corte, accione el freno de estacionamiento, ponga el pedal de tracción en punto muerto, ponga la palanca de la TDF en posición de DESENGRANADO, apague el motor y retire la llave.
-
Examine cuidadosamente los extremos de corte de la cuchilla, sobre todo en el punto de reunión entre la parte plana y la parte curva de la cuchilla (Figura 31). Puesto que la arena y los materiales abrasivos pueden desgastar el metal que conecta las partes curva y plana de la cuchilla, compruebe la cuchilla antes de utilizar la máquina. Si se aprecia desgaste (Figura 31), cambie la cuchilla; consulte Cómo retirar e instalar la(s) cuchilla(s).

Advertencia
Si se permite que la cuchilla se desgaste, se formará una hendidura entre la vela y la parte plana de la cuchilla (Figura 31). Con el tiempo, una parte de la cuchilla podría desprenderse y salir lanzada desde debajo de la carcasa, posiblemente causando lesiones graves a usted o a otra persona.
-
Inspeccione periódicamente las cuchillas, para asegurarse de que no están desgastadas ni dañadas.
-
Cambie cualquier cuchilla desgastada o dañada por una cuchilla Toro nueva para asegurar que el producto siga cumpliendo la certificación de seguridad.
-
-
Inspeccione los filos de corte de todas las cuchillas. Afile los filos de corte si están romos o tienen mellas. Afile únicamente la parte superior del filo y mantenga el ángulo de corte original para asegurar un filo correcto (Figura 32). La cuchilla permanecerá equilibrada si se retira la misma cantidad de metal de ambos filos de corte.

Note: Retire las cuchillas y afílelas con una afiladora; consulte Cómo retirar las cuchillas. Después de afilar los filos de corte, instale la cuchilla con el protector de césped y el perno de la cuchilla. Las velas de la cuchilla deben estar en la parte superior de la misma. Apriete el perno de la cuchilla a entre 115 y 149 N·m.
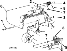
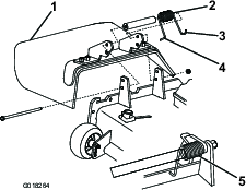
Sustitución de la correa de transmisión
| Intervalo de mantenimiento y servicio | Procedimiento de mantenimiento |
|---|---|
| Cada 50 horas |
|
La correa de transmisión de las cuchillas, tensada por la polea tensora tensada con muelle, es muy resistente. No obstante, después de muchas horas de uso la correa mostrará señales de desgaste. Estas señales de desgaste son: chirridos cuando la correa está en movimiento, las cuchillas resbalan durante la siega, bordes deshilachados, quemaduras y grietas. Cambie la correa si observa cualquiera de estas condiciones.
-
Baje la unidad de corte al suelo del taller. Retire las cubiertas de las correas de la parte superior de la unidad de corte y apártelas.
-
Usando una llave dinamométrica u otra herramienta similar, aleje la polea tensora (Figura 33) de la correa de transmisión para aliviar la tensión de la correa y poder retirar la correa de la polea de la caja de engranajes (Figura 34).


-
Retire la correa gastada de las poleas libres y de la polea tensora.
-
Pase la correa nueva alrededor de las poleas de los ejes y del conjunto de la polea tensora, según se muestra en Figura 35.

-
Instale las cubiertas de las correas.
Cambio del deflector de hierba
Advertencia
Si el hueco de descarga se deja destapado, el cortacésped podría arrojar objetos hacia usted o hacia otras personas y causar lesiones graves. También podría producirse un contacto con la cuchilla.
-
No utilice la máquina, a menos que instale una tapa, una placa de mulching o un conducto de hierba y un recogedor.
-
Compruebe que el deflector de hierba está bajado.
-
Retire la contratuerca, el perno, el muelle y el espaciador que sujetan el deflector a los soportes de pivote (Figura 36). Retire el deflector de hierba dañado o desgastado.
-
Coloque el espaciador y el muelle en el deflector de hierba. Coloque el extremo en L del muelle detrás del reborde de la unidad de corte.
Note: Asegúrese de colocar el extremo en L del muelle detrás del reborde de la unidad de corte antes de instalar el perno, según se muestra en la Figura 36.
-
Instale el perno y la tuerca. Coloque el gancho en J del muelle alrededor del deflector de hierba (Figura 36).
Important: Debe poder bajar el deflector de hierba a su posición. Levante el deflector para verificar que puede bajar del todo.

Limpieza debajo de la unidad de corte
| Intervalo de mantenimiento y servicio | Procedimiento de mantenimiento |
|---|---|
| Después de cada uso |
|
Retire a diario cualquier acumulación de hierba debajo de la unidad de corte.
-
Desengrane la toma de fuerza, suelte el pedal de tracción a la posición de punto muerto y accione el freno de estacionamiento.
-
Mueva la palanca del acelerador a la posición de LENTO, apague el motor, retire la llave y espere a que se detengan todas las piezas en movimiento antes de abandonar el puesto del operador.
-
Eleve la unidad de corte a la posición de TRANSPORTE.
-
Utilice un gato para levantar la parte delantera de la máquina y apóyela con soportes fijos.
-
Limpie a fondo los bajos de la unidad de corte con agua.

























