Kunnossapito
Note: Koneen vasen ja oikea puoli määritellään normaalista käyttöasennosta käsin.
Kunnossapitotaulukko
| Huoltoväli | Huoltotoimenpide |
|---|---|
| 2 ensimmäisen käyttötunnin jälkeen |
|
| 10 ensimmäisen käyttötunnin jälkeen |
|
| Aina ennen käyttöä tai päivittäin |
|
| Jokaisen käytön jälkeen |
|
| 50 käyttötunnin välein |
|
| 400 käyttötunnin välein |
|
Päivittäisen huollon tarkastuslista
Ota tästä sivusta kopioita.
| Tarkistettavat kohdat | Viikolle: | ||||||
|---|---|---|---|---|---|---|---|
| Ma | Ti | Ke | To | Pe | La | Su | |
| Tarkista suuntain ala-asennossa (jos on) | |||||||
| Tarkista rengaspaine | |||||||
| Tarkista terien kunto | |||||||
| Voitele kaikki rasvanipat1 | |||||||
| Korjaa maalipinnan vauriot | |||||||
|
1. Välittömästi jokaisen pesun jälkeen, luettelon mukaisesta huoltovälistä riippumatta. |
|||||||
| Todetut viat | ||
| Tarkastuksen suoritti: | ||
| Vika | Päivämäärä | Huomio |
Varoitus
Jos jätät avaimen virtalukkoon, joku voi vahingossa käynnistää moottorin ja vahingoittaa vakavasti lähellä olijoita.
Irrota avain virtalukosta ennen huollon aloitusta.
Important: Tämän koneen suojusten kiinnikkeiden on tarkoitus pysyä kiinni suojuksessa sen irrotuksen jälkeen. Löysää kunkin suojuksen kaikkia kiinnikkeitä muutama kierros niin, että suojus on löysällä mutta kuitenkin yhä paikallaan. Löysää sitten kiinnikkeitä lisää, kunnes suojus irtoaa. Näin vältetään pulttien irtoaminen vahingossa pidikkeistä.
Voitelu
| Huoltoväli | Huoltotoimenpide |
|---|---|
| Aina ennen käyttöä tai päivittäin |
|
| 50 käyttötunnin välein |
|
Koneessa on rasvanippoja, jotka on voideltava säännöllisesti litiumpohjaisella yleisrasvalla nro 2.
Voitele seuraavat kohdat:
Vaihteiston voiteluaineen tarkistus
| Huoltoväli | Huoltotoimenpide |
|---|---|
| 50 käyttötunnin välein |
|
| 400 käyttötunnin välein |
|
Vaihteistossa on käytettävä SAE 80–90 -vaihteistoöljyä. Vaikka vaihteisto toimitetaan tehtaalta voiteluaineella täytettynä, tarkista voiteluaineen määrä ennen leikkuuyksikön käyttöä. Vaihteiston tilavuus on 283 ml.
-
Pysäköi kone ja leikkuuyksikkö tasaiselle alustalle.
-
Irrota mittatikku/täyttötulppa vaihteiston yläosasta (Kuva 23) ja varmista, että voiteluaineen pinta on mittatikun merkintöjen välissä. Jos voiteluainetta on liian vähän, lisää voiteluainetta niin paljon, että pinta nousee merkintöjen väliin.

Suojuksen irrotus
Important: Tämän koneen suojusten kiinnikkeiden on tarkoitus pysyä kiinni suojuksessa sen irrotuksen jälkeen. Löysää kunkin suojuksen kaikkia kiinnikkeitä muutama kierros niin, että suojus on löysällä mutta kuitenkin yhä paikallaan. Löysää sitten kiinnikkeitä lisää, kunnes suojus irtoaa. Näin vältetään pulttien irtoaminen vahingossa pidikkeistä.
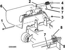
Leikkuuyksikön irrotus ajoyksiköstä
-
Pysäköi kone tasaiselle alustalle, laske leikkuuyksikkö lattialle, siirrä nostovipu KELLUNTA-asentoon, sammuta moottori ja kytke seisontajarru.
-
Irrota sokat ja liitintapit, jotka kiinnittävät nostovarret kääntöpyörän varren pidikkeisiin (Kuva 24).

-
Vieritä leikkuuyksikkö erilleen ajoyksiköstä sekä erota PTO-akselin uros- ja naarasosat (Kuva 25).

Hengenvaara
Moottorin käynnistäminen ja voimanulosoton akselin liikkuminen voi aiheuttaa vakavia henkilövahinkoja.
Älä käynnistä moottoria ja kytke voimanulosoton vipua, jos voimanulosoton akselia ei ole kytketty leikkuuyksikön vaihteistoon.
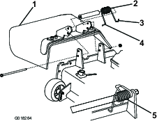
Leikkuuyksikön asennus ajoyksikköön
-
Pysäköi kone tasaiselle alustalle ja sammuta moottori.
-
Siirrä leikkuuyksikkö ajoyksikön eteen oikeaan kohtaan.
-
Liu’uta voimanulosoton urosakseli voimanulosoton naarasakseliin (Kuva 25).
-
Paina nostokytkintä eteenpäin KELLUNTA-asentoon. Työnnä nostovartta alaspäin, kunnes nostovarren aukot ovat kohdakkain kääntöpyörän varren pidikkeen aukkojen kanssa ja leikkuukorkeustanko voidaan työntää nostovarren laattoihin (Kuva 26).
-
Kiinnitä nostovarsi kääntöpyörän varteen kahdella painealuslaatalla, yhdellä liitintapilla ja sokalla. Aseta painealuslaatat nostovarren ja kääntöpyörän varren pidikkeen (Kuva 26) väliin ja työnnä sokan pää kääntöpyörän varren kielekkeessä olevaan aukkoon.
-
Toista menettely vastakkaisella nostovarrella.
-
Käynnistä ajoyksikkö ja nosta leikkuuyksikkö.

Kääntöpyörän varsien holkkien huolto
Kääntöpyörien varsien holkit on painettu putken ylä- ja alapäähän, ja runsaan käytön jälkeen holkit kuluvat.
Tarkasta holkit siirtämällä kääntöpyörän haarukkaa edestakaisin ja sivulta toiselle. Jos kääntöpyörän kara on löysällä holkkien sisällä, holkit ovat kuluneet ja ne on vaihdettava.
-
Nosta leikkuuyksikköä, jotta pyörät nousevat irti lattiasta. Tue leikkuuyksikkö siten, ettei se pääse vahingossa putoamaan alas.
-
Irrota kiristyskanta, välilevy(t) ja aluslaatta kääntöpyörän karan päältä.
-
Vedä kääntöpyörän kara ulos asennusputkesta. Jätä aluslaatta ja välilevy(t) karan alaosaan.
-
Aseta pistepuikko asennusputken ylä- tai alapäähän ja vedä holkki ulos putkesta (Kuva 27). Ota myös toinen holkki putkesta. Puhdista putkien sisäpuoli.

-
Levitä rasvaa uusien holkkien sisä- ja ulkopintaan. Siirrä holkit asennusputkeen käyttämällä vasaraa ja litteää levyä.
-
Tarkista, ettei kääntöpyörän karassa ole kulumia ja vaihda se tarvittaessa.
-
Työnnä kääntöpyörän kara holkkien ja asennusputken läpi. Liu’uta painealuslaatta ja välilevyt karaan ja asenna kiristyskanta kääntöpyörän karaan.
Kääntöpyörien ja laakereiden huolto
| Huoltoväli | Huoltotoimenpide |
|---|---|
| 2 ensimmäisen käyttötunnin jälkeen |
|
| 10 ensimmäisen käyttötunnin jälkeen |
|
| 50 käyttötunnin välein |
|
-
Irrota lukkomutteri pultista, jolla kääntöpyöräkokoonpano on kiinnitetty kääntöpyörän haarukan väliin (Kuva 28). Tartu kääntöpyörään ja liu’uta pultti haarukasta tai kääntövarresta.

-
Irrota laakeri pyörännavasta ja päästä laakerin välikappale putoamaan (Kuva 28). Irrota laakeri pyörännavan vastakkaiselta puolelta.
-
Tarkasta, etteivät laakerit, välilevy ja pyörännavan sisäpuoli ole kuluneet. Vaihda vaurioituneet osat.
-
Työnnä laakeri pyörännapaan kääntöpyörän kokoamista varten. Asentaessasi laakereita paina laakerin ulompaa vierintäpintaa.
-
Liu'uta laakerin välilevy pyörännapaan. Työnnä toinen laakeri pyörännavan avoimeen päähän siten, että se kiinnittyy pyörännavan sisällä olevaan laakerin välilevyyn.
-
Asenna kääntöpyöräkokoonpano kääntöpyörän haarukan väliin ja kiinnitä se pultilla ja lukkomutterilla.
Leikkuuterien huolto
Terien turvallinen käyttö
Kulunut tai vaurioitunut terä voi rikkoutua ja terän pala voi sinkoutua käyttäjään tai ohikulkijaan päin, mikä voi aiheuttaa vakavan henkilövahingon tai kuoleman.
-
Terä on tarkistettava säännöllisesti kulumisen ja vaurioiden varalta.
-
Ole varovainen, kun tarkastat teriä. Kiedo terien ympärille esimerkiksi kangas tai käytä käsineitä ja noudata varovaisuutta teriä huoltaessasi. Terät saa ainoastaan vaihtaa tai teroittaa. Niitä ei saa suoristaa eikä hitsata.
-
Ole varovainen käsitellessäsi moniteräisiä koneita, sillä yhden terän kääntäminen saattaa kääntää myös muita teriä.
Taipuneen terän tarkistus
-
Pysäköi kone tasaiselle alustalle. Nosta leikkuuyksikkö, kytke seisontajarru, aseta ajopoljin vapaalle, kytke voimanulosoton (PTO) vipu POIS-asentoon, pysäytä moottori ja irrota avain virtalukosta. Tue leikkuuyksikkö siten, ettei se pääse vahingossa putoamaan alas.
-
Käännä terää, kunnes päät osoittavat eteen- ja taaksepäin. Mittaa etäisyys leikkuuyksikön sisäpinnasta terän etuosan leikkuusärmään (Kuva 29) ja merkitse mitta muistiin.

-
Käännä terän vastakkainen pää osoittamaan eteenpäin. Mittaa leikkuuyksikön ja terän leikkuusärmän etäisyys samassa asennossa kuin vaiheessa 2. Vaiheiden 2 ja 3 välisten mittojen ero ei saa olla yli 3 mm. Jos etäisyys on yli 3 mm, vaihda terä, koska se on taipunut. Katso kohta Terien irrotus ja asennus.
Terien irrotus ja asennus
Terä on vaihdettava, jos se on osunut kiinteään esineeseen tai jos se on epätasapainossa, kulunut tai taipunut. Käytä aina alkuperäisiä Toro-vaihtoteriä, jotta turvallisuus ja suorituskyky olisivat parhaat mahdolliset. Älä käytä muiden valmistajien valmistamia teriä, sillä ne voivat aiheuttaa vaaratilanteita.
-
Nosta leikkuuyksikkö yläasentoon, kytke seisontajarru, pysäytä moottori ja irrota avain virtalukosta. Tue leikkuuyksikkö siten, ettei se pääse vahingossa putoamaan alas.
-
Tartu terän päähän liinan tai paksun hansikkaan avulla. Irrota teräpultti, nurmisuojakupu ja terä kara-akselista (Kuva 30).

-
Asenna terä (siipi kohti leikkuuyksikköä) sekä nurmisuojakupu ja teräpultti. Kiristä teräpultti momenttiin 115–149 N·m.
Important: Terän kaarevan puolen on osoitettava leikkuuyksikön sisäpuolta kohti, jotta leikkuujäljestä tulee moitteeton.
Terien tarkastus ja teroitus
| Huoltoväli | Huoltotoimenpide |
|---|---|
| 10 ensimmäisen käyttötunnin jälkeen |
|
| Aina ennen käyttöä tai päivittäin |
|
| 50 käyttötunnin välein |
|
Hengenvaara
Kulunut tai vaurioitunut terä voi rikkoutua ja terän pala voi sinkoutua käyttäjään tai ohikulkijaan päin, mikä voi aiheuttaa vakavan henkilövahingon tai kuoleman.
-
Terä on tarkistettava säännöllisesti kulumisen ja vaurioiden varalta.
-
Älä yritä suoristaa taipunutta terää.
-
Älä hitsaa murtunutta tai haljennutta terää.
-
Vaihda kulunut tai vaurioitunut terä uuteen Toro-terään, jotta varmistat tuotteen turvallisuuden jatkossakin.
Sekä leikkuusärmät että siipi (ylöspäin käännetty osa leikkuusärmää vastapäätä) vaikuttavat leikkuutulokseen. Siipi on tärkeä osa, sillä se nostaa ruohon pystyyn ja tuottaa tasaisen leikkuutuloksen. Siipi kuitenkin kuluu vähitellen käytön aikana, mikä on täysin normaalia. Sitä mukaa kun siipi kuluu, leikkuutuloksen laatu heikentyy hieman, vaikka leikkuusärmät olisivat terävät. Terän leikkuusärmän on oltava terävä, jotta ruoho leikkautuu eikä repeydy. Leikkuusärmä on tylsä, kun ruohon kärjet ovat ruskeat ja repeytyneet. Teroita leikkuusärmät, jotta leikkuutulos parantuu.
-
Pysäköi kone tasaiselle alustalle. Nosta leikkuuyksikkö, kytke seisontajarru, aseta ajopoljin vapaalle, kytke voimanulosoton (PTO) vipu POIS-asentoon, pysäytä moottori ja irrota avain virtalukosta.
-
Tarkasta terän leikkuusärmät huolellisesti. Kiinnitä huomiota varsinkin kohtiin, joissa terän tasaiset ja käyrät osat kohtaavat (Kuva 31). Tarkista terä ennen koneen käyttöä, koska hiekka ja hankaavat materiaalit voivat kuluttaa metallia, jolla terän tasaiset ja käyrät osat liittyvät toisiinsa. Vaihda terä, jos siinä on kulumisen merkkejä (Kuva 31). Katso kohta Terien irrotus ja asennus.

Vaara
Jos terän annetaan kulua, siiven ja terän tasaisen osan väliin muodostuu ura (Kuva 31). Terästä voi lopulta irrota pala, joka voi sinkoutua kotelon alta ja aiheuttaa vakavan loukkaantumisen.
-
Terä on tarkistettava säännöllisesti kulumisen ja vaurioiden varalta.
-
Vaihda kulunut tai vaurioitunut terä uuteen Toro-terään, jotta varmistat tuotteen turvallisuuden jatkossakin.
-
-
Tarkista kaikkien terien leikkuusärmät. Teroita leikkuusärmät, jos ne ovat tylsät tai urautuneet. Teroita vain leikkuusärmän yläosa ja säilytä alkuperäinen leikkuukulma terävyyden varmistamiseksi (Kuva 32). Terä säilyttää tasapainonsa, kun molemmista leikkuusärmistä poistetaan metallia yhtä paljon.

Note: Irrota terät ja teroita ne hiomalaitteella. Katso kohtaa Terän irrotus. Asenna leikkuusärmien teroituksen jälkeen terä, nurmisuojakupu ja teräpultti. Teräsiipien on oltava terän päällä. Kiristä teräpultti momenttiin 115–149 N·m.
Käyttöhihnan vaihto
| Huoltoväli | Huoltotoimenpide |
|---|---|
| 50 käyttötunnin välein |
|
Jousikuormitteisen kiristinpyörän avulla kiristettävä terän käyttöhihna on hyvin kestävä. Hihna kuitenkin kuluu ajan mittaan. Kuluneen hihnan merkkejä ovat: vinkuminen hihnan pyöriessä, luistavat terät ruohoa leikattaessa, rispaantuneet reunat, palojäljet ja murtumat. Vaihda hihna, jos jokin näistä tiloista ilmenee.
-
Laske leikkuuyksikkö työpajan lattialle. Irrota hihnasuojukset leikkuuyksikön päältä ja aseta ne syrjään.
-
Käytä momenttiavainta tai vastaavaa työkalua ja siirrä kiristinpyörä (Kuva 33) irti käyttöhihnasta, niin hihnan jännitys vapautuu ja hihna voidaan vetää pois vaihteiston hihnapyörän päältä (Kuva 34).


-
Irrota vanha hihna karapyörien ja kiristinpyörän ympäriltä.
-
Asenna uusi hihna karapyörien ja kiristinpyöräkokoonpanon ympärille. Katso Kuva 35.

-
Asenna hihnasuojukset.
Suuntaimen vaihto
Vaara
Jos heittoaukko ei ole peitossa, kone saattaa singota esineitä käyttäjän tai sivullisten suuntaan, mistä voi olla seurauksena vakava tapaturma. Seurauksena voi olla myös kosketus terään.
-
Älä koskaan käytä konetta ilman suojuslevyä, leikkuujätelevyä tai ruohosuppiloa ja ruohonkerääjää.
-
Tarkista, että suuntain on ala-asennossa.
-
Irrota lukkomutteri, pultti, jousi ja välikappale, jotka kiinnittävät suuntaimen kääntökannattimiin (Kuva 36). Irrota vaurioitunut tai kulunut suuntain.
-
Aseta välikappale ja jousi suuntaimeen. Aseta jousen L-pää leikkuuyksikön reunan taakse.
Note: Varmista, että jousen L-pää on asetettu leikkuuyksikön reunan taakse kuvan mukaisesti (Kuva 36) ennen pultin asennusta.
-
Asenna pultti ja mutteri. Aseta jousen J-koukkupää suuntaimen ympärille (Kuva 36).
Important: Suuntain on pystyttävä laskemaan asentoonsa. Nosta suuntain ylös ja testaa, että se on laskettavissa täysin alas.

Leikkuuyksikön alapuolen puhdistus
| Huoltoväli | Huoltotoimenpide |
|---|---|
| Jokaisen käytön jälkeen |
|
Poista ruohokertymät leikkuuyksikön alta päivittäin.
-
Vapauta voimanulosotto, vapauta ajopoljin Vapaa-asentoon ja kytke seisontajarru.
-
Siirrä kaasuvipu HIDAS-asentoon, sammuta moottori, irrota avain ja odota, että kaikki liikkuvat osat pysähtyvät, ennen kuin poistut käyttäjän paikalta.
-
Nosta leikkuuyksikkö KULJETUSASENTOON.
-
Nosta koneen etuosa tunkilla ja tue se pukeilla.
-
Puhdista leikkuuyksikön alapuoli huolellisesti vedellä.





























