Onderhoud
Note: Bepaal vanuit de normale bedieningspositie de linker– en rechterzijde van de machine.
Aanbevolen onderhoudsschema
| Onderhoudsinterval | Onderhoudsprocedure |
|---|---|
| Na de eerste 2 bedrijfsuren |
|
| Na de eerste 10 bedrijfsuren |
|
| Bij elk gebruik of dagelijks |
|
| Na elk gebruik |
|
| Om de 50 bedrijfsuren |
|
| Om de 400 bedrijfsuren |
|
Controlelijst voor dagelijks onderhoud
Gelieve deze pagina te kopiëren ten behoeve van gebruik bij routinecontroles.
| Gecontroleerd item | Voor week van: | ||||||
|---|---|---|---|---|---|---|---|
| Ma. | Di. | Wo. | Do. | Vr. | Za. | Zo. | |
| Controleren of de grasgeleider omlaag staat (indien van toepassing) | |||||||
| Bandenspanning controleren | |||||||
| De conditie van maaimessen controleren | |||||||
| Vet in alle smeerpunten spuiten1 | |||||||
| Beschadigde lak bijwerken | |||||||
|
1. Onmiddellijk na elke wasbeurt, ongeacht de voorgeschreven interval. |
|||||||
| Aantekening voor speciale aandachtsgebieden: | ||
| Controle uitgevoerd door: | ||
| Item | Datum | Informatie |
Voorzichtig
Als u het sleuteltje in het contact laat, bestaat de kans dat iemand de motor per ongeluk start waardoor u of andere omstanders ernstig letsel kunnen oplopen.
Verwijder het sleuteltje uit het contact voordat u onderhoudswerkzaamheden uitvoert aan de machine.
Important: De bevestigingen op de deksels van deze machine zijn zo ontworpen dat ze op het deksel blijven zitten nadat de bevestiging is losgemaakt. Draai alle bevestigingen op elk deksel een paar slagen losser zodat het deksel loszit maar nog wel bevestigd is en draai de bevestigingen daarna pas helemaal los totdat het deksel eraf komt. Hiermee voorkomt u dat u per ongeluk de bouten van de borgringen losdraait.
Smering
| Onderhoudsinterval | Onderhoudsprocedure |
|---|---|
| Bij elk gebruik of dagelijks |
|
| Om de 50 bedrijfsuren |
|
De machine is voorzien van smeerpunten die u regelmatig moet smeren met nr. 2 lithiumvet.
Smeer de volgende punten:
De smering van de tandwielkast controleren
| Onderhoudsinterval | Onderhoudsprocedure |
|---|---|
| Om de 50 bedrijfsuren |
|
| Om de 400 bedrijfsuren |
|
De tandwielkast is ontworpen voor gebruik met SAE 80-90 tandwielolie. De tandwielkast is in de fabriek gevuld met olie; het oliepeil moet echter worden gecontroleerd voordat de maai-eenheid voor de eerste keer wordt gebruikt. De inhoud van de tandwielkast is 283 ml.
-
Parkeer de machine en de maai-eenheid op een horizontaal oppervlak.
-
Verwijder de peilstok/vulplug op de bovenkant van de tandwielkast (Figuur 23) en controleer of het peil van de tandwielolie tussen de merktekens op de peilstok staat. Als het oliepeil te laag is, vult u voldoende olie bij totdat het peil tussen de markeringen op de peilstok staat.

De kap verwijderen
Important: De bevestigingen op de deksels van deze machine zijn zo ontworpen dat ze op het deksel blijven zitten nadat de bevestiging is losgemaakt. Draai alle bevestigingen op elk deksel een paar slagen losser zodat het deksel loszit maar nog wel bevestigd is en draai de bevestigingen daarna pas helemaal los totdat het deksel eraf komt. Hiermee voorkomt u dat u per ongeluk de bouten van de borgringen losdraait.
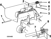
Het maaidek van de tractie-eenheid verwijderen
-
Parkeer de machine op een horizontaal oppervlak, laat de maai-eenheid neer, zet de hefhendel in de ZWEEFSTAND, zet de motor af en stel de parkeerrem in werking.
-
Verwijder de R-pennen en de gaffelpennen waarmee de hefarmen zijn bevestigd aan de beugels van de zwenkwielarmen (Figuur 24).

-
Rol de maai-eenheid bij de tractie-eenheid vandaan en ontkoppel het mannelijke en vrouwelijke gedeelte van de aftakas (Figuur 25).

Gevaar
Als de motor wordt gestart en de aftakas gaat draaien kan dit ernstig lichamelijk letsel tot gevolg hebben.
U mag de motor niet starten en de aftakashendel niet inschakelen als de aftakas niet is aangesloten op de tandwielkast van de maai-eenheid.
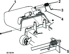
De maai-eenheid aan de tractie-eenheid koppelen
-
Plaats de machine op een horizontaal oppervlak en zet de motor af.
-
Plaats de maai-eenheid vóór de tractie-eenheid.
-
Schuif de mannelijke aftakas in de vrouwelijke aftakas (Figuur 25).
-
Zet de hefschakelaar vooruit in de ZWEEFSTAND. Druk een hefarm omlaag totdat de openingen in de hefarm zijn uitgelijnd met de openingen in de beugel van de zwenkwielarm en u de maaihoogtestang in de blokken van de hefarm kunt brengen (Figuur 26).
-
Bevestig de hefarm aan de zwenkwielarm; gebruik hierbij 2 drukringen, een gaffelpen en een R-pen. Plaats de drukringen tussen de hefarm en de beugel van de zwenkwielarm (Figuur 26) en steek het uiteinde van de gaffelpen in de sleuf in de lip van de zwenkwielarm om de gaffelpen te borgen.
-
Herhaal de procedure voor de tegenoverliggende hefarm.
-
Start de tractie-eenheid en breng de maai-eenheid omhoog.

Onderhoud van de lagers in de zwenkwielarmen
In de boven- en onderkant van de buis in de zwenkwielarmen zitten lagerbussen gedrukt. Deze lagerbussen zullen na vele bedrijfsuren slijten.
Om de lagerbussen te controleren, moet u de zwenkwielvork naar voren en naar achteren en van links naar rechts bewegen. Als de zwenkwielas los in de lagerbussen zit, zijn de lagerbussen versleten en zijn deze aan vervanging toe.
-
Breng de maai-eenheid omhoog zodat de wielen vrijkomen van de grond. Zet de maai-eenheid vast om te voorkomen dat dit per ongeluk naar beneden valt.
-
Verwijder het klemkapje, de afstandsstuk(ken) en de drukring van de bovenkant van de zwenkwielas.
-
Trek de zwenkwielas uit de buis waarin deze is bevestigd. Laat de drukring en afstandsstuk(ken) onder op de as zitten.
-
Sla een drevel in de boven- of onderkant van de bevestigingsbuis en tik de lagerbus uit de buis (Figuur 27). Tik ook de andere lagerbus uit de buis. Reinig de binnenkant van de buizen.

-
Smeer vet aan de binnen- en buitenkant van de nieuwe lagerbussen. Druk de lagerbussen voorzichtig in de bevestigingsbuis met behulp van een hamer en een vlakke plaat.
-
Controleer de zwenkwielas op slijtage en vervang deze in geval van beschadiging.
-
Duw de zwenkwielas door de lagerbussen en de bevestigingsbuis, schuif de drukring en afstandsstuk(ken) op de as, en plaats het klemkapje op de zwenkwielas.
Onderhoud van zwenkwielen en lagers
| Onderhoudsinterval | Onderhoudsprocedure |
|---|---|
| Na de eerste 2 bedrijfsuren |
|
| Na de eerste 10 bedrijfsuren |
|
| Om de 50 bedrijfsuren |
|
-
Verwijder de borgmoer van de bout waarmee het zwenkwiel is bevestigd aan de zwenkwielvork (Figuur 28). Pak het zwenkwiel vast en schuif de bout uit de vork of draaiarm.

-
Verwijder het lager uit de wielnaaf en laat het lager eruit vallen (Figuur 28). Verwijder het lager vanaf de andere kant van de wielnaaf.
-
Controleer de lagers, het afstandsstuk en de binnenkant van de wielnaaf op slijtage. Beschadigde delen vervangen.
-
Om het zwenkwiel in elkaar te zetten, drukt u het lager in de wielnaaf. Om de lagers te monteren, moet u op de buitenste loopring van het lager drukken.
-
Schuif het afstandsstuk van het lager in de wielnaaf. Druk het andere lager in het open uiteinde van de wielnaaf om het afstandsstuk van het lager in de wielnaaf vast te zetten.
-
Plaats de zwenkwielset in de zwenkwielvork en zet deze vast op zijn plaats met behulp van een bout en een borgmoer.
Onderhoud van de maaimessen
Veiligheid van de messen
Een versleten of beschadigd mes kan breken en een stuk van het mes kan worden uitgeworpen in de richting van de bestuurder of omstanders en ernstig lichamelijk of dodelijk letsel toebrengen.
-
Controleer op gezette tijden het maaimes op slijtage of beschadigingen.
-
Wees voorzichtig als u de messen controleert. Omwikkel de maaimessen of draag handschoenen en wees voorzichtig als u onderhoudswerkzaamheden aan de maaimessen verricht. De maaimessen mogen alleen worden vervangen of geslepen, probeer ze nooit recht te maken of er aan te lassen.
-
Let op dat bij machines met meerdere maaimessen andere messen kunnen gaan draaien doordat u 1 mes draait.
Controleren op kromme messen
-
Plaats de machine op een horizontaal oppervlak. Breng de maai-eenheid omhoog, stel de parkeerrem in werking, zet het tractiepedaal in de neutraalstand en schakel de aftakas UIT. Zet daarna de motor af en verwijder het sleuteltje uit het contact. Zet de maai-eenheid vast om te voorkomen dat dit per ongeluk naar beneden valt.
-
Draai het mes totdat de uiteinden in de lengterichting liggen. Meet de afstand vanaf de binnenkant van de maai-eenheid tot de voorste snijrand van het mes (Figuur 29) en onthoud deze afstand.

-
Draai de tegenovergestelde uiteinden van de messen naar voren. Meet de afstand tussen de maai-eenheid en de snijrand van het mes op dezelfde plaats als bij stap 2. Het verschil tussen de afstanden die zijn gemeten bij stap2 en 3 mag niet meer bedragen dan 3 mm. Als het verschil meer dan 3 mm bedraagt, is het mes krom en moet het worden vervangen; zie Mes(sen) verwijderen en monteren.
Mes(sen) verwijderen en monteren
Een mes moet worden vervangen als u vast voorwerp heeft geraakt, of als het mes uit balans, krom of versleten is. Gebruik ter vervanging altijd originele Toro messen zodat u zeker bent van een veilig gebruik en optimale prestaties. Gebruik nooit messen van andere fabrikanten, omdat deze gevaarlijk kunnen zijn.
-
Breng het maaidek omhoog naar de hoogste stand, stel de parkeerrem in werking, zet de motor af en verwijder het sleuteltje uit het contact. Zet het maaidek vast om te voorkomen dat dit per ongeluk naar beneden valt.
-
Pak het uiteinde van het mes vast met een doek of een dikke, gevoerde handschoen. Verwijder de mesbout, de antiscalpeercup en het mes van de as (Figuur 30).

-
Plaats het mes met de vleugel in de richting van de maai-eenheid en bevestig de antiscalpeercup en de mesbout. Draai de mesbout vast met een torsie van 115 tot 149 N·m.
Important: Het gebogen deel van het mes moet naar de binnenzijde van de maai-eenheid wijzen om een goede maaikwaliteit te garanderen.
Het/de mes(sen) controleren en slijpen
| Onderhoudsinterval | Onderhoudsprocedure |
|---|---|
| Na de eerste 10 bedrijfsuren |
|
| Bij elk gebruik of dagelijks |
|
| Om de 50 bedrijfsuren |
|
Gevaar
Een versleten of beschadigd mes kan breken en een stuk van het mes kan worden uitgeworpen in de richting van de bestuurder of omstanders en ernstig lichamelijk of dodelijk letsel toebrengen.
-
Controleer op gezette tijden het maaimes op slijtage of beschadigingen.
-
Probeer nooit een verbogen mes weer recht te buigen.
-
U mag gebroken of gescheurde messen niet lassen.
-
Vervang een versleten of beschadigd mes door een nieuw Toro mes om er zeker van te zijn dat de machine altijd veilig kan worden gebruikt.
Zowel de snijranden als de vleugel – dat is het deel dat naar boven steekt tegenover de snijrand – zorgen ervoor dat het mes een goede maaikwaliteit levert. De vleugel is belangrijk omdat dit het gras rechtop zet zodat het gelijkmatig wordt gemaaid. De vleugel zal echter tijdens het gebruik langzaam slijten, en dit is normaal. Als de vleugel slijt, zal de maaikwaliteit geleidelijk aan enigszins afnemen, hoewel de snijranden scherp blijven. De snijrand van het mes moet scherp zijn zodat het gras wordt gemaaid en niet wordt afgescheurd. De snijrand is kennelijk bot als de punten van de grassprieten bruin zijn of kapot zijn gescheurd. Slijp de snijranden om dit te verhelpen.
-
Parkeer de machine op een horizontaal oppervlak. Breng de maai-eenheid omhoog, stel de parkeerrem in werking, zet het tractiepedaal in de neutraalstand en schakel de aftakas UIT. Zet daarna de motor af en verwijder het sleuteltje.
-
Controleer nauwkeurig de uiteinden van het maaimes, in het bijzonder op de plaats waar het platte en het gebogen deel samenkomen (Figuur 31). Omdat het metaal dat het platte en het gebogen deel van het mes verbindt, kan wegslijten door zand en ander schurend materiaal, moet u dit steeds controleren voordat u gaat maaien. Als u een slijtplek (Figuur 31) ontdekt, moet u het mes vervangen: zie Mes(sen) verwijderen en monteren.

Waarschuwing
Als het mes gaat slijten, kan er een groef ontstaan tussen de wiek en het platte deel van het mes (Figuur 31). Uiteindelijk kan dan een stuk van het mes afbreken en van onder de maaikast worden weggeslingerd waardoor de bestuurder of een omstander ernstig letsel kan oplopen.
-
Controleer op gezette tijden het maaimes op slijtage of beschadigingen.
-
Vervang een versleten of beschadigd mes door een nieuw Toro mes om er zeker van te zijn dat de machine altijd veilig kan worden gebruikt.
-
-
Controleer de snijranden van alle messen. Als de snijranden niet scherp zijn of bramen vertonen, moeten ze worden geslepen. Gebruik een vijl om de bovenkant van het mes te slijpen en de oorspronkelijke snijhoek te behouden en te zorgen dat het mes scherp blijft (Figuur 32). Het mes zal in balans blijven als dezelfde hoeveelheid metaal aan beide snijranden wordt weggehaald.

Note: Verwijder de messen en slijp ze op een slijpmachine, zie Het maaimes verwijderen. Nadat de snijranden zijn geslepen, monteert u het mes met de antiscalpeercup en de mesbout. De vleugelen moeten zich aan de bovenzijde van het mes bevinden. Draai de mesbout vast met een torsie van 115 tot 149 N·m.
De aandrijfriem vervangen
| Onderhoudsinterval | Onderhoudsprocedure |
|---|---|
| Om de 50 bedrijfsuren |
|
De drijfriem van het maaimes, die wordt gespannen door de veerbelaste spanpoelie, is vervaardigd van zeer duurzaam materiaal. De riem zal echter na vele bedrijfsuren tekenen van slijtage gaan vertonen. Tekenen dat een riem aan het slijten is zijn: gieren tijdens het draaien van de riem, als de messen slippen tijdens het maaien, gerafelde randen, schroeiplekken en scheuren. Vervang de riem als u een van deze dingen merkt.
-
Laat de maai-eenheden neer op de grond. Verwijder de drijfriemkappen die boven op de maai-eenheid zitten. Zet de drijfriemkappen weg.
-
Trek de poelie van de tandwielkast weg van de onderste drijfriem (Figuur 33) om deze te ontspannen en laat de drijfriem loskomen van de poelies. Gebruik hiervoor een momentsleutel of soortgelijk gereedschap (Figuur 34).


-
Verwijder de oude riem van de aspoelies en de spanpoelie.
-
Leg de nieuwe riem rond de aspoelies en de spanpoelie Figuur 35.

-
Plaats de drijfriemkappen terug.
Grasgeleider vervangen
Waarschuwing
Als de uitworpopening niet afgedekt is, kan de machine voorwerpen uitwerpen naar u of naar omstanders; dit kan ernstig letsel veroorzaken. Daarnaast kunt u ook in contact komen met het mes.
-
Gebruik de machine niet zonder afdekplaat, mulchplaat of een grasafvoer en een grasvanger.
-
Controleer of de grasgeleider omlaag staat.
-
Verwijder de borgmoer, bout, veer en afstandsstuk waarmee de bevestigingen van de grasgeleider vastzitten op de draaibeugels (Figuur 36). Verwijder een beschadigde of versleten grasgeleider.
-
Plaats een afstandsstuk en de veer op de grasgeleider. Plaats het L-vormige uiteinde van de veer achter de rand van de maai-eenheid.
Note: Zorg ervoor dat het L-vormige eind van de veer is gemonteerd achter de rand van de maai-eenheid voordat u de bout plaatst zoals wordt aangegeven in Figuur 36.
-
Monteer de bout en de moer. Plaats het J-vormige haakuiteinde van de veer om de grasgeleider (Figuur 36).
Important: U moet de grasgeleider omlaag kunnen brengen op zijn plaats. Til de grasgeleider omhoog om te controleren of deze volledig omlaag klapt.

Schoonmaken onder de maai-eenheid
| Onderhoudsinterval | Onderhoudsprocedure |
|---|---|
| Na elk gebruik |
|
Verwijder elke dag het aangekoekte gras aan de onderkant van de maai-eenheid.
-
Schakel de aftakas uit, laat het tractiepedaal naar de neutraalstand komen en stel de parkeerrem in werking.
-
Zet de gashendel in de stand LANGZAAM, schakel de motor uit, verwijder het contactsleuteltje en wacht totdat alle bewegende delen tot stilstand zijn gekomen voordat u de bestuurdersstoel verlaat.
-
Breng de maaidekken omhoog in de TRANSPORTSTAND.
-
Gebruik een krik om de voorkant van de machine op te heffen en plaats deze op kriksteunen.
-
Reinig de onderkant van de maai-eenheid grondig met water.





























