Vedlikehold
Note: Angi hva som er høyre og venstre side på maskinen ved å stå i normal arbeidsstilling.
Anbefalt vedlikeholdsplan
| Vedlikeholdsintervall | Vedlikeholdsprosedyre |
|---|---|
| Etter de 2 første timene |
|
| Etter de 10 første timene |
|
| For hver bruk eller daglig |
|
| Etter hver bruk |
|
| Hver 50. driftstime |
|
| Hver 400. driftstime |
|
Kontrolliste for daglig vedlikehold
Ta kopi av denne siden for rutinemessig bruk.
| Vedlikeholdskontrollpunkt | For uke: | ||||||
|---|---|---|---|---|---|---|---|
| Ma. | Ti. | On. | To. | Fr. | Lø. | Sø. | |
| Kontroller gressavlederen i senket stilling (ved behov) | |||||||
| Kontroller dekktrykket | |||||||
| Kontroller tilstanden til knivbladene | |||||||
| Smør alle smøreniplene1 | |||||||
| Lakkere over skadet lakk | |||||||
|
1. Straks etter hver vask, uansett hva som står oppført. |
|||||||
| Bemerkninger om spesielle områder | ||
| Kontroll utført av: | ||
| Punkt | Dato | Informasjon |
Forsiktig
Dersom du lar nøkkelen stå i tenningsbryteren, kan noen utilsiktet starte motoren, noe som kan påføre deg eller andre personer alvorlige skader.
Fjern nøkkelen fra tenningen før du begynner med vedlikeholdsarbeid.
Important: Festene på maskinens deksler er utformet for å sitte på dekselet når dekselet er fjernet. Løsne alle festene på hvert deksel noen omdreininger, slik at dekselet sitter løsere, men ikke er helt løst, og gå så tilbake og løsne dem helt slik at dekselet løsner. Dette forhindrer at du stripper boltene fra holderne.
Smøring
| Vedlikeholdsintervall | Vedlikeholdsprosedyre |
|---|---|
| For hver bruk eller daglig |
|
| Hver 50. driftstime |
|
Maskinen har smørenipler som må smøres regelmessig med litiumbasert smørefett nr. 2.
Smør følgende områder:
Kontrollere oljenivået i girkassen
| Vedlikeholdsintervall | Vedlikeholdsprosedyre |
|---|---|
| Hver 50. driftstime |
|
| Hver 400. driftstime |
|
Girkassen er utviklet for å gå på SAE 80-90-girolje. Selv om girkassen sendes fra fabrikken med girolje, må du kontrollere oljenivået før du bruker klippeenheten. Girkassens kapasitet er 283 ml.
-
Sett maskinen og klippeenheten på en jevn flate.
-
Ta ut peilestaven/fyllpluggen fra toppen av girkassen (Figur 23), og kontroller at oljenivået er mellom merkene på peilestaven. Hvis nivået er lavt, må du fylle på olje til nivået er mellom merkene.

Fjerne dekselet
Important: Festene på maskinens deksler er utformet for å sitte på dekselet når dekselet er fjernet. Løsne alle festene på hvert deksel noen omdreininger, slik at dekselet sitter løsere, men ikke er helt løst, og gå så tilbake og løsne dem helt slik at dekselet løsner. Dette forhindrer at du stripper boltene fra holderne.
Ta klippeenheten av trekkenheten
-
Parker maskinen på et jevnt underlag, senk klippeenhetene til bakken, flytt hevespaken til SVEVEstilling, slå av motoren og aktiver parkeringsbremsen.
-
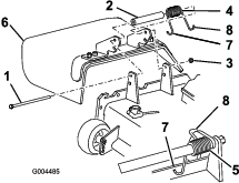
Fjern hårnålssplintene og splittpinnene som fester løftearmene til styrehjulsarmbrakettene (Figur 24).

-
Rull klippeenheten bort fra trekkenheten, ta innstikksenden ut av hullet på kraftuttaksakselen (Figur 25).

Fare
Hvis motoren startes og kraftuttaksakselen begynner å rotere, kan dette føre til alvorlige personskader.
Ikke start motoren og koble inn kraftuttaksspaken når kraftuttaksakselen ikke er koblet til girkassen på klippeenheten.
Montere klippeenheten på trekkenheten
-
Sett maskinen på en jevn flate og skru av motoren.
-
Flytt klippeenheten til riktig posisjon foran trekkenheten.
-
Skyv innstikksenden inn i hullet på kraftuttaksakselen (Figur 25).
-
Trykk løftebryteren frem til SVEVEstillingen. Skyv løftearmen ned til hullene i løftearmen er på linje med hullene i styrehjulsarmbraketten og du kan føre klippehøydestangen inn i løftearmklossene (Figur 26).
-
Fest løftearmen til styrehjulsarmen med to trykkskiver, en splittpinne og en hårnålssplint, plasser trykkskivene mellom løftearmen og styrehjulsarmbraketten (Figur 26) og før enden av hårnålssplinten inn i slissen på styrehjularmtappen for å støtte hårnålssplinten.
-
Gjør det samme med løftearmen på motsatt side.
-
Start trekkenheten, og hev klippeenheten.

Overhale hylsene i styrearmene
Styrearmene har hylser trykket inn i toppen og bunnen av tuben og etter mange driftstimer vil hylsene bli slitt.
For kontrollere hylsene, flytt styregaffelen frem og tilbake og fra side til side. Hvis styrespindelen er løs inne i hylsene, er hylsene slitt og må erstattes.
-
Hev klippeenheten slik at hjulene er hevet fra gulvet. Blokker klippeenheten slik at den ikke kan falle ved et uhell.
-
Fjern spennhetten, avstandsstykke(r) og aksiallagerskive fra toppen av styrespindelen.
-
Trekk styrespindelen ut av monteringstuben. La aksiallagerskiven og avstandsstykket(-ene) ligge på bunnen av spindelen.
-
Sett inn kjørner i toppen eller bunnen av monteringstuben og driv hylsen ut av tuben (Figur 27). Ta også den andre hylsen ut av tuben. Rengjør innsiden av tubene for å fjerne smuss.

-
Smør smørefett på inn- og utsiden av nye hylser. Bruk hammer og en flat plate til å drive hylsene inn i monteringstuben.
-
Inspiser styrespindelen for slitasje og skift den ut hvis den er ødelagt.
-
Skyv styrespindelen gjennom hylsene og monteringsrøret, før trykkskiven og avstandsstykket(/-ene) på spindelen, og monter spennhetten på styrespindelen.
Overhale styrehjulene og lagrene
| Vedlikeholdsintervall | Vedlikeholdsprosedyre |
|---|---|
| Etter de 2 første timene |
|
| Etter de 10 første timene |
|
| Hver 50. driftstime |
|
-
Fjern låsemutteren fra bolten som holder fast styrehjulet til styregaffel (Figur 28). Ta tak i styrehjulet og skyv bolten ut av gaffelen eller svingarmen.

-
Fjern lagrene fra hjulnavet og la lageravstandsstykket falle ut (Figur 28). Fjern lageret fra den andre siden av hjulnavet.
-
Kontroller lageret, avstandsstykket og hjulnavets innside for slitasje. Skift ut eventuelle ødelagte deler.
-
For å montere styrehjulet, skyv lageret inn i hjulnavet. Når du monterer lagrene, trykk på den ytre lagerbanen.
-
Skyv lageravstandsstykket inn i hjulnavet. Skyv ut det andre lageret i den åpne enden av hjulnavet slik at lageravstandsstykket sitter fast inne i hjulnavet.
-
Sett på plass styringshjulet i styregaffelen og fest det med bolten og låsemutteren.
Overhale gressklipperknivene
Knivsikkerhet
En slitt eller skadet kniv kan brekke, og en del av kniven kan slynges ut mot deg eller andre og føre til alvorlige personskader eller en dødsulykke.
-
Undersøk kniven regelmessig for slitasje eller skade.
-
Vær forsiktig når du kontrollerer knivene. Legg noe rundt knivene eller bruk hansker, og vær svært forsiktig når du håndterer knivene. Bare skift ut eller slip knivene. Du må aldri rette eller sveise dem.
-
Vær forsiktig hvis maskinen har flere knivblader, da resten av knivene kan begynne å rotere når det ene knivbladet roteres.
Kontrollere om en kniv er bøyd
-
Sett maskinen på en jevn flate. Hev klippeenheten, aktiver parkeringsbremsen, flytt trekkpedalen i nøytral, still kraftuttaksspaken til UTKOBLET, stopp motoren og ta nøkkelen ut av tenningen. Blokker klippeenheten slik at den ikke kan falle ved et uhell.
-
Roter kniven til endene vender fremover og bakover. Mål avstanden fra innsiden av klippeenheten til kniveggen på forkanten av kniven (Figur 29), og husk denne avstanden.

-
Roter den motsatte enden av kniven fremover. Mål mellom klippeenheten og knivens skjærekant i samme stilling som i trinn 2. Forskjellen på målene du får i trinn 2 og 3 må ikke være større enn 3 mm. Hvis målet overskrider 3 mm, er kniven bøyd og må byttes ut. Se Demontere og montere kniven(e).
Demontere og montere kniven(e)
Kniven må skiftes hvis den treffer en hard gjenstand, hvis den ikke er balansert, hvis den er slitt eller hvis den er bøyd. Du må alltid bruke ekte Toro-kniver for å sørge for sikkerhet og optimal ytelse ved bruk. Bruk aldri reservekniver som er laget av andre produsenter, da disse kan være farlige.
-
Plasser klippeenheten i høyeste stilling, aktiver parkeringsbremsen, stopp motoren og ta nøkkelen ut av tenningen. Blokker klippeenheten slik at den ikke kan falle ved et uhell.
-
Hold enden av kniven med en fille eller en tykk hanske. Fjern knivbolten, antiskalperingsvernet og kniven fra spindelakselen (Figur 30).

-
Monter kniven med knivvingen vendt mot klippeenheten, og monter antiskalperingskoppen og knivbolten. Stram knivbolten til 115–149 Nm.
Important: Buen på kniven må vende mot innsiden av klippeenheten for å sikre riktig klipping.
Undersøke og skjerpe kniven(e)
| Vedlikeholdsintervall | Vedlikeholdsprosedyre |
|---|---|
| Etter de 10 første timene |
|
| For hver bruk eller daglig |
|
| Hver 50. driftstime |
|
Fare
En slitt eller skadet kniv kan brekke, og en del av kniven kan slynges ut mot deg eller andre og føre til alvorlige personskader eller en dødsulykke.
-
Undersøk kniven regelmessig for slitasje eller skade.
-
Ikke prøv å rette ut en kniv som er bøyd.
-
Du må ikke sveise sammen en brukket eller sprukket kniv.
-
Bytt ut en slitt eller skadet kniv med en ny Toro-kniv for at sikkerhetsgodkjenningen av produktet vedvarer.
Både kniveggen og knivvingen, som er den forhøyede delen på motsatt siden av eggen, bidrar til god klippekvalitet. Vingen er viktig fordi den løfter gresset opp slik at klippingen blir rett. Vingen vil imidlertid slites ned som følge av normal bruk. Når vingen blir slitt, reduseres klippekvaliteten noe, selv om kniveggene er skarpe. Kniveggen må være skarp slik at gresset blir klippet, og ikke revet av. Kniveggen er sløv når tuppen av gresstråene ser brune og avrevne ut. Slip kniveggene for å avhjelpe denne situasjonen.
-
Parker maskinen på et jevnt underlag. Hev klippeenheten, aktiver parkeringsbremsen, flytt trekkpedalen i nøytral, still kraftuttaksspaken til UTKOBLET, stopp motoren og ta nøkkelen ut av tenningen.
-
Undersøk kniveggene nøye, særlig der de flate og bøyde delene av kniven møtes (Figur 31). Siden sand og slipende materiale kan slite på metallet mellom den flate og bøyde delen av kniven, kontrollerer du kniven før du bruker maskinen. Skift ut kniven hvis du oppdager slitasje (Figur 31). Se Demontere og montere kniven(e).

Advarsel
Hvis du ikke gjør noe med slitasje på kniven, vil det dannes et spor mellom vingedelen og den flate delen av bladet (Figur 31). Til slutt kan en del av kniven knekke av og bli kastet ut fra maskinen og trolig resultere i alvorlig personskade.
-
Undersøk kniven regelmessig for slitasje eller skade.
-
Bytt ut en slitt eller skadet kniv med en ny Toro-kniv for at sikkerhetsgodkjenningen av produktet vedvarer.
-
-
Undersøk kniveggene på alle knivene. Slip kniveggene hvis de er sløve eller har hakk. Slip bare den øvre delen av kniveggen, og oppretthold den originale klippevinkelen for å sørge for at kniven blir skarp (Figur 32). Kniven opprettholder balansen hvis like mye metall fjernes fra begge kniveggene.

Note: Fjern knivene og slip dem på et slipeapparat. Se Demontere kniven. Når du har skjerpet kniveggene, monter kniven med antiskalperingsvernet og knivbolten. Knivvingene må være på oversiden av kniven. Stram knivbolten til 115–149 Nm.
Skifte drivremmen
| Vedlikeholdsintervall | Vedlikeholdsprosedyre |
|---|---|
| Hver 50. driftstime |
|
Knivdrivremmene, strammet av den fjærbelastede lederullen, er svært slitesterk. Etter mange timers bruk vil likevel remmen vise tegn til slitasje. Tegn på en slitt rem er: hvining når remmen roterer, knivene glipper når du klipper gresset, frynsete kanter, brennmerker og sprekker. Skift remmen hvis noen av disse tilstandene oppstår.
-
Senk klippeenheten til bakken. Fjern remdekslene fra toppen av klippeenheten og sett dekslene til sides.
-
Ved å bruke en stillbar momentnøkkel eller lignende verktøy, flytt lederullen (Figur 33) bort fra drivremmen for å frigjøre remspenningen og la remmen føres av girkasseremskiven (Figur 34).


-
Fjern den gamle remmen fra rundt spindelrullene og lederullskiven.
-
Legg den nye remmen rundt spindelrullene og lederullen som vist i Figur 35.

-
Monter remdekslene.
Skifte gressavlederen
Advarsel
En utildekket utslippsåpning kan føre til at maskinen slynger objekter mot deg eller tilskuere, noe som kan resultere i alvorlig skade. Det kan også oppstå kontakt med kniven.
-
Du må ikke bruke maskinen uten å ha montert en dekkplate, kvernplate eller gressutløpssjakt og -oppsamler.
-
Kontroller at gressavlederen er i den nedre stillingen.
-
Fjern låsemutteren, bolten, fjæren og avstandsstykket som holder avlederen festet til svingbrakettene (Figur 36). Fjern den skadde eller slitte gressavlederen.
-
Plasser avstandsstykket på gressavlederen. Plasser L-enden av fjæren bak klippeenhetskanten.
Note: Påse at L-enden av fjæren er montert bak klippeenhetskanten, før du monterer bolten som vist i Figur 36.
-
Monter bolt og mutter. Plasser J-krokenden av fjæren rundt gressavlederen (Figur 36).
Important: Du må kunne senke gressavlederen til den nedre stillingen. Løft avlederen for å teste at den kan senkes ned til den nederste stillingen.

Rengjør under klippeenheten
| Vedlikeholdsintervall | Vedlikeholdsprosedyre |
|---|---|
| Etter hver bruk |
|
Fjern oppsamling av gress under klippeenheten, hver dag.
-
Koble fra kraftuttaket, løs ut trekkpedalen til nøytral stilling, og aktiver parkeringsbremsen.
-
Flytt gasspaken til SAKTE-stilling, slå av motoren, ta ut nøkkelen og vent til alle bevegelige deler har stanset før du forlater førersetet.
-
Hev klippeenhetene til TRANSPORTstilling.
-
Hev den fremre enden av maskinen med en jekk, og støtt den med jekkstøtter.
-
Rengjør grundig undersiden av klippeenheten med vann.





























