Vedligeholdelse
Note: Maskinens venstre og højre side er som set fra den normale betjeningsposition.
Skema over anbefalet vedligeholdelse
| Vedligeholdelsesintervaller | Vedligeholdelsesprocedure |
|---|---|
| Efter de første 2 timer |
|
| Efter de første 10 timer |
|
| Hver anvendelse eller dagligt |
|
| Efter hver anvendelse |
|
| For hver 50 timer |
|
| For hver 400 timer |
|
Kontrolliste for daglig vedligeholdelse
Kopier denne side til daglig brug.
| Vedligeholdelsespunkter | I ugen: | ||||||
|---|---|---|---|---|---|---|---|
| Man. | Tirs. | Ons. | Tors. | Fre. | Lør. | Søn. | |
| Kontroller græsdeflektoren i sænket position (hvis relevant) | |||||||
| Kontroller dæktrykket | |||||||
| Kontroller skæreknivenes tilstand | |||||||
| Smør alle smørenipler1 | |||||||
| Pletreparationsmaling | |||||||
|
1. Umiddelbart efter hver vask, uanset det angivne interval. |
|||||||
| Bemærkninger om problemområder | ||
| Eftersyn foretaget af: | ||
| Punkt | Dato | Oplysninger |
Forsigtig
Hvis du lader nøglen sidde i tændingen, kan andre personer utilsigtet komme til at starte motoren og forårsage alvorlig personskade på dig eller andre omkringstående.
Fjern nøglen fra tændingen, før vedligeholdelsesarbejde påbegyndes.
Important: Fastgørelsesanordningerne på dækslerne til denne maskine er designet til at blive på dækslet, når det fjernes. Løsn alle fastgørelsesanordningerne på hvert dæksel et par omgange, så dækslet sidder løst, men ikke falder af, og start derefter forfra, og løsn dem, indtil dækslet kan komme af. På denne måde kommer du ikke til at trække boltene fri af holderne.
Smøring
| Vedligeholdelsesintervaller | Vedligeholdelsesprocedure |
|---|---|
| Hver anvendelse eller dagligt |
|
| For hver 50 timer |
|
Maskinen har smørenipler, som skal smøres jævnligt med litiumbaseret fedt nr. 2.
Smør følgende områder:
Kontrol af gearkasseolien
| Vedligeholdelsesintervaller | Vedligeholdelsesprocedure |
|---|---|
| For hver 50 timer |
|
| For hver 400 timer |
|
Gearkassen er konstrueret til drift med SAE 80-90-gearolie. Selvom gearkassen leveres med smøreolie fra fabrikken, skal oliestanden kontrolleres, før klippeenheden betjenes. Gearkassens kapacitet er 283 ml.
-
Parker maskinen og klippeenheden på en plan overflade.
-
Fjern målepinden/påfyldningsproppen, der sidder oven på gearkassen (Figur 23), og kontroller, at oliestanden er mellem mærkerne på målepinden. Hvis oliestanden er lav, skal du påfylde så megen olie, at oliestanden kommer op mellem mærkerne.

Afmontering af dækslet
Important: Fastgørelsesanordningerne på dækslerne til denne maskine er designet til at blive på dækslet, når det fjernes. Løsn alle fastgørelsesanordningerne på hvert dæksel et par omgange, så dækslet sidder løst, men ikke falder af, og start derefter forfra, og løsn dem, indtil dækslet kan komme af. På denne måde kommer du ikke til at trække boltene fri af holderne.
Adskillelse af klippeenheden fra traktionsenheden
-
Parker maskinen på en plan overflade, sænk klippeenheden ned på jorden, sæt løftearmen i positionen FLOAT (flydeposition), sluk motoren, og aktiver parkeringsbremsen.
-
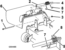
Fjern låseclipsene og gaffelboltene, som fastgør løftearmene til styrearmens beslag (Figur 24).

-
Rul klippeenheden væk fra traktionsenheden, idet kraftudtagsakslens han- og hundel adskilles. (Figur 25).

Fare
Hvis motoren startes, og kraftudtagsakslen får lov at rotere, kan det medføre alvorlig personskade.
Hvis kraftudtagsakslen ikke er forbundet til gearkassen på klippeenheden, må du ikke starte motoren og indkoble kraftudtagets håndtag.
Montering af klippeenheden på traktoren
-
Stil maskinen på en plan overflade, og afbryd motoren.
-
Anbring klippeenheden på plads foran traktionsenheden.
-
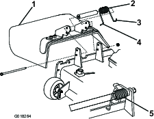
Skub kraftudtagsakslens handel ind i kraftudtagsakslens hundel. (Figur 25).
-
Tryk løftekontakten frem til positionen FLOAT (flydeposition). Skub en løftearm ned, indtil hullerne i løftearmen flugter med hullerne i styrearmens beslag, og du kan sætte klippehøjdestangen ind i løftearmens skinner (Figur 26).
-
Fastgør løftearmen til styrehjulsarmen med 2 trykskiver, en gaffelbolt og en låseclips. Placer trykskiverne mellem løftearmen og styrearmens beslag (Figur 26), og sæt enden af låseclipsen ind i hullet i styrearmens tap for at fastgøre låseclipsen.
-
Gentag proceduren på den modsatte løftearm.
-
Start traktionsenheden, og hæv klippeenheden.

Serviceeftersyn af bøsningerne i styrehjulsarmene
Styrehjulsarmene har bøsninger presset ind i den øverste og nederste del af røret. Efter mange driftstimer vil disse bøsninger blive slidt.
Bøsningerne kontrolleres ved at flytte styrehjulsgaflen frem og tilbage og fra side til side. Hvis styrehjulsspindlen er løs inde i bøsningerne, er bøsningerne slidte og skal udskiftes.
-
Hæv klippeenheden, så hjulene løftes af gulvet. Understøt klippeenheden, så den ikke kan falde ned ved et uheld.
-
Fjern strammehætten, afstandsklodsen/-klodserne og trykskiven fra den øverste del af styrehjulsspindlen.
-
Træk styrehjulsspindlen ud af monteringsrøret. Lad trykskiven og afstandsklodsen/-klodserne sidde på bunden af spindlen.
-
Sæt en uddriver ind i den øverste eller nederste del af monteringsrøret, og driv bøsningen ud af røret (Figur 27). Driv også den anden bøsning ud af røret. Rengør rørene indvendigt for at fjerne snavs.

-
Smør indersiden og ydersiden af de nye bøsninger med fedt. Brug en hammer og en flad plade til at føre bøsningerne ind i monteringsrøret.
-
Efterse styrehjulsspindlen for slid, og udskift den, hvis den er beskadiget.
-
Skub styrehjulspindlen gennem bøsningerne og monteringsrøret. Skub trykskiven og afstandsklodsen/-erne ind på spindlen, og monter strammehætten på styrehjulsspindlen.
Eftersyn af styrehjulene og lejerne
| Vedligeholdelsesintervaller | Vedligeholdelsesprocedure |
|---|---|
| Efter de første 2 timer |
|
| Efter de første 10 timer |
|
| For hver 50 timer |
|
-
Skru låsemøtrikken af bolten, der holder styrehjulsenheden fast i styrehjulsgaflen (Figur 28). Tag fat i styrehjulet, og tag bolten ud af gaflen eller drejearmen.

-
Fjern lejet fra hjulnavet, og lad bøsningsafstandsstykket falde ud (Figur 28). Fjern lejet fra den modsatte side af hjulnavet.
-
Kontroller lejer, afstandsklods og hjulnavets inderside for slid. Udskift beskadigede dele.
-
Saml styrehjulet ved at skubbe lejet ind i hjulnavet. Tryk på lejets yderste løbering, når du monterer lejerne.
-
Skub lejeafstandsstykket ind i hjulnavet. Skub det andet leje ind i hjulnavets åbne ende, så lejeafstandsstykket holdes fast inden i hjulnavet.
-
Monter styrehjulsenheden i styrehjulsgaflen, og spænd den fast med bolten og låsemøtrikken.
Serviceeftersyn af skæreknivene
Skæreknivssikkerhed
En slidt eller beskadiget skærekniv kan gå itu, og et stykke af den kan blive kastet mod dig eller omkringstående, hvilket kan forårsage alvorlige eller livsfarlige kvæstelser.
-
Efterse jævnligt skærekniven for slid og skader.
-
Vær forsigtig, når du efterser skæreknivene. Pak skæreknivene ind, eller bær handsker, og vær forsigtig når du efterser skæreknivene. Du må kun udskifte eller slibe skæreknivene. De må aldrig rettes ud eller svejses.
-
På maskiner med mange skæreknive skal du være meget forsigtig, da én skæreknivs rotation kan få andre skæreknive til at rotere.
Kontrol for bøjet kniv
-
Parker maskinen på en plan overflade. Hæv klippeenheden, aktiver parkeringsbremsen, sæt traktionspedalen i neutral position, sæt kraftudtagets håndtag i positionen OFF (fra), sluk for motoren, og tag tændingsnøglen ud. Understøt klippeenheden, så den ikke kan falde ned ved et uheld.
-
Drej kniven, indtil enderne vender fremad og bagud. Mål fra indersiden af klippeenheden til skæret foran på kniven (Figur 29), og husk dette mål.

-
Drej den modsatte ende af kniven fremad. Mål mellem klippeenheden og skæret på kniven samme sted som i trin 2. Forskellen mellem målene fra trin 2 og 3 må ikke overskride 3 mm. Hvis målet overskrider 3 mm, skal skærekniven udskiftes, da den er bøjet. Se Afmontering og montering af kniv(e).
Afmontering og montering af kniv(e)
Kniven skal udskiftes, hvis den rammer en fast genstand, eller hvis den er ude af balance, slidt eller bøjet. Brug altid originale Toro-knive ved udskiftning for at sikre sikkerheden og en optimal ydelse. Brug aldrig knive, der er fremstillet af andre producenter, da de kan være farlige at bruge.
-
Hæv klippeenheden til øverste position, aktiver parkeringsbremsen, stands motoren, og tag tændingsnøglen ud. Understøt klippeenheden, så den ikke kan falde ned ved et uheld.
-
Tag fat i enden af kniven med en klud eller en tyk handske. Fjern knivbolten, antiskalperingsskålen og skærekniven fra spindelakslen (Figur 30).

-
Monter klingeseglet, så det vender mod klippeenheden med antiskalperingskoppen og klingebolten. Spænd skæreknivsbolten til 115 til 149 Nm.
Important: Den buede del af skærekniven skal pege mod indersiden af klippeenheden for at sikre en god klipning.
Eftersyn og slibning af skærekniven(e)
| Vedligeholdelsesintervaller | Vedligeholdelsesprocedure |
|---|---|
| Efter de første 10 timer |
|
| Hver anvendelse eller dagligt |
|
| For hver 50 timer |
|
Fare
En slidt eller beskadiget skærekniv kan gå itu, og et stykke af den kan blive kastet mod dig eller omkringstående, hvilket kan forårsage alvorlige eller livsfarlige kvæstelser.
-
Efterse jævnligt skærekniven for slid og skader.
-
Forsøg aldrig at rette en bøjet kniv ud.
-
Svejs ikke en skærekniv, der er beskadiget eller revnet.
-
En slidt eller beskadiget skærekniv skal udskiftes med en ny Toro-skærekniv for at sikre produktets fortsatte sikkerhedscertificering.
Både skærene og seglen – som er den del, der vender opad, modsat skæret – bidrager til en klipning af god kvalitet. Seglet er vigtigt, fordi det løfter græsset lige op, hvilket giver en jævn klipning. Seglen slides dog gradvist ned under drift, hvilket er helt normalt. Efterhånden som seglen nedslides, forringes klippekvalitet i nogen grad, selvom skærene er skarpe. Knivens skær skal være skarpt, så græsset skæres af snarere end rives af. Et sløvt skær viser sig ved, at græssets spidser ser brune og sønderrevne ud. Slib skærene for at rette op på denne tilstand.
-
Parker maskinen på en plan overflade. Hæv klippeenheden, aktiver parkeringsbremsen, sæt traktionspedalen i neutral position, sæt kraftudtagets håndtag i positionen OFF (fra), sluk for motoren, og tag nøglen ud.
-
Undersøg omhyggeligt skæreknivens skær, især der hvor den flade side og den buede side mødes (Figur 31). Da sand og slibematerialer kan slide det metal, der forbinder den flade og den buede side af skærekniven, væk, skal skærekniven kontrolleres, før maskinen anvendes. Hvis du bemærker tegn på slid (Figur 31), skal skærekniven udskiftes. Se Afmontering og montering af kniv(e).

Advarsel
Hvis skærekniven får lov til at blive slidt, vil der danne sig en slids mellem seglen og den flade del af skærekniven (Figur 31). Før eller siden kan et stykke af skærekniven knække af og blive slynget ud fra husets underside, hvilket muligvis kan medføre alvorlig personskade for dig eller omkringstående personer.
-
Efterse jævnligt skærekniven for slid og skader.
-
En slidt eller beskadiget skærekniv skal udskiftes med en ny Toro-skærekniv for at sikre produktets fortsatte sikkerhedscertificering.
-
-
Undersøg alle knivenes skær. Slib skærene, hvis de er sløve eller hakkede. Slib kun oversiden af skærekanten, og bevar den oprindelige klippevinkel for at sikre, at kniven er skarp (Figur 32). Skærekniven bevarer balancen, hvis der fjernes samme mængde metal på begge skær.

Note: Fjern knivene og slib dem på en slibemaskine. Se Afmontering af skæreknivene. Når du har slebet skærene, skal kniven monteres igen sammen med antiskalperingskoppen og knivbolten. Knivenes segle skal være oven på kniven. Spænd skæreknivsbolten til 115 til 149 Nm.
Udskiftning af drivremmen
| Vedligeholdelsesintervaller | Vedligeholdelsesprocedure |
|---|---|
| For hver 50 timer |
|
Skæreknivens drivrem, der holdes stram af den fjederbelastede styreremskive, er meget slidstærk. Efter mange timers drift vil remmen imidlertid begynde at vise tegn på slitage. Tegn på, at en rem er slidt, er, at den hviner, når den kører rundt, skæreknivene glider, når der klippes græs, flossede remkanter, brændemærker og revner. Hvis du bemærker nogen af disse forhold, skal du udskifte remmen.
-
Sænk klippeenheden ned på gulvet. Afmonter remskærmene for oven på klippeenheden, og sæt dem til side.
-
Brug en momentnøgle eller et lignende værktøj til at flytte styreremskiven (Figur 33) væk fra drivremmen for derved at løsne remspændingen og lade remmen glide af gearkassens remskive (Figur 34).


-
Fjern den gamle rem fra spindelremskiverne og styreremskiven.
-
Før den nye rem rundt om spindelremskiverne og styreremskivens samling som vist i Figur 35.

-
Monter remskærmene.
Udskiftning af græsdeflektoren
Advarsel
En utildækket udblæsningsåbning kan resultere i, at maskinen udkaster genstande mod dig eller omkringstående, hvilket kan medføre alvorlig personskade. Der kan også opstå kontakt med skærekniven.
-
Betjen ikke maskinen uden at have monteret en dækplade, en kværnafskærmning eller en græssliske og et græsfang.
-
Sørg for, at græsdeflektoren er i den sænkede position.
-
Fjern låsemøtrikken, bolten, fjederen og afstandsklodsen, som fastholder græsdeflektoren til akselbeslagene (Figur 36). Fjern den beskadigede eller slidte græsdeflektor.
-
Placer afstandsklodsen og fjederen på græsdeflektoren. Placer fjederensL-formede ende bag klippeenhedens kant.
Note: Sørg for, at fjederens L-formede ende monteres bag klippeenhedens kant, før bolten monteres som vist i Figur 36.
-
Monter bolten og møtrikken. Placer fjederens J-formede krogende omkring græsdeflektoren (Figur 36).
Important: Du skal kunne sænke græsdeflektoren på plads. Løft deflektoren op for at kontrollere, at den kan sænkes helt ned.

Rengøring under klippeenheden
| Vedligeholdelsesintervaller | Vedligeholdelsesprocedure |
|---|---|
| Efter hver anvendelse |
|
Fjern ophobning af græs under klippeenheden hver dag.
-
Udkobl kraftudtaget, lad traktionspedalen returnere til den neutrale position, og aktiver parkeringsbremsen.
-
Sæt gashåndtaget i positionen SLOW (langsom), sluk for motoren, tag nøglen ud, og vent, til alle bevægelige dele er standset, før du forlader førersædet.
-
Hæv klippeenheden til positionen TRANSPORT.
-
Løft maskinens forende med en donkraft, og understøt den med støttebukke.
-
Rengør omhyggeligt klippeenhedens underside med vand.





























