Wartung
Note: Bestimmen Sie die linke und rechte Seite der Maschine anhand der üblichen Einsatzposition.
Empfohlener Wartungsplan
| Wartungsintervall | Wartungsmaßnahmen |
|---|---|
| Nach zwei Betriebsstunden |
|
| Nach 10 Betriebsstunden |
|
| Bei jeder Verwendung oder täglich |
|
| Nach jeder Verwendung |
|
| Alle 50 Betriebsstunden |
|
| Alle 400 Betriebsstunden |
|
Checkliste – tägliche Wartungsmaßnahmen
Kopieren Sie diese Seite für regelmäßige Verwendung.
| Wartungsprüfpunkt | Für KW: | ||||||
|---|---|---|---|---|---|---|---|
| Mo | Di | Mi | Do | Fr | Sa | So | |
| Prüfen Sie das Grasablenkblech in der abgesenkten Stellung (falls zutreffend) | |||||||
| Stellen Sie den Reifendruck ein | |||||||
| Prüfen Sie den Zustand der Messer | |||||||
| Fetten Sie alle Schmiernippel ein1 | |||||||
| Bessern Sie Lackschäden aus | |||||||
|
1. Unmittelbar nach jeder Wäsche, ungeachtet des aufgeführten Intervalls. |
|||||||
| Aufzeichnungen irgendwelcher Probleme | ||
| Inspiziert durch: | ||
| Punkt | Datum | Informationen |
Achtung
Wenn Sie den Zündschlüssel im Zündschloss lassen, könnte eine andere Person den Motor versehentlich anlassen und Sie und Unbeteiligte schwer verletzen.
Ziehen Sie vor irgendwelchen Wartungsarbeiten den Zündschlüssel ab.
Important: Die Befestigungen an den Abdeckungen dieser Maschine bleiben nach dem Entfernen an der Abdeckung. Lösen Sie alle Befestigungen an jeder Abdeckung um ein paar Umdrehungen, sodass die Abdeckungen lose aber noch verbunden sind; lösen Sie dann alle Befestigungen, bis die Abdeckung nicht mehr befestigt ist. Dies verhindert, dass die Schrauben aus Versehen aus den Haltern herausgeschraubt werden.
Schmierung
| Wartungsintervall | Wartungsmaßnahmen |
|---|---|
| Bei jeder Verwendung oder täglich |
|
| Alle 50 Betriebsstunden |
|
Die Maschine hat Schmiernippel, die regelmäßig mit Nr. 2 Schmierfett auf Lithiumbasis eingefettet werden müssen.
Fetten Sie folgende Bereiche ein:
Prüfen des Schmiermittels im Getriebe
| Wartungsintervall | Wartungsmaßnahmen |
|---|---|
| Alle 50 Betriebsstunden |
|
| Alle 400 Betriebsstunden |
|
Für das Getriebe sollte Schmiermittel der Sorte SAE 80-90 verwendet werden. Obwohl das Getriebe werksseitig mit Öl versandt wird, sollten Sie den Stand vor dem Verwenden des Mähwerks prüfen. Das Fassungsvermögen des Getriebes ist 283 ml.
-
Stellen Sie die Maschine auf eine ebene Fläche.
-
Nehmen Sie den Peilstab bzw. die Füllschraube oben am Getriebe ab (Bild 23) und stellen Sie sicher, dass der Ölstand zwischen den Markierungen am Peilstab liegt. Wenn der Ölstand niedrig ist, füllen Sie Öl ein, bis der Stand zwischen den Markierungen liegt.

Entfernen der Abdeckung
Important: Die Befestigungen an den Abdeckungen dieser Maschine bleiben nach dem Entfernen an der Abdeckung. Lösen Sie alle Befestigungen an jeder Abdeckung um ein paar Umdrehungen, sodass die Abdeckungen lose aber noch verbunden sind; lösen Sie dann alle Befestigungen, bis die Abdeckung nicht mehr befestigt ist. Dies verhindert, dass die Schrauben aus Versehen aus den Haltern herausgeschraubt werden.
Abnehmen des Mähwerks von der Zugmaschine
-
Parken Sie die Maschine auf einer ebenen Fläche, senken Sie das Mähwerk auf den Boden ab, stellen Sie den Hubhebel in die SCHWEBE-Stellung, stellen Sie den Motor ab und aktivieren Sie die Feststellbremse.
-
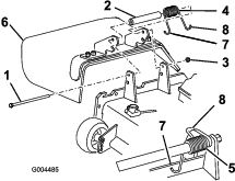
Nehmen Sie die Splints und Lastösenbolzen ab, mit denen die Hubarme an den Halterungen der Laufradarme befestigt sind (Bild 24).

-
Rollen Sie das Mähwerk von der Zugmaschine weg, trennen Sie die Außen- und Innengewindeteile der Zapfwelle (Bild 25).

Gefahr
Wenn Sie den Motor anlassen und die Zapfwelle sich drehen kann, können schwere Verletzungen auftreten.
Lassen Sie den Motor nicht an und kuppeln Sie den Zapfwellenhebel nicht ein, wenn die Zapfwelle nicht am Getriebe des Mähwerks angeschlossen ist.
Befestigen des Mähwerks an der Zugmaschine
-
Stellen Sie die Maschine auf eine ebene Fläche und stellen Sie den Motor ab.
-
Stellen Sie das Mähwerk vor die Zugmaschine.
-
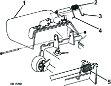
Schieben Sie die Zapfwelle mit Außengewinde in die Zapfwelle mit Innengewinde (Bild 25).
-
Drücken Sie den Hubhebel nach vorne in die SCHWEBE-Stellung. Drücken Sie einen Hubarm nach unten, bis die Löcher im Hubarm mit den Löchern in der Laufradarmhalterung ausgefluchtet sind, und die Schnitthöhenstange in die Hubarmpolster eingesetzt werden kann (Bild 26).
-
Befestigen Sie den Hubarm mit zwei Druckscheiben, einem Lastösenbolzen und einem Splint am Laufradarm; setzen Sie die Druckscheiben zwischen den Hubarm und die Halterung des Laufradarms (Bild 26) und setzen Sie das Ende des Splints in den in der Nase des Laufradarms ein, um den Splint zu befestigen.
-
Wiederholen Sie die Schritte am anderen Hubarm.
-
Starten Sie die Zugmaschine und heben Sie das Mähwerk an.

Warten der Büchsen in den Laufradarmen
In die Ober- und Unterseite des Rohrs der Laufradarme sind Büchsen eingepresst, die sich nach einer längeren Einsatzdauer abnutzen.
Bewegen Sie zum Prüfen der Büchsen die Laufradgabeln hin und her und von einer Seite zur anderen. Wenn die Laufradspindel in den Büchsen locker ist, sind die Büchsen abgenutzt und müssen ausgetauscht werden.
-
Heben Sie das Mähwerk an, so dass die Räder den Boden nicht mehr berühren. Blockieren Sie das Mähwerk so, dass es nicht herunterfallen kann.
-
Entfernen Sie die Spannkappe, das/die Distanzstück(e) und Druckscheibe von der Oberseite der Laufradspindel.
-
Ziehen Sie die Laufradspindel aus dem Befestigungsrohr heraus. Lassen Sie die Druckscheibe und das/die Distanzstück(e) unten in der Laufradspindel zurück.
-
Stecken Sie einen Dorn oben oder unten in das Befestigungsrohr und treiben die Büchsen heraus (Bild 27). Treiben Sie dann die andere Büchse aus dem Rohr heraus. Reinigen Sie die Innenseite der Rohre.

-
Fetten Sie die Innen- und Außenseiten der neuen Büchsen ein. Treiben Sie die Büchsen mit einem Hammer und einem Stück Flachstahl in das Befestigungsrohr ein.
-
Prüfen Sie die Laufradspindel auf Abnutzung und tauschen sie aus, wenn sie beschädigt ist.
-
Drücken Sie die Laufradspindel durch die Büchsen und das Befestigungsrohr, schieben Sie die Druckscheibe und die Distanzstücke auf die Spindel und befestigen Sie die Spannkappe an der Laufradspindel.
Warten der Laufräder und -lager
| Wartungsintervall | Wartungsmaßnahmen |
|---|---|
| Nach zwei Betriebsstunden |
|
| Nach 10 Betriebsstunden |
|
| Alle 50 Betriebsstunden |
|
-
Entfernen Sie die Sicherungsmutter von der Schraube, mit der das Laufrad an der der Gabel befestigt ist (Bild 28). Halten Sie das Laufrad fest und schieben die Schraube aus der Gabel oder vom Gelenkarm ab.

-
Entfernen Sie das Lager aus der Radnabe und lassen das Lagerdistanzstück herausfallen (Bild 28). Entfernen Sie das Lager aus der gegenüberliegenden Seite der Radnabe.
-
Prüfen Sie die Lager, das Distanzstück und die Innenseite der Radnabe auf Abnutzung. Tauschen Sie abgenutzte und defekte Teile aus.
-
Drücken Sie das Lager zum Zusammenbauen des Laufrads in die Radnabe. Drücken Sie beim Einsetzen der Lager auf den äußeren Lagerkäfig.
-
Schieben Sie das Lagerdistanzstück in die Radnabe. Drücken Sie das andere Lager in das freie Ende der Radnabe, um das Lagerdistanzstück im Inneren der Radnabe zu halten.
-
Setzen Sie das Laufrad zwischen die Laufradgabel und befestigen Sie sie mit der Schraube und der Sicherungsmutter.
Warten der Schnittmesser
Sicherheitshinweise zum Messer
Ein abgenutztes oder beschädigtes Messer kann zerbrechen. Herausgeschleuderte Messerstücke können Sie oder Unbeteiligte treffen und schwere oder tödliche Verletzungen verursachen.
-
Prüfen Sie das Messer regelmäßig auf Abnutzung und Defekte.
-
Prüfen Sie die Messer vorsichtig. Wickeln Sie die Messer in einen Lappen ein oder tragen Handschuhe; gehen Sie bei der Wartung der Messer mit besonderer Vorsicht vor. Wechseln oder schärfen Sie die Messer, sie dürfen keinesfalls geglättet oder geschweißt werden.
-
Denken Sie bei Maschinen mit mehreren Schnittmessern daran, dass ein sich bewegendes Messer das Mitdrehen anderer Messer verursachen kann.
Prüfen auf verbogene Messer
-
Stellen Sie die Maschine auf eine ebene Fläche. Heben Sie das Mähwerk an, aktivieren Sie die Feststellbremse, stellen Sie das Fahrpedal in die Neutral-Stellung, stellen Sie den Zapfwellenhebel in die AUS-Stellung, stellen Sie den Motor ab und ziehen Sie den Zündschlüssel ab. Blockieren Sie das Mähwerk, sodass es nicht herunterfallen kann.
-
Drehen Sie die Messer, bis die Enden nach vorne und hinten zeigen. Messen Sie von der Innenseite des Mähwerks bis zur Schnittkante an der Vorderseite des Messers (Bild 29) und merken sich diesen Wert.

-
Drehen Sie das andere Ende des Messers nach vorne. Messen Sie an derselben Stelle wie in Schritt 2 zwischen dem Mähwerk und der Schnittkante des Messers. Die Differenz zwischen den Werten, die Sie in Schritt 2 und 3 erhalten haben, darf nicht mehr als 3 mm sein. Bei einem Unterschied von mehr als 3 mm ist das Messer verbogen und muss ausgetauscht werden, siehe Entfernen und Einbauen der Messer.
Entfernen und Einbauen der Messer
Tauschen Sie das Messer aus, wenn es auf einen festen Gegenstand geprallt oder unwuchtig oder verbogen ist. Benutzen Sie immer nur Toro Originalersatzmesser, um die sichere und optimale Leistung der Maschine sicherzustellen. Verwenden Sie nie Messer anderer Hersteller; diese könnten sich eventuell als gefährlich erweisen.
-
Heben Sie das Mähwerk an, aktivieren die Feststellbremse, stellen den Motor ab und ziehen den Zündschlüssel ab. Blockieren Sie das Mähwerk so, dass es nicht herunterfallen kann.
-
Halten Sie das Ende des Messers mit einem stark wattierten Handschuh oder wickeln Sie einen Lappen um es herum. Entfernen Sie die Messerschraube, die Antiskalpierkuppe und das Messer von der Spindelwelle (Bild 30).

-
Montieren Sie das Messer mit den Windflügeln in Richtung Mähwerk sowie mit der Antiskalpierkuppe und der Messerschraube. Ziehen Sie die Messerschraube bis auf 115-149 Nm an.
Important: Der gebogene Teil des Messers muss zur Innenseite des Mähwerks zeigen, um einen guten Schnitt sicherzustellen.
Prüfen und Schärfen des Schnittmesser(s)
| Wartungsintervall | Wartungsmaßnahmen |
|---|---|
| Nach 10 Betriebsstunden |
|
| Bei jeder Verwendung oder täglich |
|
| Alle 50 Betriebsstunden |
|
Gefahr
Ein abgenutztes oder beschädigtes Messer kann zerbrechen. Herausgeschleuderte Messerstücke können Sie oder Unbeteiligte treffen und schwere oder tödliche Verletzungen verursachen.
-
Prüfen Sie das Messer regelmäßig auf Abnutzung und Defekte.
-
Versuchen Sie nicht, ein verbogenes Messer zu begradigen.
-
Schweißen Sie nie ein zerbrochenes oder gespaltenes Messer.
-
Tauschen Sie ein abgenutztes oder beschädigtes Messer gegen ein neues Toro Messer aus, um die Sicherheitszulassung des Produkts auch weiterhin zu garantieren.
Beide Schnittkanten und die Windflügel, die gegenüber der Schnittkante nach oben gebogen sind, tragen zur guten Schnittqualität bei. Der Windflügel ist wichtig, weil er die Grashalme aufrecht stellt, was zum gleichmäßigen Schnitt beiträgt. Der Windflügel wird jedoch im Einsatz langsam abgewetzt, wobei es sich um eine normale Erscheinung handelt. Während der Windflügel langsam abgenutzt wird, kommt es immer mehr zur Minderung der Schnittqualität, obgleich die Schnittkanten scharf sind. Die Schnittkante des Messers muss scharf bleiben, um sicherzustellen, dass die Grashalme geschnitten und nicht zerfetzt werden. Sie erkennen eine stumpfe Schnittkante daran, dass die Grasspitzen bräunlich und zerfetzt aussehen. Beheben Sie diesen Zustand durch das Schärfen der Schnittkanten.
-
Stellen Sie die Maschine auf eine ebene Fläche. Heben Sie das Mähwerk an, aktivieren Sie die Feststellbremse, stellen Sie das Fahrpedal in die Neutral-Stellung, stellen Sie den Zapfwellenhebel in die AUS-Stellung, stellen Sie den Motor ab und ziehen Sie den Zündschlüssel ab.
-
Prüfen Sie die Schnittkanten des Messers sorgfältig, insbesondere dort, wo die geraden Flächen die gebogenen berühren (Bild 31). Da Sand und anderes reibendes Material das Metall abschleifen kann, das die flachen mit den gebogenen Teilen verbindet, müssen Sie das Messer vor jedem Einsatz der Maschine prüfen. Wenn Sie Abnutzungen (Bild 31) feststellen, tauschen Sie das Messer aus, siehe Entfernen und Einbauen der Messer.

Warnung:
Wenn sich das Messer abwetzen kann, bildet sich ein Schlitz zwischen dem Windflügel und dem flachen Teil des Messers (Bild 31). Zuletzt kann sich ein Stück des Messers lösen und aus dem Gehäuse herausgeschleudert werden. Das kann zu schweren Verletzungen bei Ihnen selbst und Unbeteiligten führen.
-
Prüfen Sie das Messer regelmäßig auf Abnutzung und Defekte.
-
Tauschen Sie ein abgenutztes oder beschädigtes Messer gegen ein neues Toro Messer aus, um die Sicherheitszulassung des Produkts auch weiterhin zu garantieren.
-
-
Untersuchen Sie die Schnittkanten aller Messer. Schärfen Sie alle stumpfen und ausgekerbten Schnittkanten. Schärfen Sie nur die Oberseite der Schnittkanten und behalten dabei den ursprünglichen Schnittwinkel bei, um die Schärfe des Messers zu gewährleisten (Bild 32). Das Schnittmesser behält seine Auswuchtung bei, wenn von beiden Schnittkanten die gleiche Materialmenge entfernt wird.

Note: Entfernen Sie die Messer und schärfen Sie auf einem Schleifapparat; siehe Entfernen der Schnittmesser“. Bringen Sie nach dem Schärfen der Schnittkanten das Messer mit der Antiskalpierkuppe und der Messerschraube an. Die Windflügel müssen sich oben auf dem Messer befinden. Ziehen Sie die Messerschraube bis auf 115-149 Nm an.
Austauschen des Treibriemens
| Wartungsintervall | Wartungsmaßnahmen |
|---|---|
| Alle 50 Betriebsstunden |
|
Der von der gefederten Spannscheibe gespannte Messertreibriemen ist sehr haltbar. Nach einem längeren Einsatz wird er dennoch Anzeichen von Verschleiß aufweisen. Anzeichen eines abgenutzten Treibriemens sind u. a. das Quietschen des Riemens, wenn er sich dreht, das Schlüpfen der Messer beim Mähen, zerfranste Ränder, Versengen und Risse. Tauschen Sie den Riemen aus, wenn Sie derartige Anzeichen feststellen.
-
Senken Sie das Mähwerk auf den Werkstattboden ab. Entfernen Sie die Abdeckungen von der Oberseite des Mähwerks und legen diese zur Seite.
-
Schieben Sie die Spannscheibe mit einem Drehmomentschlüssel oder einem ähnlichen Werkzeug (Bild 33) vom Treibriemen und lassen Sie den Riemen von der Getriebespannscheibe rutschen (Bild 34).


-
Entfernen Sie den alten Riemen von den Spindelscheiben und der Spannscheibe.
-
Verlegen Sie den neuen Riemen um die Spindelscheiben und die Spannscheiben, siehe Bild 35.

-
Bringen Sie die Riemenabdeckungen wieder an.
Austauschen des Ablenkblechs
Warnung:
Eine nicht abgedeckte Auswurföffnung kann zum Ausschleudern von Gegenständen auf den Bediener oder Unbeteiligte führen. Das kann schwere Verletzungen zur Folge haben. Außerdem könnte es auch zum Kontakt mit dem Messer kommen.
-
Setzen Sie die Maschine nur ein, wenn Sie eine Abdeckplatte, eine Mulchplatte oder einen Auswurfkanal mit Fangvorrichtung montiert haben.
-
Stellen Sie sicher, dass das Ablenkblech nach unten abgesenkt ist.
-
Entfernen Sie die Sicherungsmutter, Schraube, Feder und das Distanzstück, mit denen das Ablenkblech an den Drehhalterungen befestigt ist (Bild 36). Entfernen Sie defekte oder abgenutzte Ablenkbleche.
-
Legen Sie das Distanzstück und die Feder auf das Ablenkblech. Positionieren Sie das L-Ende der Feder hinter der Kante des Mähwerks.
Note: Stellen Sie sicher, dass sich das L-Ende der Feder hinter der Mähwerkkante befindet, bevor Sie die Schraube einsetzen, wie in Bild 36 dargestellt.
-
Setzen Sie die Schraube und Mutter ein. Führen Sie das J-förmige Hakenende der Feder um das Ablenkblech (Bild 36).
Important: Sie müssen das Grasablenkblech in die richtige Stellung absenken können. Heben Sie das Ablenkblech an, um nachzuprüfen, ob es vollständig in die abgesenkte Stellung herunterfährt.

Unterseite des Mähwerks reinigen
| Wartungsintervall | Wartungsmaßnahmen |
|---|---|
| Nach jeder Verwendung |
|
Entfernen Sie täglich Schnittgutrückstände unter dem Mähwerk.
-
Kuppeln Sie die Zapfwelle aus, lassen Sie das Fahrpedal in die Neutral-Stellung zurückgehen, und aktivieren Sie die Feststellbremse.
-
Schieben Sie den Gasbedienungshebel in die LANGSAM-Stellung, stellen Sie den Motor ab, ziehen Sie den Schüssel ab, und verlassen Sie den Sitz erst, wenn alle beweglichen Teile zum Stillstand gekommen sind.
-
Heben Sie die Mähwerke in die TRANSPORTSTELLUNG an.
-
Heben Sie die Maschine vorne an und stützen Sie sie auf Achsständern ab.
-
Reinigen Sie die Unterseite des Mähwerks gründlich mit Wasser.





























