Maintenance
Inspecting and Cleaning the Broom and Traction Unit
| Maintenance Service Interval | Maintenance Procedure |
|---|---|
| After each use |
|
Clean the machine thoroughly after use. Because sand is extremely abrasive, the sand should be flushed off after each use. If the machine is cleaned frequently, (before the sand has a chance to cake), it can be cleaned with a stream of water from a hose with the nozzle removed. A high pressure stream could drive the sand into wear areas where it could act as a grinding compound.
Important: After using the broom do not allow it to rest on the bristles. The weight of the attachment will permanently distort the shape of the bristles and ruin the brooms. Always tip the broom up onto the attachment adapter after detaching the rear broom from the traction unit.
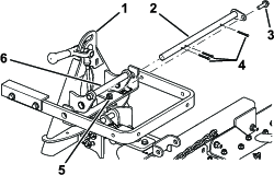
Greasing the Attachment Adapter
If the locking lever on the attachment adapter does not pivot freely and easily, apply a light coat of grease to the area shown in Figure 17.


















