| Częstotliwość serwisowania | Procedura konserwacji |
|---|---|
| Przed każdym użyciem lub codziennie |
|
Ta samojezdna kosiarka z obrotowymi ostrzami jest przeznaczona do użytku profesjonalnego. Przeznaczona jest przede wszystkim do koszenia trawy na dobrze utrzymanych trawnikach prywatnych lub komercyjnych.
Przeczytaj uważnie poniższe informacje, aby poznać zasady właściwej obsługi i konserwacji urządzenia, nie uszkodzić go i uniknąć obrażeń ciała. Odpowiedzialność za prawidłowe i bezpieczne użytkowanie produktu spoczywa na Tobie.
Odwiedź www.Toro.com w kwestiach dotyczących materiałów szkoleniowych z zakresu bezpieczeństwa oraz eksploatacji produktu, informacji na temat akcesoriów, pomocy w znalezieniu autoryzowanego sprzedawcy lub rejestracji urządzenia.
Aby skorzystać z serwisu, zakupić oryginalne części Toro lub uzyskać dodatkowe informacje, skontaktuj się z przedstawicielem autoryzowanego serwisu lub biurem obsługi klienta firmy Toro, a także przygotuj numer modelu i numer seryjny urządzenia. Rysunek 1 przedstawia położenie numeru modelu i numeru seryjnego na produkcie. Zapisz je w przewidzianym na to miejscu.
Important: Urządzeniem mobilnym zeskanuj kod QR (jeśli występuje) na tabliczce z numerem seryjnym, aby uzyskać informacje o gwarancji, częściach zamiennych i innych kwestiach związanych z produktem.

W niniejszej instrukcji występują 2 słowa podkreślające wagę informacji. Ważne zwraca uwagę na szczególne informacje techniczne, a Uwaga podkreśla informacje ogólne, wymagające szczególnej uwagi.
Niniejsze urządzenie jest zgodne ze wszystkimi obowiązującymi dyrektywami Unii Europejskiej; szczegółowe informacje zamieszczone są w odpowiedniej deklaracji zgodności, w oddzielnym arkuszu.
Specyfikację danego modelu kosiarki można znaleźć na stronie www.Toro.com
Moment obrotowy na wale lub moment użyteczny: Moment obrotowy na wale silnika lub moment użyteczny silnika został wyznaczony laboratoryjnie przez producenta silnika, zgodnie z wytycznymi Stowarzyszenia Inżynierów Motoryzacji (SAE) J1940 lub J2723. Rzeczywisty moment obrotowy silnika w kosiarce tej klasy może być znacznie niższy z powodu jej dostosowania do wymagań dotyczących bezpieczeństwa, emisji oraz eksploatacji. Można je znaleźć w dołączonej do maszyny dokumentacji producenta silnika.
Important: W przypadku eksploatowania przez dłuższy czas maszyny z silnikiem Toro na wysokości powyżej 1500 m n.p.m. należy upewnić się, że zainstalowano zestaw do pracy na dużej wysokości n.p.m., dzięki czemu silnik będzie spełniał wymagania CARB/EPA w zakresie emisji. Zestaw do pracy na dużej wysokości n.p.m. poprawia osiągi silnika oraz zapobiega zbieraniu się nagaru na świecach, trudnościom w rozruchu i zwiększonej emisji. Po zainstalowaniu zestawu maszynę należy oznaczyć stosowną etykietą, umieszczając ją obok etykiety z numerem seryjnym. W sprawie uzyskania właściwego zestawu do pracy na dużej wysokości n.p.m. oraz etykiety na maszynę, należy skontaktować się z autoryzowanym serwisem Toro. Adres najbliższego przedstawiciela można znaleźć na witrynie www.Toro.com lub kontaktując się z Działem Obsługi Klienta Toro pod numerami podanymi w dokumencie Emission Control Warranty Statement (Gwarancja dotycząca kontroli emisji).W przypadku eksploatacji maszyny na wysokości poniżej 1500 m n.p.m. należy zdemontować zestaw z silnika i przywrócić oryginalne fabryczne ustawienia silnika. Nie eksploatować silnika przystosowanego do pracy na dużej wysokości n.p.m. na niższych wysokościach, gdyż grozi to przegrzaniem i uszkodzeniem silnia.Nie mając pewności, czy maszyna została przystosowana do eksploatacji na dużej wysokości, należy poszukać następującej etykiety (Rysunek 2).

Maszyna została zaprojektowana zgodnie z normą EN ISO 5395:2013.
Symbol ostrzegawczy (Rysunek 3) jest używany zarówno w niniejszej instrukcji, jak i na maszynie, w celu zwrócenia uwagi na istotne zalecenia dotyczące bezpieczeństwa, których należy przestrzegać, aby unikać wypadków.
Znaczenie tego symbolu jest następujące: UWAGA! ZACHOWAJ OSTROŻNOŚĆ! TWOJE BEZPIECZEŃSTWO JEST ZAGROŻONE!

Symbol ostrzegawczy pojawia się nad informacjami, które ostrzegają o niebezpiecznych czynnościach lub sytuacjach i którym towarzyszy słowo NIEBEZPIECZEŃSTWO, OSTRZEŻENIE lub PRZESTROGA.
NIEBEZPIECZEŃSTWO: Informuje o bezpośredniej sytuacji niebezpiecznej, która, jeżeli nie da się jej uniknąć, będzie skutkować śmiercią lub poważnymi obrażeniami ciała.
OSTRZEŻENIE: Informuje o sytuacji potencjalnie niebezpiecznej, która, jeżeli nie da się jej uniknąć, może skutkować śmiercią lub poważnymi obrażeniami ciała.
PRZESTROGA: Informuje o sytuacji potencjalnie niebezpiecznej, która, jeżeli nie da się jej uniknąć, może skutkować umiarkowanymi lub niewielkimi obrażeniami ciała.
W niniejszej instrukcji występują dwa słowa podkreślające wagę informacji. Ważne zwraca uwagę na szczególne informacje techniczne, a Uwaga podkreśla informacje ogólne, wymagające szczególnej uwagi.
Niniejsza maszyna może obciąć dłonie lub stopy oraz wyrzucać przedmioty. Firma Toro zaprojektowała i przetestowała tę kosiarkę, aby zapewnić należyte bezpieczeństwo eksploatacji. Nieprzestrzeganie instrukcji dotyczących bezpieczeństwa może jednak prowadzić do obrażeń ciała lub śmierci.
Należy przeczytać ze zrozumieniem wszystkie instrukcje i ostrzeżenia znajdujące się w instrukcji obsługi i innych materiałach szkoleniowych oraz na maszynie, silniku i osprzęcie. Wszyscy operatorzy i mechanicy powinni został odpowiednio przeszkoleni. Jeśli operator lub mechanik nie jest w stanie samodzielnie zapoznać się z instrukcją, właściciel maszyny ma obowiązek zapoznania go z treścią instrukcji. Instrukcje w innych wersjach językowych można znaleźć na naszej stronie internetowej.
Maszynę mogą obsługiwać tylko przeszkoleni, odpowiedzialni i sprawni fizycznie operatorzy, którzy znają zasady jej bezpiecznej eksploatacji, elementy sterowania oraz znaki i instrukcje dotyczące bezpieczeństwa. Użytkowanie lub serwisowanie sprzętu przez dzieci lub osoby nieprzeszkolone jest zabronione. Przepisy lokalne mogą ograniczać wiek operatora.
Pałąk musi zawsze znajdować się w uniesionym, zablokowanym położeniu, a pas bezpieczeństwa musi być zapięty.
Nie używaj maszyny w pobliżu stromych zboczy, rowów, nasypów, wody i innych miejsc niebezpiecznych oraz na zboczach o nachyleniu przekraczającym 15 stopni.
Nie zbliżać dłoni ani stóp do ruchomych części maszyny.
Nigdy nie używaj maszyny, która ma uszkodzone zabezpieczenia lub osłony. Zawsze pilnuj, aby osłony, przełączniki i inne urządzenia zabezpieczające były na swoim miejscu i w dobrym stanie technicznym.
Przed serwisowaniem, dolewaniem paliwa lub odblokowywaniem tunelu wyrzutowego należy zatrzymać maszynę, wyłączyć silnik i wyjąć kluczyk.

![]() |
Etykiety dotyczące bezpieczeństwa oraz instrukcje są wyraźnie widoczne dla operatora i znajdują się w pobliżu wszystkich miejsc potencjalnego zagrożenia. Uszkodzone i brakujące etykiety należy wymienić. |



























Zanim uruchomisz silnik i rozpoczniesz pracę z maszyną, zapoznaj się ze wszystkimi elementami sterowania.

Przełącznik kluczykowy, używany do uruchamiania i wyłączania silnika, ma trzy pozycje: WYłąCZENIE, PRACA i ROZRUCH. Patrz Uruchamianie silnika.
Włącznik ssania służy do uruchomienia zimnego silnika.
Dźwignia przepustnicy służy do sterowania prędkością obrotową silnika. Dźwignię można ustawić w dowolnej pozycji między położeniem WOLNO a SZYBKO (Rysunek 6).
Przełącznik sterowania ostrzem, oznaczony symbolem wału odbioru mocy (WOM) służy do załączania i odłączania napędu ostrza kosiarki (Rysunek 6).
Licznik godzin rejestruje liczbę godzin pracy silnika. Licznik pracuje podczas pracy silnika. Korzystaj ze wskazań licznika do planowania regularnej konserwacji (Rysunek 7).

Na liczniku godzin znajdują się symbole, które wskazują (symbol czarnego trójkąta), że składnik blokujący jest poprawnie ustawiony (Rysunek 7).
Gdy włącznik kluczykowy zostanie na kilka sekund ustawiony w pozycji PRACA, w obszarze, gdzie normalnie są wyświetlane godziny wyświetlone zostanie napięcie akumulatora.
Kontrolka akumulatora włączy się, gdy wyłącznik kluczykowy zostanie włączony i gdy poziom naładowania będzie poniżej prawidłowego poziomu roboczego (Rysunek 7).
Dźwignie kierowania służą do kierowania ruchem maszyny do przodu, do tyłu oraz do skręcania w dowolnym kierunku (Rysunek 5).
Schodząc z maszyny, ustaw dźwignie sterowania na zewnątrz względem położenia środkowego, w położeniu NEUTRALNYM ZABLOKOWANYM (zob. Rysunek 25). Ustawiaj dźwignie sterowania w położeniu NEUTRALNYM-ZABLOKOWANYM zawsze, gdy zatrzymasz maszynę lub gdy pozostawiasz ją bez nadzoru.
Aby zapobiec niekontrolowanemu ruchowi kosiarki, po każdym wyłączeniu jej silnika zaciągnij hamulec postojowy.
Zamykaj zawór odcinający dopływ paliwa przed transportowaniem lub przechowywaniem maszyny; patrz Używanie zaworu odcięcia paliwa.
Note: Dane techniczne i konstrukcja mogą ulec zmianie bez uprzedzenia.
| Kosiarka z podwoziem tnącym 122 cm | Kosiarka z podwoziem tnącym 132 cm | |
|---|---|---|
| Bez podwozia tnącego | 121 cm | 124 cm |
| Deflektor trawy uniesiony | 133 cm | 144 cm |
| Deflektor trawy opuszczony | 160 cm | 171 cm |
| Kosiarka z podwoziem tnącym 122 cm | Kosiarka z podwoziem tnącym 132 cm | |
|---|---|---|
| Długość | 208 cm | 208 cm |
| Pałąk bezpieczeństwa w górnej pozycji | Pałąk bezpieczeństwa w dolnej pozycji |
|---|---|
| 179 cm | 125 cm |
| Maszyny | Masa |
| Maszyny z wyrzutem bocznym 122 cm | od 385 do 425 kg(od 849 do 937 funtów) |
| Maszyny z wyrzutem bocznym 132 cm | od 391 do 434 kg (od 862 do 957 funtów) |
Dostępna jest gama zatwierdzonego przez firmę Toro sprzętu i akcesoriów przeznaczonych do stosowania z maszyną, zwiększających jej możliwości. Skontaktuj się z autoryzowanym przedstawicielem serwisowym lub dystrybutorem lub odwiedź stronę www.Toro.com, aby uzyskać listę wszystkich zatwierdzonych akcesoriów i osprzętu.
Aby zapewnić maksymalną wydajność i zachować certyfikat bezpieczeństwa maszyny, używaj wyłącznie oryginalnych części zamiennych i akcesoriów firmy Toro. Części zamienne i akcesoria pochodzące od innych producentów mogą stwarzać zagrożenie dla bezpieczeństwa. Korzystanie z nich może spowodować utratę gwarancji maszyny.
Note: Określaj lewą i prawą stronę maszyny ze standardowego stanowiska operatora.
Oceń teren, aby określić, które z akcesoriów i przystawek należy wykorzystać, aby prawidłowo i bezpiecznie wykonać daną pracę. Stosuj wyłącznie akcesoria i osprzęt zatwierdzony przez firmę Toro.
Sprawdź obszar, na którym będziesz używać maszyny i usuń wszystkie kamienie, zabawki, patyki, przewody, kości i inne przedmioty. W przeciwnym razie mogą one zostać wyrzucone w powietrze lub zakłócić prawidłową pracę maszyny oraz spowodować obrażenia ciała operatora bądź osób postronnych.
Używaj odpowiednich środków ochrony indywidualnej, w tym okularów ochronnych, pełnego obuwia roboczego z podeszwą antypoślizgową czy ochronników słuchu. Zwiąż długie włosy i uważaj, aby luźna odzież i biżuteria nie zostały wciągnięte przez ruchome części.
Poziom hałasu wytwarzany przez maszynę przekracza 85 dBA przy uchu operatora. Przy długotrwałym użytkowaniu może to doprowadzić do utraty słuchu.
Noś ochronniki słuchu podczas obsługi tej maszyny.
Sprawdź, czy elementy wykrywające obecność operatora, wyłączniki bezpieczeństwa i osłony znajdują się na swoim miejscu i działają prawidłowo. Nie można przystąpić do pracy, jeśli elementy te nie działają poprawnie.
Nie użytkuj kosiarki, jeżeli w pobliżu znajdują się inne osoby, dzieci lub zwierzęta. Jeśli ktokolwiek wejdzie w obszar pracy, zatrzymaj maszynę i jej osprzęt.
Nigdy nie używaj maszyny, gdy system zbierania trawy, deflektor wylotowy lub inne zabezpieczenia są niekompletne lub nie są w dobrym stanie technicznym. Podzespoły zestawu do zbierania trawy mogą ulegać zużyciu, uszkodzeniom i pogorszeniu stanu, co może spowodować odsłonięcie ruchomych części lub wyrzucanie przedmiotów z maszyny. Sprawdzaj często, czy elementy zestawu nie są zużyte lub zniszczone i w razie potrzeby wymieniaj je na części zalecane przez producenta.
Podczas posługiwania się paliwem zachowaj szczególną ostrożność.
W określonych warunkach paliwo jest skrajnie łatwopalne, a jego opary są wybuchowe.
Pożar lub wybuch paliwa może skutkować poważnymi oparzeniami ciała oraz zniszczeniem mienia.
Napełniaj zbiornik paliwa na zewnątrz, na płaskim terenie, na otwartej przestrzeni, gdy silnik jest zimny. Usuń rozlaną benzynę.
Nigdy nie napełniaj zbiornika paliwa ani nie spuszczaj paliwa ze zbiornika wewnątrz dołączonej przyczepy.
Nie napełniaj całego zbiornika. Napełniaj zbiornik paliwa do dolnego poziomu szyjki wlewu. Pusta przestrzeń w zbiorniku pozwoli na rozszerzenie się benzyny. Przepełnienie może powodować wycieki paliwa lub uszkodzenie silnika bądź układu wydechowego.
Nigdy nie pal papierosów podczas pracy z paliwem i trzymaj się z dala od otwartego płomienia lub miejsc, gdzie opary benzyny mogą zapalić się od iskry.
Przechowuj paliwo w atestowanym kanistrze, poza zasięgiem dzieci.
Dolewaj paliwa zanim włączysz silnik. Nigdy nie usuwaj korka ze zbiornika paliwa ani nie uzupełniaj paliwa w trakcie pracy silnika lub gdy jest jeszcze gorący.
W przypadku rozlania paliwa nie próbuj włączać silnika. Przestaw maszynę w inne miejsce i unikaj możliwości spowodowania zapłonu do momentu rozproszenia oparów paliwa.
Nie obsługuj maszyny bez zamontowanego całego układu wydechowego lub gdy nie jest on sprawny.
W niektórych sytuacjach podczas uzupełniania paliwa może nastąpić wyzwolenie się elektryczności statycznej, powstanie iskry i zapłon oparów. Pożar lub wybuch paliwa może skutkować poważnymi oparzeniami ciała oraz zniszczeniem mienia.
Przed napełnieniem zawsze stawiaj kanister na podłożu, z dala od pojazdu.
Nie napełniaj kanistrów w pojeździe, na platformie lub w przyczepie, ponieważ znajdujące się wewnątrz wykładziny lub plastikowa tapicerka mogą izolować kanister i spowolnić utratę ładunku elektrostatycznego.
Jeśli to możliwe, usuń zasilane podzespoły z platformy lub przyczepy i zatankuj je, gdy kołami dotykają ziemi.
Jeśli to niemożliwe, zatankuj maszynę na platformie lub przyczepie za pomocą przenośnego kanistra, zamiast przy pomocy pistoletu dystrybutora paliwa.
Jeśli konieczne jest użycie pistoletu dystrybutora, powinien on przez cały czas dotykać obrzeża zbiornika paliwa lub kanistra, aż do zakończenia tankowania. Nie blokuj otwartego położenia dyszy.
Połknięcie paliwa prowadzi do poważnych obrażeń lub śmierci. Długotrwałe narażenie zwierząt na opary paliwa w warunkach laboratoryjnych powodowało u nich rozwój nowotworu. Brak ostrożności może skutkować poważnymi obrażeniami lub chorobami.
Unikaj długotrwałego wdychania oparów.
Trzymaj głowę z dala od dyszy wydechowej, zbiornika z paliwem i/lub otworu kanistra.
Nie dopuszczaj do kontaktu paliwa z oczami i skórą.
Nigdy nie spuszczaj paliwa ustami.
Odpowietrznik zbiornika paliwa znajduje się w pałąku. Zdjęcie lub modernizacja pałąka może prowadzić do wycieku paliwa i skutkować naruszenie przepisów dotyczących emisji spalin.
Pałąka nie wolno zdejmować.
Pałąka zabezpieczającego nie wolno spawać, wiercić w nim ani modyfikować go w żaden sposób.
Aby zapobiec ewentualnym pożarom:
Oczyszczaj silnik i jego otoczenie z trawy, liści, nadmiaru smaru lub oleju oraz innych zanieczyszczeń, które mogą gromadzić się w tych obszarach.
Usuwaj rozlany olej lub paliwo i nasączone paliwem odpady.
Przed przechowywaniem maszyny w jakimkolwiek pomieszczeniu zaczekaj, aż maszyna ostygnie. Nie przechowuj maszyny w pobliżu płomieni lub w żadnym pomieszczeniu, w którym znajdują się jakiekolwiek płomienie dyżurne lub urządzenia grzewcze.
Aby uzyskać najlepsze rezultaty, używaj tylko czystej, świeżej (poniżej 30 dni) benzyny bezołowiowej o liczbie oktanowej 87 lub wyższej (metoda klasyfikacji (R+M)/2).
Etanol: można stosować benzynę zawierającą do 10% etanolu (gazohol) lub 15% MTBE (eteru tert-butylowo-metylowego). Etanol i MTBE to nie to samo. Benzyna o zawartości 15% etanolu (E15) nie może być stosowana. Nigdy nie należy stosować benzyny zawierającej w objętości ponad 10% etanolu, takiej jak E15 (zawiera 15% etanolu), E20 (zawiera 20% etanolu), czy E85 (zawiera do 85% etanolu). Zastosowanie nieprawidłowego rodzaju benzyny może skutkować problemami z wydajnością i/lub uszkodzeniem silnika, które mogą nie być objęte gwarancją.
Nie używaj benzyny zawierającej metanol.
Zabrania się przechowywania paliwa w zbiorniku lub kanistrach przez okres zimowy, jeżeli nie został użyty stabilizator paliwa.
Nie dolewaj oleju do benzyny.
Zastosowanie środka stabilizującego/dodatku uszlachetniającego paliwo może zapewnić następujące korzyści:
Wydłuża czas użytkowania paliwa, pod warunkiem przestrzegania zasad producenta środka stabilizującego.
Oczyszczanie silnika w trakcie pracy
Wyeliminowanie powstawania w układzie paliwowym gumowych osadów, które utrudniają rozruch silnika
Important: Nie stosuj dodatków uszlachetniających paliwo zawierających metanol lub etanol.
Dodaj do paliwa właściwą porcję środka stabilizującego/dodatku uszlachetniającego paliwo.
Note: Środek stabilizujący/dodatek uszlachetniający jest najskuteczniejszy, gdy zostanie wymieszany ze świeżym paliwem. Aby zmniejszyć do minimum możliwość powstania osadów w układzie paliwowym, należy stosować stabilizator do paliwa przez cały czas.
Zaparkuj maszynę na równym podłożu.
Załącz hamulec postojowy.
Wyłącz silnik i wyjmij kluczyk ze stacyjki.
Oczyść okolice korka zbiornika paliwa.
Napełniaj zbiornik paliwa do dolnego poziomu szyjki wlewu (Rysunek 8).
Note: Nie napełniaj całego zbiornika. Wolna przestrzeń pozostawiona w zbiorniku umożliwia rozszerzanie się paliwa.

Każdego dnia przed uruchomieniem maszyny wykonuj wymienione w rozdziale czynności kontrolne wykonywane codzienne lub przy każdym użyciu.
Osiągnięcie przez silnik pełnej mocy wymaga nieco czasu. Nowe jednostki tnące oraz układy napędowe kosiarek generują większe opory i powodują większe obciążenie silnika. Nowa maszyna wymaga około 40 do 50 godzin dotarcia, aby rozwinąć pełną moc i uzyskać najlepsze osiągi.
Aby uniknąć obrażeń lub śmierci spowodowanej przewróceniem, utrzymuj pałąk w całkowicie uniesionym i zablokowanym położeniu oraz zapnij pas bezpieczeństwa.
Sprawdź, czy fotel jest zamocowany do maszyny.
Kiedy pałąk jest opuszczony, ochrona przed przewróceniem nie jest zapewniona.
Pałąk można obniżyć, wyłącznie jeżeli jest to absolutnie niezbędne.
Nie należy zapinać pasa bezpieczeństwa, jeżeli pałąk jest opuszczony.
Jedź powoli i ostrożnie.
Gdy przestrzeń jest wystarczająca, podnieś pałąk.
Przed przejechaniem pod jakimikolwiek obiektami (np. konarami lub przewodami elektrycznymi) albo przez drzwi sprawdź dokładnie wolną przestrzeń nad maszyną, aby uniknąć zderzenia.
Important: Zapnij pas bezpieczeństwa, jeżeli pałąk jest podniesiony.
Unieś pałąk bezpieczeństwa do pozycji roboczej i obróć pokrętła, aby wsunęły się częściowo w rowki (Rysunek 9).
Unieś pałąk bezpieczeństwa całkowicie do góry, jednocześnie popychając górną część pałąka, aż po zrównaniu się z odpowiednimi otworami trzpienie blokujące wskoczą w nie (Rysunek 9).
Pchnij pałąk bezpieczeństwa i sprawdź, czy obydwa sworznie wsunęły się w odpowiednie otwory.
Jeśli wyłączniki blokad bezpieczeństwa są odłączone lub uszkodzone, pojazd może zostać nieoczekiwanie uruchomiony, powodując obrażenia ciała.
Nie manipuluj przy przełącznikach blokad.
Codziennie, przed przystąpieniem do obsługi maszyny, sprawdzaj działanie przełączników blokad i wymieniaj wszystkie uszkodzone przełączniki.
Układ blokad bezpieczeństwa został opracowany, aby zapobiegać uruchomieniu silnika, chyba że:
Hamulec postojowy jest załączony.
Przełącznik sterowania ostrzami (napęd PTO) jest odłączony.
Dźwignie sterowania są w położeniu NEUTRALNYM ZABLOKOWANYM.
Układ blokad bezpieczeństwa powoduje zatrzymanie silnika również wtedy, gdy dźwignie sterowania jazdą zostaną przestawione z położenia NEUTRALNEGO ZABLOKOWANEGO przy załączonym hamulcu postojowym lub jeśli wstaniesz z fotela, gdy załączony jest napęd PTO.
Na liczniku godzin znajdują się wskaźniki informujące użytkownika o prawidłowym położeniu danego komponentu blokady. Gdy komponent znajduje się w prawidłowym położeniu, wskaźnik zaświeci się.

| Częstotliwość serwisowania | Procedura konserwacji |
|---|---|
| Przed każdym użyciem lub codziennie |
|
Układ blokad bezpieczeństwa sprawdzaj przed każdym skorzystaniem z maszyny. Jeżeli układ bezpieczeństwa nie działa w sposób opisany poniżej, skontaktuj się z autoryzowanym przedstawicielem serwisowym w celu przeprowadzenia niezwłocznej naprawy.
Usiądź na fotelu, załącz hamulec postojowy i ustaw przełącznik sterowania ostrzami (napęd WOM) w położeniu WłąCZONYM. Spróbuj uruchomić silnik (nie powinien się uruchomić).
Usiądź na fotelu, załącz hamulec postojowy i ustaw przełącznik sterowania ostrzami (napęd WOM) w położeniu WYłąCZONYM. Przesuń jedną z dźwigni sterowania z położenia NEUTRALNEGO ZABLOKOWANEGO. Spróbuj uruchomić silnik (nie powinien się uruchomić). Powtórz czynność dla drugiej dźwigni kierowania.
Usiądź na fotelu, załącz hamulec postojowy, ustaw przełącznik sterowania ostrzami (napęd WOM) w położeniu WYłąCZONYM i ustaw dźwignie sterowania jazdą w położeniu NEUTRALNYM ZABLOKOWANYM. Teraz uruchom silnik. Gdy silnik pracuje, zwolnij hamulec postojowy, załącz przełącznik sterowania ostrzem (PTO) i lekko unieś się z fotela – silnik powinien się zatrzymać.
Usiądź na fotelu, załącz hamulec postojowy, ustaw przełącznik sterowania ostrzami (napęd WOM) w położeniu WYłąCZONYM i ustaw dźwignie sterowania jazdą w położeniu NEUTRALNYM ZABLOKOWANYM. Teraz uruchom silnik. Gdy silnik pracuje, ustaw dowolną dźwignię kierowania w środkowej pozycji i przesuń ją do przodu lub do tyłu – silnik powinien się zatrzymać. Powtórz czynność dla drugiej dźwigni kierowania.
Siedząc na fotelu, zwolnij hamulec postojowy, ustaw przełącznik sterowania ostrzami (napędu PTO) w położeniu WYłąCZONYM i ustaw dźwignie sterowania jazdą w położeniu NEUTRALNYM ZABLOKOWANYM. Spróbuj uruchomić silnik (nie powinien się uruchomić).
Fotel można przesuwać do przodu i do tyłu. Położenie fotela ustaw w miejscu, w którym masz najlepszą kontrolę nad maszyną i w którym czujesz się najwygodniej (Rysunek 11).

System zawieszenia MyRide™ dostosowuje się samoczynnie tak, aby zapewnić płynną i wygodną jazdę. Poprzez regulację 2 tylnych zespołów amortyzujących możesz szybko i łatwo zmienić system zawieszenia. Ustaw system zawieszenia w najwygodniejszym dla siebie położeniu.
Wycięcia w tylnych zespołach amortyzujących posiadają pozycje zapadek używane do określenia pozycji. Tylne zespoły amortyzujące można ustawić w dowolnej pozycji wycięcia, nie tylko w położeniach zapadek. Poniższy wykres przedstawia pozycje miękkiego lub twardego zawieszenia oraz poszczególne pozycje zapadek (Rysunek 12).

Note: Dopilnuj, aby lewy i prawy zespół amortyzujący były ustawione w tych samych pozycjach.
Wyreguluj tylne zespoły amortyzujące (Rysunek 13).


Używaj jedynie osprzętu i akcesoriów zatwierdzonych przez Toro.
Jeżeli w jednym z 4 miejsc podanych na Rysunek 14 zamontowany jest więcej niż jeden zestaw do montażu akcesoriów (na przykład zestaw łyżki lub uniwersalny zestaw montażowy), należy dodać zestaw przedniego obciążnika. Skontaktuj się z przedstawicielem autoryzowanego serwisu w celu uzyskania zestawu przedniego obciążnika.

Podczas obsługi maszyny operator musi zachować szczególną ostrożność. Nie podejmuj żadnych rozpraszających czynności. W przeciwnym razie możesz spowodować obrażenia lub wyrządzić szkody w mieniu.
W trakcie pracy silnika niektóre jego części, szczególnie tłumik, są niezwykle gorące. Kontakt z takimi częściami grozi poważnym poparzeniem, a zanieczyszczenia, takie jak liście, trawa lub fragmenty krzewów, mogą zapalić się.
Przed dotknięciem niektórych części silnika, szczególnie tłumika, zaczekaj, aż ostygną.
Oczyszczaj tłumik i silnik z wszelkich zanieczyszczeń.
Spaliny silnika zawierają tlenek węgla, który jest bezzapachowym, trującym gazem, który może spowodować śmierć.
Nie należy uruchamiać silnika wewnątrz budynków lub w zamkniętych pomieszczeniach, w których mogą zgromadzić się niebezpieczne opary tlenku węgla.
Właściciel/użytkownik może zapobiegać uszkodzeniom mienia, wypadkom oraz obrażeniom ciała u samego siebie i innych osób. Właściciel/użytkownik jest odpowiedzialny za takie uszkodzenia, wypadki i obrażenia ciała.
Omawiana kosiarka jest przeznaczona tylko dla jednego operatora. Nie przewoź na niej pasażerów ani nie pozwalaj osobom postronnym przebywać w jej pobliżu podczas pracy.
Nie używaj maszyny będąc chorym, zmęczonym lub pod wpływem alkoholu lub narkotyków.
Używaj maszyny wyłącznie w dzień lub przy dobrym oświetleniu sztucznym.
Uderzenia pioruna mogą prowadzić do śmierci lub poważnych obrażeń ciała. Jeśli nad obszarem pracy widać błyski lub słychać grzmoty, należy zaprzestać używania maszyny i znaleźć miejsce, w którym można się schronić.
Podczas pracy z akcesoriami lub osprzętem, takimi jak systemy zbierania trawy zachowuj szczególną ostrożność. Mogą one spowodować zmianę stabilności maszyny i utratę kontroli. W razie potrzeby przestrzegaj zaleceń dotyczących przeciwwagi.
Unikaj dziur, kolein, wybojów, kamieni i innych ukrytych zagrożeń. Zachowaj ostrożność przy zbliżaniu się do zakrętów z ograniczoną widocznością, krzewów, drzew, wysokiej trawy i innych obiektów, które mogą zasłaniać przeszkody lub utrudniać widoczność. Na nierównym terenie istnieje ryzyko przewrócenia się maszyny lub utraty równowagi bądź podparcia przez operatora.
Zanim uruchomisz silnik, upewnij się, że wszystkie napędy ustawione są w położeniu neutralnym, a hamulec postojowy jest załączony. Pałąk musi znajdować się w uniesionym, zablokowanym położeniu, a pas bezpieczeństwa musi zostać zapięty.
Uruchamiaj silnik ostrożnie, zgodnie z instrukcjami, ze stopami odsuniętymi poza zasięg ostrzy.
Nigdy nie używaj kosiarki, która ma uszkodzone zabezpieczenia lub osłony. Zawsze pilnuj, aby osłony, przełączniki i inne urządzenia zabezpieczające były na swoim miejscu i w dobrym stanie technicznym.
Wylot wyrzutnika zawsze powinien być drożny. Nigdy nie koś trawy, gdy klapa wylotowa jest podniesiona, zdjęta lub zmodyfikowana, chyba że kosiarka jest wyposażona w prawidłowo działający system zbierania trawy lub rozdrabniacz.
Trzymaj ręce i nogi z dala od części ruchomych. W miarę możliwości nie przeprowadzaj żadnych regulacji, gdy silnik jest włączony.
Dłonie, stopy, włosy, odzież lub akcesoria mogą wplątać się w części wirujące. Kontakt z takimi częściami może prowadzić do amputacji części ciała lub poważnych ran szarpanych.
Używanie maszyny bez założonych i działających wszystkich osłon oraz innych zabezpieczeń jest zabronione.
Nie zbliżaj dłoni, stóp, włosów, biżuterii lub odzieży do części wirujących.
Nie podnoś podwozia tnącego, gdy ostrza pracują.
Zwracaj uwagę na kierunek wyrzutu trawy i nie kieruj wyrzutu kosiarki w stronę innych osób. Nie wyrzucaj materiału na ściany lub przeszkody, gdyż może on odbić się od nich i uderzyć w operatora. Podczas przejeżdżania przez powierzchnie inne niż trawa lub podczas transportu kosiarki do i z obszaru koszenia zatrzymaj ostrza, zmniejsz prędkość i zachowaj ostrożność.
Podczas skręcania zachowaj czujność, zwolnij i postępuj ostrożnie. Przed zmianą kierunku obejrzyj się za siebie i na boki. Nie koś na biegu wstecznym, jeśli nie jest to absolutnie konieczne.
Nie zmieniaj ustawień regulatora silnika i nie stosuj nadmiernej prędkości obrotowej silnika.
Maszynę należy parkować na równym podłożu. Zatrzymaj silnik, zaczekaj aż wszystkie części ruchome zatrzymają się, a następnie wyjmij kluczyk.
Przed przeprowadzeniem przeglądu, czyszczenia lub czynności konserwacyjnych.
Po uderzeniu w ciało obce lub w razie wystąpienia nietypowych drgań (sprawdź kosiarkę pod kątem uszkodzeń, a przed jej ponownym uruchomieniem oraz przystąpieniem do obsługi przeprowadź ewentualne naprawy).
Przed usunięciem niedrożności.
Zawsze wtedy, gdy pozostawiasz kosiarkę bez nadzoru. Nie wolno pozostawiać uruchomionej maszyny bez nadzoru.
Wyłącz silnik, zaczekaj, aż wszystkie ruchome części zatrzymają się:
Zatankować.
Przez zdemontowaniem pojemnika na trawę.
Przed dokonaniem regulacji wysokości.
Brak ostrzeżenia operatora o obecności dzieci może doprowadzić do tragicznych wypadków. Operacje koszenia często przyciągają dzieci do maszyny. Nie wolno zakładać, że dzieci pozostaną tam, gdzie było je widać ostatnio.
Dzieciom nie wolno wchodzić w obszar koszenia i powinny przebywać pod baczną opieką osoby dorosłej innej niż operator.
Po wejściu dziecka w obszar koszenia konieczne jest ostrzeżenie operatora i wyłączenie maszyny.
Przed przystąpieniem do i w trakcie cofania i zmiany kierunku jazdy oglądaj się za i przed siebie i rozglądaj się na boki w celu sprawdzenia, czy w pobliżu nie ma małych dzieci.
Nigdy nie pozwalaj dzieciom obsługiwać maszyny.
Nie przewoź dzieci nawet po wyłączeniu ostrzy. Mogą one spaść z kosiarki i odnieść poważne obrażenia lub uniemożliwić bezpieczną pracę maszyny. Dzieci, które wcześniej jeździły kosiarką, mogą nagle pojawić się w obszarze pracy w celu ponownego wejścia do maszyny i zostać przez nią potrącone lub przewrócone.
Zbocza są głównym czynnikiem powodującym utratę kontroli i przewracanie się maszyny, co może skutkować poważnymi obrażeniami ciała lub śmiercią. Operator odpowiada za bezpieczną pracę na zboczach. Użytkowanie maszyny na terenach pochyłych i zboczach wymaga dodatkowej uwagi. Przed rozpoczęciem eksploatacji maszyny na zboczu operator musi:
Zapoznać się z zaleceniami dotyczącymi pracy na zboczach zawartymi w instrukcji i na maszynie oraz zrozumieć je.
Przy pomocy wskaźnika nachylenia określić w przybliżeniu nachylenie zbocza na danym obszarze.
Nie wolno używać maszyny na terenach o nachyleniu większym niż 15 stopni.
Ocenić warunki miejscowe w danym dniu, aby ocenić, czy praca maszyny na zboczu jest bezpieczna. Kierować się zdrowym rozsądkiem i umiejętnością oceny sytuacji podczas dokonywania oceny. Zmiany terenowe, takie jak zawilgocenie mogą szybko wpłynąć na pracę maszyny na zboczu.
Zidentyfikować zagrożenia przy podstawie zbocza. Nie używaj maszyny w pobliżu stromych zboczy, rowów, nasypów, wody i innych miejsc niebezpiecznych. Nagłe przejechanie kołem przez obrzeże lub osunięcie się obrzeża mogłoby spowodować wywrócenie się maszyny. Pomiędzy maszyną a potencjalnym niebezpieczeństwem zachowuj bezpieczną odległość (dwukrotność szerokości maszyny). Do koszenia trawy w tych miejscach użyj kosiarkę pchaną lub trymer ręczny.

Unikaj ruszania, zatrzymywania i skręcania na zboczach. Nie dokonuj nagłych zmian prędkości i kierunku jazdy; skręcaj powoli i stopniowo.
Nie używaj maszyny w warunkach, w których przyczepność, sterowanie lub stabilność są niepewne. Pamiętaj, że używanie maszyny na mokrej trawie, w poprzek lub w dół zbocza może skutkować utratą przyczepności przez maszynę. Utrata przyczepności przez koła napędowe może skutkować poślizgiem i utratą możliwości hamowania lub sterowania. Maszyna może ślizgać się nawet z zatrzymanymi kołami.
Usuń lub oznacz przeszkody takie jak rowy, dziury, koleiny, garby, kamienie lub inne ukryte zagrożenia. Wysoka trawa może zakrywać przeszkody. Na nierównym terenie istnieje ryzyko przewrócenia się maszyny.
Podczas pracy z akcesoriami lub osprzętem, takimi jak systemy zbierania trawy zachowuj szczególną ostrożność. Mogą one spowodować zmianę stabilności maszyny i utratę kontroli. Przestrzegaj zaleceń dotyczących przeciwwagi.
W miarę możliwości podczas pracy na zboczach podwozie tnące powinno być obniżone. Podniesienie podwozia tnącego podczas pracy na zboczu może powodować niestabilność maszyny.
Maszyna jest wyposażona w układ zabezpieczający przed przewróceniem (pałąk).
Kiedy pałąk jest opuszczony, ochrona przed przewróceniem nie jest zapewniona. Koła wypadające poza brzegi i przejeżdżające przez rowy, pochyłe brzegi lub wodę mogą spowodować przewrócenie się maszyny, co może prowadzić do poważnych obrażeń, śmierci lub utonięcia.
Układu ROPS nie wolno demontować.
Pałąk musi zawsze znajdować się w uniesionym, zablokowanym położeniu, a pas bezpieczeństwa musi być zapięty.
Pałąk można obniżyć, wyłącznie jeżeli jest to absolutnie niezbędne.
Nie zapinaj pasa bezpieczeństwa, jeżeli pałąk jest opuszczony.
Jedź powoli i ostrożnie.
Gdy przestrzeń jest wystarczająca, podnieś pałąk.
Sprawdź, czy pas bezpieczeństwa może być szybko zwolniony w sytuacji awaryjnej.
Dokładnie sprawdź dostępną przestrzeń nad głową operatora (gałęzie, otwory drzwiowe, przewody elektryczne) przed wjazdem pod takie elementy. Nie należy ich dotykać.
W razie przewrócenia zabierz kosiarkę do autoryzowanego przedstawiciela serwisowego w celu sprawdzenia układu ROPS.
Uszkodzony układ ROPS należy wymienić i nie wolno go naprawiać ani modyfikować.
Każda modyfikacja układu ROPS w postaci dodatkowych akcesoriów, modernizacji lub osprzętu musi być zatwierdzona przez firmę Toro.
Aby zająć pozycję operatora (Rysunek 16) wejdź po podwoziu tnącym jak po stopniu.

Załączaj hamulec postojowy, zawsze po zatrzymaniu maszyny lub gdy pozostawiasz ją bez nadzoru.
Zaparkuj maszynę na równym podłożu.


Przełącznik sterowania ostrzem (PTO) służy do uruchamiania i zatrzymywania ostrza kosiarki i wszelkiego napędzanego osprzętu.
Note: Załączenie przełącznika sterowania ostrzem (PTO) przy przepustnicy w położeniu otwarcia do połowy lub mniej spowoduje nadmierne zużywanie się pasków napędowych.


Dźwignię przepustnicy można ustawić w położeniu pomiędzy położeniem SZYBKO i WOLNO (Rysunek 21).
Załączając WOM należy zawsze używać pozycji SZYBKO.

Note: Rozgrzany lub gorący silnik może nie wymagać ssania.
Important: Podczas rozruchu silnika nie kręć rozrusznikiem dłużej niż przez 5 sekund. Utrzymywanie rozrusznika pracującego przez ponad 5 sekund może spowodować uszkodzenie jego silnika. Jeśli silnik nie daje się uruchomić, odczekaj 10 sekund pomiędzy kolejnymi próbami.

Dzieci lub osoby postronne mogą odnieść obrażenia w przypadku przemieszczenia lub próby uruchomienia maszyny pozostawionej bez nadzoru.
Podczas pozostawienia maszyny bez nadzoru należy zawsze wyjmować kluczyk i załączać hamulec postojowy.

Important: Przed transportowaniem lub przechowywaniem maszyny upewnij się, że zawór odcięcia paliwa jest zamknięty, ponieważ w przeciwnym razie może nastąpić wyciek paliwa. Przed transportowaniem załącz hamulec postojowy. Pamiętaj o wyjęciu kluczyka, ponieważ pompa paliwowa może nadal działać i spowodować rozładowanie akumulatora.

Koła napędowe są napędzane przez oddzielne silniki hydrauliczne i obracają się niezależnie. Jedna strona może kręcić się do tyłu podczas gdy druga może kręcić się do przodu, co spowoduje obrót maszyny w miejscu zamiast jazdy po łuku. Poprawia to znacząco zwrotność maszyny, ale może wymagać czasu do przystosowania się do jej sposobu poruszania się.
Przepustnica kontroluje prędkość obrotową silnika, wyrażoną w obr./min (obrotach na minutę). Aby osiągnąć najwyższą moc, ustaw moduł sterowania przepustnicą w pozycji SZYBKIEJ. Podczas koszenia przepustnica musi być całkowicie otwarta.
Maszyna może obracać się bardzo szybko. Operator może utracić kontrolę nad maszyną i doprowadzić do obrażeń ciała lub uszkodzenia maszyny.
Podczas skrętów należy zachować ostrożność.
Zwolnij przed ostrymi zakrętami.
Note: W przypadku przesunięcia dźwigni sterowania jazdą przy załączonym hamulcu postojowym silnik zgaśnie.
Aby zatrzymać maszynę, przesuń dźwignie sterowania do położenia NEUTRALNEGO.
Zwolnij hamulec postojowy; patrz Zwalnianie hamulca postojowego.
Ustaw dźwignie w środkowym położeniu odblokowanym.
Aby jechać do przodu, powoli przesuń do przodu dźwignie kierowania (Rysunek 26).

Ustaw dźwignie w środkowym położeniu odblokowanym.
Aby jechać do tyłu, powoli przesuń dźwignie kierowania do tyłu (Rysunek 27).

Kosiarka wyposażona została w deflektor trawy zamocowany na zawiasie, rozrzucający ścinki na boki i w dół do darni.
Bez zamontowanego deflektora trawy, osłony wyrzutu lub kompletnego zespołu wychwytywacza trawy, użytkownik i inne osoby narażone są na kontakt z ostrzem i wyrzucanymi pozostałościami. Kontakt z obracającymi się ostrzami kosiarki i wyrzucanymi pozostałościami może spowodować obrażenia lub śmierć.
Deflektora trawy nie wolno zdejmować z podwozia tnącego, ponieważ kieruje on materiał w dół do darni. Jeśli deflektor trawy ulegnie uszkodzeniu, należy go wymienić.
Nie wkładaj dłoni ani stóp pod podwozie tnące.
Nie wolno czyścić obszaru wyrzutu lub ostrzy kosiarki, jeśli przełącznik sterowania ostrzami (WOM) nie jest ustawiony w położeniu ODłąCZENIA, a kluczyk należy ustawić w położeniu WYłąCZONYM, a następnie go wyjąć ze stacyjki.
Upewnij się, że deflektor trawy jest opuszczony.
Blokada transportowa jest obsługiwana za pomocą pedału podnoszenia jednostki tnącej. Można ją ustawić w jednym z 2 położeń. Te położenia to pozycje ZABLOKOWANIA oraz ODBLOKOWANIA blokady transportowej podwozia tnącego kosiarki (Rysunek 28).

Wysokość koszenia można regulować w zakresie od 38 do 127 mm, co 6 mm, przekładając sworzeń w inny otwór.
Ustaw blokadę transportową w położeniu ZABLOKOWANYM.
Naciśnij nogą pedał podnoszenia jednostki tnącej i unieś jednostkę tnącą do położenia TRANSPORTOWEGO (zwanego również położeniem o wysokości cięcia 127 mm) w sposób pokazany na Rysunek 29.
Wyjmij sworzeń ze wspornika wysokości cięcia (Rysunek 29).
We wsporniku wysokości cięcia wybierz otwór odpowiadający żądanej wysokości cięcia i włóż do niego sworzeń (Rysunek 29).
Naciśnij pedał podnoszenia jednostki tnącej, pociągnij gałkę blokady transportowej i powoli opuść jednostkę tnącą kosiarki.

Po każdej zmianie wysokości koszenia należy wyregulować wysokość rolek zapobiegających zdzieraniu darni.
Note: Ustaw rolki zapobiegające zdzieraniu darni w taki sposób, aby nie dotykały podłoża podczas normalnej jazdy po płaskim trawniku.
Ustaw maszynę na poziomej nawierzchni, odłącz napęd ostrzy za pomocą przełącznika sterującego ostrzami i załącz hamulec postojowy.
Przed opuszczeniem stanowiska operatora wyłącz silnik, wyjmij kluczyk zapłonu i odczekaj, aż wszystkie części ruchome się zatrzymają.
Wyreguluj rolki zapobiegające zdzieraniu darni w sposób pokazany na Rysunek 30.


Aby zapewnić najlepsze koszenie i maksymalną cyrkulację powietrza, używaj silnika z przepustnicą ustawioną w położeniu SZYBKIM. Powietrze jest potrzebne do dokładnego rozdrobnienia ścinków trawy, nie należy więc ustawiać wysokości koszenia tak nisko, że podwozie tnące jest całkowicie otoczone nieściętą trawą. Należy jeden z boków podwozia tnącego trzymać na obszarze wolnym od nieściętej trawy, co pozwoli na zapewnienie dopływu powietrza do wnętrza podwozia tnącego.
Aby upewnić się, że wysokość koszenia podwozia tnącego nie powoduje zdzierania darni na nierównym terenie, koś trawę na nieco większą długość źdźbeł niż normalnie. Najlepsza jest jednak wcześniej używana wysokość cięcia. Podczas koszenia trawy dłuższej niż 15 cm konieczne może okazać się dwukrotne skoszenie trawnika w celu zapewnienia właściwej jakości cięcia.
Najlepiej ścinać jedynie około 1/3 długości źdźbła trawy. Ścinanie większej części źdźbła nie jest zalecane, chyba że trawa jest rzadka lub koszenie następuje późną jesienią, gdy trawa rośnie wolniej.
Aby trawa była prosta, należy zmieniać kierunek koszenia. Pomaga to również w rozrzuceniu ściętej trawy, co poprawia rozkład oraz nawożenie.
Trawa rośnie z różną szybkością, w zależności od pory roku. Aby zachować tę samą wysokość koszenia, wczesną wiosną należy kosić częściej. Ponieważ prędkość wzrostu trawy zmniejsza się w środku lata, należy wtedy kosić rzadziej. Jeśli nie możesz kosić trawy przez dłuższy czas, najpierw skoś ją z większą wysokością koszenia, a następnie skoś ponownie dwa dni później z mniejszą wysokością koszenia.
Aby poprawić jakość koszenia, jedź wolniej w pewnych warunkach.
Podczas koszenia nierównego trawnika należy, w celu uniknięcia zdzierania murawy, zwiększyć wysokość koszenia.
Jeśli konieczne jest zatrzymanie ruchu maszyny do przodu, na trawnik może spaść bryła sklejonych ścinków trawy. Aby tego uniknąć, po włączeniu ostrzy przejedź wcześniej skoszony obszar lub wyłącz napęd podwozia tnącego podczas jazdy do przodu.
Po każdym zastosowaniu należy usunąć skoszoną trawę i zabrudzenia ze spodu podwozia tnącego. Jeżeli wewnątrz podwozia tnącego nagromadzi się trawa i zabrudzenia, jakość koszenia stanie się niezadowalająca.
Ostrze przez cały sezon koszenia musi być ostre, ponieważ wtedy tnie czysto bez ciągnięcia ani urywania źdźbeł. Ciągnięcie i urywanie sprawia, że trawa staje się brązowa na krawędziach, co spowalnia jej wzrost i zwiększa ryzyko chorób. Po każdym użyciu sprawdzaj ostrza pod kątem ostrości oraz jakichkolwiek oznak zużycia lub uszkodzeń. Spiłuj wszelkie zadziory. W razie potrzeby naostrz ostrza. Jeśli ostrze jest uszkodzone lub zużyte, wymień je na oryginalne ostrze zamienne firmy Toro.
Zaparkuj maszynę na równym terenie, wyłącz napędy, zaciągnij hamulec postojowy, wyłącz silnik, wyjmij kluczyk ze stacyjki lub rozłącz przewód świecy zapłonowej. Przed przystąpieniem do regulacji, czyszczenia, naprawy lub przed przechowywaniem sprzętu zaczekaj, aż wszystkie elementy ruchome się zatrzymają, a maszyna ostygnie. Zabrania się serwisowania urządzenia przez osoby do tego celu nieprzeszkolone.
Wyczyść maszynę zgodnie z instrukcjami w rozdziale Konserwacja. Oczyszczaj silnik i jego otoczenie z trawy, liści, nadmiaru smaru lub oleju oraz innych zanieczyszczeń, które mogą gromadzić się w tych obszarach. Mogą one ulec zapaleniu i doprowadzić do pożaru.
Sprawdzaj często, czy podzespoły maszyny nie są zużyte lub uszkodzone w stopniu stwarzającym zagrożenie. Dokręć luźne elementy mocujące.
Zamknij zawór odcięcia paliwa na czas transportu, konserwacji i przechowywania (Rysunek 32).
Upewnij się, że podczas uruchamiania silnika zawór odcięcia paliwa jest otwarty.


Ręce mogą zostać uwięzione przez obracające się elementy napędowe poniżej jednostki tnącej, co może doprowadzić do poważnych obrażeń.
Przed użyciem zaworów zwalniających napędy kół wyłącz silnik, wyjmij kluczyk i poczekaj na zatrzymanie wszystkich części ruchomych.
Silnik i hydrauliczne jednostki napędowe mogą nagrzać się do bardzo wysokiej temperatury. Dotknięcie gorącego silnika lub hydraulicznych jednostek napędowych może spowodować poważne poparzenia.
Przed użyciem zaworów zwalniających napęd kół odczekaj aż silnik i hydrauliczne jednostki napędowe całkowicie ostygną.
Zawory zwolnienia napędu kół znajdują się po lewej i prawej stronie pod silnikiem.
Ustaw maszynę na poziomej nawierzchni, odłącz napęd ostrzy za pomocą przełącznika sterującego ostrzami i załącz hamulec postojowy.
Przed opuszczeniem stanowiska operatora wyłącz silnik, wyjmij kluczyk zapłonu i odczekaj, aż wszystkie części ruchome się zatrzymają.
Odnajdź dźwignie obejścia za fotelem, po lewej i prawej stronie ramy.
Aby móc pchać maszynę, przesuń obydwa pokrętła obejścia do tyłu i zablokuj je w tym położeniu (Rysunek 33).
Zanim przystąpisz do pchania maszyny, zwolnij hamulec postojowy.

Aby używać maszyny, przesuń pokrętła obejścia do PRZODU i zablokuj je w tym położeniu (Rysunek 33).
Do transportu maszyny należy użyć przyczepy lub ciężarówki o dużej nośności. Stosuj najazd o pełnej szerokości. Upewnij się, że przyczepa lub ciężarówka wyposażone są w niezbędne hamulce, oświetlenie i oznaczenia wymagane przez prawo. Prosimy o uważne przeczytanie wszystkich instrukcji bezpieczeństwa. Pomoże to uniknąć obrażeń operatora lub osób postronnych. Przestrzegaj lokalnych rozporządzeń określających wymagania dotyczące przyczep i mocowań.
Jazda po ulicy lub drodze bez kierunkowskazów, oświetlenia, oznaczeń odblaskowych lub symbolu pojazdu wolnobieżnego jest niebezpieczna i może prowadzić do wypadków powodujących obrażenia ciała.
Maszyną nie wolno jechać po drogach publicznych.
Ładowanie maszyny na przyczepę lub ciężarówkę zwiększa prawdopodobieństwo przewrócenia maszyny, co może prowadzić do poważnych obrażeń lub śmierci (Rysunek 34).
Używaj tylko pochylni o pełnej szerokości. Nie używaj oddzielnych pochylni z każdej strony maszyny.
Nie przekraczaj kąta 15 stopni między pochylnią a podłożem lub między pochylnią a przyczepą lub ciężarówką.
Upewnij się, że pochylnia jest co najmniej 4 dłuższa niż wysokość skrzyni przyczepy lub ciężarówki nad podłożem. Dzięki temu kąt pochylni względem podłoża nie przekroczy 15 stopni.

Ładowanie maszyny na przyczepę lub ciężarówkę zwiększa prawdopodobieństwo przewrócenia maszyny, co może prowadzić do poważnych obrażeń lub śmierci.
Podczas obsługi maszyny na pochylni należy zachować szczególną ostrożność.
Wjeżdżaj maszyną na pochylnię tyłem i zjeżdżaj z pochylni przodem.
Podczas jazdy maszyną po pochylni unikaj nagłego przyspieszania lub hamowania, gdyż mogłoby to spowodować utratę kontroli lub przewrócenie się maszyny.
Przy używaniu przyczepy zamocuj ją do pojazdu holującego i podłącz łańcuchy zabezpieczające.
Podłącz przewody hamulców i oświetlenia przyczepy, jeśli są stosowane.
Obniż pochylnię i upewnij się, że kąt pomiędzy pochylnią, a podłożem nie przekracza 15 stopni (Rysunek 34).
Wjazd na pochylnię tyłem (Rysunek 35).

Zatrzymaj silnik, wyjmij kluczyk zapłonu i załącz hamulec postojowy.
Unieruchom maszynę w pobliżu przednich kółek samonastawnych oraz tylnego zderzaka stosując pasy, łańcuchy, przewody lub liny (Rysunek 36). Przestrzegaj lokalnych wymagań dotyczących mocowań.

Podczas wykonywania prac konserwacyjnych lub regulacyjnych może dojść do uruchomienia silnika przez osobę postronną. Przypadkowe uruchomienie silnika może spowodować poważne obrażenia ciała operatora lub osób postronnych.
Przed wykonaniem jakichkolwiek prac przy kosiarce wyjmij kluczyk, załącz hamulec postojowy i odłącz przewody świec zapłonowych. Odłóż przewody na bok, aby przypadkowo nie zetknąć ich ze świecami zapłonowymi.
Silnik może nagrzać się do bardzo wysokiej temperatury. Dotknięcie gorącego silnika może spowodować poważne poparzenia.
Przed przystąpieniem do prac serwisowych lub napraw związanych z silnikiem zaczekaj, aż silnik całkowicie ostygnie.
Zaparkuj maszynę na równym terenie, wyłącz napędy, zaciągnij hamulec postojowy, wyłącz silnik, wyjmij kluczyk ze stacyjki lub rozłącz przewód świecy zapłonowej. Przed przystąpieniem do regulacji, czyszczenia lub naprawy zaczekaj, aż wszystkie elementy ruchome się zatrzymają, a maszyna ostygnie. Zabrania się serwisowania urządzenia przez osoby do tego celu nieprzeszkolone.
Przed dokonaniem jakichkolwiek napraw odłącz akumulator lub odłącz przewód świecy zapłonowej. W pierwszej kolejności odłącz zacisk ujemny, a następnie dodatni. Podłącz zaciski ponownie, rozpoczynając od dodatniego.
Zadbaj o to, aby wszystkie osłony i urządzenia zabezpieczające znajdowały się na miejscu i były w dobrym stanie technicznym. Sprawdzaj często, czy elementy zestawu nie są zużyte lub zniszczone i w razie potrzeby wymieniaj je na części zalecane przez producenta.
Demontaż lub modernizacja części i/lub akcesoriów oryginalnie zamontowanych w maszynie może mieć negatywny wpływ na przyczepność, sterowność oraz bezpieczeństwo maszyny. Dokonywanie nieuprawnionych modernizacji oryginalnego sprzętu lub korzystanie z części innych niż oryginalne może doprowadzić do poważnych obrażeń lub śmierci. Dokonywanie niezatwierdzonych zmian w maszynie, silniku, układzie paliwowym lub wentylacyjnym może stanowić naruszenie obowiązujących norm z zakresu bezpieczeństwa, takich jak ANSI, OSHA czy NFPA i/lub przepisów organów rządowych, takich jak EPA czy CARB.
Płyn hydrauliczny wydostający się pod ciśnieniem może przedostać się przez skórę i spowodować obrażenia ciała. Płyn, który przedostał się przez skórę, musi zostać usunięty chirurgicznie w ciągu kilku godzin przez lekarza zaznajomionego z tego typu obrażeniami; w przeciwnym razie istnieje ryzyko wystąpienia obrażeń lub zgorzeli.
Przed podaniem ciśnienia na układ hydrauliczny upewnij się, czy wszystkie jego przewody i węże są w dobrym stanie a połączenia/złączki – szczelne.
Operator musi znajdować się w bezpiecznej odległości od wycieków z otworów sworzni lub dysz, które wyrzucają olej hydrauliczny pod dużym ciśnieniem.
Wycieki oleju hydraulicznego można zlokalizować za pomocą kartonu lub papieru. Nie wolno używać do tego dłoni.
Przed wykonaniem jakichkolwiek czynności przy układzie hydraulicznym należy dokonać w sposób bezpieczny całkowitej dekompresji w układzie hydraulicznym, ustawiając dźwignie sterowania jazdą w położeniu neutralnym i wyłączając silnik.
Podzespoły układu paliwowego pracują pod wysokim ciśnieniem. Użycie niewłaściwych podzespołów może doprowadzić do awarii układu paliwowego, wycieku paliwa, a nawet wybuchu.
Używaj wyłącznie zatwierdzonych przewodów paliwowych i filtrów paliwa, dostosowanych do układów wysokociśnieniowych.
Zachowaj ostrożność podczas sprawdzania ostrzy. Owiń ostrza materiałem lub załóż rękawice i zachowaj ostrożność podczas ich serwisowania. Uszkodzone ostrza można tylko wymienić. Nie wolno ich prostować ani spawać.
W razie potrzeby do podparcia maszyny i jej elementów użyj podpórek (tzw. kobyłek).
Przy serwisowaniu podnoszenie urządzenia wyłącznie na podnośnikach mechanicznych lub hydraulicznych może być niebezpieczne. Podnośniki mechaniczne lub hydrauliczne mogą nie mieć wystarczającego podparcia lub mogą działać wadliwie, wskutek czego urządzenie spadnie, co może spowodować powstanie obrażeń ciała.
Nie należy polegać wyłącznie na podnośnikach hydraulicznych ani mechanicznych jako podparciu urządzenia. Należy stosować odpowiednie podpórki lub kozły.
Ostrożnie uwalniaj ciśnienie z podzespołów magazynujących energię.
Trzymaj ręce i nogi z dala od części ruchomych. Jeśli to możliwe, nie przeprowadzaj żadnych regulacji, gdy silnik jest włączony. Jeżeli w ramach procedury konserwacji lub regulacji trzeba włączyć silnik, a części ruchome muszą się poruszać, zachowaj szczególną ostrożność.
Dotknięcie ruchomych części lub gorących powierzchni może spowodować obrażenia.
Palce, ręce i odzież muszą znajdować się z dala od obracających się elementów i gorących powierzchni.
Należy regularnie sprawdzać dokręcenie wszystkich śrub.
| Częstotliwość serwisowania | Procedura konserwacji |
|---|---|
| Po pierwszych 5 godzinach |
|
| Po pierwszych 75 godzinach |
|
| Przed każdym użyciem lub codziennie |
|
| Co 25 godzin |
|
| Co 50 godzin |
|
| Co 100 godzin |
|
| Co 200 godzin |
|
| Co 250 godzin |
|
| Co 500 godzin |
|
| Co miesiąc |
|
| Co rok lub przed składowaniem |
|
Jeśli pozostawisz kluczyk w stacyjce, silnik może zostać przypadkowo uruchomiony przez osobę postronną, co może grozić poważnymi obrażeniami ciała operatora lub innych osób.
Przez przystąpieniem do wykonywania jakichkolwiek czynności konserwacyjnych wyłącz silnik i wyciągnij kluczyk z włącznika.
Poluzuj dolną śrubę osłony jednostki tnącej, aby zwolnić osłonę i uzyskać dostęp do górnej części jednostki tnącej (Rysunek 37). Po zakończeniu czynności konserwacyjnych z powrotem dokręć śrubę.

Poluzuj dwie przednie śruby, a następnie zdejmij osłonę blaszaną, aby uzyskać dostęp do pasków i wrzecion kosiarki (Rysunek 38). Po zakończeniu czynności konserwacyjnych załóż blaszaną osłonę i dokręć śruby.

| Częstotliwość serwisowania | Procedura konserwacji |
|---|---|
| Co 25 godzin |
|
| Co 50 godzin |
|
Smaruj maszynę częściej w warunkach o znacznym zanieczyszczeniu lub zapyleniu.
Rodzaj smaru: litowy lub molibdenowy smar ogólnego zastosowania nr 2
Ustaw maszynę na poziomej nawierzchni, odłącz napęd ostrzy za pomocą przełącznika i załącz hamulec postojowy; patrz Załączanie hamulca postojowego.
Przed opuszczeniem stanowiska operatora wyłącz silnik, wyjmij kluczyk zapłonu i odczekaj, aż wszystkie części ruchome się zatrzymają.
Oczyść smarowniczki za pomocą szmatki.
Note: Usuń farbę z przodu smarowniczek.
Nasmaruj oś obrotu jałowego koła pasowego pompy jedną lub dwoma porcjami smaru (Rysunek 39).
Nasmaruj osie obrotu przednich kół samonastawnych (Rysunek 39).

Wytrzyj nadmiar smaru.
Przed sprawdzeniem poziomu oleju lub przed jego uzupełnieniem w skrzyni korbowej wyłącz silnik.
Trzymaj ręce, stopy, twarz, inne części ciała i odzież w bezpiecznej odległości od tłumika i innych gorących powierzchni.
| Częstotliwość serwisowania | Procedura konserwacji |
|---|---|
| Przed każdym użyciem lub codziennie |
|
| Co 25 godzin |
|
| Co 100 godzin |
|
| Co 200 godzin |
|
Note: Wymieniaj filtr powietrza częściej, jeśli praca odbywa się w warunkach bardzo silnego zapylenia lub zapiaszczenia.
Ustaw maszynę na poziomej nawierzchni, odłącz napęd ostrzy za pomocą przełącznika sterującego ostrzami (WOM) i załącz hamulec postojowy.
Przed opuszczeniem stanowiska operatora wyłącz silnik, wyjmij kluczyk zapłonu i odczekaj, aż wszystkie części ruchome się zatrzymają.
Oczyść obszar wokół pokrywy filtra powietrza, aby zapobiec przedostaniu się zabrudzeń do silnika i spowodowaniu uszkodzeń.
Unieś pokrywę i odkręcając, odłącz zespół filtra powietrza z silnika (Rysunek 40).


Wyjmij wkład piankowy z wkładu papierowego (Rysunek 41).

Umyj wkład piankowy za pomocą mydła w płynie i ciepłej wody. Po oczyszczeniu wkładu dokładnie go opłucz.
Osusz wkład poprzez wyciśnięcie go przy użyciu czystej szmatki.
Important: Jeśli wkład piankowy jest uszkodzony lub zużyty, wymień go.
Lekko popukaj we wkład, aby usunąć z niego zabrudzenia.
Note: Nie myj wkładu papierowego ani nie czyść go sprężonym powietrzem, gdyż można w ten sposób uszkodzić wkład.
Note: Wkład, który jest zabrudzony, wygięty lub uszkodzony, należy wymienić. Ostrożnie wyjmij nowy wkład. Nie używaj go, jeżeli uszczelnienia są wygięte lub uszkodzone.
W razie potrzeby wyczyść filtr powietrza zgodnie z wymaganiami i sprawdź jego stan.
Zamontuj wkład piankowy nad wkładem papierowym.
Note: Uważaj, aby nie uszkodzić wkładów.
Dopasuj otwory w filtrze do wlotów kolektora.
Obróć filtr w dół komory i całkowicie osadź go na kolektorze (Rysunek 42).

Zamknij pokrywę.
| Częstotliwość serwisowania | Procedura konserwacji |
|---|---|
| Po pierwszych 5 godzinach |
|
| Przed każdym użyciem lub codziennie |
|
| Co 100 godzin |
|
Rodzaj oleju: Olej zawierający detergenty (klasa serwisowa SF, SG, SH, SJ lub SL według API)
Pojemność skrzyni korbowej: 2,4 l z filtrem oleju
Lepkość: Patrz tabela poniżej.

Note: Sprawdź olej, kiedy silnik jest zimny.
Important: Napełnienie skrzyni korbowej zbyt małą lub zbyt dużą ilością oleju i uruchomienie silnika może spowodować jego uszkodzenie.
Ustaw maszynę na poziomej nawierzchni, odłącz napęd ostrzy za pomocą przełącznika sterującego ostrzami (WOM) i załącz hamulec postojowy.
Przed opuszczeniem stanowiska operatora wyłącz silnik, wyjmij kluczyk zapłonu i odczekaj, aż wszystkie części ruchome się zatrzymają.
Note: Upewnij się, że silnik zdążył ostygnąć, dzięki czemu olej miał czas spłynąć do miski olejowej.
Aby zapobiec dostaniu się zanieczyszczeń, ścinków trawy itp. do wnętrza silnika, oczyść obszar wokół korka wlewu oleju i wskaźnika poziomu oleju przed ich odkręceniem (Rysunek 44).


Zaparkuj maszynę na poziomej nawierzchni, aby olej mógł całkowicie spłynąć z silnika.
Ustaw przełącznik sterowania ostrzem (PTO) w pozycji rozłączenia i załącz hamulec postojowy.
Przed opuszczeniem stanowiska operatora wyłącz silnik, wyjmij kluczyk zapłonu i odczekaj, aż wszystkie części ruchome się zatrzymają.
Spuść olej z silnika.


Wymień filtr oleju silnikowego (Rysunek 46).
Note: Dokręcaj filtr do momentu, aż uszczelka filtra oleju będzie dotykać silnika, a następnie dokręć o jeszcze ¾ obrotu.

Powoli wlej około 80% oleju do kanału wlewowego, a następnie powoli wlewaj pozostałą porcję, aż olej osiągnie poziom znaku Full (Pełny) (Rysunek 47).

Przekaż zużyty olej do odpowiedniego centrum recyklingu.
| Częstotliwość serwisowania | Procedura konserwacji |
|---|---|
| Co 100 godzin |
|
| Co 200 godzin |
|
Przed zainstalowaniem świecy zapłonowej upewnij się, że odstęp pomiędzy centralną i boczną elektrodą jest właściwy. Do demontażu i montażu świecy zapłonowej należy używać klucza do świec zapłonowych, a do sprawdzania i regulacji szczeliny powietrznej należy zastosować szczelinomierz. W razie potrzeby zamontuj nową świecę zapłonową.
Typ: Champion® RN9YC lub NGK® BPR6ES
Szczelina: 0,76 mm
Ustaw maszynę na poziomej nawierzchni, odłącz napęd ostrzy za pomocą przełącznika sterującego ostrzami (WOM) i załącz hamulec postojowy.
Przed opuszczeniem stanowiska operatora wyłącz silnik, wyjmij kluczyk zapłonu i odczekaj, aż wszystkie części ruchome się zatrzymają.
Oczyść obszar wokół podstawy świecy zapłonowej, aby zanieczyszczenia i brud nie dostały się do silnika.
Znajdź i wykręć świecę zapłonową w sposób pokazany na Rysunek 48.


Important: Nigdy nie czyść świec zapłonowych. Wymień świecę zapłonową, gdy pokryta jest czarnym nalotem, jej elektrody są zużyte, pokryte tłustym filmem lub gdy są popękane.
Jeżeli izolator jest lekko brązowy lub szary, silnik działa poprawnie. Czarny nalot na izolatorze zazwyczaj oznacza, że filtr powietrza jest brudny.
Ustaw szerokość szczeliny na 0,76 mm.


| Częstotliwość serwisowania | Procedura konserwacji |
|---|---|
| Przed każdym użyciem lub codziennie |
|
Ustaw maszynę na poziomej nawierzchni, odłącz napęd ostrzy za pomocą przełącznika sterującego ostrzami (WOM) i załącz hamulec postojowy.
Przed opuszczeniem stanowiska operatora wyłącz silnik, wyjmij kluczyk zapłonu i odczekaj, aż wszystkie części ruchome się zatrzymają.
Odłącz filtr powietrza od silnika.
Zdejmij osłonę silnika.
Aby zapobiec dostaniu się zanieczyszczeń do wlotu powietrza, zamocuj filtr powietrza do podstawy filtra.
Oczyść elementy silnika z zanieczyszczeń i trawy.
Zdejmij filtr powietrza i zamontuj osłonę silnika.
Zamontuj filtr powietrza.
| Częstotliwość serwisowania | Procedura konserwacji |
|---|---|
| Co 50 godzin |
|
Rozgrzane elementy układu wydechowego mogą spowodować zapalenie się oparów paliwa nawet po wyłączeniu silnika. Gorące cząstki wydzielane w trakcie pracy silnika mogą spowodować zapalenie się łatwopalnych substancji, skutkując obrażeniami ciała lub uszkodzeniem mienia.
Nie uzupełniaj paliwa ani nie uruchamiaj silnika przy zdjętym iskrochronie.
Ustaw maszynę na poziomej nawierzchni, odłącz WOM i załącz hamulec postojowy.
Przed opuszczeniem stanowiska operatora wyłącz silnik, wyjmij kluczyk zapłonu i odczekaj, aż wszystkie części ruchome się zatrzymają.
Odczekaj, aż tłumik ostygnie.
W razie zauważenia pęknięć przegrody siatkowej lub spoin spawanych należy wymienić iskrochron.
Jeżeli ekran jest zatkany, zdemontuj iskrochron i wytrząśnij z niego luźne cząstki, po czym oczyść ekran szczotką drucianą (w razie potrzeby namocz w rozpuszczalniku).
Zamontuj iskrochron na wylocie układu wydechowego.
| Częstotliwość serwisowania | Procedura konserwacji |
|---|---|
| Co 500 godzin |
|
Ustaw maszynę na poziomej nawierzchni, odłącz napęd ostrzy za pomocą przełącznika sterującego ostrzami (WOM) i załącz hamulec postojowy.
Przed opuszczeniem stanowiska operatora wyłącz silnik, wyjmij kluczyk zapłonu i odczekaj, aż wszystkie części ruchome się zatrzymają.
Wyjmij filtr z przewodu odpowietrzającego.
Włóż nowy filtr w koniec przewodu odpowietrzającego.
W określonych warunkach paliwo jest łatwopalne i silnie wybuchowe. Pożar lub wybuch paliwa może skutkować poważnymi oparzeniami ciała oraz zniszczeniem mienia.
Pełną listę ostrzeżeń dotyczących paliwa można znaleźć w Uzupełnianie paliwa.
| Częstotliwość serwisowania | Procedura konserwacji |
|---|---|
| Co 500 godzin |
|
Important: Zamontuj przewody paliwowe i zamocuj opaskami z tworzywa dokładnie w taki sam sposób, w jaki zostały one poprowadzone fabrycznie, aby przewody paliwowe znajdowały się z dala od podzespołów, które mogłyby je uszkodzić.
Filtr paliwa znajduje się w pobliżu silnika, z przodu po jego lewej stronie.
Ustaw maszynę na poziomej nawierzchni, odłącz napęd ostrzy za pomocą przełącznika sterującego ostrzami (WOM) i załącz hamulec postojowy.
Przed opuszczeniem stanowiska operatora wyłącz silnik, wyjmij kluczyk zapłonu i odczekaj, aż wszystkie części ruchome się zatrzymają.
Poczekaj, aż maszyna się ochłodzi.
Zamknij zawór odcięcia paliwa znajdujący się pod fotelem.
Wymień filtr paliwa (Rysunek 51).
Note: Upewnij się, że oznaczenia na filtrze odpowiadają kierunkowi przepływu paliwa.

Otwórz zawór odcięcia paliwa.
Nie próbuj opróżniać zbiornika paliwa. Upewnij się, że autoryzowany przedstawiciel serwisowy opróżni zbiornik paliwa i przeprowadzi konserwację wszystkich komponentów układu paliwowego.
Przed przystąpieniem do naprawy maszyny odłącz akumulator. W pierwszej kolejności odłącz zacisk ujemny, a następnie dodatni. W pierwszej kolejności podłącz zacisk dodatni, a następnie ujemny.
Ładuj akumulator na otwartym, dobrze wentylowanym obszarze, z dala od źródeł iskier i ognia. Przed podłączeniem lub odłączeniem od akumulatora odłącz ładowarkę od źródła zasilania. Używaj odzieży ochronnej oraz narzędzi z izolacją.
| Częstotliwość serwisowania | Procedura konserwacji |
|---|---|
| Co miesiąc |
|
Zaciski akumulatora i metalowe narzędzia mogą powodować zwarcie z komponentami metalowymi, wywołując iskrzenie. Iskrzenie może spowodować wybuch gazów akumulatora, co grozi obrażeniami.
Podczas demontażu lub montażu akumulatora nie dopuść, aby doszło do zetknięcia się zacisków akumulatora z metalowymi częściami maszyny.
Nie dopuść, aby metalowe narzędzia spowodowały zwarcie między zaciskami akumulatora a metalowymi częściami maszyny.
Nieprawidłowo odpięcie przewodów od akumulatora może spowodować uszkodzenie maszyny i przewodów, powodując iskrzenie. Iskrzenie może spowodować wybuch gazów akumulatora, co będzie skutkowało obrażeniami ciała.
Przed odłączeniem dodatniego (czerwonego) przewodu należy zawsze odłączać ujemny (czarny) przewód akumulatora.
Przed podłączeniem ujemnego (czarnego) przewodu należy zawsze podłączyć dodatni (czerwony) przewód akumulatora.
Ustaw maszynę na poziomej nawierzchni, odłącz napęd ostrzy za pomocą przełącznika sterującego ostrzami (WOM) i załącz hamulec postojowy.
Przed opuszczeniem stanowiska operatora wyłącz silnik, wyjmij kluczyk zapłonu i odczekaj, aż wszystkie części ruchome się zatrzymają.
Wymontuj akumulator zgodnie z Rysunek 52.


Podczas ładowania akumulatora wytwarzają się gazy mogące tworzyć mieszaninę wybuchową.
Nigdy nie pal tytoniu w pobliżu akumulatora; trzymaj akumulator z dala od ognia i źródeł iskier.
Important: Dbaj o to, aby akumulator był w pełni naładowany (ciężar właściwy powinien wynosić 1,265). Jest to szczególnie istotne, aby zapobiec uszkodzeniu akumulatora, gdy temperatura spadnie poniżej 0°C.
Wyjmij akumulator z nadwozia; zobacz Wyjmowanie akumulatora.
Ładuj akumulator przez 10 do 15 minut prądem o natężeniu od 25 do 30 amperów lub przez 30 minut prądem 10 amperów.
Note: Nie dopuść do przeładowania akumulatora.
Gdy akumulator będzie w pełni naładowany, należy odłączyć ładowarkę od gniazdka elektrycznego, a następnie odłączyć przewody ładowarki od biegunów akumulatora (Rysunek 53).
Zamontuj akumulator w maszynie i podłącz przewody akumulatora; patrz Montaż akumulatora.
Note: Nie uruchamiaj maszyny z odłączonym akumulatorem, gdyż może dojść do uszkodzeń elektrycznych.

Ustaw akumulator na podstawce z biegunami zacisków znajdującymi się po przeciwnej stronie niż zbiornik hydrauliczny (Rysunek 52).
Podłącz dodatni (czerwony) przewód do dodatniego (+) zacisku akumulatora.
Podłącz ujemny (czarny) przewód oraz przewód uziemiający do ujemnego (-) zacisku akumulatora.
Note: W przypadku maszyn MyRide upewnij się, że przewód uziemiający nie ociera się o wahacz lub dolne mocowanie amortyzatora (Rysunek 55).

Zamocuj przewody za pomocą dwóch śrub, dwóch podkładek i dwóch nakrętek zabezpieczających (Rysunek 52).
Wsuń czerwoną nakładkę zacisku na dodatni (+) biegun akumulatora.
Zabezpiecz akumulator za pomocą gumowego paska (Rysunek 52).
Układ elektryczny chroniony jest przez bezpieczniki. Nie wymaga on konserwacji, ale jeśli przepali się bezpiecznik, sprawdź, czy element i obwód nie jest uszkodzony ani zwarty.
Bezpieczniki znajdują się w prawej konsoli obok fotela (Rysunek 55).
Aby wymienić bezpiecznik, wyciągnij go.
Włóż nowy bezpiecznik (Rysunek 55).

| Częstotliwość serwisowania | Procedura konserwacji |
|---|---|
| Przed każdym użyciem lub codziennie |
|
Sprawdź, czy pas bezpieczeństwa nie jest zużyty, ponacinany ani popękany oraz czy zwijacz oraz klamra pasa działają poprawnie. Uszkodzony pasek należy wymienić.
| Częstotliwość serwisowania | Procedura konserwacji |
|---|---|
| Przed każdym użyciem lub codziennie |
|
Aby uniknąć obrażeń lub śmierci spowodowanej przewróceniem, utrzymuj pałąk w całkowicie uniesionym i zablokowanym położeniu oraz zapnij pas bezpieczeństwa.
Sprawdź, czy fotel jest zamocowany do maszyny.
Upewnij się, że zarówno elementy montażowe, jak i pokrętła są w dobrym stanie.
Upewnij się, że przy całkowicie uniesionym pałąku bezpieczeństwa pokrętła są poprawnie zablokowane.
Note: Dla pełnego wskoczenia obu pokręteł na swoje miejsce konieczne może być pchnięcie do przodu lub pociągnięcie do tyłu górnej części pałąka bezpieczeństwa (Rysunek 56 oraz Rysunek 57).


Odłącz napęd ostrzy (WOM) za pomocą przełącznika służącego do sterowania nimi.
Przejedź na otwarty, płaski obszar i przesuń dźwignie sterowania jazdą w położenie NEUTRALNE ZABLOKOWANE.
Ustaw dźwignię przepustnicy w połowie zakresu pomiędzy położeniami SZYBKO i WOLNO.
Przesuń obie dźwignie sterowania jazdą do przodu do samego końca, aż dotkną ograniczników w szczelinie w kształcie litery T.
Sprawdź, w którą stronę skręca maszyna.
Jeżeli maszyna zbacza na prawo, włóż klucz trzpieniowy sześciokątny 3/16 cala w otwór dostępowy w prawym przednim panelu pokrywy i przekręć śrubę zespołu jezdnego w prawo lub w lewo, aby wyregulować skok dźwigni (Rysunek 58).
Jeżeli maszyna zbacza na lewo, włóż klucz trzpieniowy sześciokątny 3/16 cala w otwór dostępowy w prawym przednim panelu pokrywy i przekręć śrubę zespołu jezdnego w prawo lub w lewo, aby wyregulować skok dźwigni (Rysunek 58).
Jedź maszyną i sprawdź, czy w pozycji jazdy do przodu z pełną prędkością zachowuje ona tor jazdy.
Powtórz czynności regulacyjne do chwili uzyskania pożądanego ustawienia układu jezdnego.

| Częstotliwość serwisowania | Procedura konserwacji |
|---|---|
| Co 50 godzin |
|
Utrzymuj w oponach kół przednich i tylnych ciśnienie powietrza na poziomie 0,9 bar. Nierówne ciśnienie w oponach może powodować nierówne cięcie. Sprawdź ciśnienie w oponach, gdy są zimne. Pozwoli to na uzyskanie najdokładniejszego odczytu ciśnienia.

Sprawdź i dokręć nakrętki mocujące kół z momentem od 122 do 136 N∙m.
| Częstotliwość serwisowania | Procedura konserwacji |
|---|---|
| Przed każdym użyciem lub codziennie |
|
Przed każdym użyciem usuń z osłony silnika, układu wydechowego silnika oraz obszaru wokół silnika wszelkie nagromadzenia trawy, zabrudzeń lub innych zanieczyszczeń. Zapewni to odpowiednie chłodzenie i poprawną prędkość obrotową silnika oraz zmniejszy ryzyko przegrzewania się i mechanicznego uszkodzenia silnika.
| Częstotliwość serwisowania | Procedura konserwacji |
|---|---|
| Co 500 godzin |
|
Note: Postępuj zgodnie z tą procedurą zawsze, kiedy demontujesz lub wymieniasz element hamulca.
Ustaw maszynę na poziomej nawierzchni, odłącz napęd ostrzy za pomocą przełącznika sterującego ostrzami (WOM) i załącz hamulec postojowy.
Przed opuszczeniem stanowiska operatora wyłącz silnik, wyjmij kluczyk zapłonu i odczekaj, aż wszystkie części ruchome się zatrzymają.
Przygotowanie maszyny do pchania Patrz Używanie zaworów zwalniających napęd kół.
Unieś tył maszyny i oprzyj ją na podporach.
Poleganie wyłącznie na mechanicznych lub hydraulicznych podnośnikach podtrzymujących maszynę podniesioną w celu serwisowania lub konserwacji może być niebezpieczne, ponieważ podnośniki mogą nie zapewniać wystarczającego podparcia lub mogą działać nieprawidłowo, co może skutkować upadkiem maszyny i potencjalnym spowodowaniem poważnych obrażeń.
Nie należy polegać wyłącznie na podnośnikach hydraulicznych ani mechanicznych jako podparciu urządzenia. Należy stosować odpowiednie podpórki lub kozły.
Załączaj i zwalniaj hamulec postojowy, sprawdzając, czy hamulce obu kół napędzanych są załączane i zwalniane.
Jeżeli wymagane jest dokonanie regulacji, zwolnij hamulec postojowy. Wyjmij zawleczkę z trzpienia łączącego mechanizmu hamulcowego (Rysunek 60).

Sprawdź długości obu sprężyn w sposób przedstawiony na Rysunek 61. Jeżeli konieczna jest regulacja, obróć górną nakrętkę w prawo, aby skrócić sprężynę lub w lewo, aby ją wydłużyć.

Przesuń dźwignię hamulca postojowego do oporu do przodu i do dołu.
Przekręcaj trzpień łączący mechanizmu hamulcowego, aż jego koniec zrówna się z otworem w dźwigni.
Aby skrócić pręt łączący, przekręcaj nim w prawo.
Aby wydłużyć pręt łączący, przekręcaj nim w lewo.
Włóż trzpień łączący mechanizmu hamulcowego do otworu w hamulcu postojowym i zamocuj go za pomocą zawleczki. Powtórz krok 5, w razie potrzeby dokonaj regulacji.
Po zakończeniu regulacji wyjmij podpórki lub użyte podpory i opuść maszynę.
Przestaw maszynę do położenia ROBOCZEGO. Patrz Używanie zaworów zwalniających napęd kół.
| Częstotliwość serwisowania | Procedura konserwacji |
|---|---|
| Co 50 godzin |
|
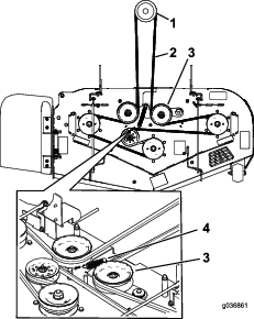
Należy wymienić zużyty pasek. Oznakami zużycia paska są: piski podczas ruchu paska, ślizganie się ostrzy podczas koszenia trawy, wystrzępione krawędzie, ślady przypalenia i pęknięcia na pasku.
Ustaw maszynę na poziomej nawierzchni, odłącz napęd ostrzy za pomocą przełącznika sterującego ostrzami (WOM) i załącz hamulec postojowy.
Przed opuszczeniem stanowiska operatora wyłącz silnik, wyjmij kluczyk zapłonu i odczekaj, aż wszystkie części ruchome się zatrzymają.
Opuść kosiarkę do położenia wysokości cięcia równego 76 mm.
Poluzuj śrubę na każdej osłonie paska.
Poluzuj dolną śrubę mocującą osłonę do jednostki tnącej, patrz Zwalnianie osłony jednostki tnącej.
Zdejmij osłonę blaszaną, patrz Demontaż osłony blaszanej.
Usuń pokrywy paska i zamocowane do nich śruby (Rysunek 62).

Zlikwiduj naprężenie sprężyny sprężynowego jałowego koła pasowego. Patrz Rysunek 64.
Note: Użyj narzędzia do demontażu sprężyny (część Toro nr 92–5771), aby zdjąć sprężynę ze słupka na podwoziu tnącym (Rysunek 64).
Zdejmij pasek z kół pasowych podwozia tnącego i koła pasowego sprzęgła.
Załóż nowy pasek wokół kół pasowych kosiarki i koła pasowego sprzęgła pod silnikiem (Rysunek 63).


Zamontuj sprężynę koła pasowego luźnego (Rysunek 63).
Note: Osadź końce sprężyny w rowkach elementów mocujących.
Zamontuj pokrywy paska i zamocowane do nich śruby (Rysunek 65).

Załóż osłonę blaszaną, patrz Demontaż osłony blaszanej.
Dokręć dolną śrubę mocujące osłonę do podwozia tnącego, patrz Zwalnianie osłony jednostki tnącej.
Ustaw maszynę na poziomej nawierzchni, odłącz napęd ostrzy za pomocą przełącznika sterującego ostrzami (WOM) i załącz hamulec postojowy.
Przed opuszczeniem stanowiska operatora wyłącz silnik, wyjmij kluczyk zapłonu i odczekaj, aż wszystkie części ruchome się zatrzymają.
Zdejmij pasek kosiarki, patrz Wymiana paska kosiarki.
Unieś maszynę i oprzyj ją na podporach (Rysunek 67).
Zdemontuj ogranicznik sprzęgła (Rysunek 66).

Odłącz sprężynę koła pasowego luźnego od słupka (Rysunek 67).
Zdejmij dotychczasowy pasek z kół pasowych hydraulicznych jednostek napędowych oraz koła pasowego silnika.
Załóż nowy pasek wokół kół pasowych silnika i dwóch kół pasowych pomp hydraulicznych (Rysunek 67).

Zamontuj ogranicznik sprzęgła (Rysunek 66).
Załóż pas kosiarki, patrz Konserwacja pasków napędowych.
Jeżeli końce dźwigni uderzają o siebie, patrz Regulacja mechanizmu sterowania jazdą.
Dla lepszego komfortu dźwignie sterowania jazdą można ustawić niżej lub wyżej.
Ustaw maszynę na poziomej nawierzchni, odłącz napęd ostrzy za pomocą przełącznika sterującego ostrzami (WOM) i załącz hamulec postojowy.
Przed opuszczeniem stanowiska operatora wyłącz silnik, wyjmij kluczyk zapłonu i odczekaj, aż wszystkie części ruchome się zatrzymają.
Zdemontuj elementy mocujące dźwignię sterowania do trzpienia ramienia sterującego.

Ustaw dźwignię sterowania w następnym zestawie otworów. Zamocuj dźwignię za pomocą elementów mocujących.
Powtórz regulację dla drugiej dźwigni sterującej
Ustaw maszynę na poziomej nawierzchni, odłącz napęd ostrzy za pomocą przełącznika sterującego ostrzami (WOM) i załącz hamulec postojowy.
Przed opuszczeniem stanowiska operatora wyłącz silnik, wyjmij kluczyk zapłonu i odczekaj, aż wszystkie części ruchome się zatrzymają.
Poluzuj górną śrubę mocującą dźwignię sterującą do trzpienia ramienia sterującego.
Poluzuj dolną śrubę tylko na tyle, aby móc obracać dźwignię sterującą do przodu i do tyłu. Dokręć obydwie śruby, aby unieruchomić dźwignię w nowym położeniu.
Powtórz regulację dla drugiej dźwigni sterującej

Po obu stronach maszyny, pod fotelem znajdują się mechanizmy sterujące pomp. Precyzyjne regulacje w celu zapobieżenia poruszaniu się maszyny w położeniu neutralnym są dokonywane poprzez obrócenie nakrętek końcowych za pomocą głębokiego klucza nasadowego ½ cala. Wszelkie regulacje należy dokonywać wyłącznie w położeniu neutralnym.
Aby przeprowadzić regulację sterowania jazdą, silnik musi być włączony, a koła napędowe muszą się obracać. Dotknięcie ruchomych części lub gorących powierzchni może spowodować obrażenia.
Palce, ręce i odzież muszą znajdować się z dala od obracających się elementów i gorących powierzchni.
Ustaw maszynę na poziomej nawierzchni, odłącz napęd ostrzy za pomocą przełącznika sterującego ostrzami (WOM) i załącz hamulec postojowy.
Przed opuszczeniem stanowiska operatora wyłącz silnik, wyjmij kluczyk zapłonu i odczekaj, aż wszystkie części ruchome się zatrzymają.
Wciśnij pedał podnoszenia podwozia, wyjmij sworzeń wysokości koszenia i opuść podwozie kosiarki do podłoża.
Unieś tył maszyny i podeprzyj go podporami (lub innymi podpórkami) nie wyżej niż na takiej wysokości, aby koła napędowe mogły się swobodnie obracać.
Odłącz przewody od czujnika bezpieczeństwa fotela znajdującego się pod siedziskiem.
Note: Przełącznik wchodzi w skład zespołu fotela.
Zainstaluj tymczasowo przewód zwierający między wyprowadzeniami złącza głównej wiązki przewodów.
Uruchom silnik i ustaw przepustnicę w pozycji maksymalnych obrotów, a następnie zwolnij hamulec postojowy.
Note: Przed uruchomieniem silnika, upewnij się, że hamulec postojowy jest załączony, a dźwignie sterowania jazdą są w położeniu odłączonego napędu. Nie musisz siedzieć w fotelu.
Zostaw silnik pracujący przez co najmniej 5 minut z dźwigniami sterowania jazdą ustawionymi w położeniu pełnej szybkości jazdy do przodu, aby olej hydrauliczny osiągnął temperaturę roboczą.
Note: Podczas przeprowadzania regulacji dźwignie sterowania jazdą muszą znajdować się w położeniu neutralnym.
Ustaw dźwignie sterowania jazdą w położeniu NEUTRALNYM.
Sprawdź i upewnij się, że wypustki płyty sterującej dotykają płyt powrotu do położenia neutralnego na jednostkach hydraulicznych.
Wyreguluj długości prętów sterujących pompami, obracając nakrętkę w odpowiednim kierunku, aż koła zaczną powoli obracać się do tyłu (patrz Rysunek 70).

Ustaw dźwignie sterowania jazdą w położeniu JAZDY DO TYłU i naciskając lekko dźwignię, pozwól, aby sprężyny wskaźnika biegu wstecznego przesunęły dźwignie z powrotem do położenia neutralnego.
Note: Koło powinno przestać się obracać lub przestać lekko pełzać podczas jazdy do tyłu.
Note: W celu uzyskania dostępu konieczne może być zdjęcie pokrywy dźwigni sterowania jazdą.
Wyłącz maszynę.
Usuń przewód zwierający ze złącza wiązki przewodów i podłącz złącze do przełącznika fotela.
Usuń podpory.
Unieś podwozie tnące kosiarki i włóż sworzeń wysokości koszenia.
Sprawdź i upewnij się, że po zwolnieniu hamulca postojowego i ustawieniu dźwigni w położeniu neutralnym maszyna nie zaczyna powoli jechać.
Jeśli płyn przedostanie się pod skórę, natychmiast wezwij pomoc medyczną. Olej wstrzyknięty pod skórę musi zostać usunięty chirurgicznie w ciągu kilku najbliższych godzin przez lekarza.
Przed podaniem ciśnienia na układ hydrauliczny upewnij się, że wszystkie jego przewody i węże są w dobrym stanie, a połączenia/złączki – szczelne.
Operator musi znajdować się w bezpiecznej odległości od wycieków z otworów sworzni lub dysz, które wyrzucają olej hydrauliczny pod dużym ciśnieniem.
Używaj kartonu lub papieru, aby sprawdzić wycieki hydrauliczne.
Przed przystąpieniem do jakichkolwiek czynności związanych z układem hydraulicznym w bezpieczny sposób uwolnij całe ciśnienie z układu.
Typ oleju hydraulicznego: olej hydrauliczny Toro® HYPR-OIL™ 500 lub Mobil 1 15W-50.
Important: Używaj zalecanego rodzaju oleju. Inne płyny mogą uszkodzić układ hydrauliczny.
Pojemność układu hydraulicznego (ze zdemontowanymi filtrami): 4,45 l
| Częstotliwość serwisowania | Procedura konserwacji |
|---|---|
| Przed każdym użyciem lub codziennie |
|
Poczekaj, aż olej hydrauliczny ostygnie. Po ostygnięciu sprawdź poziom oleju.
Sprawdź zbiornik wyrównawczy, w razie potrzeby dolej oleju hydraulicznego Toro® HYPR-OIL™ 500 tak, aby osiągnął poziom znaku PEŁNY, ZIMNO.

| Częstotliwość serwisowania | Procedura konserwacji |
|---|---|
| Po pierwszych 75 godzinach |
|
| Co 250 godzin |
|
| Co 500 godzin |
|
W celu wymiany oleju hydraulicznego zdemontuj filtry. Wymieniaj oba filtry jednocześnie. Zapoznaj się ze specyfikacją oleju, którą można znaleźć w Demontaż filtrów w układzie hydraulicznym.
Po zamontowaniu nowych filtrów i wlaniu nowego oleju odpowietrz układ. Patrz Odpowietrzaniem układu hydraulicznego. Powtarzaj proces odpowietrzania, aż po przepłukaniu olej pozostanie na poziomie znaku PEłNY ZIMNY zbiornika. Niewłaściwe wykonanie tej procedury może doprowadzić do nienaprawialnego uszkodzenia układu przekładni napędowej.
Ustaw maszynę na poziomej nawierzchni, odłącz napęd ostrzy za pomocą przełącznika sterującego ostrzami (WOM) i załącz hamulec postojowy.
Przed opuszczeniem stanowiska operatora wyłącz silnik, wyjmij kluczyk zapłonu i odczekaj, aż wszystkie części ruchome się zatrzymają.
Poczekaj, aż silnik ostygnie.
Zlokalizuj filtr i osłony na każdym z układów przekładnia-napęd (Rysunek 72).
Odkręcić 3 śruby mocujące osłonę filtra i osłonę (Rysunek 72).

Ostrożnie oczyść obszar wokół filtrów.
Important: Chroń układ hydrauliczny przed dostaniem się zanieczyszczeń, w przeciwnym wypadku zostanie on zabrudzony.
Umieść miskę spustową pod filtrem, aby zebrać olej spływający po wykręceniu filtra i korka odpowietrzającego.
Znajdź i wykręć korek odpowietrzenia na każdej przekładni
Odkręć filtr w celu zdemontowania i poczekaj, aż olej spłynie z układu napędu.
Powtórz tę procedurę dla obydwu filtrów.
Posmaruj powierzchnię gumowej uszczelki w każdym filtrze cienką warstwą oleju hydraulicznego.
Przekręcaj filtr zgodnie z ruchem wskazówek zegara do momentu, aż gumowa uszczelka zetknie się z adapterem filtra, a następnie dokręć filtr o dodatkowe od ¾ do 1 pełnego obrotu.
Powtórz dla filtra po przeciwnej stronie.
Załóż zdemontowane wcześniej osłony filtrów wokół każdego z filtrów.
Zamocuj osłony filtrów za pomocą 3 śrub.
Przed dolaniem oleju upewnij się, że korki odpowietrzające są wykręcone.
Powoli wlewaj olej zalecanego typu do momentu, gdy zacznie wypływać z jednego z otworów odpowietrzających.
Wkręć korek w otwór odpowietrzający.
Dokręć korek z momentem 20 N∙m.
Dolewaj olej do zbiornika wyrównawczego do momentu, gdy olej zacznie wypływać z drugiego z otworów odpowietrzających na drugiej przekładni.
Wkręć korek odpowietrzający po drugiej stronie.
Dokręć korek z momentem 20 N∙m.
Dolewaj olej do zbiornika wyrównawczego do momentu osiągnięcia poziomu znaku PEłNY ZIMNY na zbiorniku wyrównawczym.
Przejdź do Odpowietrzaniem układu hydraulicznego.
Important: Niewykonanie procedury Odpowietrzanie układu hydraulicznego po wymianie oleju hydraulicznego i filtrów może doprowadzić do nienaprawialnego uszkodzenia układu przekładni napędowych.

Unieś tył maszyny i podeprzyj go podporami (lub innymi podpórkami) nie wyżej niż na takiej wysokości, aby koła napędowe mogły się swobodnie obracać.

Uruchom silnik, przesuń dźwignię przepustnicy do połowy skoku i zwolnij hamulec postojowy.
Przestaw dźwignie obejścia do pozycji pchania maszyny. Przy otwartych zaworach obejścia i pracującym silniku powoli przesuwaj dźwignie sterujące jazdą 5 do 6 razy w kierunku jazdy do przodu oraz do tyłu.
Przestaw dźwignie obejścia do pozycji używania maszyny.
Przy zamkniętych zaworach obejścia i pracującym silniku, powoli przesuwaj dźwignię sterującą 5 do 6 razy w kierunku jazdy do przodu oraz do tyłu.
Wyłącz silnik i sprawdź poziom oleju w zbiorniku wyrównawczym. Wlej olej zalecanego typu do momentu osiągnięcia poziomu znaku PEłNY ZIMNY na zbiorniku wyrównawczym.
Powtórz krok 2, aż całe powietrze zostanie całkowicie usunięte z układu.
Note: Prawidłowe odpowietrzenie można poznać po normalnym poziomie hałasu podczas pracy przekładni oraz płynnej jeździe do przodu i do tyłu z normalną prędkością.
Po raz ostatni sprawdź poziom oleju w zbiorniku wyrównawczym. Wlej olej zalecanego typu do momentu osiągnięcia poziomu znaku PEłNY ZIMNY na zbiorniku wyrównawczym.
Uszkodzone lub zużyte ostrze może się złamać, a jego kawałki mogą być wyrzucone w kierunku operatora lub osób postronnych powodując poważne obrażenia ciała lub śmierć. Próba naprawy uszkodzonego ostrza może skutkować unieważnieniem certyfikatu bezpieczeństwa produktu.
Regularnie sprawdzaj ostrza pod kątem zużycia i uszkodzeń.
Podczas sprawdzania stanu ostrzy zachowaj szczególną ostrożność. Na czas wykonywania czynności serwisowych owiń ostrza lub załóż rękawice i zachowaj ostrożność. Ostrza należy wymienić lub naostrzyć, nie wolno ich prostować ani spawać.
Zachowaj szczególną ostrożność w przypadku maszyn wieloostrzowych, ponieważ obrót jednego ostrza może spowodować obracanie się innych ostrzy.
Ustaw maszynę na poziomej nawierzchni, odłącz napęd ostrzy za pomocą przełącznika sterującego ostrzami (WOM) i załącz hamulec postojowy.
Wyłącz silnik, wyjmij kluczyk zapłonu i odłącz przewody od świec zapłonowych.
| Częstotliwość serwisowania | Procedura konserwacji |
|---|---|
| Przed każdym użyciem lub codziennie |
|
Sprawdź krawędzie tnące (Rysunek 75).
Jeżeli krawędzie nie są ostre lub mają wyszczerbienia, zdejmij i naostrz ostrze; patrz Ostrzenie ostrzy.
Sprawdź ostrza, a w szczególności ich wygięty obszar.
Jeżeli zauważysz jakiekolwiek pęknięcia, zużycie lub szczeliny powstające w tym obszarze, natychmiast zamontuj nowe ostrze (Rysunek 75).

Note: Poniższa procedura wymaga ustawienia maszyny na poziomym podłożu.
Unieś podwozie tnące na najwyższą wysokość koszenia.
Korzystając z grubych rękawic lub innej ochrony dłoni, powoli obracaj ostrzem i ustaw je w pozycji, w której będzie można zmierzyć odległość między krawędzią tnącą a poziomą powierzchnią, na której stoi maszyna (Rysunek 76).

Zmierz odległość od końcówki ostrza do płaskiej powierzchni (Rysunek 77).

Obróć to samo ostrze o 180 stopni tak, aby w pozycji mierzenia znalazła się przeciwległa krawędź tnąca (Rysunek 78).

Zmierz odległość od końcówki ostrza do płaskiej powierzchni (Rysunek 79).
Note: Różnica nie może być większa niż 3 mm.

Jeżeli różnica między A a B jest większa niż 3 mm, ostrze należy wymienić na nowe; patrz Demontaż ostrzy oraz Montaż ostrzy.
Note: Jeżeli po wymianie zgiętego ostrza na nowe uzyskiwana różnica wymiarów nadal będzie przekraczać 3 mm, prawdopodobnie zgięta jest oś wrzeciona ostrza. Skontaktuj się z przedstawicielem autoryzowanego serwisu, aby przeprowadzić przegląd.
Jeżeli różnica mieści się w granicach tolerancji, dokonaj pomiaru dla kolejnego ostrza.
Powtórz powyższe kroki dla każdego ostrza.
Wymień ostrza, jeżeli uderzą w twardy przedmiot, są niewyważone lub wygięte.
Przytrzymaj kluczem wał wrzeciona.
Odkręć śrubę ostrza, podkładkę wygiętą i zdejmij ostrze z wału wrzeciona (Rysunek 80).

Użyj pilnika w celu naostrzenia krawędzi tnącej na obu końcach każdego ostrza (Rysunek 81).
Note: Zachowaj oryginalny kąt ostrza.
Note: Ostrze będzie wyważone, jeśli usuniesz tę samą ilość materiału z obu krawędzi tnących.

Sprawdź wyważenie ostrza, układając je na równoważniku ostrzy (Rysunek 82).
Note: Jeżeli ostrze pozostaje w położeniu poziomym, wówczas jest wyważone i można je stosować.
Note: Jeżeli ostrze nie jest wyważone, spiłuj nieco metalu z obszaru łopatki (Rysunek 81).

Powtarzaj tę procedurę do momentu wyważenia ostrza.
Zamontuj ostrze na wale wrzeciona (Rysunek 80).
Important: Aby zapewnić poprawne koszenie, wygięta część ostrza musi być skierowana w górę po stronie wnętrza kosiarki.
Zamontuj podkładkę wygiętą i śrubę ostrza (Rysunek 80).
Note: Zamontuj stożek podkładki wygiętej w stronę łba śruby.
Dokręć śrubę ostrza momentem od 115 do 150 N∙m.
Zawsze po montażu kosiarki lub w razie zauważenia nierównomiernie skoszonych obszarów na trawniku upewnij się, że podwozie tnące jest ustawione poziomo.
Przed wypoziomowaniem podwozia tnącego należy sprawdzić, czy ostrza nie są wygięte. Przed kontynuowaniem należy zdemontować i wymienić wszystkie wygięte ostrza na nowe; patrz Sprawdzanie ostrzy po kątem zagięcia.
Wykonaj poziomowanie poprzeczne podwozia tnącego przed przystąpieniem do dostosowania przechyłu wzdłużnego.
Wymagania:
Maszyna musi stać na poziomej nawierzchni.
Wszystkie opony muszą być napompowane do prawidłowego ciśnienia; patrz Sprawdzanie ciśnienia w oponach.
Ustaw maszynę na poziomej nawierzchni, odłącz napęd ostrzy za pomocą przełącznika sterującego ostrzami (WOM) i załącz hamulec postojowy.
Przed opuszczeniem stanowiska operatora wyłącz silnik, wyjmij kluczyk zapłonu i odczekaj, aż wszystkie części ruchome się zatrzymają.
Sprawdź ciśnienie w oponach kół napędowych. Patrz Sprawdzanie ciśnienia w oponach.
Ustaw podwozie tnące w pozycji blokady transportowej.
Ostrożnie przekręć ostrza tak, aby były ustawione poprzecznie.
Zmierz odległość między końcówką ostrza a poziomą powierzchnią (Rysunek 83). Jeżeli pomiary różnią się o więcej niż 5 mm, wymagane jest dokonanie regulacji wypoziomowania, którą należy wykonać zgodnie z poniższą procedurą.


Sprawdź wypoziomowanie wzdłużne ostrzy (Rysunek 84). Upewnij się, że przedni koniec ostrza znajduje się niżej niż tylny koniec ostrza, zgodnie z tabelą wysokości i podcięcia klocka. Jeżeli wymagana jest regulacja, wykonuj dalsze czynności tej procedury.

W celu wykonania tej regulacji ustaw rolki zapobiegające zdzieraniu darni w górnych otworach lub zdemontuj je.
Umieść 2 klocki (zob. poniższa tabela) pod tylną krawędzią fartucha podwozia tnącego, po jednym na każdą stronę podwozia tnącego (Rysunek 85).
Ustaw dźwignię wysokości koszenia w pozycji 76 mm.
Umieść dwa klocki po obu stronach przedniej krawędzi jednostki tnącej, ale nie pod rolkami zapobiegającymi zdzieraniu darni lub spoinami.

| Podwozie tnące Wielkość | Wysokość klocka | Podcięcie |
| Wszystkie podwozia kosiarek | 7,3 cm | 4,8 do 6,4 mm |
Ostrożnie ustaw ostrza poprzecznie (Rysunek 83).
Poluzuj nakrętki zabezpieczające (Rysunek 86) w każdym z 4 naroży i upewnij się, że podwozie tnące spoczywa bezpiecznie na każdym z 4 klocków.
Zlikwiduj luzy na wieszakach jednostki tnącej i upewnij się, że dźwignia pedału podnoszenia podwozia tnącego jest całkowicie dociśnięta do ogranicznika.
Dokręć 4 nakrętki zabezpieczające.

Upewnij się, że klocki siedzą pewnie pod fartuchem podwozia tnącego i wszystkie śruby mocujące są mocno dokręcone
Kontynuuj poziomowanie podwozia tnącego poprzez sprawdzenie pochylenia wzdłużnego ostrza.
Sprawdź wypoziomowanie ostrzy, w razie potrzeby powtórz procedurę poziomowania jednostki tnącej.
Ustaw maszynę na poziomej nawierzchni, odłącz napęd ostrzy za pomocą przełącznika sterującego ostrzami (WOM) i załącz hamulec postojowy.
Wyłącz silnik, wyjmij kluczyk zapłonu i odłącz przewody od świec zapłonowych.
Włóż sworzeń wysokości koszenia w położenie odpowiadające wysokości koszenia 7,6 cm.
Usuń pokrywy paska.
Poluzuj jałowe koło pasowe podwozia tnącego i zdejmij pasek kosiarki, patrz Konserwacja pasków napędowych.
Wykręć śruby i nakrętki przy przedniej krawędzi płyty pod podnóżkiem.
Odkręć śruby i nakrętki po obu stronach maszyny i zachowaj je (Rysunek 87).

Wysuń jednostkę tnącą spod prawej strony maszyny.
Niezasłonięty otwór wyrzutowy może spowodować, że maszyna będzie wyrzucać przedmioty w kierunku operatora lub osób postronnych, powodując poważne urazy. Może również nastąpić kontakt z ostrzem.
Nie używaj maszyny bez zamocowanej płyty rozdrabniacza, deflektora wyrzutowego lub układu zbierania trawy.
Odkręć przeciwnakrętkę, śrubę, sprężynę i element dystansowy mocujące deflektor do wsporników osi obrotu (Rysunek 88).
Usuń uszkodzony lub zużyty deflektor trawy (Rysunek 88).

Umieść element dystansowy i sprężynę na deflektorze trawy.
Zahacz jeden z końców sprężyny w kształcie litery J za krawędź obudowy jednostki tnącej.
Note: Przed przykręceniem śruby upewnij się, że koniec sprężyny w kształcie literyJ jest zaczepiony za krawędź obudowy jednostki tnącej (zob. Rysunek 88).
Zamocuj śrubę i nakrętkę.
Umieść jeden z końców sprężyny z zaczepem w kształcie litery J wokół deflektora trawy (Rysunek 88).
Important: Deflektor trawy musi mieć możliwość obrotu. Unieś deflektor do pozycji pełnego otwarcia, aby sprawdzić, czy opuści się do samego końca.
| Częstotliwość serwisowania | Procedura konserwacji |
|---|---|
| Przed każdym użyciem lub codziennie |
|
Ustaw maszynę na poziomej nawierzchni, odłącz napęd ostrzy za pomocą przełącznika sterującego ostrzami (WOM) i załącz hamulec postojowy.
Przed opuszczeniem stanowiska operatora wyłącz silnik, wyjmij kluczyk zapłonu i odczekaj, aż wszystkie części ruchome się zatrzymają.
Unieś podwozie tnące kosiarki do położenia TRANSPORTOWEGO.
Wyczyść system zawieszenia przy pomocy sprężonego powietrza.
Note: Zespołów amortyzujących nie wolno myć wodą pod ciśnieniem (Rysunek 89).

Olej silnikowy, akumulatory, olej hydrauliczny oraz płyn chłodzący mogą zanieczyścić środowisko. Usuwaj je zgodnie z lokalnymi przepisami.
Przed przechowywaniem sprzętu wyłącz silnik, wyjmij kluczyk i zaczekaj, aż wszystkie elementy ruchome się zatrzymają, a maszyna ostygnie.
Nie wolno przechowywać maszyny ani paliwa w pobliżu ognia ani spuszczać paliwa w pomieszczeniu.
Wyjmij kluczyk i umieść go w bezpiecznym miejscu niedostępnym dla dzieci.
Ustaw przełącznik sterowania ostrzem (WOM) w pozycji rozłączenia i załącz hamulec postojowy.
Przed opuszczeniem stanowiska operatora wyłącz silnik, wyjmij kluczyk zapłonu i odczekaj, aż wszystkie części ruchome się zatrzymają.
Usuń pozostałości trawy, zanieczyszczenia i zabrudzenia z zewnętrznych elementów maszyny, zwłaszcza z silnika i układu hydraulicznego. Usuń zanieczyszczenia i plewy z zewnętrznej części żeberek głowicy cylindra silnika i obudowy dmuchawy.
Important: Maszynę można umyć za pomocą delikatnego środka czyszczącego i wody. Zabrania się mycia za pomocą urządzeń ciśnieniowych. Unikaj stosowania nadmiernej ilości wody, zwłaszcza w pobliżu panelu sterowania, silnika, pomp hydraulicznych i silników elektrycznych.
Sprawdź działanie hamulca postojowego, patrz Regulacja hamulca postojowego.
Oczyść filtr powietrza; patrz Konserwacja oczyszczacza powietrza.
Nasmaruj maszynę; patrz Smarowanie.
Wymień olej przekładniowy; patrz Wymiana oleju silnikowego.
Sprawdź ciśnienie w oponach; patrz Sprawdzanie ciśnienia w oponach.
Wymień filtry oleju hydraulicznego; patrz Wymiana oleju hydraulicznego i filtrów.
Naładuj akumulator; patrz Ładowanie akumulatora.
Usuń całą nagromadzoną trawę i zanieczyszczenia ze spodniej części kosiarki, a następnie umyj kosiarkę wężem ogrodowym.
Note: Po umyciu uruchom maszynę z załączonym przełącznikiem sterowania ostrzem (WOM) i pozostaw maszynę na 2 do 5 minut na wysokich obrotach biegu jałowego silnika.
Sprawdź stan ostrzy; patrz Konserwacja ostrzy tnących.
Jeśli maszyna ma być przechowywana przez ponad 30 dni, należy ją odpowiednio przygotować. Przygotuj maszynę do przechowywania w następujący sposób:
Do paliwa w zbiorniku dodaj środek stabilizujący/dodatek uszlachetniający na bazie ropy naftowej. Przestrzegaj instrukcji mieszania podanych przez producenta środka stabilizującego. Nie stosuj środka stabilizującego na bazie alkoholu (etanolu lub metanolu).
Note: Środek stabilizujący/kondycjonujący jest najskuteczniejszy, gdy zostanie wymieszany ze świeżym paliwem i będzie stosowany przez cały czas.
Uruchom silnik na 5 minut w celu rozprowadzenia paliwa z dodatkiem uszlachetniającym w układzie paliwowym.
Wyłącz silnik, poczekaj, aż ostygnie, i opróżnij zbiornik paliwa.
Uruchom silnik i zostaw uruchomiony, aż się zatrzyma.
Odpowiednio usuń paliwo. Utylizacji paliwa dokonaj zgodnie z lokalnymi przepisami kodeksów.
Important: Paliwa z dodatkiem środka stabilizującego/uszlachetniającego nie przechowuj dłużej niż okres zalecany przez producenta środka stabilizującego.
Zdemontuj i sprawdź stan iskier zapłonowych; patrz Konserwacja świecyzapłonowej. Po wykręceniu świec zapłonowych z silnika wlej dwie łyżki stołowe (30 ml) oleju silnikowego przez otwór po świecy zapłonowej. Następnie użyj rozrusznika, aby obracać wałem korbowym silnika i rozprowadzić olej wewnątrz cylindra. Zamontuj świece zapłonowe. Nie podłączaj przewodów do świec zapłonowych.
Sprawdzić i dokręcić wszystkie śruby, nakrętki i wkręty. Napraw lub wymień wszystkie części, które są uszkodzone.
Pomalować miejsca, z których farba została usunięta. Farba jest dostępna u autoryzowanego przedstawiciela serwisowego.
Przechowywać maszynę w czystym i suchym garażu lub innym miejscu tego typu. Wyjmij kluczyk ze stacyjki i umieść go w miejscu niedostępnym dla dzieci lub innych nieupoważnionych użytkowników. Przykryj maszynę w celu jej zabezpieczenia i utrzymania w czystości.
| Problem | Possible Cause | Corrective Action |
|---|---|---|
| Przegrzewanie się silnika. |
|
|
| Rozrusznik nie działa. |
|
|
| Silnik nie uruchamia się, dławi się lub po chwili gaśnie. |
|
|
| Silnik traci moc. |
|
|
| Kosiarka zbacza w lewo lub w prawo (przy dźwigniach sterowania jazdą wychylonych maksymalnie do przodu). |
|
|
| Maszyna nie jedzie. |
|
|
| Maszyna zaczyna nieprawidłowo drgać. |
|
|
| Nierówna wysokość koszenia. |
|
|
| Ostrza się nie obracają. |
|
|
| Sprzęgło nie daje się załączyć. |
|
|
