| Intervalo de mantenimiento y servicio | Procedimiento de mantenimiento |
|---|---|
| Cada vez que se utilice o diariamente |
|
Este cortacésped con conductor de cuchillas rotativas está diseñado para que lo utilicen operadores profesionales contratados. Está diseñado principalmente para segar césped bien mantenido en zonas verdes residenciales o comerciales.
Lea este manual detenidamente para aprender a utilizar y mantener correctamente su producto, y para evitar lesiones y daños al producto. Usted es responsable de utilizar el producto de forma correcta y segura.
Visite www.Toro.com para buscar materiales de formación y seguridad o información sobre accesorios, para localizar un distribuidor o para registrar su producto.
Cuando necesite asistencia técnica, piezas genuinas Toro o información adicional, póngase en contacto con un Servicio Técnico Autorizado o con Asistencia al Cliente de Toro, y tenga a mano los números de modelo y serie de su producto. Figura 1 identifica la ubicación de los números de modelo y serie en el producto. Escriba los números en el espacio provisto.
Important: Con su dispositivo móvil, puede escanear el código QR (en su caso) de la pegatina del número de serie para acceder a información sobre la garantía, las piezas, y otra información sobre el producto.

Este manual utiliza 2 palabras más para resaltar información. Importante llama la atención sobre información mecánica especial, y Nota resalta información general que merece una atención especial.
Este producto cumple todas las directivas europeas aplicables; si desea más detalles, consulte la Declaración de Conformidad (Declaration of Conformity – DOC) de cada producto.
Vaya a www.Toro.com para ver las especificaciones correspondientes a su modelo.
Par bruto o neto: El par bruto o neto de este motor lo calculó el fabricante del motor con arreglo a lo estipulado en el documento J1940 o J2723 de la Society of Automotive Engineers (Sociedad de Ingenieros del Automóvil – SAE). Debido a que el motor está configurado para cumplir los requisitos de seguridad, emisiones y operación, su potencia real en este tipo de cortacésped será significativamente menor. Consulte la información del fabricante del motor incluida con la máquina.
Important: Si se utiliza una máquina con motor Toro a una altitud superior a 1500 m durante un periodo de tiempo prolongado, asegúrese de instalar el Kit de gran altitud para que la máquina cumpla las normas de emisiones de EPA/CARB. El Kit de gran altitud mejora las prestaciones del motor y evita el ensuciamiento de las bujías, las dificultades en el arranque, y el incremento de las emisiones. Después de instalar el kit, aplique la pegatina de gran altitud junto a la pegatina que lleva el número de serie de la máquina. Póngase en contacto con cualquier Servicio Técnico Autorizado Toro para adquirir el Kit de gran altitud y la pegatina de gran altitud correctos para su máquina. Para localizar un distribuidor cerca de usted, visite nuestra página web www.toro.com o póngase en contacto con el Departamento de Asistencia al Cliente Toro usando el número que figura en su Declaración de garantía de control de emisiones.Retire el kit del motor y restablezca la configuración original de fábrica antes de utilizar el motor por debajo de los 1500 m. No haga funcionar un motor convertido para gran altitud a altitudes menores; si lo hace, podría sobrecalentar y dañar el motor.Si no está seguro de si la máquina ha sido convertida para funcionar a gran altitud, busque la pegatina siguiente (Figura 2).

Esta máquina ha sido diseñada con arreglo a lo estipulado en la norma EN ISO 5395:2013.
Este símbolo de advertencia de seguridad (Figura 3) se utiliza tanto en este manual como en la máquina para identificar mensajes de seguridad importantes que deben seguirse con el fin de evitar accidentes.
Este símbolo significa: ¡ATENCIÓN! MANTÉNGASE ALERTA. SU SEGURIDAD ESTÁ EN JUEGO.

El símbolo de advertencia de seguridad aparece encima de información que le avisa de situaciones o acciones no seguras e irá seguido del término PELIGRO, ADVERTENCIA, o PRECAUCIÓN.
PELIGRO: Indica una situación peligrosa inminente que, si no se evita, provocará la muerte o lesiones graves.
ADVERTENCIA: Indica una situación potencialmente peligrosa que, si no se evita, podría producir la muerte o lesiones graves.
PRECAUCIÓN: Indica una situación potencialmente peligrosa que, si no se evita, puede producir lesiones menores o moderadas.
Este manual utiliza dos palabras más para resaltar información. Importante llama la atención sobre información mecánica especial, y Nota resalta información general que merece una atención especial.
Esta máquina puede amputar manos y pies, así como lanzar objetos al aire. Toro ha diseñado y probado este cortacésped para ofrecer un servicio razonablemente seguro. No obstante, si no se siguen las instrucciones de seguridad podrían producirse lesiones o la muerte.
Lea, comprenda y siga todas las instrucciones y las advertencias del Manual del operador y otro material de formación, en la máquina, en el motor y en los accesorios. Todos los operadores y mecánicos deben recibir una formación adecuada. Si el o los operadores o mecánicos no saben leer en el idioma de este manual, es responsabilidad del propietario explicarles este material. En nuestro sitio web pueden estar disponibles los materiales en otros idiomas.
Permita que utilicen la máquina únicamente los operadores formados, responsables y físicamente capaces que estén familiarizados con el funcionamiento seguro, los controles del operador y las señales instrucciones de seguridad. No deje nunca que el equipo sea utilizado o mantenido por niños o por personas que no hayan recibido la formación adecuada al respecto. La normativa local puede imponer límites sobre la edad del operador.
Mantenga siempre la barra antivuelco en la posición de totalmente elevada y bloqueada, y utilice el cinturón de seguridad.
No utilice la máquina cerca de terraplenes, fosas, taludes, agua, u otros peligros, o en pendientes de más de 15 grados.
No coloque las manos o los pies cerca de componentes en movimiento de la máquina.
No utilice nunca la máquina si los protectores, las defensas o las cubiertas presentan daños. Coloque siempre las defensas, los protectores, los interruptores y otros dispositivos y manténgalos en condiciones óptimas de funcionamiento.
Pare la máquina, apague el motor y retire la llave antes de realizar tareas de mantenimiento o repostaje, y antes de eliminar obstrucciones en la máquina.

![]() |
Las pegatinas de seguridad e instrucciones están a la vista del operador y están ubicadas cerca de cualquier zona de peligro potencial. Sustituya cualquier pegatina que esté dañada o que falte. |



























Familiarícese con todos los controles antes de poner en marcha el motor y trabajar con la máquina.

El interruptor de encendido, que se utiliza para arrancar y apagar el motor, tiene tres posiciones: DESCONECTADO, MARCHA y ARRANQUE. Consulte Cómo arrancar el motor.
Utilice el control del estárter para poner en marcha un motor frío.
El acelerador controla la velocidad del motor y tiene un ajuste variable continuo de LENTO a RáPIDO (Figura 6).
El mando de control de las cuchillas, representado por un símbolo de toma de fuerza (TDF), engrana y desengrana la transmisión de potencia a las cuchillas del cortacésped (Figura 6).
El contador de horas registra el número de horas de operación de la máquina. Funciona cuando el motor está en marcha. Utilice el recuento de horas para programar el mantenimiento regular (Figura 7).

Hay una serie de símbolos en el contador de horas que indican con un triángulo negro si el componente de seguridad está en la posición correcta (Figura 7).
Si se gira el interruptor de encendido a la posición de CONECTADO durante unos segundos, se mostrará el voltaje de la batería en la zona en que normalmente se muestra el contador de horas.
La luz de la batería se enciende al accionarse el interruptor de contacto y cuando la carga está por debajo del nivel correcto de operación (Figura 7).
Utilice las palancas de control de movimiento para conducir la máquina hacia adelante y hacia atrás y para girar en ambos sentidos (Figura 5).
Mueva las palancas de control de movimiento hacia fuera, desde la posición central a la posición de BLOQUEO/PUNTO MUERTO antes de bajarse de la máquina (Figura 25). Ponga siempre las palancas de control de movimiento en posición de BLOQUEO/PUNTO MUERTO cuando pare la máquina o antes de dejarla desatendida.
Cada vez que se apaga el motor, accione el freno de estacionamiento para evitar que la máquina se desplace accidentalmente.
Cierre la válvula de cierre de combustible antes de transportar o almacenar la máquina; consulte Uso de la válvula de cierre de combustible.
Note: Las especificaciones y diseños están sujetos a modificación sin previo aviso.
| Carcasa de corte de 122 cm | Carcasa de corte de 132 cm | |
|---|---|---|
| Sin carcasa de corte | 121 cm | 124 cm |
| Deflector elevado | 133 cm | 144 cm |
| Deflector bajado | 160 cm | 171 cm |
| Carcasa de corte de 122 cm | Carcasa de corte de 132 cm | |
|---|---|---|
| Longitud | 208 cm | 208 cm |
| Barra antivuelco – elevada | Barra antivuelco – bajada |
|---|---|
| 179 cm | 125 cm |
| Máquinas | Peso |
| Máquinas de descarga lateral de 122 cm | 385 a 425 kg |
| Máquinas de descarga lateral de 132 cm | 391 a 434 kg |
Está disponible una selección de aperos y accesorios homologados por Toro que se pueden utilizar con la máquina a fin de potenciar y aumentar sus prestaciones. Póngase en contacto con su servicio técnico autorizado o con su distribuidor Toro autorizado, o bien visite www.Toro.com para obtener una lista de todos los aperos y accesorios homologados.
Para asegurar un rendimiento óptimo y mantener la certificación de seguridad de la máquina, utilice solamente piezas y accesorios genuinos Toro. Las piezas de repuesto y accesorios de otros fabricantes podrían ser peligrosos, y su uso podría invalidar la garantía del producto.
Note: Los lados derecho e izquierdo de la máquina se determinan desde la posición normal del operador.
Evalúe el terreno para determinar los accesorios y aperos necesarios para realizar el trabajo de manera correcta y segura. Utilice solamente los accesorios y aperos aprobados por Toro.
Inspeccione la zona en la que va a utilizar el equipo y retire cualquier piedra, juguete, palo, alambre, hueso u otro objeto extraño, ya que pueden ser arrojados o interferir con el funcionamiento de la máquina y pueden producir lesiones personales al operador o a otras personas.
Lleve equipos de protección personal adecuados, como gafas de seguridad, calzado resistente y antideslizante y protección auditiva. Si tiene el pelo largo, recójaselo y evite llevar prendas o joyas sueltas que puedan enredarse en las piezas en movimiento.
Esta máquina produce niveles sonoros que superan los 85 dBA en el oído del operador, que pueden causar pérdidas auditivas en caso de periodos extendidos de exposición.
Lleve protección auditiva mientras opera esta máquina.
Compruebe que los controles de presencia del operador, los interruptores de seguridad y los protectores de seguridad están instalados y que funcionan correctamente. No opere la máquina si no funcionan correctamente.
No utilice el cortacésped si se encuentran otras personas, especialmente niños, o animales en las inmediaciones. Pare la máquina y los accesorios si alguien entra en la zona.
No utilice la máquina sin el sistema completo de recogida de hierba, el deflector de descarga u otros dispositivos de seguridad colocados y en condiciones óptimas de funcionamiento. Los componentes del recogehierbas están sujetos a desgaste, daños y deterioro, lo que podría dejar expuestas las piezas móviles o permitir la expulsión de objetos hacia el exterior. Compruebe con frecuencia los componentes desgastados o deteriorados y sustitúyalos por piezas recomendadas por el fabricante cuando sea necesario.
Extreme las precauciones al manejar combustible.
En determinadas condiciones la gasolina es extremadamente inflamable y sus vapores son explosivos.
Un incendio o una explosión de gasolina puede causar quemaduras a usted y a otras personas, y provocar daños materiales.
Llene el depósito de combustible en el exterior sobre terreno llano, en una zona abierta y con el motor frío. Limpie la gasolina derramada.
No llene ni vacíe nunca el depósito de combustible dentro de un edificio o de un remolque cerrado.
No llene completamente el depósito de combustible. Llene el depósito de combustible hasta la parte inferior del cuello de llenado. Este espacio vacío en el depósito permitirá la dilatación de la gasolina. Si se llena demasiado, puede haber fugas de combustible, o puede dañarse el motor o el sistema de emisiones.
No fume nunca mientras maneja la gasolina, y aléjese de llamas desnudas o de lugares en los que los vapores de la gasolina puedan ser prendidos por una chispa.
Almacene la gasolina en un recipiente homologado y manténgala fuera del alcance de los niños.
Añada el combustible antes de arrancar el motor. No retire nunca el tapón del depósito de combustible ni añada combustible si el motor está en funcionamiento o si el motor está caliente.
Si se derrama el combustible, no intente arrancar el motor. Aléjese del área del derrame y evite generar cualquier fuente de ignición hasta que se hayan disipado los vapores del combustible.
No utilice la máquina a menos que el sistema de escape completo esté correctamente colocado y en buenas condiciones de funcionamiento.
En determinadas condiciones durante el repostaje, puede producirse una descarga de electricidad estática con chispa que puede prender los vapores de la gasolina. Un incendio o una explosión provocada por la gasolina puede causarle quemaduras a usted y a otras personas y provocar daños materiales.
Coloque siempre los recipientes de gasolina en el suelo, lejos del vehículo que está repostando.
No llene los recipientes de gasolina dentro de un vehículo, camión o remolque ya que las alfombras o los revestimientos de plástico del interior de los remolques podrían aislar el recipiente y retrasar la pérdida de la carga estática.
Cuando sea posible, retire el equipo a repostar del camión o remolque y reposte con las ruedas del equipo sobre el suelo.
Si esto no es posible, reposte el equipo sobre el camión o remolque desde un recipiente portátil, en vez de usar un surtidor de gasolina.
Si es imprescindible el uso de un surtidor, mantenga la boquilla en contacto con el borde del depósito de combustible o la abertura del recipiente en todo momento hasta que termine de repostar. No utilice dispositivos que mantengan abierta la boquilla.
La gasolina es dañina o mortal si es ingerida. La exposición a largo plazo a sus vapores ha producido cáncer en animales de laboratorio. El no tomar las precauciones debidas puede causar lesiones o enfermedades graves.
Evite la respiración prolongada de los vapores.
No acerque la cara a la boquilla o a la boca de llenado de los depósitos o recipientes de gasolina.
Mantenga la gasolina alejada de los ojos y de la piel.
No haga sifón nunca utilizando la boca.
La ventilación del depósito de combustible se encuentra situada dentro del tubo de la barra antivuelco. Si se retira o modifica la barra antivuelco podrían producirse fugas de combustible e infringirse las normativas sobre emisiones.
No retire la barra antivuelco.
No suelde, perfore ni modifique de ningún modo la barra antivuelco.
Para evitar incendios:
Mantenga el motor y el área del mismo sin restos de hierba, hojas, exceso de grasa o aceite y otros residuos que pueden acumularse en estas áreas.
Limpie los derrames de aceite y combustible y retire los residuos mojados con combustible.
Espere a que se enfríe la máquina antes de guardarla en un recinto cerrado. No la guarde cerca de llamas o en áreas cerradas en las que se encuentren llamas piloto o electrodomésticos de calor.
Para obtener los mejores resultados, utilice solamente gasolina fresca (comprada hace menos de 30 días), sin plomo, de 87 o más octanos (método de cálculo (R+M)/2).
Etanol: Es aceptable el uso de gasolina con hasta el 10% de etanol (gasohol) o el 15% de MTBE (éter metil tert-butílico) por volumen. El etanol y el MTBE no son lo mismo. No está autorizado el uso de gasolina con el 15% de etanol (E15) por volumen. No utilice nunca gasolina que contenga más del 10% de etanol por volumen, como por ejemplo la E15 (contiene el 15% de etanol), la E20 (contiene el 20% de etanol) o la E85 (contiene hasta el 85% de etanol). El uso de gasolina no autorizada puede causar problemas de rendimiento o daños en el motor que pueden no estar cubiertos bajo la garantía.
No utilice gasolina que contenga metanol.
No guarde combustible en el depósito de combustible o en recipientes de combustible durante el invierno, a menos que utilice un estabilizador de combustible.
No añada aceite a la gasolina.
Use un estabilizador/acondicionador en la máquina para conseguir los beneficios siguientes:
Mantiene el combustible fresco durante más tiempo, cuando se usa como recomienda el fabricante del estabilizador de combustible.
Limpia el motor durante el funcionamiento;
Elimina la formación de depósitos pegajosos, con aspecto de barniz, en el sistema de combustible, que pueden dificultar el arranque.
Important: No utilice aditivos de combustible que contengan metanol o etanol.
Agregue la cantidad adecuada de estabilizador/acondicionador al combustible.
Note: Un estabilizador/acondicionador de combustible es más eficaz cuando se mezcla con combustible fresco. Para reducir al mínimo los depósitos de barniz en el sistema de combustible, utilice siempre un estabilizador de combustible.
Aparque la máquina en una superficie nivelada.
Accione el freno de estacionamiento.
Apague el motor y retire la llave.
Limpie alrededor del tapón del depósito de combustible.
Llene el depósito de combustible hasta la parte inferior del cuello de llenado (Figura 8).
Note: No llene completamente el depósito de combustible. El espacio vacío en el depósito permitirá la dilatación de la gasolina.

Antes de arrancar la máquina cada día, realice los procedimientos diarios indicados en .
Los motores nuevos necesitan tiempo para desarrollar toda su potencia. La fricción generada por las carcasas y los sistemas de propulsión de los cortacéspedes es mayor cuando éstos son nuevos, lo que supone una carga adicional para el motor. Las máquinas nuevas necesitan un periodo de rodaje de 40–50 horas para desarrollar la máxima potencia y el mejor rendimiento.
Para evitar lesiones o la muerte en caso de un vuelco, mantenga la barra antivuelco en posición totalmente elevada y bloqueada, y utilice el cinturón de seguridad.
Asegúrese de que el asiento está sujeto a la máquina.
No hay protección contra vuelcos cuando la barra antivuelco está bajada.
Baje la barra antivuelco únicamente cuando sea imprescindible.
No use el cinturón de seguridad si la barra antivuelco está bajada.
Conduzca lentamente y con cuidado.
Eleve la barra antivuelco tan pronto como haya espacio suficiente.
Compruebe cuidadosamente que hay espacio suficiente antes de conducir por debajo de cualquier objeto en alto (por ejemplo, ramas, portales, cables eléctricos) y no entre en contacto con ellos.
Important: Utilice siempre el cinturón de seguridad cuando la barra antivuelco está en la posición elevada.
Suba la barra antivuelco a la posición de uso y gire los pomos para que se introduzcan parcialmente en las ranuras (Figura 9).
Eleve la barra antivuelco a la posición vertical, presionando sobre la parte superior de la misma; las clavijas encajarán en cuanto se alineen con los orificios (Figura 9).
Presione sobre la barra para asegurarse de que las clavijas han quedado encajadas.
Si los interruptores de seguridad son desconectados o están dañados, la máquina podría ponerse en marcha inesperadamente, causando lesiones personales.
No manipule los interruptores de seguridad.
Compruebe la operación de los interruptores de seguridad cada día, y sustituya cualquier interruptor dañado antes de operar la máquina.
El sistema de interruptores de seguridad ha sido diseñado para impedir que el motor arranque, a menos que:
El freno de estacionamiento esté puesto.
El mando de control de las cuchillas (TDF) está desengranado.
Las palancas de control de movimiento estén en la posición de BLOQUEO/PUNTO MUERTO.
El sistema de interruptores de seguridad también está diseñado para detener el motor cuando se muevan las palancas de control de tracción desde la posición de BLOQUEO/PUNTO MUERTO con el freno de estacionamiento accionado, o si se levanta del asiento cuando la TDF está engranada.
El contador de horas tiene una serie de indicadores que indican si el componente de seguridad está en la posición correcta. Si el componente está en la posición correcta, se muestra un indicador en la pantalla.

| Intervalo de mantenimiento y servicio | Procedimiento de mantenimiento |
|---|---|
| Cada vez que se utilice o diariamente |
|
Compruebe el sistema de interruptores de seguridad cada vez que vaya a trabajar con la máquina. Si el sistema no funciona de la forma que se describe a continuación, póngase en contacto con un Servicio Técnico Autorizado para que lo reparen inmediatamente.
Siéntese en el asiento, accione el freno de estacionamiento y mueva el mando de control de las cuchillas (TDF) a la posición de ENGRANADO. Intente arrancar el motor; el motor no debe arrancar.
Siéntese en el asiento, accione el freno de estacionamiento y mueva el mando de control de las cuchillas (TDF) a la posición de DESENGRANADO. Mueva cualquiera de las palancas de control de movimiento fuera de la posición de BLOQUEO/PUNTO MUERTO. Intente arrancar el motor; el motor no debe arrancar. Repita con la otra palanca de control.
Siéntese en el asiento, ponga el freno de estacionamiento, mueva el mando de control de las cuchillas (TDF) a DESENGRANADO y mueva las palancas de control de movimiento a la posición de BLOQUEO/PUNTO MUERTO. Ahora arranque el motor. Con el motor en marcha, quite el freno de estacionamiento, accione el mando de control de las cuchillas (TDF) y levántese un poco del asiento; el motor debe apagarse.
Siéntese en el asiento, ponga el freno de estacionamiento, mueva el mando de control de las cuchillas (TDF) a DESENGRANADO y mueva las palancas de control de movimiento a la posición de BLOQUEO/PUNTO MUERTO. Ahora arranque el motor. Con el motor en marcha, ponga cualquiera de las palancas de control de movimiento en posición central y muévala (hacia adelante o hacia atrás); el motor debe apagarse. Repita con la otra palanca de control.
Siéntese en el asiento, quite el freno de estacionamiento, mueva el mando de control de las cuchillas (TDF) a DESCONECTADO y mueva las palancas de control de movimiento a la posición de BLOQUEO/PUNTO MUERTO. Intente arrancar el motor; el motor no debe arrancar.
El asiento puede moverse hacia adelante y hacia atrás. Coloque el asiento en la posición que le permita controlar mejor la máquina y en la que esté más cómodo (Figura 11).

El sistema de suspensión MyRide™ puede ajustarse para que la conducción sea más suave y cómoda. Puede ajustar los dos amortiguadores traseros para cambiar de manera rápida y sencilla el sistema de suspensión. Seleccione la posición del sistema de suspensión que le resulte más cómodo.
Las ranuras de los conjuntos de amortiguador trasero tienen muescas de posicionamiento para su referencia. Puede colocar los conjuntos de amortiguador trasero en cualquier lugar en la ranura, no solo en las muescas de posicionamiento. El siguiente gráfico muestra la posición para una conducción blanda o firme, y la ubicación de las muescas de posicionamiento (Figura 12).

Note: Asegúrese de ajustar los conjuntos de amortiguador trasero izquierdo y derecho a las mismas posiciones.
Ajuste los conjuntos de amortiguador trasero (Figura 13).


Utilice solamente aperos y accesorios autorizados por Toro.
Si añade uno o más kits de montaje de accesorios (es decir, kit de cubo o kit de montaje universal) en cualquiera de las 4 ubicaciones mostradas en la Figura 14, añada un kit de contrapeso delantero. Póngase en contacto con su Servicio Técnico Autorizado para obtener el kit de contrapeso delantero.

El operador debe prestar toda su atención al utilizar la máquina. No realice ninguna actividad que genere distracciones, de lo contrario pueden producirse lesiones o daños en la propiedad.
Las piezas del motor, en especial el silenciador, alcanzan temperaturas extremas. Se pueden producir quemaduras graves por contacto y los residuos, como las hojas, la hierba, la maleza, etc., pueden incendiarse.
Deje que las piezas del motor, sobre todo el silenciador, se enfríen antes de tocarlos.
Retire los residuos acumulados del silenciador y del área del motor.
Los gases de escape del motor contienen monóxido de carbono que es un veneno inodoro que puede matarle.
No ponga en marcha el motor en interiores o en un área cerrada y pequeña en la que puedan acumularse vapores peligrosos de monóxido de carbono.
El propietario/usuario puede prevenir, y es responsable de, los accidentes o lesiones sufridos por él mismo, o por otras personas o bienes.
Este cortacésped se ha diseñado solo para un operador. No transporte a pasajeros y mantenga a otras personas alejadas de la máquina durante el uso.
No utilice la máquina si está enfermo, cansado o bajo la influencia de alcohol o drogas.
Utilice la máquina siempre de día o con una buena iluminación artificial.
Los rayos pueden causar graves lesiones o incluso la muerte. Si se ven relámpagos o rayos o se oyen truenos en la zona, no utilice la máquina; busque un lugar donde resguardarse.
Extreme las precauciones al trabajar con accesorios o aperos, tales como los sistemas de recogida de hierba. Éstos pueden cambiar la estabilidad de la máquina y causar pérdidas de control. Siga las instrucciones sobre los contrapesos, si es necesario.
Manténgase alejado de baches, surcos, montículos, rocas u otros peligros ocultos. Tenga cuidado al acercarse a esquinas ciegas, arbustos, árboles, hierba alta u otros objetos que puedan ocultar obstáculos o dificultar la visión. El terreno irregular podría hacer volcar la máquina o hacer que el operador perdiera el equilibrio.
Asegúrese de que todas las transmisiones están en punto muerto y que el freno de mano está puesto antes de arrancar el motor. Utilice siempre cinturones de seguridad cuando la barra antivuelco esté en posición elevada y bloqueada.
Arranque el motor con cuidado siguiendo las instrucciones y con los pies bien alejados de las cuchillas.
No utilice nunca el cortacésped si los protectores, las defensas o las cubiertas presentan daños. Coloque siempre las defensas, los protectores, los interruptores y otros dispositivos y manténgalos en condiciones óptimas de funcionamiento.
Manténgase alejado del conducto de descarga en todo momento. No utilice nunca el cortacésped con la tapa de descarga elevada, retirada o alterada, a menos que se haya colocado un sistema de recogida de hierba o un kit de mulching que funcione correctamente.
Mantenga las manos y los pies alejados de las piezas en movimiento. Si es posible, no realice ajustes mientras el motor está funcionando.
Las manos, los pies, las prendas de vestir o los accesorios se pueden enredar en las piezas giratorias. El contacto con piezas giratorias puede producir una amputación traumática o cortes graves.
No utilice la máquina sin protectores, defensas y dispositivos de seguridad o si no funcionan correctamente.
Mantenga las manos, los pies, el cabello, las joyas o las prendas alejados de las piezas giratorias.
Nunca levante la carcasa con las cuchillas en funcionamiento.
Esté atento a la ruta de descarga del cortacésped y mantenga la descarga alejada de otras personas. Evite la descarga de material contra una pared u obstrucción, ya que el material podría rebotar hacia el operador. Pare las cuchillas, reduzca la velocidad y tenga cuidado al cruzar superficies que no sean de hierba y al transportar el cortacésped hacia y desde la zona a segar.
Esté alerta, vaya más despacio y extreme las precauciones en los giros. Mire detrás y al lado antes de cambiar de dirección. No corte el césped en marcha atrás a menos que sea absolutamente necesario.
No cambie los ajustes del regulador del motor ni haga funcionar el motor a una velocidad excesiva.
Aparque la máquina en una superficie nivelada. Pare el motor, espere a que se detengan todas las piezas en movimiento y retire los cables de las bujías.
Antes de inspeccionar, limpiar o hacer mantenimiento en el cortacésped.
Tras golpear un objeto extraño o si se produce una vibración anormal, inspeccione el cortacésped y repare cualquier daño antes de volver a arrancar y utilizar el cortacésped.
Antes de limpiar atascos.
Siempre que deje el cortacésped sin supervisar. No deje la máquina desatendida mientras esté funcionando.
Pare el motor y espere a que se detengan todas las piezas en movimiento.
Antes de repostar.
Antes de vaciar el recogedor.
Antes de ajustar la altura.
Pueden ocurrir accidentes trágicos si el operador no está alerta a la presencia de niños. A menudo los niños se sienten atraídos por la máquina y la actividad de segar. No suponga nunca que los niños van a permanecer en el último lugar en que los vio.
Mantenga a los niños alejados de la zona de siega y bajo la supervisión de un adulto responsable que no sea el operador.
Manténgase alerta y pare la máquina si entran niños en la zona.
Antes de ir hacia atrás y mientras va hacia atrás o al cambiar de dirección, mire hacia atrás, hacia abajo y de lado a lado por si hubiera niños pequeños.
Nunca permita a los niños utilizar la máquina.
No transporte a niños, ni siquiera con las cuchillas apagadas. Los niños pueden caerse y sufrir lesiones graves o interferir con el funcionamiento seguro de la máquina. Los niños que hayan subido anteriormente a la máquina pueden aparecer de repente en el área de siega para volver a subirse y podrían ser atropellados por la máquina.
Las pendientes son una de las principales causas de accidentes por pérdida de control y vuelcos, que pueden causar lesiones graves o la muerte. El operador es responsable de la seguridad cuando trabaja en pendientes. La conducción de la máquina en pendientes requiere extremar la precaución. Antes de utilizar la máquina en pendientes, el operador debe:
Lea y comprenda las instrucciones sobre pendientes del manual y las que están colocadas en la máquina.
Utilice un indicador de ángulo para determinar la inclinación aproximada de la zona.
No utilice la máquina nunca en pendientes de más de 15 grados.
Evalúe las condiciones del lugar de trabajo para determinar si es seguro trabajar en la pendiente con la máquina. Utilice el sentido común y el buen juicio al realizar este evaluación. Cualquier cambio que se produzca en el terreno, como por ejemplo un cambio de humedad, puede afectar rápidamente al uso de la máquina en una pendiente.
Identifique cualquier obstáculo situado en la base de la pendiente. No utilice la máquina cerca de terraplenes, fosas, taludes, agua u otros peligros. La máquina podría volcar repentinamente si una rueda pasa por el borde de un terraplén o fosa, o si se socava un talud. Mantenga una distancia prudente (el doble de la anchura de la máquina) entre la máquina y cualquier peligro. Utilice una máquina de manillar o una desbrozadora manual para segar la hierba en estas zonas.

Evite arrancar, parar o girar la máquina en pendientes. Evite hacer cambios bruscos de velocidad o de dirección; gire poco a poco, y a baja velocidad.
No utilice la máquina en condiciones que puedan comprometer la tracción, la dirección o la estabilidad de la máquina. Tenga en cuenta que el uso de la máquina en hierba húmeda, a través de pendientes o en pendientes descendentes puede hacer que la máquina pierda tracción. La transferencia de peso a las ruedas delanteras puede hacer que patinen las ruedas, con pérdida de frenado y de control de dirección. La máquina puede deslizarse incluso con las ruedas motrices inmovilizadas.
Retire o señale obstáculos como terraplenes, baches, surcos, montículos, rocas u otros peligros ocultos. La hierba alta puede ocultar obstáculos. Un terreno irregular podría hacer volcar la máquina.
Extreme las precauciones al trabajar con accesorios o aperos, tales como los sistemas de recogida de hierba. Éstos pueden cambiar la estabilidad de la máquina y causar pérdidas de control. Siga las instrucciones sobre los contrapesos.
Si es posible, mantenga la carcasa bajada al suelo mientras trabaje en pendientes. La elevación de la carcasa mientras se trabaja en pendientes puede hacer que la máquina pierda estabilidad.
En la máquina está instalado un sistema de protección antivuelco (barra antivuelco).
No hay protección contra vuelcos cuando la barra antivuelco está bajada. Si una rueda pasa por bordes, terraplenes, taludes pronunciados o agua, pueden producirse vuelcos que pueden dar lugar a lesiones graves o la muerte.
No retire el ROPS.
Mantenga la barra antivuelco elevada y bloqueada y utilice el cinturón de seguridad.
Baje la barra antivuelco únicamente cuando sea imprescindible.
No use el cinturón de seguridad si la barra antivuelco está bajada.
Conduzca lentamente y con cuidado.
Eleve la barra antivuelco tan pronto como haya espacio suficiente.
Asegúrese de que el cinturón de seguridad puede ser desabrochado rápidamente en caso de una emergencia.
Compruebe cuidadosamente que hay espacio suficiente antes de conducir por debajo de cualquier objeto en alto (por ejemplo, ramas, portales y cables eléctricos) y no entre en contacto con ellos.
En caso de vuelco, lleve la unidad a un servicio técnico autorizado para que inspeccionen el ROPS.
Si el ROPS está dañado, cámbielo. No lo repare ni lo revise.
Cualquier accesorio, alteración o accesorio añadido al ROPS debe aprobarlo Toro.
Utilice la carcasa del cortacésped como peldaño para acceder al puesto del operador (Figura 16).

Accione siempre el freno de estacionamiento cuando pare la máquina o cuando la deje desatendida.
Aparque la máquina en una superficie nivelada.


El mando de control de las cuchillas (TDF) arranca y detiene las cuchillas del cortacésped y cualquier accesorio conectado.
Note: El uso del mando de control de las cuchillas (TDF) con el acelerador en la posición intermedia o menos producirá un desgaste excesivo en las correas de transmisión.


Puede mover el control del acelerador entre las posiciones de RáPIDO y LENTO (Figura 21).
Utilice siempre la posición de RáPIDO para engranar la TDF.

Note: Si el motor está caliente, puede no ser necesario usar el estárter.
Important: No active el motor de arranque durante más de 5 segundos cada vez. Si se acciona el motor de arranque durante más de 5 segundos seguidos, puede dañarse. Si el motor no arranca, espere 10 segundos antes de utilizar el motor de arranque de nuevo.

Los niños u otras personas podrían resultar lesionados si mueven o intentan operar la máquina mientras está desatendida.
Retire siempre la llave y ponga el freno de estacionamiento cuando deje la máquina sin supervisión.

Important: Asegúrese de que la válvula de cierre del combustible está cerrada antes de transportar o almacenar la máquina; si no, puede haber fugas de combustible. Accione el freno de estacionamiento antes de transportar la máquina. Asegúrese de retirar la llave, puesto que la bomba de combustible puede funcionar y hacer que la batería pierda su carga.

Las ruedas motrices giran de manera independiente, impulsadas por motores hidráulicos en cada eje. Un lado puede girar hacia atrás mientras que el otro lado gira hacia adelante, haciendo que la máquina rote sobre su eje en lugar de trazar una curva. Esto mejora mucho la maniobrabilidad de la máquina, pero puede ser necesario un periodo de adaptación si no está familiarizado con este sistema.
El control del acelerador regula la velocidad del motor en rpm (revoluciones por minuto). Ponga el acelerador en posición RáPIDO para conseguir el mejor rendimiento. Siegue siempre con el acelerador en posición rápido.
La máquina puede girar muy rápidamente. Puede perder el control de la máquina y causar lesiones personales o daños a la máquina.
Extreme las precauciones al girar.
Reduzca la velocidad de la máquina antes de hacer giros cerrados.
Note: El motor se apaga si mueve el control de tracción con el freno de estacionamiento accionado.
Para detener la máquina, tire de las palancas de control de movimiento a la posición de PUNTO MUERTO.
Quite el freno de estacionamiento; consulte Desengranaje del freno de estacionamiento.
Mueva las palancas a la posición central desbloqueada.
Para ir hacia adelante, empuje lentamente las palancas de control de movimiento hacia adelante (Figura 26).

Mueva las palancas a la posición central desbloqueada.
Para ir hacia atrás, tire lentamente de las palancas de control de movimiento hacia atrás (Figura 27).

El cortacésped cuenta con un deflector de hierba abisagrado que dispersa los recortes de hierba a un lado y hacia abajo, hacia el césped.
Si la máquina no tiene correctamente montado un deflector de hierba, una tapa de descarga o un recogedor completo, usted y otras personas están expuestos a contacto con las cuchillas y a residuos lanzados al aire. El contacto con las cuchillas de corte en rotación o con los residuos lanzados al aire causará lesiones o la muerte.
No retire nunca el deflector de hierba de la carcasa de corte porque el deflector de hierba dirige el material hacia abajo, al césped. Si el deflector de hierba se deteriora alguna vez, sustitúyalo inmediatamente.
No coloque nunca las manos o los pies debajo de la carcasa de corte.
No intente nunca despejar la zona de descarga o las cuchillas del cortacésped sin antes mover el mando de control de las cuchillas (TDF) a la posición de DESENGRANADO, girar la llave de contacto a DESCONECTADO y retirar la llave del interruptor de encendido.
Compruebe que el deflector de hierba está bajado.
El bloqueo de transporte tiene dos posiciones y se utiliza conjuntamente con el pedal de elevación de la carcasa. Hay una posición de BLOQUEADO y una posición de DESBLOQUEADO para el transporte de la carcasa de corte (Figura 28).

Ajuste la altura de corte de 38 a 127 mm en incrementos de 6 mm colocando el pasador de altura de corte en diferentes taladros.
Mueva el bloqueo de transporte a la posición de BLOQUEADO.
Pise el pedal de elevación de la carcasa y eleve la carcasa de corte a la posición de TRANSPORTE (que es también la posición de altura de corte de 127 mm) según se muestra en Figura 29.
Retire el pasador del soporte de altura de corte (Figura 29).
Seleccione el taladro del soporte de altura de corte que corresponde a la altura de corte deseada, e inserte el pasador (Figura 29).
Pise el pedal de elevación de la carcasa, tire hacia arriba del pomo de bloqueo de transporte y baje lentamente la carcasa de corte.

Cada vez que se cambia la altura de corte, debe ajustarse también la altura de los rodillos protectores del césped.
Note: Ajuste los rodillos protectores del césped para que los rodillos no toquen el suelo en zonas de siega llanas y normales.
Aparque la máquina en una superficie nivelada, desengrane el mando de control de las cuchillas y ponga el freno de estacionamiento.
Apague el motor, retire la llave y espere a que se detengan todas las piezas en movimiento antes de abandonar el puesto del operador.
Ajuste los rodillos protectores del césped, tal y como se muestra en la Figura 30.


Para aumentar al máximo la calidad de corte y la circulación de aire, haga funcionar el motor en posición RáPIDO. Se requiere aire para cortar bien la hierba, así que no ponga la altura de corte tan baja como para rodear totalmente el cortacésped de hierba sin cortar. Trate siempre de tener un lado de la carcasa de corte libre de hierba sin cortar, para permitir la entrada de aire en la carcasa.
Corte la hierba algo más larga de lo habitual para asegurar que la altura de corte de la carcasa de corte no deje “calvas” en terrenos desiguales. Sin embargo, la altura de corte utilizada habitualmente suele ser la mejor. Si la hierba tiene más de 15 cm de alto, es preferible cortar el césped dos veces para asegurar una calidad de corte aceptable.
Es mejor cortar solamente un tercio aproximadamente de la hoja de hierba. No se recomienda cortar más, a menos que la hierba sea escasa o al final del otoño, cuando la hierba crece más despacio.
Alterne la dirección de corte para mantener la hierba erguida. De esta forma también se ayuda a dispersar mejor los recortes sobre el césped y se conseguirá una mejor descomposición y fertilización.
La hierba crece a velocidades distintas según la estación del año. Para mantener la misma altura de corte, siegue con más frecuencia a principios de la primavera. A medida que avanza el verano, la velocidad de crecimiento de la hierba decrece, por ello debe cortarse con menor frecuencia. Si no puede segar durante un período de tiempo prolongado, siegue primero con una altura de corte alta y, después de dos días, vuelva a segar con un ajuste más bajo.
Para mejorar la calidad de corte, utilice una velocidad de avance más baja en determinadas condiciones.
Al segar césped irregular, eleve la altura de corte, para evitar dañar el césped
Si es necesario detener el avance de la máquina mientras se corta el césped, es posible que caiga un montón de recortes sobre el césped. Para evitar esto, diríjase con las cuchillas engranadas a una zona del césped que ya haya sido segada, o desengrane la carcasa del cortacésped al desplazarse hacia adelante.
Limpie los recortes y la tierra de los bajos de la carcasa de corte después de cada uso. Si se acumulan hierba y tierra en el interior de la carcasa de corte, se deteriorará la calidad del corte.
Mantenga las cuchillas afiladas durante toda la temporada de corte, ya que una cuchilla afilada corta limpiamente y sin rasgar o deshilachar las hojas de hierba. Si se rasgan o se deshilachan, los filos de las hojas se secarán, lo cual retardará su crecimiento y favorecerá la aparición de enfermedades. Compruebe después de cada uso que las cuchillas están bien afiladas y que no están desgastadas o dañadas. Elimine cualquier mella con una lima, y afile las cuchillas si es necesario. Si una cuchilla está desgastada o deteriorada, sustitúyala inmediatamente por una cuchilla nueva genuina Toro.
Aparque la máquina en una superficie nivelada, desengrane las transmisiones, accione el freno de estacionamiento, pare el motor, retire la llave y desconecte el cable de la bujía. Espere a que se detenga todo movimiento y deje que la máquina se enfríe antes de ajustarla, limpiarla, repararla o almacenarla. No permita jamás que la máquina sea revisada o reparada por personal no debidamente formado.
Limpie la máquina tal y como se indica en la sección de Mantenimiento. Mantenga el motor y el área del mismo sin acumulación de hierba, hojas, exceso de grasa o aceite y otros residuos que pueden acumularse en estas áreas. Estos materiales pueden actuar como combustible y producir un incendio.
Compruebe con frecuencia si los componentes están desgastados o deteriorados que pudieran suponer un peligro. Apriete las fijaciones sueltas.
Cierre la válvula de cierre de combustible durante el transporte, el mantenimiento y el almacenamiento (Figura 32).
Asegúrese de que la válvula de cierre del combustible está abierta antes de arrancar el motor.


Las manos pueden quedar atrapadas en los componentes giratorios de la transmisión, debajo de la carcasa del motor, lo que podría dar lugar a lesiones graves.
Apague el motor, retire la llave y espere a que se detengan todas las piezas móviles antes de acceder a las válvulas de liberación de las ruedas motrices.
El motor y las transmisiones hidráulicas pueden alcanzar temperaturas muy altas. El contacto con un motor caliente o una transmisión hidráulica caliente puede causar quemaduras graves.
Deje que se enfríen totalmente el motor y las transmisiones hidráulicas antes de acceder a las válvulas de liberación de las ruedas motrices.
Las válvulas de liberación de las ruedas motrices están situadas en los lados derecho e izquierdo, debajo de la carcasa del motor.
Aparque la máquina en una superficie nivelada, desengrane el mando de control de las cuchillas y ponga el freno de estacionamiento.
Apague el motor, retire la llave y espere a que se detengan todas las piezas en movimiento antes de abandonar el puesto del operador.
Localice las palancas de desvío detrás del asiento, en los lados izquierdo y derecho del bastidor.
Para empujar la máquina, mueva ambos pomos de desvío hacia atrás y bloquéelos en esa posición (Figura 33).
Desengrane el freno de estacionamiento antes de empujar la máquina.

Para conducir la máquina, mueva los pomos de desvío a la posición de HACIA ADELANTE y bloquéelos en esa posición (Figura 33).
Utilice un remolque para cargas pesadas o un camión para transportar la máquina. Utilice una rampa de ancho completo. Asegúrese de que el remolque o el camión está equipado con todos los frenos, luces y señalizaciones que requiera la ley. Por favor, lea cuidadosamente todas las instrucciones de seguridad. El conocer esta información puede ayudar a evitarle lesiones a usted o a otras personas. Consulte en la normativa local los requisitos aplicables al remolque y al sistema de amarre.
Conducir en una calle o carretera sin señales de giro, luces, marcas reflectantes o un indicador de vehículo lento es peligroso y puede ser causa de accidentes que pueden provocar lesiones personales.
No conduzca la máquina en una calle o carretera pública.
El cargar la máquina en un remolque o un camión aumenta la posibilidad de un vuelco y podría causar lesiones graves o la muerte (Figura 34).
Utilice únicamente una rampa de ancho completo; no utilice rampas individuales para cada lado de la máquina.
No supere un ángulo de 15 grados entre la rampa y el suelo, o entre la rampa y el remolque o camión.
Asegúrese de que la rampa tiene una longitud de al menos cuatro veces la altura de la plataforma del remolque o del camión sobre el suelo. De esta forma se asegura que el ángulo de la rampa no supere los 15 grados en terreno llano.

El cargar la máquina en un remolque o un camión aumenta la posibilidad de un vuelco y podría causar lesiones graves o la muerte.
Extreme las precauciones al manejar la máquina en una rampa.
Suba la máquina por la rampa en marcha atrás y bájela por la rampa conduciendo hacia adelante.
Evite acelerar o desacelerar bruscamente al conducir la máquina en una rampa, porque esto podría provocar un vuelco o una pérdida de control.
Si utiliza un remolque, conéctelo al vehículo que lo arrastra y conecte las cadenas de seguridad.
En su caso, conecte los frenos y las luces del remolque.
Baje la rampa, asegurándose de que el ángulo entre la rampa y el suelo no supera los 15 grados (Figura 34).
Suba la máquina por la rampa en marcha atrás (Figura 35).

Apague el motor, retire la llave y ponga el freno de estacionamiento.
Amarre la máquina junto a las ruedas giratorias delanteras y el guardabarros trasero con correas, cadenas, cables o cuerdas (Figura 36). Consulte la normativa local respecto a los requisitos de amarre.

Mientras se efectúan operaciones de mantenimiento o ajustes, alguien podría arrancar el motor. Un arranque accidental del motor podría causar graves lesiones a usted o a otra persona.
Retire la llave del interruptor de encendido, ponga el freno de estacionamiento y desconecte los cables de las bujías antes de realizar cualquier operación de mantenimiento. Además, aparte los cables para evitar su contacto accidental con las bujías.
El motor puede alcanzar temperaturas muy elevadas. Se pueden producir quemaduras graves al tocar el motor caliente.
Deje que el motor se enfríe totalmente antes de realizar tareas de mantenimiento o de reparación en el área del motor.
Aparque la máquina en una superficie nivelada, desengrane las transmisiones, accione el freno de estacionamiento, pare el motor, retire la llave y desconecte el cable de la bujía. Espere a que se detenga todo movimiento y deje que la máquina se enfríe antes de ajustarla, limpiarla o repararla. No permita jamás que la máquina sea revisada o reparada por personal no debidamente formado.
Desconecte la batería o retire el cable de la bujía antes de efectuar reparación alguna. Desconecte primero el terminal negativo y luego el positivo. Vuelva a conectar primero el terminal positivo y luego el negativo.
Mantenga la máquina, los protectores, las defensas y todos los dispositivos de seguridad colocados y en condiciones seguras de funcionamiento. Compruebe con frecuencia los componentes desgastados o deteriorados y sustitúyalos por piezas recomendadas por el fabricante cuando sea necesario.
La retirada o la modificación del equipo, las piezas y/o los accesorios originales puede alterar la garantía, la capacidad de control y la seguridad de la máquina. Las modificaciones no autorizadas en el equipo original o el hecho de no utilizar piezas Toro originales puede producir lesiones graves o la muerte. Los cambios no autorizados en la máquina, el motor o el sistema de ventilación o combustible pueden infringir las normas de seguridad aplicables como las siguientes: ANSI, OSHA y NFPA y/o las normativas gubernamentales como EPA y CARB.
Las fugas de aceite hidráulico bajo presión pueden penetrar en la piel y causar lesiones. Cualquier fluido inyectado accidentalmente por debajo de la piel debe ser eliminado quirúrgicamente, antes de que pasen unas horas, por un médico familiarizado con este tipo de lesión; si no, podría causar gangrena.
Si está equipado, asegúrese de que todos los tubos y mangueras hidráulicas están en buenas condiciones y de que todas las conexiones y accesorios del sistema hidráulico están apretados antes de aplicar presión al sistema hidráulico.
Mantenga el cuerpo y las manos alejados de fugas pequeñas o boquillas que liberan fluido hidráulico a alta presión.
Utilice un cartón o un papel y no las manos para buscar fugas hidráulicas.
Libere con seguridad toda la presión del sistema hidráulico, colocando las palancas de control de movimiento en punto muerto y apagando el motor antes de realizar cualquier tarea en el sistema hidráulico.
Los componentes del sistema de combustible se someten a una alta presión. El uso de componentes incorrectos puede producir fallos del sistema, fugas de combustible y una posible explosión.
Utilice únicamente tubos de combustible y filtros de combustible homologados para sistemas de alta presión.
Tenga cuidado al revisar las cuchillas. Envuelva la(s) cuchilla(s) o lleve guantes, y extreme las precauciones al manejarlas. Sustituya solo las cuchillas dañadas. No las enderece ni las suelde nunca.
Utilice soportes fijos para apoyar la máquina o los componentes cuando sea necesario.
Puede ser peligroso confiar únicamente en gatos mecánicos o hidráulicos para elevar la máquina para realizar tareas de mantenimiento o reparación. Los gatos mecánicos o hidráulicos pueden no proporcionar suficiente apoyo, o pueden fallar y dejar caer la máquina, lo que podría provocar lesiones.
No confíe únicamente en gatos mecánicos o hidráulicos para apoyar la máquina. Utilice gatos fijos u otro medio de sustentación equivalente.
Alivie con cuidado la tensión de aquellos componentes que tengan energía almacenada.
Mantenga las manos y los pies alejados de las piezas en movimiento. Si es posible, no realice ajustes mientras el motor está funcionando. Si el procedimiento de mantenimiento o ajuste requiere que el motor esté en marcha y los componentes en movimiento, extreme las precauciones.
El contacto con piezas en movimiento o superficies calientes puede causar lesiones personales.
Mantenga alejados de los componentes rotativos y de la superficies calientes los dedos, las manos y la ropa.
Compruebe todos los pernos con frecuencia para garantizar un apriete correcto.
| Intervalo de mantenimiento y servicio | Procedimiento de mantenimiento |
|---|---|
| Después de las primeras 5 horas |
|
| Después de las primeras 75 horas |
|
| Cada vez que se utilice o diariamente |
|
| Cada 25 horas |
|
| Cada 50 horas |
|
| Cada 100 horas |
|
| Cada 200 horas |
|
| Cada 250 horas |
|
| Cada 500 horas |
|
| Cada mes |
|
| Cada año o antes del almacenamiento |
|
Si deja la llave en el interruptor, alguien podría arrancar el motor accidentalmente y causar lesiones graves a usted o a otras personas.
Apague el motor y retire la llave del interruptor antes de realizar cualquier tarea de mantenimiento.
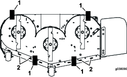
Afloje el perno superior del faldón para liberar el faldón y poder acceder a la parte superior de la carcasa de corte (Figura 37). Apriete el perno después del mantenimiento para instalar el faldón.

Afloje los 2 pernos delanteros y retire el protector de chapa para tener acceso a las correas y los ejes de la carcasa (Figura 38). Después del mantenimiento, instale el protector de chapa y apriete los pernos.

| Intervalo de mantenimiento y servicio | Procedimiento de mantenimiento |
|---|---|
| Cada 25 horas |
|
| Cada 50 horas |
|
Engrase la máquina más a menudo en condiciones de mucho polvo o suciedad.
Tipo de grasa: Grasa de litio Nº 2 o grasa de molibdeno
Aparque la máquina en una superficie nivelada, desengrane el mando de control de las cuchillas y ponga el freno de estacionamiento; consulte Accionamiento del freno de estacionamiento.
Apague el motor, retire la llave y espere a que se detengan todas las piezas en movimiento antes de abandonar el puesto del operador.
Limpie con un trapo los puntos de engrase.
Note: Rasque cualquier pintura de la parte delantera de los engrasadores.
Engrase el pivote de la polea tensora de la bomba con una o dos aplicaciones de grasa (Figura 39).
Engrase los ejes de las ruedas giratorias delanteras (Figura 39).

Limpie cualquier exceso de grasa.
Apague el motor antes de comprobar el aceite o añadir aceite al cárter.
Mantenga las manos, los pies, la cara, la ropa y otras partes del cuerpo alejados del tubo de escape y de otras superficies calientes.
| Intervalo de mantenimiento y servicio | Procedimiento de mantenimiento |
|---|---|
| Cada vez que se utilice o diariamente |
|
| Cada 25 horas |
|
| Cada 100 horas |
|
| Cada 200 horas |
|
Note: Revise el limpiador de aire con mayor frecuencia en condiciones de trabajo de mucho polvo o arena.
Aparque la máquina en una superficie nivelada, desengrane el mando de control de las cuchillas (TDF) y ponga el freno de estacionamiento.
Apague el motor, retire la llave y espere a que se detengan todas las piezas en movimiento antes de abandonar el puesto del operador.
Limpie alrededor de la tapa del limpiador de aire para evitar que la suciedad penetre en el motor y cause daños.
Retire la tapa y gire el limpiador de aire para retirarlo del motor (Figura 40).


Separe los elementos de gomaespuma y papel (Figura 41).

Lave el filtro de espuma con jabón líquido y agua templada. Cuando el filtro esté limpio, enjuáguelo bien.
Seque el elemento apretándolo con un paño limpio.
Important: Sustituya el elemento de espuma si está roto o desgastado.
Golpee suavemente el elemento de papel para desprender cualquier suciedad adherida.
Note: No lave el elemento de papel ni utilice aire a presión, porque esto dañará el elemento.
Note: Si el elemento está sucio, doblado o dañado, cámbielo. Maneje con cuidado el nuevo elemento; no lo utilice si las superficies sellantes están dobladas o dañadas.
Limpie la base del limpiador de aire tal y como sea necesario y compruebe el estado.
Instale el filtro de espuma sobre el filtro de papel.
Note: Asegúrese de no dañar los elementos.
Alinee los taladros del filtro con los orificios del distribuidor.
Introduzca el filtro en la cámara, girándolo para asentarlo correctamente contra el colector (Figura 42).

Cierre la tapa.
| Intervalo de mantenimiento y servicio | Procedimiento de mantenimiento |
|---|---|
| Después de las primeras 5 horas |
|
| Cada vez que se utilice o diariamente |
|
| Cada 100 horas |
|
Tipo de aceite:Aceite detergente (servicio API SF, SG, SH, SJ o SL)
Capacidad del cárter: 2,4 litros con filtro de aceite
Viscosidad: Consulte la tabla siguiente.

Note: Compruebe el aceite con el motor frío.
Important: Si llena el cárter del motor con demasiado o demasiado poco aceite y arranca el motor, puede dañar el motor.
Aparque la máquina en una superficie nivelada, desengrane el mando de control de las cuchillas (TDF) y ponga el freno de estacionamiento.
Apague el motor, retire la llave y espere a que se detengan todas las piezas en movimiento antes de abandonar el puesto del operador.
Note: Asegúrese de que el motor está frío, y que el aceite ha tenido tiempo para drenarse al cárter.
Para que no entre suciedad, recortes de hierba, etc., en el motor, limpie la zona alrededor del tapón de llenado/varilla de aceite antes de retirarlo (Figura 44).


Aparque la máquina en una superficie nivelada para asegurarse de que el aceite se drene por completo.
Desengrane el mando de control de las cuchillas (TDF) y accione el freno de estacionamiento.
Apague el motor, retire la llave y espere a que se detengan todas las piezas en movimiento antes de abandonar el puesto del operador.
Drene el aceite del motor.


Sustituya el filtro de aceite del motor (Figura 46).
Note: Asegúrese de que la junta del filtro de aceite toca el motor, luego apriete ¾ de vuelta más.

Vierta lentamente un 80% aproximadamente del aceite especificado por el tubo de llenado, luego añada lentamente el resto del aceite hasta que llegue a la marca Lleno (Figura 47).

Elimine el aceite usado en un centro de reciclaje.
| Intervalo de mantenimiento y servicio | Procedimiento de mantenimiento |
|---|---|
| Cada 100 horas |
|
| Cada 200 horas |
|
Asegúrese de que la distancia entre los electrodos central y lateral es correcta antes de instalar la bujía. Utilice una llave para bujías para desmontar e instalar la bujía y una galga de espesores/herramienta de separación de electrodos para comprobar y ajustar la distancia entre los mismos. Instale una bujía nueva si es necesario.
Tipo: Champion® RN9YC o NGK® BPR6ES
Distancia entre electrodos: 0,76 mm
Aparque la máquina en una superficie nivelada, desengrane el mando de control de las cuchillas (TDF) y ponga el freno de estacionamiento.
Apague el motor, retire la llave y espere a que se detengan todas las piezas en movimiento antes de abandonar el puesto del operador.
Limpie la zona alrededor de la base de la bujía para que no caiga suciedad en el motor.
Localice y retire la(s) bujía(s), tal y como se muestra en la Figura 48.


Important: No limpie la(s) bujía(s). Cambie siempre la(s) bujía(s) si tiene(n) un revestimiento negro, los electrodos desgastados, una película aceitosa o grietas.
Si se observa un color gris o marrón claro en el aislante, el motor está funcionando correctamente. Si el aislante aparece de color negro, significa que el limpiador de aire está sucio.
Ajuste la distancia a 0,76 mm.


| Intervalo de mantenimiento y servicio | Procedimiento de mantenimiento |
|---|---|
| Cada vez que se utilice o diariamente |
|
Aparque la máquina en una superficie nivelada, desengrane el mando de control de las cuchillas (TDF) y ponga el freno de estacionamiento.
Apague el motor, retire la llave y espere a que se detengan todas las piezas en movimiento antes de abandonar el puesto del operador.
Retire el filtro de aire del motor.
Retire la cubierta del motor.
Para evitar que se introduzcan residuos en la entrada de aire, instale el filtro de aire en la base del filtro.
Limpie los restos de hierba y los residuos de todas las piezas.
Retire el filtro de aire e instale la cubierta del motor.
Instale el filtro de aire.
| Intervalo de mantenimiento y servicio | Procedimiento de mantenimiento |
|---|---|
| Cada 50 horas |
|
Los componentes calientes del sistema de escape pueden incendiar los vapores del combustible, incluso después de que se apague el motor. Las partículas calientes expulsadas durante la operación del motor pueden incendiar materiales inflamables, dando lugar a lesiones personales o daños materiales.
No reposte combustible ni ponga en marcha el motor si el parachispas no está instalado.
Aparque la máquina en una superficie nivelada, desengrane la TDF y ponga el freno de estacionamiento.
Apague el motor, retire la llave y espere a que se detengan todas las piezas en movimiento antes de abandonar el puesto del operador.
Espere a que se enfríe el silenciador.
Si se observan roturas en la rejilla o en las soldaduras, sustituya el parachispas.
Si la rejilla está atascada, retire el parachispas, sacuda la rejilla para eliminar partículas sueltas, y límpiela con un cepillo de alambre (sumerja la rejilla en disolvente si es necesario).
Instale el parachispas en la salida del tubo de escape.
| Intervalo de mantenimiento y servicio | Procedimiento de mantenimiento |
|---|---|
| Cada 500 horas |
|
Aparque la máquina en una superficie nivelada, desengrane el mando de control de las cuchillas (TDF) y ponga el freno de estacionamiento.
Apague el motor, retire la llave y espere a que se detengan todas las piezas en movimiento antes de abandonar el puesto del operador.
Retire el filtro de la manguera de ventilación.
Inserte un filtro nuevo en el extremo de la manguera de ventilación.
En ciertas condiciones, el combustible es extremadamente inflamable y altamente explosivo. Un incendio o una explosión provocados por el combustible puede causarle quemaduras a usted y a otras personas así como daños materiales.
Consulte Cómo añadir combustible para obtener una lista completa de las precauciones relacionadas con el combustible.
| Intervalo de mantenimiento y servicio | Procedimiento de mantenimiento |
|---|---|
| Cada 500 horas |
|
Important: Instale los tubos de combustible y sujételos con bridas de plástico de la misma manera que estaban al salir de la fábrica, para mantener los tubos de combustible alejados de componentes que podrían dañar los tubos.
El filtro de combustible está situado cerca del motor en la parte delantera izquierda del motor.
Aparque la máquina en una superficie nivelada, desengrane el mando de control de las cuchillas (TDF) y ponga el freno de estacionamiento.
Apague el motor, retire la llave y espere a que se detengan todas las piezas en movimiento antes de abandonar el puesto del operador.
Deje que la máquina se enfríe.
Cierre la válvula de cierre de combustible, situada debajo del asiento.
Cambie el filtro de combustible (Figura 51).
Note: Asegúrese de que la marcas del filtro coinciden con la dirección de flujo de combustible.

Abra la válvula de cierre del combustible.
No intente vaciar el depósito de combustible. Asegúrese de que el vaciado del depósito de combustible y el mantenimiento de cualquier componente del sistema de combustible sea realizado por un Servicio Técnico Autorizado.
Desconecte la batería antes de reparar la máquina. Desconecte primero el terminal negativo y luego el positivo. Conecte primero el terminal positivo y luego el negativo.
Cargue la batería en una zona abierta y bien ventilada, lejos de chispas y llamas. Desenchufe el cargador antes de conectar o desconectar la batería. Lleve ropa protectora y utilice herramientas aisladas.
| Intervalo de mantenimiento y servicio | Procedimiento de mantenimiento |
|---|---|
| Cada mes |
|
Los bornes de la batería o una herramienta metálica podrían hacer cortocircuito si entran en contacto con los componentes metálicos de la máquina, causando chispas. Las chispas podrían hacer explotar los gases de la batería, causando lesiones personales.
Al retirar o colocar la batería, no deje que los bornes toquen ninguna parte metálica de la máquina.
No deje que las herramientas metálicas hagan cortocircuito entre los bornes de la batería y las partes metálicas de la máquina.
Una desconexión incorrecta de los cables de la batería podría dañar la máquina y los cables, causando chispas. Las chispas podrían hacer explotar los gases de la batería, causando lesiones personales.
Desconecte siempre el cable negativo (negro) de la batería antes de desconectar el cable positivo (rojo).
Conecte siempre el cable positivo (rojo) de la batería antes de conectar el cable negativo (negro).
Aparque la máquina en una superficie nivelada, desengrane el mando de control de las cuchillas (TDF) y ponga el freno de estacionamiento.
Apague el motor, retire la llave y espere a que se detengan todas las piezas en movimiento antes de abandonar el puesto del operador.
Retire la batería según se muestra en la Figura 52.


El proceso de carga de la batería produce gases que pueden explotar.
No fume nunca cerca de la batería, y mantenga alejados de la batería chispas y llamas.
Important: Mantenga siempre la batería completamente cargada (densidad de 1,265). Esto es especialmente importante para evitar daños a la batería cuando la temperatura está por debajo de los 0ºC.
Retire la batería del chasis; consulte Cómo retirar la batería.
Cargue la batería durante 10 a 15 minutos a entre 25 A y 30 A, o durante 30 minutos a 10 A.
Note: No sobrecargue la batería.
Cuando la batería esté completamente cargada, desconecte el cargador de la toma de electricidad, luego desconecte los cables del cargador de los bornes de la batería (Figura 53).
Instale la batería en la máquina y conecte los cables de la batería; consulte Instalación de la batería.
Note: No haga funcionar la máquina con la batería desconectada; puede causar daños al sistema eléctrico.

Coloque la batería en la bandeja, con los bornes frente al depósito de aceite hidráulico (Figura 52).
Conecte primero el cable positivo (rojo) al borne positivo (+) de la batería.
Conecte el cable negativo (negro) y el cable de tierra al borne negativo (–) de la batería.
Note: En máquinas MyRide, asegúrese de que el cable de tierra no roza contra el brazo arrastrado ni contra el soporte inferior del amortiguador (Figura 55).

Fije los cables con 2 pernos, 2 arandelas, y 2 contratuercas (Figura 52).
Deslice el protector de borne rojo sobre el borne positivo (+) de la batería.
Fije la batería con la correa de goma (Figura 52).
El sistema eléctrico está protegido con fusibles. No requiere mantenimiento; no obstante, si se funde un fusible, compruebe que no hay avería ni cortocircuito en el componente/circuito.
Los fusibles están situados en la consola de la derecha, junto al asiento (Figura 55).
Para cambiar un fusible, tire del mismo para retirarlo.
Instale un fusible nuevo (Figura 55).

| Intervalo de mantenimiento y servicio | Procedimiento de mantenimiento |
|---|---|
| Cada vez que se utilice o diariamente |
|
Inspeccione el cinturón de seguridad en busca de señales de desgaste o cortes, y compruebe el funcionamiento del retractor y de la hebilla. Sustituya el cinturón de seguridad si está dañado.
| Intervalo de mantenimiento y servicio | Procedimiento de mantenimiento |
|---|---|
| Cada vez que se utilice o diariamente |
|
Para evitar lesiones o la muerte en caso de un vuelco, mantenga la barra antivuelco en posición totalmente elevada y bloqueada, y utilice el cinturón de seguridad.
Asegúrese de que el asiento está sujeto a la máquina.
Compruebe que tanto los herrajes de montaje como los pomos están en buenas condiciones de uso.
Asegúrese de que los pomos están completamente bloqueados cuando la barra antivuelco está elevada.
Note: Puede ser necesario empujar hacia adelante o tirar hacia atrás de la parte superior de la barra anti-vuelco para que se bloquean completamente ambos pomos (Figura 56 y Figura 57).


Desengrane el mando de control de las cuchillas (TDF).
Conduzca hacia un lugar llana y abierta, y mueva las palancas de control de movimiento a la posición de BLOQUEO/PUNTO MUERTO.
Ponga la palanca del acelerador en un punto intermedio entre las posiciones de LENTO y RáPIDO.
Mueva ambas palancas de control de movimiento hacia adelante hasta que toquen los topes en la ranura en T.
Compruebe hacia qué lado se desvía la máquina.
Si la máquina se desvía hacia la derecha, inserte una llave hexagonal de 3/16" a través del orificio de acceso del panel derecho delantero y gire el tornillo en sentido horario o antihorario para ajustar el recorrido de la palanca (Figura 58).
Si la máquina se desvía hacia la izquierda, inserte una llave hexagonal de 3/16" a través del orificio de acceso del panel derecho delantero y gire el tornillo en sentido horario o antihorario para ajustar el recorrido de la palanca (Figura 58).
Conduzca la máquina y compruebe la desviación con las palancas adelantadas del todo.
Repita el ajuste hasta que la máquina no se desvíe.

| Intervalo de mantenimiento y servicio | Procedimiento de mantenimiento |
|---|---|
| Cada 50 horas |
|
Mantenga la presión de los neumáticos delanteros y traseros a 0,90 bar. Una presión desigual en los neumáticos puede hacer que el corte sea desigual. Las lecturas de presión son más exactas cuando los neumáticos están fríos.

Compruebe la torsión de las tuercas de las ruedas y apriételas a 122–136 N·m.
| Intervalo de mantenimiento y servicio | Procedimiento de mantenimiento |
|---|---|
| Cada vez que se utilice o diariamente |
|
Antes de cada uso, retire cualquier acumulación de hierba, suciedad u otros residuos de la rejilla del motor, del escape, y de la zona del motor. Esto ayuda a asegurar una refrigeración adecuada y una velocidad de motor correcta, y reduce la posibilidad de sobrecalentamiento y daños mecánicos al motor.
| Intervalo de mantenimiento y servicio | Procedimiento de mantenimiento |
|---|---|
| Cada 500 horas |
|
Note: Realice este procedimiento después de retirar o cambiar cualquier componente del freno.
Aparque la máquina en una superficie nivelada, desengrane el mando de control de las cuchillas (TDF) y ponga el freno de estacionamiento.
Apague el motor, retire la llave y espere a que se detengan todas las piezas en movimiento antes de abandonar el puesto del operador.
Prepare la máquina para ser empujada a mano. Consulte Uso de las válvulas de desvío de las ruedas motrices.
Levante la parte trasera de la máquina y apóyela sobre gatos fijos.
Podría ser peligroso confiar únicamente en gatos mecánicos o hidráulicos para apoyar la máquina en alto para realizar tareas de mantenimiento o reparación, porque los gatos pueden no proporcionar suficiente apoyo, o pueden fallar y dejar caer la máquina, provocando posibles lesiones graves.
No confíe únicamente en gatos mecánicos o hidráulicos para apoyar la máquina. Utilice gatos fijos u otro medio de sustentación equivalente.
Ponga y quite el freno de estacionamiento y compruebe cada rueda motriz para asegurarse de que cada freno se activa y desactiva correctamente.
Si es necesario ajustarlos, quite el freno de estacionamiento. Retire la chaveta de la barra de acoplamiento del freno (Figura 60).

Compruebe la longitud de ambos muelles, según se muestra en Figura 61. Si es necesario ajustarlos, gire la tuerca superior en sentido horario para acortar el muelle y en sentido antihorario para alargarlo.

Empuje la palanca del freno de estacionamiento hacia delante y hacia abajo del todo.
Gire la barra de acoplamiento del freno hasta que el extremo esté alineado con el taladro de la palanca.
Acorte el acoplamiento girándolo en sentido horario.
Alargue el acoplamiento girándolo en sentido antihorario.
Introduzca la barra de acoplamiento del freno en el orificio del freno de estacionamiento, y sujétela con la chaveta. Repita el paso 5 y vuelva a ajustar si es necesario.
Cuando termine el ajuste, retire los gatos o los soportes y baje la máquina.
Ponga la máquina en la posición de OPERACIóN normal. Consulte Uso de las válvulas de desvío de las ruedas motrices.
| Intervalo de mantenimiento y servicio | Procedimiento de mantenimiento |
|---|---|
| Cada 50 horas |
|
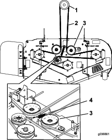
Cambie la correa si está desgastada. Las señales de una correa desgastada incluyen chirridos cuando la correa está en movimiento, patinaje de las cuchillas durante la siega, bordes deshilachados, o marcas de quemaduras o grietas.
Aparque la máquina en una superficie nivelada, desengrane el mando de control de las cuchillas (TDF) y ponga el freno de estacionamiento.
Apague el motor, retire la llave y espere a que se detengan todas las piezas en movimiento antes de abandonar el puesto del operador.
Baje el cortacésped a la posición de altura de corte de 76 mm.
Afloje el perno de cada cubierta de correa.
Afloje el perno inferior que sujeta el faldón de la carcasa a la carcasa del cortacésped; consulte Retirada del faldón de la carcasa de corte.
Retire el protector de chapa; consulte Retirada del protector de chapa.
Retire las cubiertas de las correas y los pernos que están sujetos a las mismas (Figura 62).

Alivie la tensión del muelle de la polea tensora. Consulte Figura 64.
Note: Utilice la herramienta para la retirada de muelles (Pieza Toro Nº 92-5771) para retirar el muelle del anclaje de la carcasa de corte (Figura 64).
Retire la correa de las poleas de la carcasa de corte y de la polea del embrague.
Pase la correa nueva alrededor de las poleas del cortacésped y de la polea del embrague, debajo del motor (Figura 63).


Instale el muelle tensor (Figura 63).
Note: Asiente los extremos del muelle en las ranuras de anclaje.
Instale las cubiertas de las correas y los pernos que están sujetos a las mismas (Figura 65).

Instale el protector de chapa; consulte Retirada del protector de chapa.
Afloje el perno inferior que sujeta el faldón de la carcasa a la carcasa; consulte Retirada del faldón de la carcasa de corte.
Aparque la máquina en una superficie nivelada, desengrane el mando de control de las cuchillas (TDF) y ponga el freno de estacionamiento.
Apague el motor, retire la llave y espere a que se detengan todas las piezas en movimiento antes de abandonar el puesto del operador.
Retire la correa del cortacésped; consulte Sustitución de la correa del cortacésped.
Levante la máquina y apóyela sobre gatos fijos (Figura 67).
Retire el tope del embrague (Figura 66).

Retire el muelle tensor del espárrago (Figura 67).
Retire la correa existente de las poleas de transmisión de la bomba hidráulica y de la polea del motor.
Instale la correa nueva alrededor de la polea del motor y de las 2 poleas de la bomba hidráulica (Figura 67).

Instale el tope del embrague (Figura 66).
Instale la correa del cortacésped; consulte Mantenimiento de las correas.
Si los extremos de las palancas chocan entre sí, consulte Ajuste de los acoplamientos de control de movimiento.
Puede ajustar las palancas de control de movimiento hacia arriba o hacia abajo para que su uso sea más cómodo.
Aparque la máquina en una superficie nivelada, desengrane el mando de control de las cuchillas (TDF) y ponga el freno de estacionamiento.
Apague el motor, retire la llave y espere a que se detengan todas las piezas en movimiento antes de abandonar el puesto del operador.
Retire las fijaciones que sujetan la palanca de control al brazo de control.

Mueva la palanca al juego de taladros siguiente. Sujete la palanca con las fijaciones.
Repita el ajuste con la otra palanca de control.
Aparque la máquina en una superficie nivelada, desengrane el mando de control de las cuchillas (TDF) y ponga el freno de estacionamiento.
Apague el motor, retire la llave y espere a que se detengan todas las piezas en movimiento antes de abandonar el puesto del operador.
Retire el perno superior fija la palanca de control al brazo de la palanca.
Afloje el perno inferior lo suficiente para poder desplazar hacia adelante o hacia atrás la palanca de control. Apriete ambos pernos para fijar el control en la posición nueva.
Repita el ajuste con la otra palanca de control.

Los acoplamientos de control de las bombas están situados en cada lado de la máquina, debajo del asiento. Gire la tuerca del extremo con una llave de ½" para hacer ajustes finos a fin de que la máquina no se desplace en punto muerto. Los ajustes deben realizarse para la posición de punto muerto solamente.
El motor debe estar en marcha y las ruedas motrices deben estar girando para poder realizar los ajustes. El contacto con piezas en movimiento o superficies calientes puede causar lesiones personales.
Mantenga alejados de los componentes rotativos y de la superficies calientes los dedos, las manos y la ropa.
Aparque la máquina en una superficie nivelada, desengrane el mando de control de las cuchillas (TDF) y ponga el freno de estacionamiento.
Apague el motor, retire la llave y espere a que se detengan todas las piezas en movimiento antes de abandonar el puesto del operador.
Pise el pedal de elevación de la carcasa, retire el pasador de altura de corte y baje la carcasa del cortacésped al suelo
Levante la parte trasera de la máquina y apóyela sobre gatos fijos a una altura suficiente para permitir que las ruedas motrices giren libremente.
Retire la conexión eléctrica del interruptor de seguridad del asiento, situado debajo del cojín del asiento.
Note: El interruptor forma parte del conjunto del asiento.
Provisionalmente, instale un puente entre los terminales del conector del arnés de cableado principal.
Arranque el motor, hágalo funcionar a su velocidad máxima y quite el freno de estacionamiento.
Note: Antes de arrancar el motor, asegúrese de que el freno de estacionamiento está puesto y que las palancas de control de movimiento están hacia fuera. No es necesario que esté en el asiento.
Haga funcionar la máquina durante al menos 5 minutos con las palancas de accionamiento a velocidad máxima hacia adelante, para que el fluido hidráulico alcance su temperatura normal de operación.
Note: Las palancas de control de movimiento deben estar en punto muerto mientras se realizan ajustes.
Ponga las palancas de control de movimiento en la posición de punto MUERTO.
Compruebe que las pestañas de la chapa de control tocan las chapas de retorno a punto muerto de las unidades hidráulicas.
Ajuste la longitud de las varillas de control de la bomba girando la tuerca en el sentido apropiado hasta que la ruedas se muevan ligeramente en marcha atrás (Figura 70).

Mueva las palancas de control de movimiento a la posición de MARCHA ATRáS y, aplicando una ligera presión a la palanca, deje que los muelles de marcha atrás devuelvan las palancas a punto muerto.
Note: Las ruedas deben dejar de girar o moverse muy lentamente en marcha atrás.
Note: Puede ser necesario retirar la tapa del panel de control de movimiento para poder acceder.
Apague la máquina.
Retire el puente del arnés de cables y enchufe el conector en el interruptor del asiento.
Retire los soportes.
Eleve la carcasa de corte e instale el pasador de altura de corte.
Compruebe que la máquina no se desplaza en punto muerto con el freno de estacionamiento quitado.
Busque atención médica inmediatamente si el fluido penetra en la piel. Un médico deberá eliminar quirúrgicamente el fluido inyectado en pocas horas.
Asegúrese de que todas las mangueras y líneas de fluido hidráulicos están en buenas condiciones de uso, y que todos los acoplamientos y conexiones hidráulicos están apretados, antes de aplicar presión al sistema hidráulico.
Mantenga el cuerpo y las manos alejados de fugas pequeñas o boquillas que liberan fluido hidráulico a alta presión.
Utilice un cartón o un papel para buscar fugas hidráulicas.
Alivie de manera segura toda presión en el sistema hidráulico antes de realizar trabajo alguno en el sistema hidráulico.
Tipo de fluido hidráulico: Fluido hidráulico Toro® HYPR-OIL™ 500 o aceite Mobil 1 15W-50.
Important: Utilice el fluido especificado. Otros fluidos podrían dañar el sistema hidráulico.
Capacidad del sistema hidráulico (con los filtros retirados): 4,45 litros
| Intervalo de mantenimiento y servicio | Procedimiento de mantenimiento |
|---|---|
| Cada vez que se utilice o diariamente |
|
Deje que el fluido hidráulico se enfríe. Compruebe el nivel de aceite con el fluido frío.
Compruebe el depósito de expansión y si es necesario, añada fluido hidráulico Toro® HYPR-OIL™ 500 hasta la línea FULL COLD.

| Intervalo de mantenimiento y servicio | Procedimiento de mantenimiento |
|---|---|
| Después de las primeras 75 horas |
|
| Cada 250 horas |
|
| Cada 500 horas |
|
Para cambiar el fluido hidráulico, es necesario retirar los filtros. Cambie ambos filtros al mismo tiempo; consulte las especificaciones del fluido en Retirada de los filtros del sistema hidráulico.
Purgue el aire del sistema después de instalar los filtros nuevos y añadir fluido. Consulte Purga del sistema hidráulico. Repita el proceso de purga hasta que el fluido permanezca en la línea FULL COLD del depósito después de la purga. Si no se realiza correctamente este procedimiento, pueden producirse daños irreparables en el sistema de tracción del transeje.
Aparque la máquina en una superficie nivelada, desengrane el mando de control de las cuchillas (TDF) y ponga el freno de estacionamiento.
Apague el motor, retire la llave y espere a que se detengan todas las piezas en movimiento antes de abandonar el puesto del operador.
Deje que el motor se enfríe.
Localice el filtro y los protectores de cada sistema de tracción del transeje (Figura 72).
Retire los 3 tornillos que sujetan el protector del filtro, y retire el protector (Figura 72).

Limpie cuidadosamente la zona alrededor de los filtros.
Important: No permita que entre suciedad en el sistema hidráulico porque lo puede contaminar.
Coloque un recipiente de vaciado debajo del filtro para recoger el fluido que sale del filtro al retirarse el filtro y los tapones de ventilación.
Localice y retire el tapón de ventilación de cada transmisión.
Desenrosque el filtro, retírelo y deje que se vacíe el fluido del sistema de transmisión.
Repita este procedimiento en ambos filtros.
Aplique una capa fina de fluido hidráulico a la superficie de la junta de goma de cada filtro.
Gire el filtro en sentido horario hasta que la junta de goma entre en contacto con el adaptador del filtro, luego apriete el filtro entre tres cuartos de vuelta y una vuelta completa más.
Haga lo mismo con el otro filtro.
Instale los protectores de filtro sobre cada filtro que retiró anteriormente.
Utilice los 3 tornillos para sujetar los protectores de los filtros.
Compruebe que los tapones de ventilación han sido retirados antes de añadir fluido.
Vierta lentamente fluido del tipo especificado en el depósito de expansión hasta que salga fluido de uno de los orificios de ventilación.
Coloque el tapón de ventilación.
Apriete la bujía a 20 N·m.
Siga añadiendo fluido a través del depósito de expansión hasta que el fluido salga del otro orificio de ventilación de la segunda transmisión.
Instale el otro tapón de ventilación.
Apriete la bujía a 20 N·m.
Siga añadiendo fluido a través del depósito de expansión hasta que llegue a la línea FULL COLD del depósito de expansión.
Vaya al paso Purga del sistema hidráulico.
Important: Si no se realiza correctamente el procedimiento de Purga del sistema hidráulico después de cambiar los filtros hidráulicos y el fluido, pueden producirse daños irreparables en el sistema de tracción del transeje.

Levante la parte trasera de la máquina y apóyela sobre gatos fijos (u otro soporte equivalente) a una altura suficiente para permitir que las ruedas motrices giren libremente.

Arranque el motor, mueva el control del acelerador hacia adelante a la posición intermedia y quite el freno de estacionamiento.
Mueva las palancas de desvío a la posición de empujar la máquina. Con las válvulas de desvío abiertas y el motor en marcha, mueva lentamente las palancas de control de movimiento 5 ó 6 veces hacia adelante y hacia atrás.
Mueva las palancas de desvío a la posición de operación de la máquina.
Con la válvula de desvío cerrada y el motor en marcha, mueva lentamente la palanca de control 5 ó 6 veces hacia adelante y hacia atrás.
Pare el motor y verifique el nivel de fluido del depósito de expansión. Añada fluido del tipo especificado hasta que llegue a la línea FULL COLD del depósito de expansión.
Repita el paso 2 hasta que haya purgado todo el aire del sistema.
Note: Si el transeje funciona con un nivel de ruido normal, y se desplaza hacia adelante y hacia atrás a una velocidad normal, está purgado.
Verifique una vez más el nivel de fluido del depósito de expansión. Añada fluido del tipo especificado hasta que llegue a la línea FULL COLD del depósito de expansión.
Una cuchilla desgastada o dañada puede romperse, y un trozo de la cuchilla podría ser arrojado hacia usted u otra persona, provocando lesiones personales graves o la muerte. Cualquier intento de reparar una cuchilla dañada puede anular la certificación de seguridad del producto.
Inspeccione periódicamente las cuchillas, para asegurarse de que no están desgastadas ni dañadas.
Tenga cuidado al comprobar las cuchillas. Envuelva las cuchillas o lleve guantes, y extreme las precauciones al manejar las cuchillas. Las cuchillas únicamente pueden ser cambiadas o afiladas; no las enderece ni las suelde nunca.
En máquinas con múltiples cuchillas, tenga cuidado puesto que girar una cuchilla puede hacer que giren otras cuchillas.
Aparque la máquina en una superficie nivelada, desengrane el mando de control de las cuchillas (TDF) y ponga el freno de estacionamiento.
Pare el motor, retire la llave y desconecte los cables de las bujías.
| Intervalo de mantenimiento y servicio | Procedimiento de mantenimiento |
|---|---|
| Cada vez que se utilice o diariamente |
|
Inspeccione los filos de corte (Figura 75).
Si los filos están romos o tienen muescas, retire la cuchilla y afílela; consulte Afilado de las cuchillas.
Inspeccione las cuchillas, especialmente en la parte curva.
Si observa fisuras, desgaste o la formación de una ranura en esta zona, instale de inmediato una cuchilla nueva (Figura 75).

Note: La máquina debe estar sobre una superficie nivelada para realizar el procedimiento siguiente.
Eleve la carcasa del cortacésped a la posición más alta.
Llevando guantes fuertemente acolchados u otro tipo de protección apropiada para las manos, gire lentamente la cuchilla hasta una posición que permita medir la distancia entre el filo de corte y la superficie nivelada en la que descansa la máquina (Figura 76).

Mida desde la punta de la cuchilla hasta la superficie plana (Figura 77).

Gire la misma cuchilla 180grados de manera que el otro extremo esté en la misma posición (Figura 78).

Mida desde la punta de la cuchilla hasta la superficie plana (Figura 79).
Note: La diferencia no debe ser superior a 3 mm.

Si la diferencia entre A y B es de más de 3 mm, sustituya la cuchilla por una cuchilla nueva; consulte Cómo retirar las cuchillas y Cómo instalar las cuchillas.
Note: Si se cambia una cuchilla doblada por una nueva y la dimensión obtenida sigue siendo de más de 3 mm, el eje de la cuchilla podría estar doblado. Póngase en contacto con su Servicio Técnico Autorizado para que revise la máquina.
Si la diferencia está dentro de los límites, pase a la cuchilla siguiente.
Repita este procedimiento con cada cuchilla.
Cambie las cuchillas si han golpeado un objeto sólido, o si la cuchilla está desequilibrada o doblada.
Sujete el eje de la cuchilla con una llave.
Retire del eje el perno de la cuchilla, la arandela curva y la cuchilla (Figura 80).

Utilice una lima para afilar el filo de corte en ambos extremos de la cuchilla (Figura 81).
Note: Mantenga el ángulo original.
Note: La cuchilla permanece equilibrada si se retira la misma cantidad de material de ambos filos de corte.

Verifique el equilibrio de la cuchilla colocándola sobre un equilibrador de cuchillas (Figura 82).
Note: Si la cuchilla se mantiene horizontal, está equilibrada y puede utilizarse.
Note: Si la cuchilla no está equilibrada, rebaje algo el metal en la parte de la vela solamente (Figura 81).

Repita este procedimiento hasta que la cuchilla esté equilibrada.
Instale la cuchilla en el eje (Figura 80).
Important: La parte curva de la cuchilla debe apuntar hacia arriba, hacia el interior del cortacésped para asegurar un corte correcto.
Instale la arandela curva y el perno de la cuchilla (Figura 80).
Note: Instale la arandela curva con el cono hacia la cabeza del perno.
Apriete el perno de la cuchilla a 115–150 N·m.
Compruebe que la carcasa de corte está nivelada cada vez que instale el cortacésped o cuando observe un corte desigual en el césped.
Compruebe que las cuchillas no están dobladas antes de nivelar la carcasa; retire y sustituya cualquier cuchilla que esté doblada; consulte Verificación de la rectilinealidad de las cuchillas antes de continuar.
Primero, nivele la carcasa de corte lateralmente; luego puede ajustar la inclinación longitudinal.
Requisitos:
La máquina debe estar sobre una superficie nivelada.
Todos los neumáticos deben estar correctamente inflados; consulte Comprobación de la presión de los neumáticos.
Aparque la máquina en una superficie nivelada, desengrane el mando de control de las cuchillas (TDF) y ponga el freno de estacionamiento.
Apague el motor, retire la llave y espere a que se detengan todas las piezas en movimiento antes de abandonar el puesto del operador.
Compruebe la presión de los neumáticos de las ruedas motrices. Consulte Comprobación de la presión de los neumáticos.
Ponga la carcasa de corte en la posición de bloqueo de transporte.
Gire cuidadosamente las cuchillas colocándolas perpendicularmente al sentido de avance de la máquina.
Mida entre la punta de la cuchilla y la superficie plana (Figura 83). Si hay una diferencia de más de 5 mm entre ambas dimensiones, ajuste la nivelación, y siga con este procedimiento.


Compruebe la inclinación longitudinal de las cuchillas (Figura 84). Asegúrese de que la punta de la cuchilla delantera está más baja que la punta de la cuchilla trasera, según se muestra en la tabla Altura de los bloques e inclinación. Si es necesario realizar ajustes, siga con este procedimiento.

Ajuste los rodillos protectores del césped en los taladros superiores o retírelos completamente para este ajuste.
Coloque dos bloques (consulte la tabla siguiente) debajo del borde trasero del faldón de la carcasa de corte, uno en cada lado de la carcasa (Figura 85).
Ponga la palanca de ajuste de altura de corte en la posición de 76 mm.
Coloque dos bloques debajo de cada lado del borde delantero de la carcasa, pero no debajo de los soportes de los rodillos protectores del césped o de las soldaduras.

| Tamaño de la carcasa | Altura del bloque | Inclinación |
| Todas las carcasas de corte | 7,3 cm | 4,8 – 6,4 mm |
Gire cuidadosamente las cuchillas colocándolas perpendicularmente al sentido de avance de la máquina (Figura 83).
Afloje las contratuercas (Figura 86) en las 4 esquinas y compruebe que la carcasa de corte está bien asentada sobre los cuatro bloques.
Eliminar cualquier holgura de las cadenas de suspensión de la carcasa y asegúrese de que el pedal de elevación de la carcasa está hacia atrás, contra el tope.
Apriete las 4 contratuercas.

Asegúrese de que los bloques están ajustados debajo del faldón de la carcasa y que todos los pernos de fijación están bien apretados
Siga nivelando la carcasa comprobando la inclinación longitudinal (delante/detrás) de las cuchillas.
Compruebe la nivelación de las cuchillas y repita el procedimiento de nivelación de la carcasa si es necesario.
Aparque la máquina en una superficie nivelada, desengrane el mando de control de las cuchillas (TDF) y ponga el freno de estacionamiento.
Pare el motor, retire la llave y desconecte los cables de las bujías.
Coloque el pasador de ajuste de altura en el taladro que corresponde a una altura de 7,6 cm.
Retire las cubiertas de las correas.
Afloje el tensor de la carcasa de corte y retire la correa del cortacésped; consulte Mantenimiento de las correas.
Retire los pernos y las tuercas de la parte delantera de la placa situada debajo del reposapiés.
Retire y guarde los pernos y las tuercas de ambos lados de la máquina (Figura 87).

Retire la carcasa de debajo del lado derecho de la máquina.
Si el hueco de descarga se deja destapado, el cortacésped podría arrojar objetos hacia usted o hacia otras personas y causar lesiones graves. También podría producirse un contacto con la cuchilla.
No utilice nunca la máquina sin haber instalado una placa de mulching, un deflector de descarga o un sistema de recogida de hierba.
Retire la contratuerca, el perno, el muelle y el espaciador que sujetan el deflector a los soportes de pivote (Figura 88).
Retire el deflector de hierba dañado o desgastado (Figura 88).

Coloque el espaciador y el muelle en el deflector de hierba.
Coloque uno de los ganchos en J del muelle detrás del reborde de la carcasa.
Note: Asegúrese de colocar un extremo con gancho en J del muelle detrás del reborde de la carcasa antes de instalar el perno, según se muestra en Figura 88.
Instale el perno y la tuerca.
Coloque 1 extremo en J del muelle alrededor del deflector de hierba (Figura 88).
Important: El deflector de hierba debe poder girar. Levante el deflector hasta que esté totalmente abierto, y asegúrese de que gire hasta cerrarse por completo.
| Intervalo de mantenimiento y servicio | Procedimiento de mantenimiento |
|---|---|
| Cada vez que se utilice o diariamente |
|
Aparque la máquina en una superficie nivelada, desengrane el mando de control de las cuchillas (TDF) y ponga el freno de estacionamiento.
Apague el motor, retire la llave y espere a que se detengan todas las piezas en movimiento antes de abandonar el puesto del operador.
Eleve la carcasa de corte a la posición de TRANSPORTE.
Utilice aire comprimido para limpiar el sistema de suspensión.
Note: No limpie los conjuntos de amortiguador con agua a presión (Figura 89).

El aceite de motor, las baterías, el fluido hidráulico y el refrigerante del motor son contaminantes medioambientales. Elimínelos de acuerdo con la normativa estatal y local.
Apague el motor, retire la llave, espere a que se detengan todas las piezas en movimiento y deje que el motor se enfríe antes de guardar la máquina.
No almacene la máquina o el combustible cerca de una llama, y no drene el combustible dentro de un edificio.
Retire la llave y guárdela en un lugar seguro, fuera del alcance de los niños.
Desengrane el mando de control de las cuchillas (TDF) y accione el freno de estacionamiento.
Apague el motor, retire la llave y espere a que se detengan todas las piezas en movimiento antes de abandonar el puesto del operador.
Retire los recortes de hierba, la suciedad y la mugre de las piezas externas de toda la máquina, especialmente el motor y el sistema hidráulico. Limpie la suciedad y la broza de la parte exterior del alojamiento de las aletas de la culata de cilindros del motor y del soplador.
Important: La máquina puede lavarse con un detergente suave y agua. No lave la máquina a presión. Evite el uso excesivo de agua, especialmente cerca del panel de control, el motor, las bombas hidráulicas y los motores eléctricos.
Compruebe el funcionamiento del freno de estacionamiento; consulte Ajuste del freno de estacionamiento.
Revise el limpiador de aire; consulte Mantenimiento del limpiador de aire.
Engrase la máquina; consulte Lubricación.
Cambie el aceite del cárter; consulte Mantenimiento del aceite de motor.
Compruebe la presión de los neumáticos; consulte Comprobación de la presión de los neumáticos.
Cambie los filtros hidráulicos; consulte Cambio del fluido hidráulico y los filtros.
Cargue la batería; consulte Cómo cargar la batería.
Rasque cualquier acumulación importante de hierba y suciedad de los bajos del cortacésped, luego lávelo con una manguera de jardín.
Note: Haga funcionar la máquina con el mando de control de las cuchillas (TDF) engranado y el motor en ralentí alto durante 2 a 5 minutos después del lavado.
Compruebe la condición de las cuchillas; consulte Mantenimiento de las cuchillas de corte.
Prepare la máquina para su almacenamiento cuando no la vaya a utilizar durante más de 30 días. Prepare la máquina para el almacenamiento de la manera siguiente:
Agregue un estabilizador/acondicionador a base de petróleo al combustible del depósito. Siga las instrucciones de mezcla del fabricante del estabilizador. No use un estabilizador a base de alcohol (etanol o metanol).
Note: Un estabilizador/acondicionador de combustible es más eficaz cuando se mezcla con combustible fresco y se utiliza en todo momento.
Haga funcionar el motor para distribuir el combustible con acondicionador por todo el sistema de combustible durante 5 minutos.
Pare el motor, deje que se enfríe y drene el depósito de combustible.
Arranque el motor y hágalo funcionar hasta que se pare.
Deseche el combustible adecuadamente. Recicle el combustible según la normativa local.
Important: No guarde combustible que contenga estabilizador/acondicionador durante más tiempo que el recomendado por el fabricante del estabilizador de combustible.
Retire la(s) bujía(s) y verifique su condición; consulte Mantenimiento de la(s) bujía(s). Con la(s) bujía(s) retirada(s) del motor, vierta 30 ml (dos cucharadas soperas) de aceite de motor en el orificio de la bujía. Utilice el motor de arranque para hacer girar el motor y distribuir el aceite dentro del cilindro. Instale la(s) bujía(s). No instale los cables en la(s) bujía(s).
Revise y apriete todos los pernos, tuercas y tornillos. Repare o sustituya cualquier pieza dañada.
Pinte las superficies que estén arañadas o donde esté visible el metal. Puede adquirir la pintura en su Servicio Técnico Autorizado.
Guarde la máquina en un garaje o almacén seco y limpio. Retire la llave del interruptor y guárdela fuera del alcance de niños u otros usuarios no autorizados. Cubra la máquina para protegerla y para conservarla limpia.
| Problem | Possible Cause | Corrective Action |
|---|---|---|
| El motor se sobrecalienta. |
|
|
| El motor de arranque no se engrana. |
|
|
| El motor no arranca, arranca con dificultad, o no sigue funcionando. |
|
|
| El motor pierde potencia. |
|
|
| La máquina se desvía a la derecha o a la izquierda (con las palancas de control de movimiento totalmente hacia adelante). |
|
|
| No es posible conducir la máquina. |
|
|
| La máquina vibra de manera anormal. |
|
|
| La altura de corte no es homogénea. |
|
|
| Las cuchillas no giran. |
|
|
| El embrague no se engrana. |
|
|
