| Cadenza di manutenzione | Procedura di manutenzione |
|---|---|
| Prima di ogni utilizzo o quotidianamente |
|
Questo tosaerba a lame rotanti con operatore a bordo è pensato per l'utilizzo da parte di operatori professionisti del verde. Il suo scopo è quello di tagliare l'erba di prati ben tenuti di complessi residenziali o proprietà commerciali.
Leggete attentamente il presente manuale al fine di utilizzare e mantenere correttamente il prodotto ed evitare infortuni e danni. Voi siete responsabili del corretto utilizzo del prodotto, all'insegna della sicurezza.
Visitate il sito www.Toro.com per ricevere materiali di formazione sulla sicurezza e il funzionamento dei prodotti, avere informazioni sugli accessori, ottenere assistenza nella ricerca di un rivenditore o registrare il vostro prodotto.
Per assistenza, ricambi originali Toro o ulteriori informazioni, rivolgetevi a un Distributore Toro autorizzato o ad un Centro Assistenza Toro ed abbiate sempre a portata di mano il numero del modello ed il numero di serie del prodotto. Figura 1 indica la posizione del numero del modello e del numero di serie sul prodotto. Scrivete i numeri negli spazi previsti.
Important: Con il vostro dispositivo mobile potete scansionare il codice QR (se presente) sull’adesivo con il numero di serie per accedere alla garanzia, ai ricambi e ad altre informazioni sul prodotto.

Per evidenziare le informazioni vengono utilizzate due parole. Importante indica informazioni meccaniche di particolare importanza e Nota evidenzia informazioni generali di particolare rilevanza.
Questo prodotto è conforme a tutte le direttive europee pertinenti. Per informazioni dettagliate vedere la Dichiarazione di Conformità (DICO) specifica del prodotto, fornita a parte.
Navigate sul sito www.Toro.com per visualizzare le specifiche del vostro modello.
Forza lorda o netta: La forza lorda o netta di questo motore è stata valutata in laboratorio dal produttore del motore in conformità alla norma SAE (Society of Automotive Engineers) J1940 o J2723. La configurazione rispondente ai requisiti di sicurezza, emissioni e funzionamento comporta una sensibile riduzione della coppia effettiva del motore di questa classe di tosaerba. Fate riferimento alle informazioni fornite dal produttore del motore fornite insieme alla macchina.
Important: Se state utilizzando una macchina con motore Toro al di sopra di 1.500 m di altitudine per un periodo continuato, assicuratevi che sia stato installato il Kit altitudini elevate, in modo che il motore soddisfi i regolamenti sulle emissioni CARB/EPA. Il Kit altitudini elevate aumenta le prestazioni del motore impedendo, al tempo stesso, ostruzioni delle candele, difficoltà di avviamento e aumenti delle emissioni. Una volta installato il kit, applicate l'adesivo per le altitudini elevate accanto all'adesivo del numero di serie sulla macchina. Contattate un Centro assistenza Toro autorizzato per ottenere il kit altitudini elevate e la relativa etichetta per la vostra macchina. Per individuare un distributore nelle vostre vicinanze, navigate sul nostro sito Web www.Toro.com o contattate il nostro Servizio clienti Toro al numero (o numeri) indicato nella vostra dichiarazione di garanzia sul controllo delle emissioni.Rimuovete il kit dal motore e riportate il motore alla configurazione originaria di fabbrica quando è in funzione al di sotto di 1.500 m di altitudine. Non utilizzate un motore convertito per l'utilizzo ad altitudini elevate ad altitudini inferiori, altrimenti potreste surriscaldarlo e danneggiarlo.Se non siete sicuri del fatto che la vostra macchina sia stata convertita per l'uso ad altitudini elevate o meno, cercate la seguente etichetta (Figura 2).

Questa macchina è stata progettata in conformità con EN ISO 5395:2013.
Il simbolo di avvertimento (Figura 3) è utilizzato in questo manuale e sulla macchina per identificare messaggi di sicurezza importanti da seguire per evitare incidenti.
Questo simbolo indica: ATTENZIONE! STATE ALLERTA! NE VA DELLA VOSTRA SICUREZZA!

Il simbolo di avvertimento compare sopra l'informazione che vi avverte di azioni o situazioni non sicure e sarà seguito dalla parola PERICOLO, AVVERTENZA o ATTENZIONE.
PERICOLO: indica una situazione di pericolo imminente che, se non evitata, determinerà sicuramente la morte o gravi infortuni.
AVVERTENZA: indica una situazione di potenziale pericolo che, se non evitata, può determinare la morte o gravi infortuni.
ATTENZIONE: indica una situazione di potenziale pericolo che, se non evitata, potrebbe determinare infortuni lievi o moderati.
Per evidenziare le informazioni vengono utilizzate anche altre due parole. Importante indica informazioni meccaniche di particolare importanza e Nota evidenzia informazioni generali di particolare rilevanza.
Questa macchina è in grado di amputare mani e piedi e di scagliare oggetti. Toro ha progettato e testato questo tosaerba per offrire un servizio ragionevolmente sicuro; tuttavia, il mancato rispetto delle istruzioni di sicurezza può comportare infortuni o la morte.
Leggete, comprendete e seguite tutte le istruzioni e le avvertenze contenute nel Manuale dell'operatore e altro materiale di addestramento, sulla macchina, su motore e sugli attrezzi. Tutti gli operatori ed i meccanici devono essere addestrati. Se l'operatore (o gli operatori) o il meccanico (o meccanici) non sono in grado di leggere il presente manuale, è responsabilità del proprietario illustrare loro questo materiale; sul nostro sito Web possono essere disponibili altre lingue.
Consentite l'utilizzo della macchina solo a operatori addestrati, responsabili e fisicamente capaci, che abbiano familiarità con il funzionamento sicuro, i comandi dell'operatore e i segnali e le istruzioni di sicurezza. Non permettete a bambini, ragazzi o adulti non addestrati di utilizzare o manutenere l'attrezzatura. Le normative locali possono imporre limiti all'età dell'operatore.
Tenete sempre il roll bar completamente alzato e bloccato, ed allacciate la cintura di sicurezza.
Non utilizzate la macchina in prossimità di scarpate, fossi, terrapieni o zone con presenza di acqua o altri pericoli, oppure su terreni con pendenza superiore a 15 gradi.
Non infilate le mani o i piedi accanto alle parti in movimento della macchina.
Non utilizzate mai la macchina quando le protezioni, gli schermi o le coperture sono danneggiati. Assicuratevi sempre che schermi, protezioni, interruttori e altri dispositivi di sicurezza siano montati e in buone condizioni operative.
Fermate la macchina, spegnete il motore e togliete la chiave prima di effettuare interventi di assistenza, rifornimento o disintasamento della macchina.

![]() |
Gli adesivi di sicurezza e di istruzione sono chiaramente visibili e sono affissi accanto a zone particolarmente pericolose. Sostituite gli adesivi danneggiati o smarriti. |



























Prima di avviare il motore e di utilizzare la macchina, familiarizzate con tutti i comandi.

L'interruttore a chiave, utilizzato per avviare e spegnere il motore, ha 3 posizioni: SPEGNIMENTO, MARCIA e AVVIAMENTO. Vedere Avviamento del motore.
Usate il comando dello starter per avviare il motore a freddo.
L’acceleratore controlla il regime motore e vanta una regolazione continua variabile dalla posizione di MINIMA a quella di MASSIMA (Figura 6).
Il comando delle lame, rappresentato dal simbolo della presa di forza (PDF), innesta e disinnesta l'alimentazione alle lame del tosaerba (Figura 6).
Il contaore registra il numero di ore di funzionamento del motore, e funziona quando il motore gira. Utilizzate questi tempi per la programmazione della manutenzione ordinaria (Figura 7).

Sul contaore sono presenti dei simboli che indicano, per mezzo di un triangolo nero, che il componente microinterruttore è posizionato correttamente (Figura 7).
Se girate l’interruttore a chiave in posizione di ACCENSIONE per alcuni secondi, la tensione della batteria viene visualizzata nell'area in cui generalmente vengono visualizzate le ore.
La spia della batteria si accende quando l'interruttore a chiave è acceso e quando la carica è inferiore al giusto livello di funzionamento (Figura 7).
Utilizzate le leve di controllo del movimento per fare marcia avanti, indietreggiare e girare la macchina nella direzione opportuna (Figura 5).
Spostate le leve di controllo del movimento verso l'esterno, nella posizione di BLOCCO IN FOLLE quando scendete dalla macchina (Figura 25). Quando fermate la macchina o la lasciate incustodita, mettete sempre le leve di controllo del movimento in posizione di BLOCCO IN FOLLE.
Ogni volta che spegnete il motore, inserite il freno di stazionamento per evitare lo spostamento involontario della macchina.
Chiudete la valvola di intercettazione del carburante durante il trasporto o il rimessaggio della macchina; fate riferimento a Utilizzo della valvola di intercettazione del carburante.
Note: Specifiche e disegno sono soggetti a variazione senza preavviso.
| scocca del tosaerba da 122 cm | scocca del tosaerba da 132 cm | |
|---|---|---|
| Senza scocca del tosaerba | 121 cm | 124 cm |
| Deflettore su | 133 cm | 144 cm |
| Deflettore giù | 160 cm | 171 cm |
| scocca del tosaerba da 122 cm | scocca del tosaerba da 132 cm | |
|---|---|---|
| Lunghezza | 208 cm | 208 cm |
| Roll Bar - Sollevato | Roll Bar - Abbassato |
|---|---|
| 179 cm | 125 cm |
| Macchine | Zavorra |
| macchine a scarico laterale da 122 cm | da 385 a 425 kg |
| macchine a scarico laterale da 132 cm | da 391 a 434 kg |
È disponibile una gamma di attrezzi ed accessori approvati da Toro per l'impiego con la macchina, per ottimizzare ed ampliare le sue applicazioni. Richiedete la lista degli attrezzi ed accessori approvati ad un Centro Assistenza Toro o ad un Distributore autorizzati, oppure visitate www.Toro.com
Per garantire prestazioni ottimali e mantenere sempre la macchina in conformità alle norme di sicurezza, utilizzate esclusivamente ricambi e accessori originali Toro. Ricambi e accessori di altri produttori potrebbero risultare pericolosi e il loro impiego potrebbe far decadere la garanzia del prodotto.
Note: Stabilite i lati sinistro e destro della macchina rispetto alla normale posizione di guida.
Esaminate il terreno per determinare quali accessori e quali attrezzi siano necessari per eseguire il lavoro in modo corretto e sicuro. Usate unicamente accessori e attrezzi approvati da Toro.
Ispezionate l'area in cui deve essere utilizzata l'attrezzatura, e togliete tutte le pietre, giocattoli, rametti, fili metallici, ossi ed altri oggetti estranei. Questi possono essere scagliati o interferire con il funzionamento della macchina e possono causare lesioni personali all'operatore o agli astanti.
Indossate dispositivi di protezione individuali opportuni, come occhiali di sicurezza, calzature robuste e antiscivolo e protezioni per l'udito. Legate i capelli lunghi ed evitate indumenti larghi e gioielli pendenti che possano rimanere impigliati nelle parti mobili.
Questa macchina produce livelli acustici superiori a 85 dBA alle orecchie dell'operatore, e può causare la perdita dell'udito in caso di lunghi periodi di esposizione al rumore.
Quando utilizzate questa macchina indossate la protezione per l'udito.
Controllate che i comandi dell'operatore, gli interruttori di sicurezza e le protezioni siano collegati e correttamente funzionanti. Se non funzionano correttamente, non azionate la macchina.
Non utilizzate il tosaerba quando nella zona sono presenti persone, in particolare bambini, o animali domestici. Arrestate la macchina e l'attrezzo (o attrezzi) se qualcuno entra nell'area.
Non utilizzate la macchina senza che l'intero sistema di raccolta dello sfalcio, il deflettore di scarico o altri dispositivi di sicurezza siano in posizione e in buone condizioni operative. I componenti del cesto di raccolta sono soggetti a usura, danni e deterioramento, fattori che possono scoprire parti mobili o favorire il lancio di oggetti. Controllate di frequente che non siano presenti componenti usurati o in deterioramento e sostituiteli con i ricambi raccomandati dal produttore, quando necessario.
Prestate estrema cautela nel maneggiare il carburante.
In talune condizioni, il carburante è estremamente infiammabile e i suoi vapori altamente esplosivi.
Eventuali incendi o esplosioni possono provocare ustioni a voi e altre persone e seri danni alle cose.
Fate il pieno di carburante all'aperto su una superficie piana, in un'area libera e a motore freddo. e tergete la benzina versata.
Non fate mai rifornimento di carburante né spurgate la macchina in luoghi chiusi o all’interno di un rimorchio cintato.
Non riempite completamente il serbatoio del carburante. Riempite il serbatoio fino alla base del collo del bocchettone. Lo spazio vuoto nel serbatoio serve a contenere l'espansione della benzina. Un eccessivo riempimento del serbatoio può causare la fuoriuscita di carburante, danni al motore o al sistema di controllo delle emissioni.
Non fumate mai quando maneggiate benzina, e state lontani da fiamme libere e da dove i fumi di benzina possono essere accesi da scintille.
Conservate la benzina in taniche omologate, e tenetela lontano dalla portata dei bambini.
Aggiungete il carburante prima di avviare il motore. Non togliete mai il tappo del serbatoio, né aggiungete il carburante, a motore acceso o caldo.
Se del carburante dovesse fuoriuscire, non tentate di avviare il motore. Allontanatevi dall'area della fuoriuscita ed evitate di creare fonti di ignizione fino a quando i vapori di carburante non saranno evaporati.
Non utilizzate la macchina senza l’impianto di scarico completo o se quest’ultimo non è in perfette condizioni d’impiego.
In talune condizioni, durante il rifornimento, vengono rilasciate scariche elettrostatiche che causano scintille in grado di fare incendiare i vapori di benzina. Incendio o esplosioni causati dalla benzina possono ustionare voi o altre persone, e causare danni.
Prima del rabbocco, posizionate sempre le taniche di benzina sul pavimento, lontano dal veicolo.
Non riempite le taniche di benzina all’interno di un veicolo oppure su un autocarro o un rimorchio, in quanto il tappetino del rimorchio o le pareti di plastica del camion possono isolare la tanica e rallentare la dispersione delle cariche elettrostatiche.
Se possibile, scaricate la macchina dal camion o dal rimorchio ed effettuate il rifornimento con le ruote sul pavimento.
Qualora ciò non sia possibile, rabboccate l’attrezzatura sull’autocarro o sul rimorchio mediante una tanica portatile, anziché con una normale pompa del carburante.
Qualora sia necessario utilizzare una pompa del carburante, tenete sempre l'ugello a contatto con il bordo del serbatoio del carburante oppure sull'apertura della tanica fino al termine del rifornimento. Non usate un dispositivo di apertura del blocco pompa.
Se ingerita, la benzina è nociva o micidiale. L’esposizione a lungo termine di cavie ai vapori di benzina ha provocato l’insorgenza di cancro negli animali. La mancata osservanza delle dovute attenzioni può causare gravi danni e malattie.
Evitate di respirare a lungo i vapori.
Tenete il viso lontano dall’ugello e dall’apertura del serbatoio/della tanica di benzina.
Mantenete la distanza dagli occhi e dalla pelle.
Non aspirate mai con la bocca.
Lo sfiato del serbatoio del carburante è situato all'interno del tubo del roll bar. La rimozione o modifica del roll bar può causare perdite di carburante e violare i regolamenti sulle emissioni.
Non rimuovete il roll bar.
Non saldate, perforate o modificate il roll bar in alcun modo.
Per aiutare a evitare incendi:
Tenete il motore e la relativa area privi di accumuli di erba, foglie, grasso od olio in eccesso e altri detriti che possano accumularsi in queste aree.
Pulite le fuoriuscite di olio e carburante e rimuovete i detriti imbevuti di carburante.
Lasciate raffreddare la macchina prima di rimessarla in un luogo chiuso. Non rimessatela accanto a fiamme o in un'area chiusa in cui siano presenti fiamme pilota aperte o apparecchi di riscaldamento.
Per ottenere risultati ottimali utilizzate solo benzina senza piombo fresca (con meno di 30 giorni) e pulita, di 87 o più ottani (metodo di classificazione (R+M)/2).
Etanolo: È accettabile la benzina con etanolo fino al 10% (nafta) o 15% di MTBE (metil-ter-butil-etere) per volume. L'etanolo e l'MTBE non sono la stessa cosa. Non è consentito l'utilizzo di benzina con il 15% di etanolo (E15) per volume. Non utilizzate benzina con etanolo superiore al 10% per volume, come E15 (contiene etanolo al 15%), E20 (contiene etanolo al 20%) o E85 (contiene etanolo fino all'85%). L'utilizzo di benzina non consentita può causare problemi di prestazioni e/o danni al motore non coperti dalla garanzia.
Non utilizzate benzina contenente metanolo.
Nella stagione invernale, non conservate il carburante nel serbatoio o nei contenitori senza utilizzare un apposito stabilizzatore.
Non aggiungete olio alla benzina.
L’uso di un additivo stabilizzatore/additivo nella macchina offre i seguenti vantaggi:
Mantiene fresco più a lungo il carburante quando utilizzato secondo le istruzioni del produttore dello stabilizzatore.
mantiene pulito il motore durante l'uso;
elimina i depositi gommosi nell'impianto di alimentazione, che possono provocare problemi di avviamento.
Important: Non utilizzate additivi per carburante contenenti metanolo o etanolo.
Aggiungete la quantità corretta di stabilizzatore/additivo del carburante al carburante.
Note: Lo stabilizzatore/additivo è più efficace se mescolato a carburante fresco. Per ridurre al minimo la morchia nell'impianto di alimentazione, utilizzate sempre lo stabilizzatore.
Parcheggiate la macchina su terreno pianeggiante.
Inserite il freno di stazionamento.
Spegnete il motore ed estraete la chiave.
Pulite attorno al tappo del serbatoio del carburante.
Riempite il serbatoio fino alla base del collo del bocchettone (Figura 8).
Note: Non riempite completamente il serbatoio. Lo spazio consentirà l'espansione del carburante.

Ogni giorno, prima di avviare la macchina, effettuate le procedure Ogni utilizzo/Giornaliere elencate in .
I motori nuovi raggiungono la piena potenza dopo qualche tempo. I piatti di taglio e le trasmissioni, quando sono nuovi, hanno un maggiore attrito e assoggettano il motore ad un maggiore carico. Le macchine nuove hanno bisogno di un rodaggio di 40 o 50 ore prima di sviluppare la piena potenza e dare la migliore performance.
Per evitare lesioni o decesso dovuti a ribaltamento, tenete il roll bar completamente sollevato in posizione di blocco e utilizzate la cintura di sicurezza.
Assicuratevi che il sedile sia fissato alla macchina.
Quando il roll bar è abbassato non vi è altra protezione antiribaltamento.
Abbassate il roll bar soltanto se assolutamente necessario.
Non allacciate la cintura di sicurezza quando il roll bar è abbassato.
Guidate lentamente e con prudenza.
Alzate il roll bar non appena l'altezza lo consente.
Controllate attentamente lo spazio libero superiore prima di passare con la macchina sotto qualsiasi oggetto (rami, vani porta, fili elettrici) e impeditene il contatto.
Important: Allacciate sempre la cintura di sicurezza quando il roll bar è alzato.
Sollevate il roll bar nella posizione operativa e ruotate le manopole in modo che si spostino parzialmente nelle scanalature (Figura 9).
Sollevate completamente il roll bar premendo contemporaneamente la parte superiore del roll bar in modo che i perni scattino in posizione non appena saranno allineati ai fori (Figura 9).
Premete il roll bar e assicuratevi che entrambi i perni siano innescati.
Se i microinterruttori di sicurezza sono scollegati o guasti, la macchina può muoversi improvvisamente e causare lesioni personali.
Non manomettete i microinterruttori di sicurezza.
Ogni giorno, controllate il funzionamento dei microinterruttori, e prima di azionare la macchina sostituite gli interruttori guasti.
Il sistema di microinterruttori di sicurezza è progettato per impedire l'avviamento del motore a meno che non si verifichi quanto segue:
il freno di stazionamento sia inserito;
il comando delle lame (PDF) sia disinnestato.
le leve di controllo del movimento siano in posizione di BLOCCO IN FOLLE.
Il sistema di microinerruttori di sicurezza è progettato per spegnere il motore quando si spostano le leve di controllo del movimento dalla posizione di BLOCCO IN FOLLE mentre il freno di stazionamento è inserito o se l’operatore si alza dal sedile quando la PTO è inserita.
Il contaore ha degli indicatori per avvisare l'utente quando il componente a interblocchi si trova nella giusta posizione. Quando il componente è in posizione corretta, un indicatore viene visualizzato sullo schermo.

| Cadenza di manutenzione | Procedura di manutenzione |
|---|---|
| Prima di ogni utilizzo o quotidianamente |
|
Collaudate sempre il sistema di microinterruttori di sicurezza prima di utilizzare la macchina. Qualora non funzioni come descritto di seguito, fatelo riparare immediatamente da un Centro Assistenza autorizzato.
Restando seduti sul sedile, innestate il freno di stazionamento e spostate il comando delle lame (PDF) in posizione di ACCENSIONE. Provate ad avviare il motore: non deve avviarsi.
Restando seduti sul sedile, innestate il freno di stazionamento e spostate il comando delle lame (PDF) in posizione di SPEGNIMENTO. Spostate una leva di controllo del movimento, a scelta, togliendola dalla posizione di BLOCCO IN FOLLE. Provate ad avviare il motore: non deve avviarsi. Ripetete con l'altra leva di controllo del movimento.
Sedetevi al posto di guida, inserite il freno di stazionamento, spostate il comando delle lame (PDF) in posizione di SPENTO e spostate le leve di controllo del movimento in posizione di BLOCCO IN FOLLE. Accendete il motore. Con il motore acceso, disinserite il freno di stazionamento, inserite l'interruttore di comando delle lame (PDF) e alzatevi leggermente dal sedile: il motore dovrebbe spegnersi.
Sedetevi al posto di guida, inserite il freno di stazionamento, spostate il comando delle lame (PDF) in posizione di SPENTO e spostate le leve di controllo del movimento in posizione di BLOCCO IN FOLLE. Accendete il motore. Mentre il motore gira, mettete in posizione centrale un controllo del movimento a scelta, e spostate la macchina (avanti o indietro); il motore deve spegnersi. Ripetete con l'altro controllo del movimento.
Sedetevi al posto di guida, disinserite il freno di stazionamento, spostate il comando delle lame (PDF) in posizione di SPENTO e spostate le leve di controllo del movimento in posizione di BLOCCO IN FOLLE. Provate ad avviare il motore: non deve avviarsi.
Il sedile può essere spostato avanti e indietro. Posizionate il sedile in modo da poter controllare la macchina con sicurezza e raggiungere comodamente i comandi (Figura 11).

Il sistema di sospensione MyRide™ è regolabile al fine di ottenere il migliore comfort di marcia possibile. Potete regolare i 2 gruppi ammortizzatori posteriori per cambiare in modo semplice e rapido il sistema di sospensioni. Posizionate il sistema di sospensione nella posizione per voi più confortevole.
Le scanalature per i gruppi ammortizzatori posteriori hanno posizioni di fermo come riferimento. Potete posizionare i gruppi ammortizzatori posteriori ovunque nella scanalatura, non solo nelle posizioni di fermo. Il seguente grafico illustra la posizione per una guida morbida o rigida e le diverse posizioni di fermo (Figura 12).

Note: Assicuratevi che i gruppi ammortizzatori posteriori sinistro e destro siano sempre regolati nelle stesse posizioni.
Regolazione dei gruppi ammortizzatori posteriori (Figura 13).


Utilizzate solo attrezzi e accessori approvati da Toro.
Se viene aggiunto più di 1 kit di supporto accessorio (ovvero, kit cesto di raccolta o kit supporto universale) in qualsiasi dei 4 punti indicati nella Figura 14, aggiungete un kit zavorra anteriore. Contattate un centro assistenza autorizzato per il kit zavorra anteriore.

L'operatore deve utilizzare la massima attenzione durante l'utilizzo della macchina. Non svolgete nessuna attività che vi possa distrarre; in caso contrario potrebbero verificarsi infortuni o danni.
Le parti operative del motore, in particolare la marmitta, diventano estremamente calde. A seguito del contatto possono verificarsi gravi ustioni e i detriti quali foglie, erba, spazzole, ecc. possono incendiarsi.
Lasciate raffreddare i componenti del motore, soprattutto la marmitta, prima di toccarli.
Rimuovete i detriti accumulati dall'area della marmitta e del motore.
Lo scarico del motore contiene ossido di carbonio, gas velenoso inodoro che può uccidere.
Non lasciate in funzione il motore al chiuso o in un'area ristretta e confinata dove possano raccogliersi i pericolosi fumi di monossido di carbonio.
Il proprietario/operatore può impedire che si verifichino incidenti o infortuni a se stesso, a terzi e alle cose, e ne è responsabile.
Questo tosaerba è stato progettato per un solo operatore. Non trasportate passeggeri e tenete tutti a distanza dalla macchina durante il funzionamento.
Non utilizzate la macchina se siete malati, stanchi o se siete sotto l'effetto di alcol o droga.
Azionate solamente alla luce del giorno o con illuminazione artificiale adeguata.
I lampi possono causare lesioni gravi o morte. Se vedete lampi o udite tuoni vicini all'area in cui vi trovate, non utilizzate la macchina; cercate un riparo.
Prestate ulteriore attenzione durante l'utilizzo con accessori o attrezzi, come sistemi di raccolta dello sfalcio che possono influire sulla stabilità della macchina e farvi perdere il controllo. Seguite le istruzioni per i contrappesi, se necessario.
Tenetevi a distanza da buche, solchi, dossi, rocce e altri pericoli nascosti. Prestate attenzione quando vi avvicinate ad angoli ciechi, cespugli, alberi, erba alta o altri oggetti che possano nascondere ostacoli o impedire la vostra visuale. Il terreno accidentato può ribaltare la macchina o far perdere l'equilibrio o la presa all'operatore.
Prima di avviare il motore, assicuratevi che tutte le trasmissioni siano in folle e che il freno di stazionamento sia innestato. Utilizzate le cinture di sicurezza con il roll bar in posizione sollevata e bloccata.
Avviate il motore con attenzione in base alle istruzioni, con i piedi a buona distanza dalle lame.
Non utilizzate mai il tosaerba quando le protezioni, gli schermi o le coperture sono danneggiati. Assicuratevi sempre che schermi, protezioni, interruttori e altri dispositivi di sicurezza siano montati e in buone condizioni operative.
Restate sempre lontani dall'apertura di scarico. Non tosate mai con lo sportello di scarico sollevato, rimosso o modificato, a meno che non sia presente un sistema di raccolta dell'erba o un kit mulching correttamente funzionante.
Tenete mani e piedi a distanza dalle parti mobili. Se possibile, non eseguite regolazioni mentre il motore è in funzione.
Mani, piedi, capelli, indumenti o accessori possono rimanere impigliati nelle parti rotanti. Il contatto con le parti rotanti può causare un'amputazione traumatica o gravi lacerazioni.
Non utilizzate la macchina senza protezioni, schermi e dispositivi di sicurezza montati e correttamente funzionanti.
Tenete mani, piedi, capelli, gioielli o indumenti a distanza dalle parti rotanti.
Non alzate il piatto di taglio quando le lame girano.
Siate consapevoli del percorso di scarico del tosaerba e indirizzate lo scarico diretto lontano dagli altri. Evitate di scaricare materiale contro una parete o un ostacolo, dal momento che il materiale può rimbalzare indietro verso l'operatore. Arrestate le lame, rallentate e prestate attenzione quando transitate su superfici diverse da quelle erbose e quando vi dirigete verso l'area da falciare o vi allontanate dalla medesima.
Siate vigili, rallentate e procedete con cautela quando svoltate. Prima di cambiare direzione guardate indietro e ai lati. Non tosate in retromarcia se non è strettamente necessario.
Non modificate la taratura del regolatore del motore e non fate superare al motore il regime previsto.
Parcheggiate la macchina su terreno pianeggiante. Arrestate il motore, attendete che tutte le parti mobili si fermino e togliete il cappellotto (o cappellotti) dalla candela (o candele).
Prima di controllare, pulire o agire sul tosaerba.
Dopo aver colpito un corpo estraneo o in caso di vibrazioni anomale (prima di riavviarlo e utilizzarlo ispezionate il tosaerba per rilevare eventuali danni, ed effettuate le riparazioni necessarie).
Prima di pulire i blocchi.
Ogni volta che lasciate il tosaerba incustodito. Non lasciate in funzione la macchina incustodita.
Arrestate il motore, attendete che tutte le parti mobili si fermino:
Prima del rifornimento di carburante.
Prima di scaricare il cesto di raccolta.
Prima di effettuare regolazioni dell'altezza.
Se l'operatore non è attento alla presenza di bambini possono verificarsi tragici incidenti. I bambini sono spesso attirati dalla macchina e dall'attività di tosatura. Non date mai per scontato che i bambini rimangano dove li avete visti per l'ultima volta.
Tenete i bambini a distanza dall'area di tosatura e sotto l'attenta sorveglianza di un altro adulto responsabile che non sia l'operatore.
Prestate attenzione e spegnete la macchina se dei bambini entrano nell'area da falciare.
Prima e durante la lappatura o il cambio di direzione, guardate indietro, in basso e lateralmente per escludere la presenza di bambini piccoli.
Non permettete mai che bambini e ragazzi utilizzino la macchina.
Non trasportate bambini, nemmeno con le lame spente. I bambini potrebbero cadere e subire gravi infortuni o interferire con il funzionamento sicuro della macchina. I bambini che in passato sono stati trasportati sulla macchina possono apparire all'improvviso nell'area di lavoro per un altro giro e possono essere investiti o travolti in retromarcia dalla macchina.
Le pendenze sono un importante fattore che influisce sugli incidenti causati da perdita di controllo e ribaltamento, che possono comportare gravi infortuni o la morte. L’operatore è responsabile del funzionamento sicuro in pendenza. L'utilizzo della macchina su qualsiasi pendenza richiede un livello superiore di attenzione. Prima di utilizzare la macchina in pendenza, l'operatore deve:
Rivedete e comprendete le istruzioni per le pendenze nel manuale e sulla macchina.
Utilizzate un indicatore d'angolo per determinare l'angolo approssimativo della pendenza dell'area.
Non utilizzate mai la macchina su pendenze superiori a 15 gradi.
Valutate le condizioni del sito della giornata per determinare se la pendenza è sicura per l'utilizzo della macchina. Basatevi su buon senso e giudizio quando effettuate questa valutazione. I cambiamenti del terreno, come l'umidità, possono determinare un rapido cambiamento del funzionamento in pendenza della macchina.
Individuate i pericoli alla base della pendenza. Non utilizzate la macchina in prossimità di scarpate, fossati, terrapieni, zone d'acqua o altri pericoli. La macchina potrebbe ribaltarsi improvvisamente nel caso in cui una ruota ne superi il bordo o se il bordo dovesse crollare. Mantenete la distanza di sicurezza (doppia rispetto alla larghezza della macchina) tra la macchina e il pericolo. Utilizzate una macchina a spinta o un decespugliatore manuale per tosare l'erba in queste zone.

Evitate di avviare, arrestare o far svoltare la macchina su un terreno in pendenza. Evitate di cambiare bruscamente la velocità o la direzione; sterzate in modo lento e graduale.
Non azionate la macchina in condizioni in cui trazione, sterzaggio o stabilità possono essere compromessi. Ricordate che, se la macchina viene utilizzata su erba bagnata, perpendicolarmente a una pendenza o in discesa, potrebbe perdere trazione. La perdita di trazione delle ruote motrici può comportare uno slittamento e una perdita di capacità frenante e sterzante. La macchina potrebbe slittare anche se le ruote sono ferme.
Eliminate o segnalate ostacoli quali fossi, buche, solchi, sporgenze del terreno, rocce o altri ostacoli nascosti. L'erba alta può nascondere degli ostacoli. Il terreno accidentato può ribaltare la macchina.
Prestate ulteriore attenzione durante l'utilizzo con accessori o attrezzi, come sistemi di raccolta dello sfalcio che possono influire sulla stabilità della macchina e farvi perdere il controllo. Seguite le istruzioni per i contrappesi.
Se possibile, tenete il piatto di taglio abbassato a terra durante l'utilizzo in pendenza. Il sollevamento del piatto di taglio durante l'utilizzo in pendenza può causare l'instabilità della macchina.
Un sistema di protezione antiribaltamento (roll bar) è montato sulla macchina.
Quando il roll bar è abbassato non vi sono altre protezioni antiribaltamento. Se le ruote cadono oltre i bordi dell'area di lavoro, fossi, banchine ripide o zone d'acqua possono provocare il ribaltamento della macchina e causare gravi infortuni, la morte o l'annegamento.
Non togliete il ROPS.
Tenete il roll bar alzato e bloccato, ed allacciate la cintura di sicurezza.
Abbassate il roll bar soltanto se assolutamente necessario.
Non indossate la cintura di sicurezza quando il roll bar è abbassato.
Guidate lentamente e con prudenza.
Alzate il roll bar non appena l'altezza lo consente.
Verificate che la cintura di sicurezza possa essere rilasciata rapidamente in caso di emergenza.
Controllate attentamente lo spazio libero superiore prima di passare con la macchina sotto qualsiasi oggetto (rami, vani porta e fili elettrici) e impeditene il contatto.
In caso di ribaltamento, portate l'unità a un Centro assistenza autorizzato per far ispezionare il ROPS.
Sostituite un ROPS danneggiato. Non riparate o revisionate.
Eventuali accessori, alterazioni o attrezzi aggiunti al ROPS devono essere approvati da Toro.
Utilizzate il piatto di taglio come gradino per accedere alla postazione dell’operatore (Figura 16).

Innestate sempre il freno di stazionamento quando spegnete o lasciate incustodita la macchina.
Parcheggiate la macchina su terreno pianeggiante.


Il comando delle lame (PDF) avvia ed arresta le lame del tosaerba e gli accessori elettrici.
Note: Inserendo il comando delle lame (PDF) con l'acceleratore a medio regime o meno causereste l'eccessiva usura delle cinghie di trasmissione.


Potete spostare il comando dell'acceleratore tra le posizioni MASSIMA e MINIMA (Figura 21).
Utilizzate sempre la posizione MASSIMA durante l'innesto della PDF.

Note: Con il motore tiepido o caldo non è sempre necessario strozzare l'afflusso dell'aria.
Important: Non utilizzate il motorino di avviamento per più di 5 secondi alla volta. L'utilizzo del motorino di avviamento per oltre 5 secondi può danneggiarlo. Se il motore non si avvia, attendete 10 secondi prima di utilizzare nuovamente il motorino di avviamento.

Bambini ed altre persone potrebbero ferirsi se dovessero spostare o cercare di azionare la macchina quando è incustodita.
Togliete sempre la chiave e inserite il freno di stazionamento prima di lasciare incustodita la macchina.

Important: Verificate che la valvola d'intercettazione del carburante sia chiusa prima di trasferire la macchina o del rimessaggio, per evitare perdite di carburante. Prima del trasporto innestate il freno di stazionamento. Non dimenticate di togliere la chiave, in quanto la pompa del carburante può funzionare e fare scaricare la batteria.

Le ruote motrici girano in modo indipendente, alimentate da motori idraulici su ciascun assale. Potete girare un lato in retromarcia mentre l'altro in marcia avanti, facendo in modo che la macchina giri su se stessa, anziché curvare. Ciò migliora notevolmente la manovrabilità della macchina ma può richiedere un periodo di adattamento al modo in cui si muove.
Il comando dell'acceleratore regola il regime del motore, misurato in giri al minuto. Posizionate il comando dell'acceleratore in posizione MASSIMA per ottenere prestazioni ottimali. Tosate sempre con l'acceleratore sulla massima.
La macchina può girare molto rapidamente. Potete perdere il controllo della macchina e infortunarvi o danneggiare la macchina.
Prestate molta attenzione quando sterzate.
Rallentate prima di prendere curve strette.
Note: Il motore si spegne quando spostate il pedale di controllo della trazione con il freno di stazionamento inserito.
Per spegnere la macchina, tirate le leve di comando della velocità in posizione di FOLLE.
Disinnestate il freno di stazionamento; fate riferimento a Disinnesto del freno di stazionamento.
Sbloccate le leve portandole al centro.
Per fare marcia avanti spingete lentamente in avanti le leve di controllo del movimento (Figura 26).

Sbloccate le leve portandole al centro.
Per fare marcia indietro tirate lentamente indietro le leve di controllo del movimento (Figura 27).

Il tosaerba è dotato di un deflettore incernierato che sparge lo sfalcio ai lati e in basso verso il terreno.
Se il deflettore di sfalcio, il coperchio dello scarico o il cesto di raccolta completo non sono montati, voi ed altre persone correte il rischio di venire a contatto con la lama e con oggetti scagliati dal tosaerba. Il contatto con le lame rotanti e con i detriti scagliati può provocare gravi infortuni o la morte.
Non rimuovete mai il deflettore dello sfalcio dal piatto di taglio perché il deflettore dello sfalcio indirizza il materiale verso il tappeto erboso. Nel caso in cui sia danneggiato, sostituite immediatamente il deflettore.
Non infilate mai le mani o i piedi sotto la scocca del tosaerba.
Non provate mai a pulire l'area di scarico o le lame del tosaerba a meno che non abbiate spostato l'interruttore di comando delle lame (PDF) in posizione di SPEGNIMENTO, ruotato l'interruttore a chiave in posizione di SPEGNIMENTO e rimosso la chiave dal relativo interruttore.
Accertatevi che il deflettore di sfalcio sia abbassato.
Il blocco di trasporto ha 2 posizioni ed è utilizzato con il pedale di sollevamento del piatto di taglio. Per la posizione di trasporto del piatto di taglio c'è una posizione di BLOCCAGGIO e una posizione di SBLOCCAGGIO (Figura 28).

Regolate l'altezza di taglio da 38 a 127 mm con incrementi di 6 mm spostando il perno dell'altezza di taglio nelle diverse posizioni del foro.
Spostate il blocco di trasporto in posizione di BLOCCO.
Premete sul pedale di sollevamento del piatto e sollevate il piatto del tosaerba in posizione di TRASPORTO (anche la posizione dell'altezza di taglio da 127 mm) come mostrato in Figura 29.
Togliete il perno dalla staffa dell'altezza di taglio (Figura 29).
Nella staffa dell'altezza di taglio scegliete un foro corrispondente all'altezza richiesta e inserite il perno (Figura 29).
Premete sul sollevamento del piatto, tirate la manopola del blocco di trasporto e abbassate lentamente il piatto del tosaerba.

Ogni volta che cambiate l'altezza di taglio, regolate anche l'altezza dei rulli antistrappo.
Note: Regolate i rulli antistrappo in modo che non tocchino il terreno in aree di tosatura piatte e normali.
Parcheggiate la macchina su una superficie pianeggiante, disinnestate l'interruttore di comando delle lame e inserite il freno di stazionamento.
Prima di scendere dalla postazione di guida spegnete il motore, togliete la chiave di accensione e attendete che si fermino tutte le parti in movimento.
Regolate i rulli antistrappo come illustrato nella Figura 30.


Per ottenere migliori risultati e garantire la massima circolazione dell'aria, regolate il motore in posizione MASSIMA. Per tagliare accuratamente lo sfalcio è necessaria l'aria, quindi non impostate l'altezza di taglio a un livello talmente basso da circondare totalmente il piatto di taglio con erba non tagliata. Cercate sempre di avere un lato del piatto di taglio libero da erba non tagliata, permettendo all'aria di essere aspirata all'interno del piatto di taglio.
Tagliate l'erba a una lunghezza leggermente superiore al normale, per garantire che l'altezza di taglio del piatto non strappi il terreno quando non è regolare. Tuttavia, in genere l'altezza migliore è quella usata in passato. Se l'erba è alta più di 15 cm, è preferibile praticare due passate per garantire una migliore qualità di taglio.
In genere è preferibile tagliare solamente un terzo circa del filo d'erba. Si raccomanda di non superare questa altezza, a meno che l’erba non sia rada, oppure ad autunno inoltrato quando l’erba cresce più lentamente.
Alternate la direzione della tosatura per mantenere l'erba eretta. In tal modo si agevola lo spargimento dello sfalcio, per una migliore decomposizione e fertilizzazione.
L'erba cresce a ritmi diversi in momenti diversi dell'anno. Per mantenere la stessa altezza di taglio, tosate più spesso all'inizio della primavera. Poiché a mezza estate il ritmo di crescita dell'erba rallenta, tagliate l'erba meno di frequente. Qualora l'erba non sia stata tagliata per un periodo prolungato, tagliatela prima a un'altezza di taglio elevata, e di nuovo 2 giorni dopo, riducendo gradualmente l'altezza di taglio.
Per migliorare la qualità del taglio, in determinate condizioni scegliete una velocità di spostamento inferiore.
Durante la tosatura di tappeto erboso disomogeneo, alzate l'altezza di taglio per evitare strappi sul manto erboso.
Se si arresta la marcia avanti della macchina durante la tosatura, sul tappeto erboso potrebbe depositarsi un mucchio di sfalcio. Per evitare questo inconveniente, spostatevi con le lame innestate verso un'area già tosata oppure arrestate il piatto di taglio mentre avanzate.
Eliminate lo sfalcio e la sporcizia dalla parte inferiore del piatto di taglio dopo ogni utilizzo. In caso di accumulo di erba e sporcizia all'interno del piatto di taglio, la qualità di taglio tenderà a diventare insoddisfacente.
Mantenete affilata la lama per l’intera stagione di taglio, al fine di evitare lo strappo e la frammentazione dell'erba. In caso contrario i bordi dell'erba diventano marrone, di conseguenza l'erba cresce più lentamente ed è più soggetta a malattie. Dopo ogni utilizzo controllate che le lame siano affilate e non presentino danni o segni di usura. All'occorrenza, limate eventuali tacche ed affilate le lame. Sostituite immediatamente la lama se è danneggiata o usurata, utilizzando una lama di ricambio originale Toro.
Parcheggiate la macchina su una superficie pianeggiante, disinnestate le trasmissioni, inserite il freno di stazionamento, arrestate il motore, togliete la chiave o scollegate il cappellotto dalla candela. Attendete che la macchina sia completamente ferma e raffreddata prima di effettuare interventi di regolazione, pulizia, riparazione o rimessaggio. Non permettete mai che personale non addestrato esegua interventi di manutenzione sulla macchina.
Pulite la macchina come indicato nella sezione Manutenzione. Tenete il motore e la relativa area privi di accumuli di erba, foglie, grasso od olio in eccesso e altri detriti che possano accumularsi in queste aree. Questi materiali possono diventare combustibile e provocare un incendio.
Controllate di frequente che non siano presenti componenti usurati o in deterioramento che possano creare un pericolo. Serrate la bulloneria lasciata allentata.
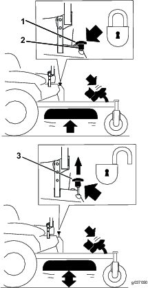
Prima di trasferire la macchina, eseguire operazioni di manutenzione o di riporla in rimessa, chiudete la valvola di intercettazione del carburante (Figura 32).
Quando accendete il motore, assicuratevi che la valvola di intercettazione del carburante sia aperta.


La mani potrebbero impigliarsi nei componenti rotanti sotto la scocca del motore, provocando ferite gravi.
Spegnete il motore, togliete la chiave e lasciate che tutte le parti mobili si fermino prima di accedere alle valvole di rilascio delle ruote motrici.
Il motore e le unità idrauliche possono diventare molto caldi. Toccando un motore o unità idrauliche che scottano si possono subire gravi ustioni.
Lasciate che il motore e le unità di trasmissione idraulica si raffreddino completamente prima di accedere alle valvole di rilascio delle ruote motrici.
Le valvole di rilascio delle ruote motrici sono situate sui lati sinistro e destro sotto al piatto del motore.
Parcheggiate la macchina su una superficie pianeggiante, disinnestate l'interruttore di comando delle lame e inserite il freno di stazionamento.
Prima di scendere dalla postazione di guida spegnete il motore, togliete la chiave di accensione e attendete che si fermino tutte le parti in movimento.
Individuate le leve di bypass dietro il sedile, in basso, sui lati sinistro e destro del telaio.
Per spingere la macchina, spostate entrambe la manopole di bypass all'indietro e bloccatele in posizione (Figura 33).
Disinserite il freno di stazionamento prima di spingere la macchina.

Per azionare la macchina, spostate le manopole di bypass su AVANTI e bloccatele in posizione (Figura 33).
Per trasportare la macchina usate un rimorchio per servizio pesante o un autocarro. Utilizzate una rampa di larghezza massima. Controllate che il rimorchio, o l'autocarro, sia provvisto dei freni, dei fari e dei segnali richiesti per legge. Leggete attentamente tutte le istruzioni di sicurezza. La conoscenza di queste informazioni potrebbe aiutare voi e gli astanti ad evitare infortuni. Fate riferimento alle vostre ordinanze locali per i requisiti di ancoraggio e del rimorchio.
Non guidate su strade o superstrade se non avete le luci di direzione, fari, catarifrangenti o un cartello di veicolo lento; ciò è pericoloso e può causare incidenti e ferite.
Non guidate la macchina su strade pubbliche o superstrade.
Quando si carica la macchina su un trailer o un autocarro si aumenta il rischio di ribaltamento, che può causare gravi ferite ed anche la morte (Figura 34).
Usate solo una rampa di larghezza massima, non singole rampe per ciascun lato della macchina.
Non superate un angolo di 15 gradi fra la rampa e il suolo o fra la rampa e il trailer o l'autocarro.
Assicuratevi che la lunghezza della rampa sia pari ad almeno 4 volte l'altezza del rimorchio o del pianale dell'autocarro da terra. Ciò garantirà che l'angolo della rampa non superi i 15 gradi su terreno pianeggiante.

Quando si carica la macchina su un trailer o un autocarro si aumenta il rischio di ribaltamento, che può causare gravi ferite ed anche la morte.
Prestate la massima attenzione quando guidate la macchina su una rampa.
Risalite in retromarcia le rampe e scendete dalle rampe in marcia avanti.
Evitate accelerazioni o decelerazioni improvvise mentre guidate la macchina su una rampa, dal momento che potrebbero causare una perdita di controllo o il ribaltamento.
Se usate un rimorchio, collegatelo al veicolo trainante per mezzo di catene di sicurezza.
Se del caso, collegate i freni e le luci del rimorchio.
Abbassate la rampa, assicurandovi che l'angolazione tra la rampa e il terreno non superi 15 gradi (Figura 34).
Risalite in retromarcia la rampa (Figura 35).

Spegnete il motore, togliete la chiave e inserite il freno di stazionamento.
Ancorate la macchina accanto alle ruote orientabili anteriori e al paraurti posteriore con cinghie, catene, cavi o corde (Figura 36). Fate riferimento ai regolamenti locali per i requisiti di ancoraggio.

Durante le operazioni di manutenzione e regolazione qualcuno potrebbe avviare il motore. L'avviamento accidentale del motore può ferire seriamente voi o altri astanti.
Prima di eseguire qualsiasi intervento di manutenzione, togliete la chiave dall'interruttore di accensione, innestate il freno di stazionamento e rimuovete il/i cappellotto/i dalla/e candela/e. Inoltre, mettete da parte il cappellotto (o cappellotti), in modo che non venga accidentalmente a contatto con la candela (o candele).
Il motore può diventare rovente. Toccare un motore caldo può causare gravi ustioni.
Lasciate raffreddare completamente il motore prima di effettuare interventi di assistenza o riparazione attorno all'area del motore.
Parcheggiate la macchina su una superficie pianeggiante, disinnestate le trasmissioni, inserite il freno di stazionamento, arrestate il motore, togliete la chiave o scollegate il cappellotto dalla candela. Attendete che la macchina sia completamente ferma e raffreddata prima di effettuare interventi di regolazione, pulizia o riparazione. Non permettete mai che personale non addestrato esegua interventi di manutenzione sulla macchina.
Prima di eseguire qualsiasi riparazione, scollegate la batteria o rimuovete il cappellotto della candela. Scollegate prima il morsetto negativo, per ultimo quello positivo. Ricollegate prima il morsetto positivo, per ultimo quello negativo.
Tenete macchina, protezioni, schermi e tutti i dispositivi di sicurezza in posizione e in condizioni operative sicure. Controllate di frequente che non siano presenti componenti usurati o in deterioramento e sostituiteli con i ricambi raccomandati dal produttore, quando necessario.
La rimozione o modifica di attrezzatura originale, ricambi e/o accessori può alterare la garanzia, la controllabilità e la sicurezza della macchina. Modifiche non autorizzate all'attrezzatura originale o il mancato utilizzo di ricambi originali Toro possono comportare gravi infortuni o la morte. Modifiche non autorizzate a macchina, motore, impianto del carburante o di spurgo possono costituire violazioni degli standard di sicurezza in vigore, quali ANSI, OSHA e NFPA e/o regolamenti governativi quali EPA e CARB.
Se il fluido idraulico fuoriesce sotto pressione, può penetrare nella pelle e causare lesioni. Il fluido penetrato accidentalmente nella pelle deve essere asportato chirurgicamente entro poche ore da un medico che abbia dimestichezza con questo tipo di lesione, diversamente subentrerà la cancrena.
Se presenti, verificate che tutti i tubi e i flessibili del fluido idraulico siano in buone condizioni, e che tutte le connessioni e i raccordi idraulici siano saldamente serrati, prima di mettere l'impianto sotto pressione.
Tenete corpo e mani lontano da perdite filiformi o da ugelli che eiettano fluido idraulico pressurizzato.
Usate cartone o carta, non le mani, per cercare perdite di fluido idraulico.
Eliminate con sicurezza la pressione dall'intero impianto idraulico posizionando le leve di controllo del movimento in folle e spegnendo il motore prima di eseguire qualsiasi intervento sull'impianto.
I componenti dell'impianto del carburante sono sotto alta pressione. L’utilizzo di componenti inadatti può causare l’avaria dell’impianto, perdite di benzina e possibili esplosioni.
Utilizzate unicamente tubi di alimentazione e filtri carburante approvati per impianti ad alta pressione.
Prestate la massima attenzione quando controllate le lame. Durante gli interventi di manutenzione avvolgete la lama (o lame) o indossate guanti adatti allo scopo, e fate attenzione. Le lame danneggiate devono essere soltanto sostituite. Non vanno mai raddrizzate o saldate.
Utilizzate cavalletti metallici per sostenere la macchina e/o i componenti quando necessario.
Potrebbe essere pericoloso sollevare la macchina per manutenzione o riparazione facendo affidamento unicamente su martinetti idraulici o meccanici. Queste potrebbero non essere sufficienti per sostenere la macchina o potrebbero non funzionare correttamente, facendo cadere la macchina e provocando conseguenti infortuni.
Non utilizzate unicamente binde meccaniche o idrauliche per sollevare la macchina. Utilizzate cavalletti idonei o supporti equivalenti.
Scaricate con cautela la pressione dai componenti che hanno accumulato energia.
Tenete mani e piedi a distanza dalle parti mobili. Se possibile, non eseguite regolazioni mentre il motore è in funzione. Se la procedura di manutenzione o regolazione richiede che il motore sia in funzione e i componenti in movimento, prestate estrema attenzione.
Il contatto con parti in movimento o superfici calde può causare infortuni.
Tenete dita, mani e abiti lontano dalle parti rotanti e dalle superfici calde.
Controllate frequentemente tutti i bulloni per mantenere il serraggio corretto.
| Cadenza di manutenzione | Procedura di manutenzione |
|---|---|
| Dopo le prime 5 ore |
|
| Dopo le prime 75 ore |
|
| Prima di ogni utilizzo o quotidianamente |
|
| Ogni 25 ore |
|
| Ogni 50 ore |
|
| Ogni 100 ore |
|
| Ogni 200 ore |
|
| Ogni 250 ore |
|
| Ogni 500 ore |
|
| Ogni mese |
|
| Ogni anno o prima del rimessaggio |
|
Se lasciate la chiave nell'interruttore, qualcuno potrebbe accidentalmente avviare il motore e ferire gravemente voi od altre persone.
Spegnete il motore e togliete la chiave dall'interruttore prima di effettuare qualsiasi intervento di manutenzione.
Allentate il bullone sopra la cortina per rilasciare la cortina del piatto del tosaerba e accedere alla parte superiore dello stesso (Figura 37). Serrate il bullone dopo la manutenzione per montare la cortina.

Allentate i 2 bulloni anteriori e rimuovete la protezione in lamiera per ottenere accesso alle cinghie e ai fuselli del tosaerba (Figura 38). Una volta effettuata la manutenzione, montate la protezione in lamiera e serrate i bulloni.

| Cadenza di manutenzione | Procedura di manutenzione |
|---|---|
| Ogni 25 ore |
|
| Ogni 50 ore |
|
Ingrassate la macchina più spesso in ambienti inquinati o polverosi.
Tipo di grasso: grasso n. 2 al litio o molibdeno
Parcheggiate la macchina su una superficie pianeggiante, disinnestate l'interruttore di comando delle lame e inserite il freno di stazionamento; fate riferimento a Innesto del freno di stazionamento.
Prima di scendere dalla postazione di guida spegnete il motore, togliete la chiave di accensione e attendete che si fermino tutte le parti in movimento.
Pulite i raccordi d’ingrassaggio con un cencio.
Note: Raschiate via eventuale vernice dalla parte anteriore del/i raccordo/i.
Ingrassate il perno della puleggia di rinvio pompa con 1 o 2 pompe del grasso (Figura 39)
Ingrassate gli assali della ruota orientabile anteriore (Figura 39).

Tergete il grasso superfluo.
Prima di controllare l'olio o di rabboccare la coppa, spegnete il motore.
Tenete mani, piedi, viso, abbigliamento e altre parti del corpo lontano dalla marmitta e altre superfici calde.
| Cadenza di manutenzione | Procedura di manutenzione |
|---|---|
| Prima di ogni utilizzo o quotidianamente |
|
| Ogni 25 ore |
|
| Ogni 100 ore |
|
| Ogni 200 ore |
|
Note: Revisionate il filtro dell'aria più di frequente in ambienti molto sporchi o sabbiosi.
Parcheggiate la macchina su una superficie pianeggiante, disinnestate l'interruttore di comando delle lame (PDF) e inserite il freno di stazionamento.
Prima di scendere dalla postazione di guida spegnete il motore, togliete la chiave di accensione e attendete che si fermino tutte le parti in movimento.
Pulite intorno al filtro dell'aria per evitare che la morchia possa penetrare nel motore provocando gravi danni.
Sollevate il coperchio e ruotate il gruppo del filtro dell'aria per estrarlo dal motore (Figura 40).


Separate gli elementi in schiuma sintetica e di carta (Figura 41).

Lavate l'elemento in schiuma sintetica con acqua tiepida e sapone. Quando è pulito, risciacquatelo accuratamente.
Asciugate l'elemento premendolo in un panno pulito.
Important: Sostituite l'elemento in schiuma sintetica se fosse danneggiato o usurato.
Battete delicatamente sull'elemento di carta per rimuovere la morchia.
Note: Non lavate l'elemento di carta né usate aria pressurizzata per evitare di danneggiare l'elemento.
Note: Sostituite un elemento sporco, piegato o danneggiato. Maneggiate il nuovo elemento con cura; non usatelo se le superfici di tenuta sono curve o danneggiate.
Pulite la base del filtro dell'aria come opportuno e verificatene le condizioni.
Montate l'elemento in schiuma sopra l'elemento di carta.
Note: Assicuratevi di non danneggiare gli elementi.
Allineate i fori del filtro ai fori del collettore.
Ruotate il filtro nella camera e innestatelo completamente contro il collettore (Figura 42).

Chiudete il coperchio.
| Cadenza di manutenzione | Procedura di manutenzione |
|---|---|
| Dopo le prime 5 ore |
|
| Prima di ogni utilizzo o quotidianamente |
|
| Ogni 100 ore |
|
Tipo di olio: Olio detergente (API service SF, SG, SH, SJ o SL)
Capacità della coppa dell'olio: 2,4 litri con il filtro dell'olio
Viscosità: Vedere la tabella seguente.

Note: Controllate l'olio a motore freddo.
Important: Se riempite troppo o troppo poco la coppa dell'olio del motore con olio e mettete in funzione il motore, potreste causare danni al motore.
Parcheggiate la macchina su una superficie pianeggiante, disinnestate l'interruttore di comando delle lame (PDF) e inserite il freno di stazionamento.
Prima di scendere dalla postazione di guida spegnete il motore, togliete la chiave di accensione e attendete che si fermino tutte le parti in movimento.
Note: Assicuratevi che il motore sia freddo, in modo che l'olio abbia avuto il tempo necessario per spurgare nel pozzetto.
Per evitare morchia, residui d'erba, ecc. nel motore, pulite l'area attorno al tappo e all'asta di livello dell'olio prima della rimozione (Figura 44).


Parcheggiate la macchina su una superficie pianeggiante per assicurarvi che l'olio venga spurgato completamente.
Disinnestate l’interruttore di comando delle lame (PDF) e innestate il freno di stazionamento.
Prima di scendere dalla postazione di guida spegnete il motore, togliete la chiave di accensione e attendete che si fermino tutte le parti in movimento.
Spurgate l'olio dal motore.


Cambiate il filtro dell'olio del motore (Figura 46).
Note: Assicuratevi che la guarnizione del filtro dell'olio tocchi il motore e poi ruotate il filtro di altri ¾ di giro.

Versate lentamente circa l'80% dell'olio indicato nel tubo di rifornimento e sempre con cautela rabboccate l'olio necessario per portarlo alla tacca di Pieno (Figura 47).

Consegnate l'olio usato ad un centro di raccolta.
| Cadenza di manutenzione | Procedura di manutenzione |
|---|---|
| Ogni 100 ore |
|
| Ogni 200 ore |
|
Prima di montare la candela accertatevi che la distanza tra gli elettrodi centrali e laterali sia corretta. Utilizzate una chiave per candele per la rimozione e il montaggio della candela, ed un calibro o uno spessimetro per il controllo e la regolazione della distanza fra gli elettrodi. Se necessario, montate una nuova candela.
Tipo: Champion® RN9YC o NGK® BPR6ES
Distanza tra gli elettrodi: 0,76 mm
Parcheggiate la macchina su una superficie pianeggiante, disinnestate l'interruttore di comando delle lame (PDF) e inserite il freno di stazionamento.
Prima di scendere dalla postazione di guida spegnete il motore, togliete la chiave di accensione e attendete che si fermino tutte le parti in movimento.
Pulite l'area attorno alla base della candela per tenere detriti e sporco lontano dal motore.
Individuate e rimuovete la/e candela/e, come illustrato nella Figura 48.


Important: Non pulite la(e) candela(e). Sostituite sempre la candela (o candele) in caso di patina nera sull'isolatore, elettrodi usurati, pellicola d'olio oppure crepe.
Se l'isolatore è marrone chiaro o grigio, il motore funziona correttamente. Una patina nera sull'isolatore significa in genere che il filtro dell'aria è sporco.
Regolate la distanza a 0,76 mm.


| Cadenza di manutenzione | Procedura di manutenzione |
|---|---|
| Prima di ogni utilizzo o quotidianamente |
|
Parcheggiate la macchina su una superficie pianeggiante, disinnestate l'interruttore di comando delle lame (PDF) e inserite il freno di stazionamento.
Prima di scendere dalla postazione di guida spegnete il motore, togliete la chiave di accensione e attendete che si fermino tutte le parti in movimento.
Rimuovete il filtro dell'aria dal motore.
Togliete il riparo del motore.
Per evitare l'ingresso di detriti nella presa d'aria, montate il filtro dell'aria sulla relativa base.
Rimuovete sporcizia ed erba dagli elementi.
Rimuovete il filtro dell'aria e montate il riparo del motore.
Montate il filtro dell'aria.
| Cadenza di manutenzione | Procedura di manutenzione |
|---|---|
| Ogni 50 ore |
|
I componenti caldi del sistema di scarico potrebbero incendiare i vapori di carburante anche dopo lo spegnimento del motore. Particelle calde espulse durante il funzionamento del motore possono fare incendiare i materiali infiammabili, determinando lesioni personali o danni alla proprietà.
Non effettuate il rifornimento o non avviate il motore finché il parascintille non sarà installato.
Parcheggiate la macchina su una superficie pianeggiante, disinnestate la PDF e inserite il freno di stazionamento.
Prima di scendere dalla postazione di guida spegnete il motore, togliete la chiave di accensione e attendete che si fermino tutte le parti in movimento.
Aspettate che la marmitta si raffreddi.
Se rilevate rotture della griglia o delle saldature, sostituite il parascintille.
Se la griglia è intasata, rimuovete il parascintille, scuotete le particelle sciolte per eliminarle e pulite la griglia con una spazzola metallica (se necessario immergete la griglia nel solvente).
Installate il parascintille sull'uscita di scarico.
| Cadenza di manutenzione | Procedura di manutenzione |
|---|---|
| Ogni 500 ore |
|
Parcheggiate la macchina su una superficie pianeggiante, disinnestate l'interruttore di comando delle lame (PDF) e inserite il freno di stazionamento.
Prima di scendere dalla postazione di guida spegnete il motore, togliete la chiave di accensione e attendete che si fermino tutte le parti in movimento.
Rimuovete il filtro dal tubo di sfiato.
Inserite il nuovo filtro all'estremità del tubo di sfiato.
In talune condizioni, il carburante è estremamente infiammabile ed altamente esplosivo. Un incendio o un'esplosione causati dal carburante possono ustionare voi ed altre persone, e provocare danni.
Fate riferimento a Rifornimento di carburante per un elenco completo di precauzioni relative al carburante.
| Cadenza di manutenzione | Procedura di manutenzione |
|---|---|
| Ogni 500 ore |
|
Important: Installate i tubi del carburante e fissateli con fascette in plastica come erano montati in origine per mantenere il tubo di alimentazione lontano dai componenti che potrebbero danneggiarlo.
Il filtro del carburante è situato vicino al motore sul lato anteriore sinistro del motore.
Parcheggiate la macchina su una superficie pianeggiante, disinnestate l'interruttore di comando delle lame (PDF) e inserite il freno di stazionamento.
Prima di scendere dalla postazione di guida spegnete il motore, togliete la chiave di accensione e attendete che si fermino tutte le parti in movimento.
Lasciate raffreddare la macchina.
Chiudete la valvola di intercettazione del carburante sotto il sedile.
Sostituite il filtro del carburante (Figura 51).
Note: Assicuratevi che i contrassegni sul filtro seguano la direzione di scorrimento del carburante.

Aprite la valvola di intercettazione del carburante.
Non cercate di svuotare il serbatoio del carburante. Per lo svuotamento del serbatoio del carburante e la revisione di qualsiasi componente dell'impianto di alimentazione rivolgetevi unicamente a un Centro Assistenza autorizzato.
Scollegate la batteria prima di riparare la macchina. Scollegate prima il morsetto negativo, per ultimo quello positivo. Collegate prima il morsetto positivo, per ultimo quello negativo.
Caricate la batteria in un'area aperta e ben ventilata, lontano da scintille e fiamme. Togliete la spina del caricabatterie prima di collegare o scollegare la batteria. Indossate indumenti di protezione e utilizzate attrezzi isolati.
| Cadenza di manutenzione | Procedura di manutenzione |
|---|---|
| Ogni mese |
|
I morsetti della batteria e gli attrezzi metallici possono creare cortocircuiti contro i componenti metallici, e provocare scintille, che possono fare esplodere i gas delle batterie e provocare infortuni.
In sede di rimozione o montaggio della batteria, impedite ai morsetti di toccare le parti metalliche della macchina.
Non lasciate che gli attrezzi metallici creino cortocircuiti fra i morsetti della batteria e le parti metalliche della macchina.
Una rimozione non corretta dei cavi dalla batteria può causare danni a macchina e cavi, causando scintille. che possono fare esplodere i gas delle batterie e provocare infortuni.
Scollegate sempre il cavo negativo (nero) della batteria prima di quello positivo (rosso).
Collegate sempre il cavo positivo (rosso) della batteria prima di quello negativo (nero).
Parcheggiate la macchina su una superficie pianeggiante, disinnestate l'interruttore di comando delle lame (PDF) e inserite il freno di stazionamento.
Prima di scendere dalla postazione di guida spegnete il motore, togliete la chiave di accensione e attendete che si fermino tutte le parti in movimento.
Rimuovete la batteria come illustrato nella Figura 52.


Durante la ricarica della batteria si sviluppano gas esplosivi.
Non fumate mai nelle adiacenze della batteria, e tenete scintille e fiamme lontano dalla batteria.
Important: La batteria deve essere sempre completamente carica (densità specifica 1,265). Questo aspetto è particolarmente importante per non danneggiare la batteria qualora la temperatura scenda sotto 0 ℃.
Togliete la batteria dal telaio; vedere Rimozione della batteria.
Caricate la batteria per 10–15 minuti a 25–30 A o per 30 minuti a 10 A.
Note: Non sovraccaricatela.
Quando la batteria è completamente carica, staccate il caricabatterie dalla presa elettrica e scollegate i cavi di ricarica dai poli della batteria (Figura 53).
Montate la batteria nella macchina e collegate i cavi; vedere Montaggio della batteria.
Note: Non usate la macchina se la batteria è scollegata, o danneggerete l’impianto elettrico.

Posizionate la batteria nel vassoio, con i poli in posizione opposta al serbatoio idraulico (Figura 52).
Montate il cavo positivo (rosso) della batteria sul morsetto positivo (+) della batteria.
Montate quindi il cavo negativo (nero) della batteria ed il filo di messa a terra sul morsetto negativo (-) della batteria.
Note: Per le macchine MyRide, assicuratevi che il cavo di terra non sfreghi contro il braccio di trascinamento o l'ammortizzatore inferiore (Figura 55).

Fissate i cavi con 2 bulloni, 2 rondelle e 2 dadi di bloccaggio (Figura 52).
Infilate la guaina rossa del morsetto sul morsetto positivo (rosso) della batteria.
Fissate la batteria con la fascetta in gomma (Figura 52).
L'impianto elettrico è protetto da fusibili, Non richiede manutenzione; tuttavia, se un fusibile salta, verificate il componente e il circuito per escludere un malfunzionamento o un cortocircuito.
I fusibili sono posizionati sulla consolle di destra vicino al sedile (Figura 55).
Per sostituire un fusibile, tiratelo ed estraetelo dall'attacco.
Montate un fusibile nuovo (Figura 55).

| Cadenza di manutenzione | Procedura di manutenzione |
|---|---|
| Prima di ogni utilizzo o quotidianamente |
|
Ispezionate la cintura di sicurezza verificando che non presenti segni di usura o tagli e che il riavvolgitore e la fibbia funzionino correttamente. Se la cintura di sicurezza è danneggiata, sostituitela.
| Cadenza di manutenzione | Procedura di manutenzione |
|---|---|
| Prima di ogni utilizzo o quotidianamente |
|
Per evitare lesioni o decesso dovuti a ribaltamento, tenete il roll bar completamente sollevato in posizione di blocco e utilizzate la cintura di sicurezza.
Assicuratevi che il sedile sia fissato alla macchina.
Verificate che la bulloneria di montaggio e le manopole siano in buone condizioni operative.
Assicuratevi che le manopole siano completamente innestate con il roll bar in posizione sollevata.
Note: Può essere necessario spingere avanti o tirare indietro il collare superiore del roll bar per inserire completamente entrambe le manopole (Figura 56 e Figura 57).


Disattivate il comando delle lame (PDF).
Portate la macchina su un'area aperta e pianeggiante e spostate le leve di controllo del movimento in posizione di BLOCCO IN FOLLE.
Portate l'acceleratore al centro tra le posizioni VELOCE e LENTO.
Spostate in avanti entrambe le leve di controllo del movimento fino a che entrambe non giungono al punto di arresto nella fessura a T.
Verificate in che modo procede la macchina.
Se la macchina punta a destra, inserite una chiave esagonale da 3/16" nel foro di accesso del pannello di copertura anteriore destro e ruotate la vite di puntamento in senso orario o antiorario per regolare la corsa della leva (Figura 58).
Se la macchina punta a sinistra, inserite una chiave esagonale da 3/16" nel foro di accesso del pannello di copertura anteriore destro e ruotate la vite di puntamento in senso orario o antiorario per regolare la corsa della leva (Figura 58).
Azionate la macchina e controllate l'intero puntamento avanti.
Ripetete la regolazione fino a ottenere il puntamento desiderato.

| Cadenza di manutenzione | Procedura di manutenzione |
|---|---|
| Ogni 50 ore |
|
Mantenete la pressione dell’aria negli pneumatici anteriori e posteriori a 0,9 bar. La pressione irregolare degli pneumatici può causare un taglio irregolare. Per ottenere valori più attendibili, controllate gli pneumatici a freddo.

Verificate e serrate i dadi ad alette delle ruote a 122–136 N∙m.
| Cadenza di manutenzione | Procedura di manutenzione |
|---|---|
| Prima di ogni utilizzo o quotidianamente |
|
Prima di ogni utilizzo, rimuovete eventuali accumuli di erba, sporco o quant'altro da griglia del motore, scarico del motore e area attorno al motore stesso. In questo modo garantirete un'adeguata ventilazione e una corretta velocità del motore e ridurrete la possibilità di surriscaldamento e danni meccanici al motore.
| Cadenza di manutenzione | Procedura di manutenzione |
|---|---|
| Ogni 500 ore |
|
Note: Eseguite questa procedura ogni volta che rimuovete o sostituite un componente del freno.
Parcheggiate la macchina su una superficie pianeggiante, disinnestate l'interruttore di comando delle lame (PDF) e inserite il freno di stazionamento.
Prima di scendere dalla postazione di guida spegnete il motore, togliete la chiave di accensione e attendete che si fermino tutte le parti in movimento.
Configurate la macchina per la spinta a mano. Vedere Utilizzo delle valvole di rilascio delle ruote motrici.
Sollevate la parte posteriore della macchina e sostenetela su cavalletti.
Affidarsi unicamente ai cavalletti meccanici o idraulici per supportare una macchina sollevata per l'assistenza o la manutenzione può essere pericoloso, dal momento che i cavalletti potrebbero non fornire un supporto sufficiente o potrebbero non funzionare correttamente, facendo cadere la macchina e causando possibili gravi lesioni.
Non utilizzate unicamente binde meccaniche o idrauliche per sollevare la macchina. Utilizzate cavalletti idonei o supporti equivalenti.
Inserite o disinserite il freno di riparazione e controllate ogni pneumatico di trazione per accertare che ogni freno si inserisca e si disinserisca.
Per eventuali regolazioni, disinnestate il freno di stazionamento. Rimuovete la coppiglia dall'albero di collegamento del freno (Figura 60).

Controllate entrambe le lunghezze della molla come mostrato in Figura 61 Qualora si renda necessaria una regolazione, ruotate il dado superiore in senso orario per accorciare la molla e in senso antiorario per allungarla.

Spingete la leva del freno di stazionamento completamente in avanti e in basso.
Ruotate l'albero di collegamento del freno in modo che l'estremità sia allineata con il foro nella leva.
Accorciate il collegamento ruotando in senso orario.
Allungate il collegamento ruotando in senso antiorario.
Inserite l'albero di collegamento del freno nel foro del freno di stazionamento e fissate con la coppiglia. Ripetete lo step 5 ed eventualmente regolate.
Completata la regolazione, rimuovete i cavalletti o i supporti equivalenti e abbassate la macchina.
Posizionate la macchina in posizione di FUNZIONAMENTO. Vedere Utilizzo delle valvole di rilascio delle ruote motrici.
| Cadenza di manutenzione | Procedura di manutenzione |
|---|---|
| Ogni 50 ore |
|
Se la cinghia è usurata, sostituitela. I segni di una cinghia usurata includono stridio durante la rotazione della cinghia, slittamento delle lame durante il taglio dell’erba, bordi sfilacciati, segni di bruciatura e spaccature sulla cinghia.
Parcheggiate la macchina su una superficie pianeggiante, disinnestate l'interruttore di comando delle lame (PDF) e inserite il freno di stazionamento.
Prima di scendere dalla postazione di guida spegnete il motore, togliete la chiave di accensione e attendete che si fermino tutte le parti in movimento.
Abbassate il tosaerba all'altezza di taglio di 76 mm.
Allentate il bullone su ogni copricinghia.
Allentate il bullone inferiore che fissa la cortina della scocca del tosaerba alla scocca stessa; fate riferimento a Rilascio della cortina del piatto di taglio.
Rimuovete la protezione in lamiera; fate riferimento a Rimozione della protezione in lamiera
Rimuovete i copricinghia e i relativi bulloni (Figura 62).

Rimuovete la tensione della molla dalla puleggia di rinvio caricata a molla. Vedere Figura 64.
Note: Utilizzate l'attrezzo per la rimozione delle molle (n. cat. Toro 92-5771) per rimuovere la molla dal montante del piatto di taglio (Figura 64).
Rimuovete la cinghia dalle pulegge della scocca del tosaerba e dalla puleggia della frizione.
Montate la nuova cinghia attorno alle pulegge del tosaerba e alla puleggia della frizione, sotto il motore (Figura 63).


Installate la molla di rinvio (Figura 63).
Note: Inserite le estremità della molla nelle scanalature di ancoraggio.
Montate i copricinghia e i relativi bulloni (Figura 65).

Montate la protezione in lamiera; fate riferimento a Rimozione della protezione in lamiera.
Serrate il bullone inferiore tenendo ferma la cortina del piatto di taglio sul piatto di taglio; fate riferimento a Rilascio della cortina del piatto di taglio.
Parcheggiate la macchina su una superficie pianeggiante, disinnestate l'interruttore di comando delle lame (PDF) e inserite il freno di stazionamento.
Prima di scendere dalla postazione di guida spegnete il motore, togliete la chiave di accensione e attendete che si fermino tutte le parti in movimento.
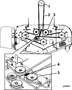
Rimuovete la cinghia del tosaerba; vedere Sostituzione della cinghia del tosaerba.
Sollevate la macchina e sostenetela su cavalletti (Figura 67).
Togliete l'arresto della frizione (Figura 66).

Staccate la molla di tensione dal perno di ancoraggio (Figura 67).
Rimuovete la cinghia esistente dalle pulegge di azionamento della pompa idraulica e dalla puleggia del motore.
Installate la nuova cinghia attorno alla puleggia del motore e alle 2 pulegge della pompa idraulica (Figura 67).

Montate l'arresto della frizione (Figura 66).
Installate la cinghia del tosaerba; vedere Manutenzione della cinghia.
Se le estremità delle leve sono a contatto, vedere Regolazione della tiranteria di controllo del movimento.
Per un comfort ottimale, è possibile regolare le leve di controllo del movimento più in alto o più in basso.
Parcheggiate la macchina su una superficie pianeggiante, disinnestate l'interruttore di comando delle lame (PDF) e inserite il freno di stazionamento.
Prima di scendere dalla postazione di guida spegnete il motore, togliete la chiave di accensione e attendete che si fermino tutte le parti in movimento.
Rimuovete la ferramenta che fissa la leva di controllo all'albero del braccio di controllo.

Spostate la leva di comando nella serie di fori successiva. Fissate la leva con la ferramenta.
Ripetete la regolazione sulla leva di comando opposta.
Parcheggiate la macchina su una superficie pianeggiante, disinnestate l'interruttore di comando delle lame (PDF) e inserite il freno di stazionamento.
Prima di scendere dalla postazione di guida spegnete il motore, togliete la chiave di accensione e attendete che si fermino tutte le parti in movimento.
Allentate il bullone superiore che fissa la leva di controllo all'albero del braccio di controllo.
Allentate il bullone inferiore appena a sufficienza per ruotare la leva di controllo in avanti o all'indietro. Serrate entrambi i bulloni per fissare il controllo nella nuova posizione.
Ripetete la regolazione sulla leva di comando opposta.

Situati sotto ciascun lato della macchina, sotto il sedile, si trovano i tiranti di controllo della pompa. Ruotando il dado terminale con una chiave a brugola profonda ½" è possibile perfezionare la regolazione, in modo che la macchina non si sposti in folle. Qualsiasi regolazione dovrà essere eseguita unicamente per il posizionamento in folle.
Il motore deve essere in funzione e le ruote motrici devono girare, in modo che sia possibile effettuare queste regolazioni. Il contatto con parti in movimento o superfici calde può causare infortuni.
Tenete dita, mani e abiti lontano dalle parti rotanti e dalle superfici calde.
Parcheggiate la macchina su una superficie pianeggiante, disinnestate l'interruttore di comando delle lame (PDF) e inserite il freno di stazionamento.
Prima di scendere dalla postazione di guida spegnete il motore, togliete la chiave di accensione e attendete che si fermino tutte le parti in movimento.
Spingete il pedale di sollevamento del piatto di taglio, rimuovete il perno dell'altezza di taglio e abbassate a terra il piatto di taglio
Sollevate la parte posteriore della macchina e sostenetela con i cavalletti (o supporti equivalenti) a un'altezza sufficiente a consentire alle ruote motrici di ruotare liberamente.
Togliete il connettore elettrico dall'interruttore di sicurezza del sedile, posto sotto il cuscino inferiore del sedile stesso.
Note: L'interruttore fa parte del gruppo del sedile.
Montate provvisoriamente un ponticello sui morsetti del connettore del cablaggio principale.
Avviate il motore, lasciatelo in funzione a pieno regime e disinserite il freno di stazionamento.
Note: Prima di avviare il motore, assicuratevi che il freno di stazionamento sia inserito e che le leve di controllo del movimento siano all'esterno. Non dovete essere sul sedile.
Lasciate in funzione la macchina per almeno 5 minuti con le leve di azionamento alla massima velocità di marcia in avanti per portare l'olio idraulico alla temperatura operativa.
Note: Le leve di controllo del movimento devono essere in folle quando effettuate eventuali regolazioni.
Portate le leve di controllo del movimento in posizione di FOLLE.
Controllate e accertate che le alette della piastra di controllo siano a contatto con le piastre di ritorno in folle sulle unità idrauliche.
Regolate le lunghezze delle aste di controllo pompa ruotando il dado nella direzione idonea, in modo che le ruote si spostino leggermente in retromarcia (Figura 70).

Spostate le leve di controllo del movimento in posizione di RETROMARCIA e applicando una leggera pressione alla leva consentite alle molle dell'indicatore di retromarcia di riportare le leve in folle.
Note: Le ruote devono smettere di ruotare o procedere leggermente in marcia indietro.
Note: Può essere necessario rimuovere la copertura del controllo del movimento per acquisire l'accesso.
Spegnete la macchina.
Togliete il ponticello dal connettore del cablaggio preassemblato ed inserite il connettore nell'interruttore del sedile.
Togliete i cavalletti metallici.
Sollevate il piatto di taglio e installate il perno dell'altezza di taglio.
Verificate e assicuratevi che la macchina non proceda quando è in folle con il freno di stazionamento disinserito.
Se il fluido viene iniettato nella pelle, rivolgetevi immediatamente ad un medico. Il fluido idraulico penetrato sotto la pelle deve essere asportato da un medico entro poche ore.
Verificate che tutti i tubi e i flessibili dell'olio idraulico siano in buone condizioni e che tutte le connessioni e i raccordi idraulici siano saldamente serrati, prima di mettere l'impianto sotto pressione.
Tenete corpo e mani lontano da perdite filiformi o da ugelli che eiettano fluido idraulico pressurizzato.
Usate cartone o carta per cercare perdite di fluido idraulico.
Eliminate con sicurezza la pressione dall'intero impianto idraulico prima di eseguire qualsiasi intervento sull'impianto.
Tipo di fluido idraulico: fluido idraulico Toro® HYPR-OIL™ 500 od olio Mobil 1 15W-50.
Important: Usate Il fluido specificato. Altri fluidi potrebbero danneggiare l'impianto idraulico.
Capacità dell'impianto idraulico (con filtri rimossi): 4,45 litri
| Cadenza di manutenzione | Procedura di manutenzione |
|---|---|
| Prima di ogni utilizzo o quotidianamente |
|
Lasciate raffreddare il fluido idraulico. Controllate il livello dell'olio quando il fluido è freddo.
Controllate il serbatoio di espansione ed eventualmente aggiungete fluido idraulico Toro® HYPR-OIL™ 500 alla linea FULL COLD.

| Cadenza di manutenzione | Procedura di manutenzione |
|---|---|
| Dopo le prime 75 ore |
|
| Ogni 250 ore |
|
| Ogni 500 ore |
|
Per sostituire il fluido idraulico è necessario togliere i filtri. Sostituite entrambi contemporaneamente; fate riferimento a Rimozione dei filtri dell'impianto idraulico per le specifiche del fluido.
Spurgate eventuale aria nell'impianto una volta montati i nuovi filtri e aggiungete il fluido. Vedere Spurgo dell'impianto idraulico. Ripetete il processo di spurgo fino a quando il fluido non rimane nella linea FULL COLD nel serbatoio dopo lo spurgo. L'esecuzione scorretta di questa procedura può causare danni irreversibili al sistema della trasmissione.
Parcheggiate la macchina su una superficie pianeggiante, disinnestate l'interruttore di comando delle lame (PDF) e inserite il freno di stazionamento.
Prima di scendere dalla postazione di guida spegnete il motore, togliete la chiave di accensione e attendete che si fermino tutte le parti in movimento.
Lasciate raffreddare il motore.
Individuate il filtro e le protezioni su ogni sistema di trasmissione (Figura 72).
Rimuovete le 3 viti con cui è fissata la protezione del filtro (Figura 72).

Pulite attentamente l’area attorno ai filtri.
Important: Non fate entrare sporcizia nell'impianto idraulico poiché potrebbe contaminarsi.
Posizionate una bacinella di spurgo sotto il filtro per raccogliere il fluido che spurga quando vengono rimossi filtro e tappi di sfiato.
Individuate e rimuovete il tappo di sfiato da ogni trasmissione
Svitate il filtro per rimuoverlo e lasciate spurgare il fluido dall'impianto di trasmissione.
Ripetete questa operazione per entrambi i filtri.
Applicate uno strato sottile di fluido idraulico sulla superficie della guarnizione in gomma di ciascun filtro.
Ruotate il filtro in senso orario fino a quando la guarnizione in gomma non viene a contatto con l’adattatore, quindi serrate il filtro di ¾ di giro o di 1 giro completo.
Ripetete per il filtro opposto.
Montate la protezione, precedentemente rimossa, su ogni filtro.
Fissate le protezioni dei filtri con le 3 viti.
Prima di aggiungere il fluido, verificate che i tappi di sfiato siano stati rimossi.
Versate lentamente il fluido specificato attraverso il serbatoio di espansione fino a quando il fluido non fuoriesce da 1 dei fori del tappo di sfiato.
Installate il tappo di sfiato.
Serrate la candela a 20 N∙m.
Continuate ad aggiungere il fluido nel serbatoio di espansione fino a quando non esce dal foro del tappo di sfiato restante sulla seconda trasmissione.
Installate il tappo di sfiato opposto.
Serrate la candela a 20 N∙m.
Continuate ad aggiungere fluido attraverso il serbatoio di espansione fino a quando non raggiunge la linea FULL COLD nel serbatoio di espansione.
Passate a Spurgo dell'impianto idraulico.
Important: La mancata esecuzione della procedura di Spurgo dell'impianto idraulico dopo la sostituzione dei filtri idraulici e del fluido può causare danni irreparabili al sistema di trasmissione del transaxle.

Sollevate la parte posteriore della macchina e sostenetela con cavalletti (o supporti equivalenti) a un'altezza sufficiente da consentire alle ruote motrici di girare liberamente.

Avviate il motore e spostate in avanti il comando dell’acceleratore in posizione media e disinnestate il freno di stazionamento.
Spostate le leve bypass nella posizione di spinta della macchina. Con la valvola di by-pass aperta e il motore in funzione, spostate lentamente le leve di controllo del movimento avanti e indietro 5 o 6 volte.
Spostate le leve by-pass nella posizione di funzionamento della macchina.
Con la valvola di by-pass chiusa e il motore in funzione, spostate lentamente le leve di controllo del movimento avanti e indietro 5 o 6 volte.
Spegnete il motore e controllate il livello del fluido nel serbatoio di espansione. Aggiungete il fluido specificato fino a quando non raggiunge la linea FULL COLD nel serbatoio di espansione.
Ripetete il punto 2 fino a eliminare completamente l’aria dall’impianto.
Note: Quando l’asse transaxle funziona a livelli di rumorosità normali, si sposta liberamente avanti e indietro a velocità normali, allora è svuotato.
Controllate un'ultima volta il livello del fluido nel serbatoio di espansione. Aggiungete il fluido specificato fino a quando non raggiunge la linea FULL COLD nel serbatoio di espansione.
Le lame consumate o danneggiate possono spezzarsi e scagliare frammenti verso di voi o gli astanti, causando gravi ferite o anche la morte. Non cercate di riparare le lame danneggiate, in quanto potreste annullare la certificazione di sicurezza del prodotto.
Controllate le lame ad intervalli regolari, per accertare che non siano consumate o danneggiate.
Prestate la massima attenzione quando controllate le lame. Durante gli interventi di manutenzione, avvolgete le lame o indossate guanti adatti allo scopo e fate attenzione. Sostituite o affilate solo le lame; non raddrizzatele né saldatele.
Su macchine multilama, ricordate che la rotazione di 1 lama può provocare la rotazione anche di altre lame.
Parcheggiate la macchina su una superficie pianeggiante, disinnestate l'interruttore di comando delle lame (PDF) e inserite il freno di stazionamento.
Spegnete il motore, togliete la chiave e scollegate i cappellotti dalle candele.
| Cadenza di manutenzione | Procedura di manutenzione |
|---|---|
| Prima di ogni utilizzo o quotidianamente |
|
Controllate i taglienti (Figura 75).
Se i taglienti non sono affilati o presentano intaccature, togliete la lama ed affilatela; vedere Affilatura delle lame.
Controllate le lame, in particolare l'area curva.
Se notate incrinature, usura o scanalature in questa zona, montate immediatamente una nuova lama (Figura 75).

Note: La macchina deve essere posizionata su una superficie pianeggiante per la seguente procedura.
Sollevate il piatto di taglio alla posizione superiore dell'altezza di taglio.
Indossando guanti dalla spessa imbottitura o altre protezioni idonee per le mani, ruotate lentamente la lama in una posizione che consenta di misurare la distanza tra il bordo di taglio e la superficie piana su cui si trova la macchina (Figura 76).

Misurate dalla punta della lama alla superficie piana (Figura 77).

Ruotate la stessa lama di 180 gradi in modo che il tagliente opposto si trovi ora nella stessa posizione (Figura 78).

Misurate dalla punta della lama alla superficie piana (Figura 79).
Note: La varianza non deve essere superiore a 3 mm.

Se la differenza tra A e B è superiore a 3 mm, sostituite la lama con una nuova; fate riferimento a Rimozione delle lame e Montaggio delle lame.
Note: Se viene sostituita una lama curva con una nuova lama e la dimensione ottenuta continua ad essere superiore a 3 mm, il fusello della lama può essere piegato. Contattate un centro assistenza autorizzato per ricevere assistenza.
Se la varianza è limitata, spostatevi alla lama successiva.
Ripetete la procedura su ogni lama.
Sostituite le lame se colpiscono un oggetto solido, se sono sbilanciate o piegate.
Tenete l'albero del mandrino con una chiave.
Togliete il bullone, la rondella curva e la lama dall'asse del fusello (Figura 80).

Affilate i taglienti da entrambe le estremità della lama con una lima (Figura 81).
Note: Rispettate l’angolazione originale.
Note: La lama conserva il proprio equilibrio soltanto se viene rimossa una quantità uguale di materiale da entrambi i taglienti.

Controllate l’equilibrio della lama posizionandola su un bilanciatore (Figura 82).
Note: Se la lama rimane in posizione orizzontale, è bilanciata e può essere utilizzata.
Note: Se la lama non è bilanciata, limate del metallo soltanto dalla costa (Figura 81).

Ripetete la procedura finché la lama non è perfettamente bilanciata.
Montate la lama sull'asse del mandrino (Figura 80).
Important: Affinché la lama tagli correttamente, il lato curvo deve essere rivolto verso la parte superiore interna del tosaerba.
Montate la rondella curva e il bullone della lama (Figura 80).
Note: Montate il cono della rondella curva verso la testa del bullone.
Serrate il bullone della lama tra 115 e 149 N∙m.
Il livellamento del piatto di taglio deve essere controllato ogni volta che si mette in opera il tosaerba oppure quando il taglio è irregolare.
Verificate il piatto di taglio per escludere lame piegate prima del livellamento e rimuovete e sostituite eventuali lame piegate; fate riferimento a Controllo delle lame curve prima di proseguire.
Livellate il piatto di taglio prima in senso laterale; poi potete regolare l'inclinazione in senso longitudinale.
Requisiti:
La macchina deve essere posizionata su una superficie piana.
Gli pneumatici devono essere tutti e opportunamente gonfiati; fate riferimento a Controllo della pressione degli pneumatici.
Parcheggiate la macchina su una superficie pianeggiante, disinnestate l'interruttore di comando delle lame (PDF) e inserite il freno di stazionamento.
Prima di scendere dalla postazione di guida spegnete il motore, togliete la chiave di accensione e attendete che si fermino tutte le parti in movimento.
Controllate la pressione degli pneumatici delle ruote motrici. Vedere Controllo della pressione degli pneumatici.
Posizionate il piatto del tosaerba in posizione di blocco di trasporto.
Ruotate con cautela le lame da un lato all'altro.
Misurate tra la punta della lama e la superficie piana (Figura 83). Se le misure non rientrano entro 5 mm, regolate il livellamento; proseguite con questa procedura.


Controllate il livello della lama in direzione longitudinale (Figura 84). Accertate che la punta della lama anteriore sia più bassa della punta della lama posteriore mostrata nella tabella dell'angolo di spoglia e dell'altezza del blocco. Se necessita di regolazione, proseguite con questa procedura.

Impostate i rulli anti-strappo sui fori superiori o rimuoveteli completamente per questa regolazione.
Posizionate 2 blocchi (vedi tabella sotto) sotto il bordo posteriore della falda del piatto di taglio; 1 su ciascun lato del piatto di taglio (Figura 85).
Regolate la leva dell’altezza di taglio sulla posizione di 76 mm.
Posizionate i 2 blocchi sotto ogni lato del bordo anteriore del piatto, ma non sotto le staffe o le saldature del rullo anti-strappo.

| Dimensione piatto di taglio | Altezza dei blocchi | Angolo di spoglia |
| Tutti i piatti di taglio | 7,3 cm | 4,8–6,4 mm |
Ruotate con cautela le lame da un lato all’altro (Figura 83).
Allentate i controdadi (Figura 86) sui 4 spigoli e accertate che il piatto di taglio sia posizionato in sicurezza sui 4 blocchi.
Eliminate l'eventuale imbando dalle staffe del piatto e accertate che la leva a pedale di sollevamento del piatto sia spinta contro il fermo.
Serrate i 4 controdadi.

Controllate che i blocchi si inseriscano perfettamente sotto la falda del piatto di taglio e che i bulloni di fissaggio siano serrati.
Continuate a livellare il piatto controllando l'inclinazione longitudinale della lama.
Controllate il livellamento delle lame ed eventualmente ripetete la procedura di livellamento del piatto.
Parcheggiate la macchina su una superficie pianeggiante, disinnestate l'interruttore di comando delle lame (PDF) e inserite il freno di stazionamento.
Spegnete il motore, togliete la chiave e scollegate i cappellotti dalle candele.
Inserite il perno di regolazione dell'altezza posizionando l'altezza di taglio a 7,6 cm.
Togliete i copricinghia.
Allentate il rinvio del piatto del tosaerba e rimuovete la cinghia del tosaerba; fate riferimento a Manutenzione della cinghia.
Rimuovete dadi e bulloni dalla parte anteriore della piastra sotto il poggiapiedi.
Rimuovete e conservate dadi e bulloni su ambo i lati della macchina (Figura 87).

Fate scorrere il piatto di taglio sul lato destro della macchina.
Lasciando scoperta l’apertura di scarico si permette alla macchina di scagliare oggetti verso di voi o verso astanti, causando gravi lesioni. Inoltre, è possibile venire a contatto con la lama.
Non utilizzate mai la macchina se non avete montato la piastra di mulching, il deflettore di scarico o il sistema di raccolta dell’erba.
Togliete il dado di bloccaggio, il bullone, la molla e il distanziale che fissano il deflettore alle staffe orientabili del tosaerba (Figura 88).
Togliete il deflettore di sfalcio se è danneggiato o consumato (Figura 88).

Inserite il distanziale e la molla sul deflettore di sfalcio.
Collocate un’estremità a gancio J della molla dietro il bordo della scocca.
Note: Verificate che un'estremità a gancio J della molla si trovi dietro il bordo del piatto di taglio prima di montare il bullone, come illustrato nella Figura 88.
Montate il bullone e il dado.
Infilate l'estremità a gancio J della molla attorno al deflettore dello sfalcio (Figura 88).
Important: Il deflettore dello sfalcio deve essere in grado di girare. Sollevate il deflettore fino alla posizione completamente aperta e controllate che ruoti fino alla posizione completamente ribassata.
| Cadenza di manutenzione | Procedura di manutenzione |
|---|---|
| Prima di ogni utilizzo o quotidianamente |
|
Parcheggiate la macchina su una superficie pianeggiante, disinnestate l'interruttore di comando delle lame (PDF) e inserite il freno di stazionamento.
Prima di scendere dalla postazione di guida spegnete il motore, togliete la chiave di accensione e attendete che si fermino tutte le parti in movimento.
Sollevate il piatto di taglio alla posizione di TRASFERIMENTO
Utilizzate aria compressa per pulire il sistema di sospensione.
Note: Non pulite i gruppi ammortizzatore con acqua sotto pressione (Figura 89).

L'olio motore, le batterie, il fluido idraulico ed il refrigerante del motore inquinano l'ambiente. Smaltiteli nel pieno rispetto dei regolamenti del vostro stato e regionali.
Spegnete il motore, togliete la chiave, attendete che tutte le parti in movimento si arrestino e lasciate raffreddare la macchina prima del rimessaggio.
Non rimessate la macchina o il carburante accanto a fiamme e non spurgate il carburante al chiuso.
Togliete la chiave e riponetela in un luogo sicuro, fuori dalla portata dei bambini.
Disinnestate l'interruttore di comando delle lame (PDF) e inserite il freno di stazionamento.
Prima di scendere dalla postazione di guida spegnete il motore, togliete la chiave di accensione e attendete che si fermino tutte le parti in movimento.
Eliminate residui d'erba, morchia e fanghiglia dalle parti esterne della macchina, in particolare dal motore e dall'impianto idraulico. Eliminate morchia e sporcizia dall'esterno del cilindro del motore, dalle alette della testata e dal convogliatore.
Important: La macchina può essere lavata con detersivo neutro ed acqua. Non utilizzate lance ad alta pressione. Non utilizzate una quantità d'acqua eccessiva, in particolare in prossimità della plancia, del motore, delle pompe idrauliche e dei motori.
Verificate il funzionamento del freno di stazionamento; fate riferimento a Regolazione del freno di stazionamento.
Revisionate il filtro dell'aria; vedere Revisione del filtro dell’aria.
Ingrassate la macchina; vedere Lubrificazione.
Cambiate l’olio del carter; vedere Cambio dell’olio motore.
Controllate la pressione degli pneumatici; vedere Controllo della pressione degli pneumatici.
Cambiate i filtri idraulici; vedere Cambio del fluido idraulico e dei filtri.
Cambiate la batteria; vedere Ricarica della batteria.
Raschiate i depositi di erba e morchia dal sottoscocca, quindi lavate il tosaerba con un flessibile da giardino.
Note: Dopo il lavaggio, fate funzionare la macchina con il controllo della lama (PDF) innestato ed il motore al minimo superiore per 2–5 minuti.
Controllate le condizioni delle lame; vedere Revisione delle lame di taglio.
Preparate la macchina per il rimessaggio in caso di pause di utilizzo superiori a 30 giorni. Preparate la macchina per il rimessaggio come segue.
Aggiungete uno stabilizzatore/additivo a base di petrolio al carburante nel serbatoio. osservate le istruzioni per la miscelazione riportate dal produttore dello stabilizzatore. Non utilizzare stabilizzatori a base di alcol (etanolo o metanolo).
Note: Lo stabilizzatore/additivo del carburante è più efficace se viene utilizzato sempre insieme a carburante fresco.
Lasciate in funzione il motore per distribuire il carburante condizionato attraverso l'impianto del carburante per 5 minuti.
Spegnete il motore, lasciatelo raffreddare e spurgate i serbatoi carburante.
Avviate il motore e fatelo girare finché non si spegne.
Smaltite il carburante nel rispetto dell'ambiente. Riciclate il carburante nel rispetto delle leggi locali.
Important: Non stoccate il carburante contenente stabilizzatore/additivo più a lungo della durata raccomandata dal produttore dello stabilizzatore.
Rimuovete e verificate le condizioni della/e candela/e; fate riferimento a Manutenzione della/e candela/e. Con la candela (o candele) staccata dal motore, versate 30 ml (2 cucchiaiate) d'olio motore nel foro della candela. Attivate il motorino di avviamento elettrico per distribuire l'olio nel cilindro. Montate la candela (o candele). Non montate il cappellotto sulla candela (o candele).
Controllate e serrate tutti i bulloni, i dadi e le viti. Riparate o sostituite le parti danneggiate.
Ritoccate tutti i graffi e le superfici metalliche sverniciate. La vernice può essere ordinata al Centro di Assistenza autorizzato di zona.
Riponete la macchina in una rimessa o in un deposito pulito ed asciutto. Togliete la chiave dall'interruttore e tenetela fuori dalla portata dei bambini o di altri utenti non autorizzati. Coprite la macchina con un telo per proteggerla e mantenerla pulita.
| Problem | Possible Cause | Corrective Action |
|---|---|---|
| Il motore si surriscalda. |
|
|
| Il motorino di avviamento non si avvia. |
|
|
| Il motore non si avvia, ha difficoltà di avviamento o perde potenza. |
|
|
| Il motore perde potenza. |
|
|
| La macchina tira verso destra o sinistra (con le leve di controllo del movimento completamente avanti). |
|
|
| La trazione non funziona. |
|
|
| La macchina inizia a vibrare in modo insolito. |
|
|
| L’altezza di taglio è irregolare. |
|
|
| Le lame non girano. |
|
|
| La frizione non si innesta. |
|
|
