Onderhoud
De borstel en de tractie-eenheid inspecteren en reinigen
| Onderhoudsinterval | Onderhoudsprocedure |
|---|---|
| Na elk gebruik |
|
Reinig de machine grondig na gebruik. Omdat zand een zeer schurende werking heeft, moet u het zand na elk gebruik afspoelen. Als de machine regelmatig wordt gereinigd (voordat het zand de kans krijgt om aan te koeken), kan dit gebeuren met een waterstraal uit een slang waarvan de spuitmond is verwijderd. Als u een hogedrukstraal gebruikt, kan het zand in slijtdelen worden gespoten, waar het een slijpende werking kan uitoefenen.
Important: Laat de borstel na gebruik niet rusten op de haren. Het gewicht van het werktuig zal de vorm van de haren permanent vervormen en de borstels kapotmaken. Kantel de borstel altijd naar boven op de werktuigkoppeling nadat u de achterborstel hebt losgemaakt van de tractie-eenheid.
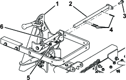
De werktuigkoppeling smeren
Als de sluithendel op de werktuigkoppeling niet onbelemmerd en soepel draait, moet u een dun laagje vet aanbrengen op de plaats die wordt getoond in Figuur 17.


















