| Intervalo de assistência | Procedimento de manutenção |
|---|---|
| Em todas as utilizações ou diariamente |
|
Esta máquina é um cortador de relva com transporte de utilizador e cilindro de lâminas destinada a ser utilizada por operadores profissionais contratados em aplicações comerciais. Foi principalmente concebido para o corte de relva em relvados bem mantidos. Se a máquina for utilizada para um fim diferente da sua utilização prevista, poderá pôr em perigo o utilizador e outras pessoas.
Leia estas informações cuidadosamente para saber como utilizar o produto, como efetuar a sua manutenção de forma adequada, evitar ferimentos pessoais e danos no produto. A utilização correta e segura do produto é da exclusiva responsabilidade do utilizador.
Visite www.Toro.com para mais informações, incluindo sugestões de segurança, materiais de formação, informações sobre acessórios, obter ajuda a localizar um representante ou para registar o seu produto.
Sempre que necessitar de assistência, peças genuínas Toro ou informações adicionais, entre em contacto com um representante de assistência autorizado ou com a assistência ao cliente Toro, indicando os números de série e modelo do produto. A Figura 1 mostra onde se encontram os números de série e modelo do produto. Escreva os números no espaço fornecido.
Important: Com o seu dispositivo móvel, pode ler o código QR na placa do número de série (se equipado) para aceder à garantia, peças e outras informações do produto.

Este manual identifica potenciais perigos e tem mensagens de segurança identificadas pelo símbolo de alerta de segurança (Figura 2), que sinaliza um perigo que pode provocar ferimentos graves ou mesmo a morte, se não respeitar as precauções recomendadas.

Este manual utiliza duas palavras para destacar informações. A palavra Importante chama a atenção para informações especiais de ordem mecânica e a palavra Nota sublinha informações gerais que requerem especial atenção.
Este produto cumpre todas as diretivas europeias relevantes. Para mais informações consulte a folha de Declaração de conformidade (DOC) em separado, específica do produto.
Utilizar ou operar o motor em qualquer terreno com floresta, arbustos ou relva é uma violação da secção 4442 ou 4443 do código de recursos públicos da Califórnia exceto se o motor estiver equipado com uma proteção contra chamas, como definido na secção 4442, mantido em boas condições ou o motor for construído equipado e mantido para a prevenção de fogo.
O Manual do proprietário do motor é fornecido para informações acerca do sistema de emissões, manutenção e garantia da US Environmental Protection Agency (EPA) e regulamento de controlo de emissões da Califórnia. A substituição pode ser solicitada através do fabricante do motor.
CALIFÓRNIA
Proposição 65 Aviso
É do conhecimento do Estado da Califórnia que os gases de escape a alguns dos componentes deste veículo contêm químicos que podem provocar cancro, defeitos congénitos ou outros problemas reprodutivos.
Os pólos, terminais e restantes acessórios da bateria contêm chumbo e derivados de chumbo; é do conhecimento do Estado da Califórnia que estes químicos podem provocar cancro e problemas reprodutivos. Lave as mãos após a utilização.
É do conhecimento do Estado da Califórnia que a utilização deste produto pode causar exposição a químicos que podem provocar cancro, defeitos congénitos ou outros problemas reprodutivos.
Esta máquina foi concebida de acordo com a EN ISO 5395: (quando efetua os procedimentos de configuração) e a ANSI B71.4-2017.
Este produto pode provocar a amputação de mãos e pés e a projeção de objetos.
Leia e compreenda o conteúdo deste Manual do utilizador antes de ligar o motor.
Tenha toda a atenção durante a operação da máquina. Não faça qualquer atividade que cause distrações; caso contrário, podem ocorrer ferimentos ou danos materiais.
Não coloque as mãos ou os pés perto de componentes em movimento da máquina.
Não opere a máquina sem que todos os resguardos e outros dispositivos protetores de segurança estejam instalados e a funcionar corretamente na máquina.
Mantenha as crianças e outras pessoas afastadas da área de funcionamento. Nunca permita que crianças utilizem a máquina.
Desligue o motor, retire a chave (se equipada) e aguarde até que todo o movimento pare e só depois saia da posição de operação. Deixe a máquina arrefecer antes de a ajustar, lhe fazer a manutenção, limpar ou armazenar.
A utilização ou manutenção inadequada
desta máquina pode provocar ferimentos. De modo a reduzir o
risco de ferimentos, deverá respeitar estas instruções
de segurança e prestar sempre atenção ao símbolo
de alerta de segurança, que indica Cuidado, Aviso ou Perigo
– instrução de segurança pessoal.
O não
cumprimento destas instruções pode resultar em ferimentos
pessoais ou mesmo em morte.
O motor desta máquina possui a conformidade EU Etapa 3b.
![]() |
Os autocolantes de segurança e instruções estão facilmente visíveis para o operador e situam-se próximo das zonas de potencial perigo. Substitua todos os autocolantes danificados ou perdidos. |





















Note: Determine os lados direito e esquerdo da máquina a partir da posição normal de utilização.
Dependendo da largura das unidades de corte que vão ser instaladas na unidade de tração, ajuste os rolos de apoio da seguinte forma:
Estacione a máquina para uma superfície nivelada, engate o travão de estacionamento, desligue o motor e retire a chave.
Peças necessárias para este passo:
| Suporte do trinco do capot | 1 |
| Rebite | 2 |
| Parafuso (¼ pol. x 2 pol.) | 1 |
| Anilha plana (¼ pol.) | 2 |
| Porca de bloqueio (¼ pol.) | 1 |
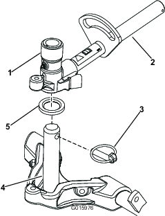
Solte o trinco do capot do suporte (Figura 4).

Retire os 2 rebites que prendem o suporte do trinco ao capot (Figura 5).

Retire o suporte do trinco do capot.
Ao alinhar os furos de montagem, posicione o suporte do trinco CE e o suporte do trinco do capot no capot.
Note: O suporte do trinco tem de estar contra o capot (Figura 5).Não retire o conjunto de parafuso e porca do braço do suporte do trinco.

Alinhe as anilhas com os orifícios no lado interior do capot.
Aplique rebites nos suportes e nas anilhas ao capot (Figura 6).
Prenda o trinco no suporte do trinco do capot (Figura 7).

Aperte o parafuso no outro braço do suporte do trinco do capot e prenda o trinco na posição (Figura 8).

Aperte o parafuso firmemente, mas não aperte a porca.
Peças necessárias para este passo:
| Guia de tubos frontal (direito) | 1 |
| Guia de tubos frontal (esquerdo) | 1 |
Retire os motores dos cilindros para fora dos suportes de envio.
Retire e elimine os suportes de envio.
Retire as unidades de corte das respetivas embalagens.
Proceda à respetiva montagem e aos ajustes conforme descrito no Manual do utilizador da unidade de corte.
Certifique-se de que o contrapeso (Figura 9) está instalado na extremidade adequada da unidade de corte conforme descrito no Manual do utilizador da unidade de corte.

Certifique-se de que a mola de compensação da relva está montada no mesmo lado do motor da transmissão do cilindro em cada unidade de corte. Para alterar a posição da mola, siga o seguinte procedimento:
Retire os 2 parafusos de carroçaria e porcas que prendem o suporte da barra aos separadores da unidade de corte (Figura 10).

Retire a porca flangeada que prende o parafuso com cabeça do tubo de mola ao separador da estrutura de suporte (Figura 10).
Retire o conjunto.
Monte o parafuso no tubo da mola no separador oposto na estrutura de suporte e prenda com a porca flangeada.
Note: Posicione a cabeça do parafuso para o lado exterior do separador como se mostra na Figura 11.

Monte o suporte da barra nos separadores da unidade de corte com os parafusos e porcas da carroçaria (Figura 11). Na unidade de corte, monte o guia do tubo do lado esquerdo na frente dos separadores da unidade de corte ao reinstalar o suporte da barra (Figura 13).
Important: Na unidade de corte 4 (frontal esquerda) e na unidade de corte 5 (frontal direita), utilize as porcas de montagem do suporte da barra para instalar os guias de tubos na frente dos separadores da unidade de corte. Os guias de tubos devem inclinar para a unidade de corte central (Figura 12 a Figura 14).



Note: Quando instalar ou remover as unidades de corte, certifique-se de que o perno de gancho está montado no orifício da haste da mola junto ao suporte da barra. Caso contrário, o perno de gancho deve ser instalado no orifício na extremidade da barra.
Aumente a marcha das unidades de corte traseiras removendo os 2 espaçadores da articulação, parafusos de cabeça sextavada e porcas de bloqueio flangeadas (Figura 15) das estruturas de transporte das unidades de corte traseiras (unidades de corte 2 e 3); consulte Figura 12.

Baixe completamente todos os braços de elevação.
Revista o veio da estrutura de suporte com massa lubrificante limpa (Figura 16).

Nas unidades de corte dianteiras, faça deslizar uma unidade de corte sob o braço de elevação enquanto insere o veio da estrutura de suporte para cima para dentro da forquilha da articulação do braço de elevação (Figura 16).
Certifique-se de que a anilha de encosto está no sítio no veio da estrutura de suporte.
Prenda o veio da estrutura de suporte à forquilha do braço de elevação com o pino de encaixe (Figura 16).
Para bloquear (fixar) a marcha das unidades de corte, prenda a forquilha da articulação à estrutura de suporte com um pino de encaixe (Figura 17).

Note: A marcha fixa é recomendada ao cortar em declives.
Utilize o seguinte procedimento nas unidades de corte traseiras quando a altura de corte for superior a 19 mm.
Retire o pino de sujeição e a anilha que prende o veio da articulação do braço de elevação ao braço de elevação e faça deslizar o veio de articulação para fora do braço de elevação (Figura 18).

Insira a forquilha do braço de elevação no veio da estrutura de suporte (Figura 16).
Insira o veio do braço de elevação no braço de elevação e prenda-o com a anilha e o pino de sujeição (Figura 18).
Prenda a corrente do braço de elevação ao suporte da corrente com o pino de encaixe (Figura 19).
Note: Utilize o número de elos da corrente conforme descrito no Manual do utilizador da unidade de corte.

Revista o veio estriado do motor do cilindro com massa lubrificante limpa.
Lubrifique o anel de retenção do motor do cilindro e instale-o na flange do motor.
Instale o motor rodando-o no sentido dos ponteiros do relógio de forma a que as flanges do motor se afastem dos parafusos (Figura 20).

Rode o motor no sentido contrário aos ponteiros do relógio até que as flanges envolvam os parafusos e apertem os parafusos.
Important: Certifique-se de que os tubos do motor do cilindro não estão torcidos, vincados ou em risco de ficarem entalados.
A mola de compensação de relva (Figura 21) transfere peso do cilindro dianteiro para o cilindro traseiro. Isto ajuda a reduzir o efeito ondulado na relva, também conhecido como ondulação ou “bobbing”.
Important: Faça ajustes na mola com a unidade de corte montada na unidade de tração, a apontar a direito para a frente e descida até ao nível do chão da oficina.
Certifique-se de que o pino de perno de gancho está instalado no orifício traseiro na haste da mola (Figura 21).
Note: Ao fazer a manutenção à unidade de corte, mova o perno de gancho para o furo da haste da mola junto da mola de compensação de relva.

Aperte as porcas sextavadas na extremidade dianteira da haste da mola até que o comprimento da mola em compressão seja de 15,9 cm; consulte a Figura 21.
Note: Quando trabalhar em terrenos agrestes diminua o comprimento da mola em 13 mm. O acompanhamento do solo fica ligeiramente diminuído.
Note: Deve repor as definições da compensação da relva se a definição de altura de corte ou agressividade do corte for alterada.
Peças necessárias para este passo:
| Apoio da unidade de corte | 1 |
Sempre que tiver de inclinar a unidade de corte para que a lâmina de corte e o cilindro fiquem expostos, coloque um apoio por baixo da traseira da unidade de corte para assegurar que as porcas nos parafusos de ajuste da extremidade traseira da barra de apoio não fiquem apoiadas sobre a superfície de trabalho (Figura 22).

Prenda a apoio ao suporte da corrente com o pino de encaixe (Figura 23).

Antes de operar a máquina, lubrifique-a para assegurar a lubrificação adequada. Consulte Lubrificação. Não realizar uma lubrificação adequada pode causar uma falha prematura de peças vitais.
Verifique o nível de lubrificante do eixo traseiro antes de o motor ser ligado pela primeira vez; consulte Verificação do nível do óleo do eixo traseiro.
Verifique o nível de fluido hidráulico antes de o motor ser ligado pela primeira vez; consulte Verificação do nível do fluido hidráulico.
Verifique o nível de óleo do motor antes de o motor ser ligado pela primeira vez; consulte Verificação do nível do óleo do motor.
Peças necessárias para este passo:
| Barra indicadora | 1 |
Utilize a barra indicadora para ajustar a unidade de corte. Consulte o Manual do utilizador da unidade de corte quanto aos procedimentos de ajuste (Figura 24).

Peças necessárias para este passo:
| Autocolante de aviso | 1 |
| Autocolante CE | 1 |
| Autocolante do ano de fabrico | 1 |
Em máquinas que requeiram a conformidade CE, aplique o autocolante do ano de fabrico (peça n.º 138-5615) perto da placa do número de série, o autocolante CE (peça n.º 93-7252) perto do trinco do capot e o autocolante de aviso CE (peça n.º 120-1186) sobre o autocolante de aviso padrão (peça n.º 133-1683).
Os 2 pedais (Figura 25) controlam individualmente a tração das rodas, para apoiar nas mudanças de direção, assim como para ajudar a obter uma melhor tração em ladeiras.
A barra de bloqueio dos pedais (Figura 25) liga ambos os pedais para engatar o travão de estacionamento.
Para engatar o travão de estacionamento, (Figura 25) junte os pedais com a alavanca de bloqueio do pedal, empurre para baixo o pedal da direita engatando o pedal de pé. Para libertar o travão de estacionamento, deverá pressionar um dos pedais do travão até que o bloqueio do travão de estacionamento desengate.

O pedal de tração (Figura 25) permite controlar o avanço e recuo da máquina. Pressione a zona superior do pedal para deslocar a máquina para a frente e a zona inferior para deslocar a máquina para trás. A velocidade é determinada pela pressão exercida sobre o pedal. Para obter a velocidade máxima, deverá pressionar completamente o pedal quando o regulador se encontrar na posição RáPIDO.
Para parar a máquina, reduza a pressão exercida sobre o pedal, até que este volte à posição central.
Para inclinar o volante da direção na sua direção, carregue no pedal (Figura 25) para baixo, e puxe o volante para si para a posição mais confortável e, em seguida, solte o pedal.
Quando o limitador da velocidade de corte (Figura 26) está voltado para cima controla a velocidade de corte e permite que as unidades de corte sejam engatadas. Cada espaçador ajusta a velocidade de corte em 0,8 km/h. Quanto mais espaçadores tiver na parte de cima do parafuso, mais devagar a máquina anda. Para transportar a máquina, empurre para trás o limitador da velocidade de corte para a velocidade máxima de transporte.
Efetue o ajuste do(s) parafuso(s) (Figura 26) para limitar quanto pode carregar no pedal de tração em marcha à frente ou atrás para limitar a velocidade.
Important: O parafuso limitador de velocidade deverá parar o pedal de tração antes que a bomba atinja o seu curso máximo; caso contrário, poderá danificar a bomba.

Esta alavanca (Figura 27) sobe e desce as unidades de corte e aciona e bloqueia os cilindros quando os cilindros estão ativados para o modo de corte. Não pode baixar as unidades de corte quando a alavanca de corte/transporte está na posição de transporte.
A ignição (Figura 27) tem três posições: DESLIGAR, LIGAR/PRé-AQUECIMENTO e ARRANQUE.
O ecrã LCD InfoCenter mostra informações acerca da máquina, por exemplo, o estado de operação e vários diagnósticos e outras informações (Figura 27).
O interruptor da tomada de força (Figura 27) dispõe de duas posições: ARRANQUE e PARAR. Empurre o botão de tomada de força para a frente para engatar as lâminas da unidade de corte. Empurre o botão para trás para desengatar as lâminas da unidade de corte.

Mova o interruptor de velocidade do motor (Figura 27) para a frente para aumentar a velocidade e para trás para a diminuir.
Articule o interruptor para baixo para ligar os faróis (Figura 27).
Utilize o ponto de corrente (Figura 28) para ligar acessórios elétricos opcionais de 12 volts.

Utilize o suporte do saco (Figura 29) para armazenamento.

Utilize as alavancas de retificação para retificar os cilindros (Figura 30).

Puxe a alavanca para fora para deslizar o banco para a frente ou para trás (Figura 31).
Rode o manípulo para ajustar o ângulo do descanso do braço do banco (Figura 31).
Mova a alavanca para ajustar o ângulo do encosto do banco (Figura 31).
O indicador de peso indica quando o banco está ajustado ao peso do operador (Figura 31). Pode ajustar a altura posicionando a suspensão dentro da gama da região verde.

Ajuste do banco ao seu peso (Figura 31). Puxe a alavanca para cima para aumentar a pressão de ar e empurre para baixo para diminuir a pressão de ar. Obtém o devido ajuste quando o indicador de peso se encontra na região verde.
O ecrã LCD InfoCenter apresenta informações sobre sua máquina, como o estado de utilização, os vários diagnósticos e outras informações (Figura 32). Existe um ecrã de inicialização e um ecrã de informações principal do InfoCenter. Pode alternar entre o ecrã de inicialização e o ecrã de informações principal a qualquer altura pressionando qualquer dos botões do InfoCenter e, em seguida, selecionando a seta direcional adequada.

Botão esquerdo, Botão de acesso ao menu/retroceder – pressione este botão para aceder aos menus InfoCenter. Também o pode utilizar para sair de qualquer menu que esteja a utilizar.
Botão do meio – utilize este botão para se deslocar pelos menus.
Botão direito – utilize este botão para abrir um menu em que uma seta para a direita indica conteúdo adicional.
Inversão manual da ventoinha – pressione em simultâneo os botões esquerdo e direito para ativar esta função.
Sinal sonoro – ativa quando se baixa as plataformas ou para avisos ou erros
Note: O objetivo de cada botão pode mudar, dependendo do que é requerido no momento. Cada botão terá a indicação de um ícone apresentando a função atual.
| SERVICE DUE | Indica quando deve ser efetuada a manutenção programada |
![]() | Horas até manutenção |
![]() | Reposição das horas de manutenção![]() |
![]() | Ícone info |
![]() | Contador de horas |
![]() | Rápido |
![]() | Lento |
![]() | Ventilação inversa – indica quando a ventilação está invertida |
![]() | O aquecimento da admissão de ar está ativo |
![]() | Levantar as unidades de corte |
![]() | Baixar as unidades de corte |
![]() | O utilizador tem de se sentar no banco |
![]() | Indicador de travão de estacionamento – indica quando o travão de estacionamento está acionado |
![]() | Identifica a gama como alta |
![]() | Ponto morto |
![]() | Identifica a gama como baixa |
![]() | Temperatura do líquido de arrefecimento – indica a temperatura do líquido de arrefecimento em °C ou °F |
![]() | Temperatura (quente) |
![]() | Negado ou não permitido |
![]() | A tomada de força está engatada |
![]() | Arranque do motor |
![]() | Interromper ou desligar |
![]() | Motor |
![]() | Ignição |
![]() | Indica quando as unidades de corte estão a ser baixadas |
![]() | Indica quando as unidades de corte estão a ser levantadas |
![]() | Palavra-passe PIN |
![]() | Temperatura do fluido hidráulico – indica a temperatura do fluido hidráulico |
![]() | CAN bus |
![]() | InfoCenter |
![]() | Avariado ou com falha |
![]() | Lâmpada |
![]() | Saída do controlador TEC ou fio de controlo na cablagem |
![]() | Alto: acima da gama permitida |
![]() | Baixo: abaixo da gama permitida |
/![]() | Fora da gama |
![]() | Interruptor |
![]() | O utilizador tem de soltar o interruptor |
![]() | O utilizador deve mudar para o estado indicado |
| Os símbolos são frequentemente combinados para formar frases. São mostrados alguns exemplos a seguir. | |
![]() | O utilizador deve colocar a máquina em ponto-morto |
![]() | Arranque do motor negado |
![]() | Desligamento do motor |
![]() | Líquido de arrefecimento do motor muito quente |
![]() | Óleo hidráulico muito quente |
![]() | Sentar ou engatar o travão de estacionamento |
Acessível
apenas com introdução do PIN
Para aceder ao sistema de menus InfoCenter, pressione o botão de acesso ao menu quando está no menu principal. Isto vai levá-lo ao menu principal. Consulte as tabelas seguintes para obter uma sinopse das opções disponíveis dos menus:
| Menu principal | |
| Item de menu | Descrição |
| Falhas | O menu Falhas contém uma lista das falhas recentes da máquina. Consulte o Manual de manutenção ou o Distribuidor autorizado Toro para mais informações acerca do menu de falhas e as informações aqui contidas. |
| Serviço | O menu Serviço contém informações sobre a máquina como, por exemplo, contadores das horas de utilização e outros números semelhantes. |
| Diagnóstico | O menu Diagnóstico apresenta o estado de cada interruptor, sensor e saída de controlo da máquina. Pode utilizar isto para solucionar determinados problemas, uma vez que o informa que os controlos da máquina estão ligados ou desligados. |
| Definições | O menu Definições permite-lhe personalizar e modificar as variáveis de configuração no ecrã InfoCenter. |
| Acerca | O menu Acerca indica o número do modelo, número de série e versão de software da sua máquina. |
| Serviço | |
| Item de menu | Descrição |
| Hours (Horas) | O menu Horas indica o número total de horas em que a máquina, o motor e a tomada de força estiveram a funcionar, bem como o número de horas em que a máquina foi transportada e assistência devida. |
| Counts | O menu Contagens indica as várias contagens que a máquina sofreu. |
| Diagnóstico | |
| Item de menu | Descrição |
| Unidades de corte | Indica os dados de introdução, qualificação e saída para elevar e descer as unidades de corte |
| Gama alta/baixa | Indica os dados de introdução, qualificação e saída para conduzir no modo de transporte |
| PTO | Indica os dados de introdução, qualificação e saída para permitir o circuito da tomada de força |
| Engine Run | Indica os dados de introdução, qualificação e saída para ligar o motor |
| Backlap | Indica os dados de introdução, qualificação e saída para operar a função de retificação |
| Definições | |
| Item de menu | Descrição |
| Unidades | Controla as unidades utilizadas no InfoCenter. As escolhas do menu são inglês ou métricas |
| Idioma | Controla o idioma utilizado no InfoCenter* |
| Retroiluminação LCD | Controla o brilho do ecrã LCD |
| Contraste LCD | Controla o contraste do ecrã LCD |
| Velocidade do cilindro de retificação frontal | Controla a velocidade dos cilindros frontais no modo de retificação |
| Velocidade do cilindro de retificação traseiro | Controla a velocidade dos cilindros traseiros no modo de retificação |
| Menus protegidos | Permite ao supervisor/mecânico aceder a menus protegidos introduzindo uma palavra-passe |
Ralenti automático ![]() | Controla a quantidade de tempo permitido antes de o motor regressar a baixo ralenti quando a máquina está estacionária |
Contagem das lâminas ![]() | Controla o número de lâminas no cilindro para a velocidade do cilindro |
Velocidade de corte ![]() | Controla a velocidade para determinar a velocidade do cilindro |
Altura de corte ![]() | Controla a altura de corte para determinar a velocidade do cilindro |
RPM do cilindro frontal ![]() | Indica a posição da velocidade calculada do cilindro dos cilindros frontais. Os cilindros podem ser ajustados manualmente |
RPM do cilindro traseiro ![]() | Indica a posição da velocidade calculada do cilindro dos cilindros traseiros. Os cilindros podem ser ajustados manualmente |
* Apenas o texto “voltado para o utilizador” é traduzido. Os ecrãs de falhas, assistência e diagnóstico são “voltados para a assistência”. Os títulos surgem no idioma selecionado, mas os itens de menu estão em inglês.
Protegido
em Menus protegidos – acessível apenas com introdução
do PIN
| Acerca | |
| Item de menu | Descrição |
| Modelo | Indica o número do modelo da máquina |
| NS | Indica o número de série da máquina |
| Revisão do controlador da máquina | Indica a revisão de software do controlador principal |
| Revisão InfoCenter | Indica a revisão de software do InfoCenter |
| CAN Bus | Indica o estado communication bus da máquina |
Há 5 definições de configuração de funcionamento que são ajustáveis no menu de definições do InfoCenter: contagem das lâminas, velocidade de corte, altura de corte, RPM cilindro frontal e RPM cilindro traseiro. Pode bloquear estas definições utilizando o menu Protegido.
Note: No momento da entrega, é programada a palavra-passe inicial pelo distribuidor.
A partir do menu Principal, percorra até ao menu Definições e prima o botão direito.
No menu Definições, percorra até ao menu Protegido e prima o botão direito.
Para introduzir a palavra-passe, utilize o botão central para definir o primeiro dígito e depois prima o botão direito para avançar para o próximo dígito.
Utilize o botão central para definir o segundo dígito e depois prima o botão direito para avançar para o próximo dígito.
Utilize o botão central para definir o terceiro dígito e depois prima o botão direito para avançar para o próximo dígito.
Utilize o botão central para definir o quarto dígito e depois prima o botão direito.
Prima o botão do meio para introduzir o código.
Se o código tiver sido aceite e o menu protegido tiver sido desbloqueado, é apresentado “PIN” no canto superior direito do ecrã.
A capacidade para visualizar e alterar as definições no menu Protegido pode ser alterada. Assim que tiver acedido ao menu Protegido, percorra até encontrar Proteger config. Utilizando o botão direito, se alterar as Proteger config. para Off, poderá visualizar e alterar as definições no menu Protegido sem introduzir palavra-passe. Se alterar as Proteger config. para On, oculta as opções protegidas e terá de introduzir de uma palavra-passe para alterar as definições no menu Protegido. Depois de ser configurada a palavra-passe, o interruptor tem de ser desligado e voltado a ligar para ativar e guardar esta função.
Note: Se se esquecer ou perder a palavra-passe, contacte o distribuidor para obter ajuda.
No menu Definições, percorra até Ralenti automático.
Prima o botão direito para alterar o tempo de ralenti automático entre Desligar, 8S, 10S, 15S, 20S e 30S.
No menu Definições, percorra até Contagem das lâminas.
Pressione o botão direito para alterar a contagem das lâminas entre 5, 8 ou 11 lâminas.
No menu Definições, percorra até Velocidade de corte.
Pressione o botão direito para selecionar a velocidade de corte.
Utilize o botão central e direito para selecionar uma velocidade de corte adequada definida no limitador de velocidade de corte mecânico no pedal de tração.
Pressione o botão esquerdo para sair da velocidade de corte e guardar a definição.
No menu Definições, percorra até Altura de corte.
Pressione o botão direito para selecionar a altura de corte.
Utilize o botão central e direito para selecionar a definição de altura de corte adequada.
Note: Se não for indicada a definição exata, selecione a definição de altura de corte mais aproximada da lista.
Pressione o botão esquerdo para sair da altura de corte e guardar a definição.
Embora as velocidades do cilindro frontal e traseiro sejam calculadas pela introdução do número de lâminas, velocidade de corte e altura de corte no InfoCenter, a definição pode ser alterada manualmente para acomodar as diferentes condições de corte.
Deslize para baixo para RPM do cilindro frontal, RPM do cilindro traseiro ou ambos.
Pressione o botão direito para alterar o valor de velocidade do cilindro. Quando a definição da velocidade é alterada, o ecrã continua a mostrar a velocidade calculada do cilindro com base na contagem das lâminas, velocidade de corte e altura de corte previamente introduzidas, mas também é indicado o novo valor.
Note: As especificações e o desenho do produto estão sujeitos a alterações sem aviso prévio.
| Largura de corte, unidades de corte de 68 cm | 307 cm |
| Largura de corte, unidades de corte de 81 cm | 320 cm |
| Largura total, unidades de corte de 68 cm descidas | 345 cm |
| Largura total, unidades de corte de 81 cm descidas | 358 cm |
| Largura total, unidades de corte elevadas (transporte) | 239 cm |
| Comprimento total | 370 cm |
| Altura com proteção contra capotamento | 220 cm |
| Bitola, dianteira | 229 cm |
| Bitola, traseira | 141 cm |
| Distância entre eixos | 171 cm |
| Peso líquido (sem unidades de corte e sem fluidos) | 1574 kg |
Está disponível uma seleção de engates e acessórios aprovados pela Toro para utilização com a máquina, para melhorar e expandir as suas capacidades. Contacte o seu representante ou distribuidor de assistência autorizado ou vá a www.Toro.com para obter uma lista de todos os engates e acessórios aprovados.
Para se certificar do máximo desempenho e da continuação da certificação de segurança da máquina, utilize apenas acessórios e peças sobressalentes genuínos da Toro. Os acessórios e peças sobressalentes produzidos por outros fabricantes poderão tornar-se perigosos e a sua utilização pode anular a garantia do produto.
Note: Determine os lados direito e esquerdo da máquina a partir da posição normal de utilização.
Nunca permita que crianças ou pessoal não qualificado utilizem ou procedam à assistência técnica da máquina. Os regulamentos locais podem determinar restrições relativamente à idade do operador. A formação de todos os operadores e mecânicos é da responsabilidade do proprietário.
Familiarize-se com o funcionamento seguro do equipamento, com os controlos do utilizador e com os sinais de segurança.
Desligue o motor, retire a chave (se equipada) e aguarde até que todo o movimento pare e só depois saia da posição de operação. Deixe a máquina arrefecer antes de ajustar, fazer manutenção, limpar ou armazenar.
Saiba como parar a máquina e desligar o motor rapidamente.
Não opere a máquina sem que todos os resguardos e outros dispositivos protetores de segurança estejam instalados e a funcionar corretamente na máquina.
Antes do corte, inspecione sempre a máquina para assegurar que as unidades de corte estão em bom estado de funcionamento.
Inspecione a área onde vai utilizar a máquina e remova todos os objetos que a máquina possa projetar.
Tenha muito cuidado quando manusear combustível. Este combustível é inflamável e os seus vapores são explosivos.
Apague todos os cigarros, charutos, cachimbos e outras fontes de ignição.
Utilize apenas recipientes aprovados para combustível.
Não retire a tampa do depósito nem encha o depósito enquanto o motor se encontrar em funcionamento ou estiver quente.
Não adicione ou retire combustível num espaço fechado.
Nunca guarde a máquina ou o recipiente de combustível num local onde existam chamas abertas, faíscas ou luzes piloto, como junto de uma caldeira ou outros aparelhos.
Em caso de derrame de combustível, não tente ligar o motor; evite criar qualquer fonte de ignição até os vapores do combustível se terem dissipado.
| Intervalo de assistência | Procedimento de manutenção |
|---|---|
| Em todas as utilizações ou diariamente |
|
Antes de ligar a máquina, todos os dias, execute os procedimentos de cada utilização/diários indicados em .
83 litros
A não observação das seguintes precauções pode danificar o motor.
Nunca utilize querosena nem gasolina em vez de gasóleo.
Nunca misture querosena nem óleo do motor com o gasóleo.
Nunca guarde o combustível em recipientes com revestimento interior de zinco.
Não utilize aditivos de combustível.
Use apenas gasóleo limpo ou biodiesel com baixo conteúdo (<500 ppm) ou ultra baixo conteúdo (<15 ppm) de enxofre. A classificação mínima de cetano deve ser 40. Adquira combustível em quantidades que possam ser usadas no prazo de 180 dias para assegurar a pureza do combustível.
Utilize gasóleo de Verão (N.º 2-D) a temperaturas superiores a -7°C e gasóleo de inverno (N.º 1-D ou mistura N.º 1-D/2-D) abaixo de -7°C. Utilizar gasóleo de inverno a temperaturas inferiores possibilita um ponto de inflamação e características de fluxo frio que facilitam o arranque e reduzem a obstrução do filtro de combustível.
A utilização de gasóleo de verão acima de -7°C contribui para uma maior duração da bomba de combustível e maior potência quando comparado com o gasóleo de inverno.
Esta máquina também pode usar um combustível com mistura de biodiesel de até B20 (20% biodiesel, 80% petrodiesel). A parte de petrodiesel deve ter baixo teor ou ultra baixo teor de enxofre. Tome as seguintes precauções:
Especificações do biodiesel: ASTM D6751 ou EN14214
Especificações da mistura de combustível: ASTM D975 ou EN590
Tome as seguintes precauções:
As misturas de biodiesel podem danificar as superfícies pintadas.
Utilize misturas B5 (conteúdo de biodiesel de 5%) ou inferiores no tempo frio.
Verifique os vedantes, tubos e juntas em contacto com o combustível, uma vez que podem degradar-se ao longo do tempo.
Pode ocorrer obstrução do filtro de combustível da máquina algum tempo após mudar para misturas de biodiesel.
Contacte o distribuidor autorizado Toro para obter mais informação sobre biodiesel.
Coloque a máquina numa superfície nivelada, baixe as unidades de corte, desligue o motor e retire a chave da ignição.
Utilize um pano limpo para limpar a zona em redor da tampa do depósito de combustível.
Retire a tampa do depósito de combustível (Figura 33).

Encha o depósito até que o nível atinja a parte inferior do tubo de enchimento.
Aperte novamente a tampa no depósito de combustível após o seu enchimento.
Note: Se for possível, encha o depósito de combustível após cada utilização. Isto minimiza uma eventual formação de condensação dentro do depósito de combustível.
O proprietário/operador pode prevenir e é responsável por acidentes que possam causar ferimentos pessoais ou danos materiais.
Utilize vestuário adequado, incluindo proteção visual, calças compridas, calçado resistente antiderrapante e proteções para os ouvidos. Prenda cabelo comprido e não utilize vestuário solto ou joias pendentes.
Nunca utilize a máquina se se sentir cansado, doente ou sob o efeito de álcool ou drogas.
Tenha toda a atenção durante a operação da máquina. Não faça qualquer atividade que cause distrações; caso contrário, podem ocorrer ferimentos ou danos materiais.
Antes de ligar o motor, certifique-se de que as transmissões estão em Ponto morto, o travão de estacionamento está engatado e coloque-se na posição de operação.
Não transporte passageiros na máquina e mantenha as crianças e outras pessoas afastadas da área de operação.
Utilize a máquina apenas quando tiver boa visibilidade para evitar buracos ou outros perigos não visíveis.
Evite cortar relva molhada. Uma redução da tração poderá fazer com que a máquina derrape.
Mantenha as mãos e pés longe das unidades de corte.
Antes de recuar, olhe para trás e para baixo para ter a certeza de que o caminho está desimpedido.
Tome todas as precauções necessárias quando se aproximar de esquinas sem visibilidade, arbustos, árvores ou outros objetos que possam obstruir o seu campo de visão.
Pare as unidades de corte sempre que não estiver a cortar.
Abrande e tome as precauções necessárias quando virar e atravessar estradas e passeios com a máquina. Dê sempre prioridade.
Opere o motor apenas em áreas bem ventiladas. Os gases de exaustão contêm monóxido de carbono, que é letal se inalado.
Não deixe a máquina em funcionamento sem vigilância.
Antes de sair da posição de operador, faça o seguinte:
Estacione a máquina numa superfície plana.
Desengate a(s) unidade(s) de corte e baixe os acessórios.
Engate o travão de estacionamento.
Desligue o motor e retire a chave (se equipada).
Aguarde que todo o movimento pare.
Opere a máquina apenas em condições de boa visibilidade e condições atmosféricas adequadas. Nunca opere a máquina quando existir a possibilidade de trovoadas.
Não retire a unidade ROPS da máquina.
Certifique-se de que o cinto de segurança está preso e o pode tirar rapidamente em caso de emergência.
Verifique cuidadosamente se existem obstruções suspensas e não entre em contacto com elas.
Mantenha o ROPS em boas condições de funcionamento inspecionando-o regularmente para verificar se há danos e mantenha apertados todos os fixadores.
Substitua um ROPS danificado. Não efetue nenhuma reparação ou modificação.
Use sempre o cinto de segurança com a barra de segurança na posição elevada.
O ROPS é um dispositivo integral de segurança. Mantenha a barra de segurança elevada e bloqueada e use o cinto de segurança quando operar a máquina com a barra de segurança na posição elevada.
Baixe a barra de segurança temporariamente só quando necessário. Não use o cinto de segurança com a barra de segurança na posição para baixo.
Tenha em atenção que não há nenhuma proteção contra capotamento quando a barra de segurança dobrável estiver em baixo.
Verifique a área que vai cortar e nunca dobre uma barra de segurança dobrável onde houver declives, depressões ou água.
Os declives são um dos principais fatores que contribuem para a perda de controlo e acidentes de capotamento que podem resultar em ferimentos graves ou morte. O operador é responsável pelo funcionamento seguro em declives. Operação da máquina em qualquer declive requer cuidado adicional.
Avalie as condições do local para determinar se o declive é seguro para o funcionamento da máquina, incluindo vigilância do local. Utilize sempre o bom senso e capacidade crítica ao efetuar esta avaliação.
Reveja as instruções de operação da máquina em declives e reveja as condições nas quais deve operar a máquina para determinar se a pode operar nas condições desse dia e desse local. As alterações no terreno podem dar origem a uma alteração da operação da máquina em declives.
Evite arrancar, parar ou virar em declives. Evite alterações súbitas na velocidade ou direção. Faça as curvas lenta e gradualmente.
Não utilize a máquina em condições nas quais a tração, a viragem ou a estabilidade possam ser postas em causa.
Remova ou assinale obstruções como valas, buracos, sulcos, lombas, pedras ou outros perigos escondidos. A relva alta pode esconder obstruções. O terreno desnivelado pode fazer capotar a máquina.
Esteja atento ao funcionamento da máquina em relva molhada, ao atravessar declives ou a descer – a máquina poderá perder tração. A perda de tração das rodas dianteiras pode resultar em derrapagem e perda de capacidade de travagem e de controlo da direção.
Tenha uma especial atenção quando utilizar a máquina perto de declive acentuados, valas, margens, perigos junto à água ou outros. A máquina poderá capotar repentinamente se uma roda resvalar ou se o piso ceder. Estabeleça uma área de segurança entre a máquina e qualquer perigo.
Identifique os perigos na base do declive. Se houver perigos, corte o declive com uma máquina controlada por operador apeado.
Se possível, mantenha a(s) unidade(s) de corte descida(s) para o solo enquanto estiver a trabalhar em inclinações. Elevar a)s) unidade(s) de corte enquanto a máquina estiver a operar em inclinações pode causar instabilidade da máquina.
Tenha cuidados redobrados com os sistemas de recolha de relva ou outros engates. Estes poderão afetar a estabilidade da máquina e provocar a perda de controlo.
Important: Purgue o sistema de combustível, caso tenha ocorrido uma das seguintes situações:
Paragem do motor por falta de combustível.
Manutenção dos componentes do sistema de combustível.
Retire o pé do pedal de tração e certifique-se de que este se encontra na posição NEUTRA.
Note: Certifique-se de que o travão de estacionamento se encontra engatado.
Desloque o interruptor da velocidade do motor para a posição RALENTI BAIXO.
Rode a chave da ignição para a posição FUNCIONAMENTO.
Note: A luz indicadora acende.
Quando a luz indicadora das velas apagar, rode a chave para a posição ARRANQUE.
Liberte imediatamente a chave quando o motor arrancar, deixando-a regressar à posição FUNCIONAMENTO.
Ajuste da velocidade do motor.
Important: O motor de arranque não deverá funcionar mais de 15 segundos em cada tentativa, de modo a não prejudicar o seu desempenho. Se o motor não arrancar no espaço de 15 segundos, rode a chave para a posição DESLIGAR, volte a verificar os comandos e os procedimentos efetuados, aguarde mais 15 segundos e repita o procedimento de arranque.
Quando a temperatura ambiente for inferior a -7°C, o motor de arranque poderá funcionar duas vezes durante 30 segundos, com um intervalo de 60 segundos entre as duas tentativas.
Tocar em peças em movimento pode provocar ferimentos.
Desligue o motor e aguarde até que todas as peças se encontrem imóveis antes de verificar se existem fugas de óleo, peças soltas ou quaisquer outros problemas.
Important: Deixe o motor a funcionar ao ralenti durante 5 minutos antes de o desligar, depois de uma opera com a carga total. Isto permite que o turbocompressor arrefeça antes de se desligar o motor. O não cumprimento deste procedimento pode provocar avarias ao nível do turbocompressor.
Note: Baixe as unidades de corte sempre que estacionar a máquina. Isto alivia a carga hidráulica do sistema, evita o desgaste nas peças do sistema e evita também um abaixamento acidental das unidades de corte.
Volte a colocar o motor ao ralenti.
Desloque o interruptor da tomada de força para a posição DESLIGAR.
Engate o travão de estacionamento.
Rode a chave para DESLIGADO.
Tire a chave da ignição para evitar arranques acidentais.
Pode ajustar o contrapeso nos braços de elevação da unidade de corte traseira para compensar condições de relva diferentes e para manter uma altura de corte uniforme em condições difíceis ou em áreas onde se acumula palha.
Pode ajustar cada mola do contrapeso para 1 dos 4 ajustes. Cada incremento aumenta ou diminui o contrapeso da unidade de corte em 2,3 kg. As molas podem ser colocadas na parte de trás do primeiro atuador de mola para retirar o contrapeso (quarta posição).
Coloque a máquina numa superfície nivelada, baixe as unidades de corte até ao solo, engate o travão de estacionamento, desligue o motor e retire a chave da ignição.
Insira um tubo ou objeto semelhante na extremidade longa da mola para aliviar a tensão durante o ajuste (Figura 34).
As molas estão sob tensão e podem causar ferimentos.
Tenha cuidado ao ajustar as molas.
Enquanto alivia a tensão da mola, retire o parafuso e a porca de bloqueio que prendem o atuador de mola ao suporte (Figura 34).

Desloque o atuador da mola para a localização do orifício desejado e prenda-o com a porca de bloqueio.
Repita este procedimento para a outra mola.
Coloque a máquina numa superfície nivelada, baixe as unidades de corte até ao solo, engate o travão de estacionamento, desligue o motor e retire a chave da ignição.
O interruptor do braço de elevação encontra-se por trás do braço de elevação direito dianteiro (Figura 35).

Solte os parafusos de montagem do interruptor (Figura 35) e desloque o interruptor para cima para aumentar a altura de viragem do braço de elevação ou desloque o interruptor para baixo para diminuir a altura de viragem do braço de elevação.
Aperte os parafusos de montagem.
Pode dobrar a barra de segurança para baixo para permitir o acesso a áreas de altura restrita.
A máquina não tem um Sistema de proteção anticapotamento (ROPS) quando a barra de segurança está dobrada e não deve ser considerado um ROPS.
Não use o cinto de segurança com a barra de segurança para baixa.
Coloque a máquina numa superfície nivelada, baixe as unidades de corte até ao solo, engate o travão de estacionamento, desligue o motor e retire a chave da ignição.
Suporte o peso da estrutura superior da barra de segurança enquanto remove os pinos de encaixe e os passadores de forquilha dos suportes articulados (Figura 36).

Baixe cuidadosamente a estrutura para baixo até que apoie nos batentes.
Insira os passadores de forquilha nos furos inferiores e prenda com os pinos de encaixe para suportar a estrutura superior na sua posição mais baixa.
Para elevar a estrutura, siga estas instruções pela ordem inversa.
O Sistema de proteção anticapotamento (ROPS) pode não ser eficaz se os conjuntos do parafuso de retenção do ROPS estiverem soltos, o que pode causar ferimentos graves ou até a morte em caso de capotamento.
Quando na posição elevada, ambos os conjuntos de parafusos de retenção têm de ser instalados e completamente apertados para assegurar a completa proteção ROPS.
Quando descer e elevar a barra de segurança, os dedos podem ficar presos entre a máquina e a barra de segurança.
Tenha cuidado quando descer e elevar a barra de segurança para evitar entalar os dedos entre a parte fixa e a parte articulada da estrutura.
Mantenha todas as porcas, parafusos e cavilhas corretamente apertadas para se assegurar de que a máquina funcionará em perfeitas condições.
Substitua as peças gastas ou danificadas para garantir a segurança.
Certifique-se de que o cinto de segurança e montagens estão em boas condições.
Use sempre o cinto de segurança quando a barra de segurança estiver levantada e não use o cinto de segurança quando barra de segurança estiver baixada.
Important: A barra de segurança é um dispositivo integral de segurança. Mantenha a barra de segurança na posição elevada quando utilizar o cortador. Baixe a barra de segurança temporariamente só quando for mesmo necessário.
| Intervalo de assistência | Procedimento de manutenção |
|---|---|
| Em todas as utilizações ou diariamente |
|
A máquina poderá arrancar inesperadamente se os interruptores de bloqueio de segurança se encontrarem desligados ou danificados e provocar lesões.
Não desative os interruptores de bloqueio.
Verifique o funcionamento dos interruptores de bloqueio diariamente e substitua todos os interruptores danificados antes de utilizar a máquina.
A máquina possui interruptores de segurança no sistema elétrico. Estes interruptores foram concebidos para parar o motor quando o utilizador se levantar do banco enquanto o pedal de tração estiver premido. No entanto, poderá abandonar o banco enquanto o motor se encontrar em funcionamento, se o pedal de tração se encontrar na posição Ponto morto. Embora o motor continue a funcionar se o interruptor da tomada de força for desengatado e se o pedal de tração for libertado, desligue o motor antes de se levantar do banco.
Para verificar o funcionamento dos interruptores de segurança siga o seguinte procedimento:
Conduza a máquina lentamente para uma zona espaçosa e aberta.
Desça as unidades de corte, desligue o motor e engate o travão de estacionamento.
Sente-se no banco e pressione o pedal de tração.
Tente ligar o motor.
Note: O motor não deverá arrancar. Se o motor arrancar, significa que existe uma avaria no sistema de segurança que tem de corrigir antes de operar a máquina.
Sente-se no banco e ligue o motor.
Levante-se e desloque o interruptor da tomada de força para a posição Ligar.
Note: A tomada de força não deve engatar. Se a tomada de força engatar, significa que existe uma avaria no sistema de segurança que tem de corrigir antes de operar a máquina.
Sente-se no banco, engate o travão de estacionamento e ligue o motor.
Retire o pedal de tração da posição de PONTO-MORTO.
Note: O motor deve desligar. Se o motor não desligar, significa que existe uma avaria no sistema de segurança que tem de corrigir antes de operar a máquina.
Antes de cortar a relva, treine a utilização da máquina num espaço aberto. Ligue e desligue o motor. Pratique a marcha para a frente e a marcha-atrás. Levante e baixe as unidades de corte e engate e desengate os cilindros. Quando se sentir à vontade com a máquina, pratique a subida e a descida de terrenos inclinados a diferentes velocidades.
Se se acender uma luz de advertência durante a operação, pare imediatamente a máquina e solucione o problema antes de continuar. Se continuar a utilizar a máquina com uma avaria pode danificar gravemente a máquina.
Ponha o motor a funcionar e coloque o interruptor de velocidade do motor na posição RáPIDO. Mova o limitador de velocidade de corte para a posição de CORTE. Coloque o interruptor da tomada de força (PTO) para a posição LIGAR e utilize o interruptor de elevação para controlar as unidades de corte (as unidades de corte dianteiras são baixadas antes das unidades de corte traseiras). Para avançar e cortar a relva, carregue no pedal de tração para a frente.
Mova o interruptor da tomada de força (PTO) para a posição DESLIGAR e eleve as unidades de corte para a posição de transporte. Mova o limitador de velocidade de corte para a posição de transporte. Tenha cuidado ao conduzir por entre objetos para não danificar acidentalmente a máquina e as unidades de corte. Tome todas as precauções necessárias quando utilizar a máquina em declives. Conduza lentamente e evite mudanças de direção bruscas, de modo a prevenir qualquer capotamento.
Desligue o motor, retire a chave (se equipada) e aguarde até que todo o movimento pare e só depois saia da posição de operação. Deixe a máquina arrefecer antes de a ajustar, lhe fazer a manutenção, limpar ou armazenar.
Elimine todos os vestígios de relva e detritos das unidades de corte, transmissões, abafadores, filtros de refrigeração e compartimento do motor, de modo a evitar qualquer risco de incêndio. Limpe as zonas que tenham óleo ou combustível derramado.
Desative o sistema de combustível durante o armazenamento ou transporte da máquina.
Desengate a transmissão para o engate sempre que estiver a transportar ou não estiver a utilizar a máquina.
Mantenha e limpe o(s) cinto(s) de segurança, como necessário.
Nunca guarde a máquina ou o recipiente de combustível num local onde existam chamas abertas, faíscas ou luzes piloto, como junto de uma caldeira ou outros aparelhos.
Utilize rampas de largura total para carregar máquina num atrelado ou camião.
Prenda bem a máquina.
Os pontos de fixação encontram-se nos seguintes locais:
Em cada lado da estrutura por baixo dos degraus dianteiros
Pára-choques traseiro

Note: Apoie a máquina com macacos sempre que trabalhar debaixo da máquina.
Os pontos de apoio encontram-se nos seguintes locais:
Na parte dianteira da máquina, na estrutura do lado interior de cada pneu de direção
Na parte traseira da máquina, no centro do eixo
Em caso de emergência, a máquina pode ser deslocada, ativando a válvula de derivação na bomba hidráulica de deslocação variável e instalando um tubo hidráulico para desviar a válvula de retenção e depois puxando ou rebocando a máquina.
Important: Não empurre nem reboque a máquina a uma velocidade superior a 3–4,8 km/h ou durante mais de 0,4 km porque o sistema interno de transmissão pode sofrer danos. A válvula de derivação deve ser aberta sempre que empurrar ou rebocar a máquina. Para além disto, tem de instalar um tubo hidráulico para desviar a válvula de retenção sempre que empurrar ou rebocar a máquina em marcha-atrás.
Se tiver de empurrar ou rebocar a máquina, provavelmente vai precisar de a mover tanto para a frente como em marcha-atrás. Para assegurar que o sistema de transmissão não fica danificado devido a empurrar ou rebocar, é melhor preparar a máquina para ser empurrada ou rebocada tanto para a frente como em marcha-atrás.
Important: Se precisar de empurrar ou rebocar a máquina num sentido inverso ao normal, primeiro tem de desviar a válvula de retenção do coletor da tração às quatro rodas.
As seguintes peças Toro são necessárias para desviar a válvula de retenção:
Peça Toro No. 59-7410, encaixe de diagnóstico
Peça Toro No. 354-79, tampa do encaixe de diagnóstico
Peça Toro No. 95-8843, tubo hidráulico
Peça Toro No. 95-0985, encaixe do acoplador (2)
Peça Toro No. 340-77, encaixe hidráulico (2)
Instale um encaixe de diagnóstico na porta não assinalada que se encontra entre as portas M8 e P2 no coletor da tração traseiro (Figura 38).

Ligue um tubo hidráulico entre o encaixe de diagnóstico instalado no coletor da tração traseiro e a porta de teste de pressão da tração traseira (Figura 39).
Note: Utilize os encaixes hidráulicos e os encaixes do acoplador conforme necessário para instalar o tubo.

Rode a válvula de derivação 90° (1/4 de volta) em qualquer direção, para permitir a passagem interna do fluido (Figura 40).
Note: Após este procedimento, pode deslocar lentamente a máquina sem danificar a transmissão.Observe a posição da válvula quando a abrir e fechar.

Quando terminar de empurrar ou rebocar a máquina, retire o tubo hidráulico que instalou.
Coloque o tampão existente na porta de teste de pressão da tração traseira.
Coloque o tampão do encaixe de diagnóstico no encaixe que colocou no coletor.
Rode a válvula de derivação 90° (1/4 de volta) novamente antes de ligar o motor.
Note: Não deverá exceder uma força de aperto de 7 a 11 N·m quando fechar a válvula.
Se precisar de empurrar ou rebocar a máquina apenas para a frente, basta rodar a válvula de derivação.
Important: Se precisar de empurrar ou rebocar a máquina em marcha-atrás, consulte a Preparação da máquina para empurrar ou rebocar em marcha-atrás.
Abra o capot e retire o resguardo central.
Rode a válvula de derivação 90° (1/4 de volta) em qualquer direção, para permitir a passagem interna do fluido (Figura 40).
Note: Após este procedimento, pode deslocar lentamente a máquina para a frente sem danificar a transmissão.Observe a posição da válvula quando a abrir e fechar.
Rode a válvula de derivação 90° (1/4 de volta) novamente antes de ligar o motor.
Note: Não deverá exceder uma força de aperto de 7 a 11 N·m quando fechar a válvula.
Note: Determine os lados direito e esquerdo da máquina a partir da posição normal de utilização.
Antes de sair da posição de operador, faça o seguinte:
Estacione a máquina numa superfície plana.
Desengate a(s) unidade(s) de corte e baixe os acessórios.
Engate o travão de estacionamento.
Desligue o motor e retire a chave (se equipada).
Aguarde que todo o movimento pare.
Deixe os componentes da máquina arrefecerem antes de proceder à manutenção.
Se possível, não faça manutenção com o motor em funcionamento. Mantenha-se longe das peças móveis.
Apoie a máquina com macacos sempre que trabalhar debaixo da máquina.
Cuidadosamente, liberte a pressão dos componentes com energia acumulada.
Mantenha todas as peças da máquina em boas condições de trabalho e as partes corretamente apertadas.
Substitua todos os autocolantes gastos ou danificados.
Para assegurar o desempenho seguro e ideal da máquina, utilize apenas peças sobressalentes originais da Toro. As peças sobressalentes produzidas por outros fabricantes poderão tornar-se perigosas e a sua utilização pode anular a garantia do produto.
| Intervalo de assistência | Procedimento de manutenção |
|---|---|
| Após as pimeiras 8 horas |
|
| Após as pimeiras 200 horas |
|
| Em todas as utilizações ou diariamente |
|
| A cada 50 horas |
|
| A cada 100 horas |
|
| A cada 200 horas |
|
| A cada 250 horas |
|
| A cada 400 horas |
|
| A cada 800 horas |
|
| A cada 1000 horas |
|
| A cada 2000 horas |
|
| Antes do armazenamento |
|
Copie esta página para uma utilização de rotina.
| Verificações de manutenção | Para a semana de: | ||||||
|---|---|---|---|---|---|---|---|
| Seg. | Ter. | Qua. | Qui. | Sex. | Sáb. | Dom. | |
| Verifique o funcionamento dos interruptores de segurança. | |||||||
| Verifique o funcionamento dos travões. | |||||||
| Verifique os níveis do óleo do motor e do combustível. | |||||||
| Verifique o nível do fluido do sistema de arrefecimento. | |||||||
| Efetue a drenagem do separador de combustível/água. | |||||||
| Verifique o indicador de manutenção do filtro do ar. | |||||||
| Verifique se existem detritos no radiador, refrigerador do óleo e no painel. | |||||||
| Verifique todos os ruídos estranhos no motor.1 | |||||||
| Verifique todos os ruídos estranhos de funcionamento. | |||||||
| Verifique o nível de fluido do sistema hidráulico. | |||||||
| Verifique se os tubos hidráulicos se encontram danificados. | |||||||
| Verifique se há fuga de fluidos. | |||||||
| Verifique a pressão dos pneus. | |||||||
| Verifique o funcionamento do painel de instrumentos. | |||||||
| Verifique o ajuste do cilindro à lâmina de corte. | |||||||
| Verifique o ajuste da altura do corte. | |||||||
| Lubrifique todos os bocais de lubrificação.2 | |||||||
| Retoque a pintura danificada. | |||||||
| Lave a máquina. | |||||||
|
1. Verifique a vela de incandescência e os injetores, se o arranque do motor for difícil, se tiver produção excessiva de fumo ou se tiver um funcionamento irregular. |
|||||||
|
2. Imediatamente após cada lavagem, independentemente do intervalo previsto |
|||||||
| Inspeção executada por: | ||
| Item | Data | Informação |
| 1 | ||
| 2 | ||
| 3 | ||
| 4 | ||
| 5 | ||
| 6 | ||
| 7 | ||
| 8 | ||
Important: Para informações detalhadas sobre os procedimentos de manutenção adicionais, consulte o Manual do proprietário do motor e Manual do utilizador da unidade de corte.
Note: Transfira uma cópia gratuita dos esquemas elétricos ou hidráulicos visitando www.Toro.com e procurando a sua máquina a partir da hiperligação de manuais na página inicial.
| Intervalo de assistência | Procedimento de manutenção |
|---|---|
| A cada 50 horas |
|
A máquina possui bocais de lubrificação que deverão ser lubrificados regularmente com massa lubrificante nº 2 à base de lítio. Se a máquina for utilizada em condições normais, deverá lubrificar todos os rolamentos e casquilhos após cada 50 horas de funcionamento ou imediatamente após cada lavagem.
A localização dos bocais de lubrificação e as quantidades são as seguintes:
Rolamentos articulados do eixo do travão (5) (Figura 41)

Articulação do casquilho do eixo traseiro (2) (Figura 42)

Rótulas do cilindro de direção (2) (Figura 43)

Rótulas esféricas da barra de ligação (2) (Figura 43)
Buchas do pino principal (2) (Figura 43). O bocal superior do pino principal apenas deverá ser lubrificado uma vez por ano (2 bombas).
Casquilhos do braço de elevação (1 por unidade de corte) (Figura 44)

Casquilhos do cilindro de elevação (2 por unidade de corte) (Figura 44)
Casquilhos da articulação do braço de elevação (1 por unidade de corte) (Figura 45)
Estrutura suporte da unidade de corte (2 por cada unidade de corte) (Figura 45)
Articulação do braço de elevação da unidade de corte (1 por cada unidade de corte) (Figura 45)

Desligue o motor antes de verificar ou adicionar óleo no cárter.
Não altere os valores do acelerador nem acelere o motor excessivamente.
| Intervalo de assistência | Procedimento de manutenção |
|---|---|
| A cada 400 horas |
|
Verifique se existe algum dano no corpo do filtro de ar que possa provocar uma fuga de ar. Substitua se estiver danificado. Verifique todo o sistema de admissão para ver se tem fugas, se está danificado ou se há braçadeiras de tubos soltas.
Faça a manutenção ao filtro de ar apenas quando o indicador de manutenção (Figura 46) o exigir. Mudar o filtro de ar antes de ser necessário apenas aumenta a possibilidade de entrar sujidade no motor quando se retira o filtro.

Important: Certifique-se de que a cobertura está corretamente assente e veda com o corpo do filtro de ar.
Coloque a máquina numa superfície nivelada, baixe as unidades de corte até ao solo, engate o travão de estacionamento, desligue o motor e retire a chave da ignição.
Puxe o trinco para fora e rode a cobertura do filtro de ar no sentido contrário ao dos ponteiros do relógio (Figura 47).

Retire a cobertura do corpo do filtro de ar.
Antes de remover o filtro, utilize ar de baixa pressão – 2,76 bar, limpo e seco – para ajudar a retirar grandes acumulações de detritos que se encontram entre o lado de fora do filtro principal e o recipiente. Evite a utilização de ar de alta pressão, que pode forçar a entrada de sujidade no sistema de admissão através do filtro.
Este processo de limpeza evita que a sujidade migre para dentro da admissão quando se retira o filtro primário.
Retire e substitua o filtro primário (Figura 48).
Não se recomenda a limpeza do elemento usado devido a possibilidade de danos no meio do filtro. Inspecione o filtro novo para ver se sofreu danos durante o transporte, verificando a extremidade vedante do filtro e o corpo. Não utilize um elemento danificado.
Insira um filtro novo aplicando pressão no anel exterior do elemento para o assentar no recipiente. Não pressione no centro flexível do filtro.

Important: Nunca tente limpar o filtro de segurança (Figura 49). Substitua o filtro de segurança após três operações de manutenção do filtro primário.

Limpe a porta de ejeção de sujidade que se encontra na cobertura amovível.
Retire a válvula de saída em borracha da cobertura, limpe a cavidade e coloque a válvula de saída.
Instale a tampa orientando a válvula de saída de borracha para uma posição descendente – entre cerca de 5:00 a 7:00 quando vista da extremidade.
Reinicie o indicador (Figura 46) se este se apresentar vermelho.
| Intervalo de assistência | Procedimento de manutenção |
|---|---|
| Em todas as utilizações ou diariamente |
|
O motor já é enviado com óleo no cárter; no entanto, o nível de óleo deverá ser verificado antes e depois de ligar o motor pela primeira vez.
A capacidade do cárter é de cerca de 9,5 litros com o filtro.
Utilize óleo de motor de alta qualidade que satisfaça as seguintes especificações:
Nível de classificação API necessário: CH-4, CI-4 ou superior.
Óleo preferido: SAE 15W-40: acima de -18°C
Óleo alternativo: SAE 10W-30 ou 5W-30 (todas as temperaturas)
Note: O óleo Toro Premium Engine encontra-se disponível no seu distribuidor na viscosidade 15W-40 ou 10W-30.
Note: A melhor altura para verificar o nível de óleo do motor será quando o motor estiver frio antes do dia de trabalho começar. Se já tiver funcionado, espere 10 minutos até o óleo voltar para o reservatório e verifique depois. Se o nível de óleo estiver exatamente na marca ou abaixo da marca Adicionar na vareta, adicione óleo até o nível atingir a marca Cheio. Não encha muito o motor. Se o nível de óleo se encontrar entre as marcas Cheio e Adicionar, não é necessário adicionar óleo.
Coloque a máquina numa superfície nivelada, baixe as unidades de corte até ao solo, engate o travão de estacionamento, desligue o motor e retire a chave da ignição.
Desengate o trinco do capot e abra o capot (Figura 50).

Retire a vareta, limpe-a, coloque-a no tubo e volte a retirá-la em seguida.
O nível de óleo deve encontrar-se na zona de segurança (Figura 51).

Se o nível de óleo se encontrar abaixo da zona de segurança, deverá retirar a tampa de enchimento (Figura 52) e adicionar óleo até que o nível atinja a marca Cheio.
Important: Não encha muito o motor.

Note: Quando utilizar um óleo diferente deve esvaziar todo o óleo existente no cárter antes de adicionar óleo novo.
Volte a montar a tampa e a vareta.
Feche o capot e fixe-o com os trincos.
| Intervalo de assistência | Procedimento de manutenção |
|---|---|
| A cada 250 horas |
|
Coloque a máquina numa superfície nivelada, baixe as unidades de corte até ao solo, engate o travão de estacionamento, desligue o motor e retire a chave da ignição.
Retire o tampão de escoamento (Figura 53) e deixe o óleo escorrer para um recipiente adequado.

Instale o tampão de escoamento quando o óleo parar.
Retire o filtro do óleo (Figura 54).

Aplique uma leve camada de óleo limpo no novo vedante do filtro antes de o montar.
Note: Não aperte demasiado o filtro.
Junte óleo ao cárter; consulte Verificação do nível do óleo do motor.
Ajuste o cabo do regulador (Figura 55) de modo a permitir que a alavanca de comando do motor fique em contacto com os parafusos de fixação de velocidade reduzida e elevada, antes que a alavanca do acelerador toque na ranhura do painel de controlo.

Em determinadas condições, o combustível e respetivos gases podem tornar-se altamente inflamáveis e explosivos. Um incêndio ou explosão de combustível poderá provocar queimaduras e danos materiais.
Encha o depósito de combustível no exterior, num espaço aberto, quando o motor estiver desligado e frio. Limpe todo o combustível derramado.
Não encha completamente o depósito de combustível. Adicione gasolina ao depósito de combustível até que o nível se encontre 25 mm abaixo da parte superior do depósito, não do tubo de enchimento Este espaço no depósito permite a expansão do combustível.
Não fume quando se encontrar próximo de combustível e mantenha-se afastado de todas as fontes de chama ou faíscas que possam inflamar os vapores existentes nesse meio.
Guarde o combustível num recipiente limpo e seguro e mantenha-o sempre bem fechado.
| Intervalo de assistência | Procedimento de manutenção |
|---|---|
| A cada 800 horas |
|
| Antes do armazenamento |
|
Coloque a máquina numa superfície nivelada, baixe as unidades de corte até ao solo, engate o travão de estacionamento, desligue o motor e retire a chave da ignição.
Drene e lave o depósito de combustível se o sistema de combustível ficar contaminado ou se tiver de guardar a máquina por um período de tempo prolongado. Utilize combustível limpo para lavar o depósito.
| Intervalo de assistência | Procedimento de manutenção |
|---|---|
| A cada 400 horas |
|
Coloque a máquina numa superfície nivelada, baixe as unidades de corte até ao solo, engate o travão de estacionamento, desligue o motor e retire a chave da ignição.
Verifique as tubagens de combustível quanto a sinais de deterioração, danos ou ligações soltas.
| Intervalo de assistência | Procedimento de manutenção |
|---|---|
| Em todas as utilizações ou diariamente |
|
| A cada 400 horas |
|
Coloque a máquina numa superfície nivelada, baixe as unidades de corte até ao solo, engate o travão de estacionamento, desligue o motor e retire a chave da ignição.
Coloque um recipiente limpo debaixo do filtro de combustível.
Liberte o tampão de escoamento que se encontra na zona inferior do recipiente do filtro.

Limpe a zona de montagem do recipiente do filtro.
Retire o recipiente do filtro e limpe a superfície de montagem.
Lubrifique a junta vedante do filtro com óleo limpo.
Monte o recipiente do filtro manualmente até que a junta entre em contacto com a superfície de montagem, rodando em seguida esse recipiente mais 1/2 volta.
Aperte o tampão de escoamento que se encontra na zona inferior do recipiente do filtro.
Coloque a máquina numa superfície nivelada, baixe as unidades de corte até ao solo, engate o travão de estacionamento, desligue o motor e retire a chave da ignição.
O tubo de admissão de combustível, localizado no interior do depósito de combustível, está equipado com um filtro para evitar que entre sujidade no sistema de combustível. Retire o tubo de admissão de combustível e limpe o filtro conforme necessário.
Desligue a bateria antes de reparar a máquina. Desligue o terminal negativo em primeiro lugar e o terminal positivo no final. Ligue o terminal positivo em primeiro lugar e o terminal negativo no final.
Carregue a bateria num espaço aberto e bem ventilado, longe de faíscas e chamas. Retire a ficha do carregador da tomada antes de o ligar ou desligar da bateria. Utilize roupas adequadas e ferramentas com isolamento.
Coloque a máquina numa superfície nivelada, baixe as unidades de corte até ao solo, engate o travão de estacionamento, desligue o motor e retire a chave da ignição.
Desbloqueie e eleve o painel da consola do operador (Figura 57).

O eletrólito da bateria contém ácido sulfúrico, uma substância extremamente venenosa que é fatal e causa queimaduras graves.
Não beba eletrólito e evite qualquer contacto com a pele, olhos e vestuário. Utilize óculos de proteção para proteger os olhos e luvas de borracha para proteger as mãos.
Ateste a bateria apenas em locais onde exista água limpa para lavar as mãos.
Ligue um carregador de baterias de 3 a 4 amperes aos pólos da bateria.
Carregue a bateria com um carregador de bateria de 3 a 4 amperes, durante 4 a 8 horas.
Quando a bateria estiver carregada, desligue o carregador da tomada elétrica e dos polos da bateria.
Instale o cabo positivo (vermelho) no terminal positivo (+) e o cabo negativo (negro) no terminal negativo (-) da bateria (Figura 58).

Prenda os cabos aos pólos com parafusos e porcas.
Certifique-se de que o terminal positivo (+) se encontra corretamente colocado no pólo e de que o cabo se encontra corretamente encaixado na bateria. O cabo não deverá estar em contacto com a cobertura da bateria.
Coloque a proteção de borracha sobre o terminal positivo para evitar um curto-circuito.
Cubra as ligações da bateria com lubrificante Grafo 112X, peça Toro n.º 505-47, vaselina ou lubrificante suave, para evitar a corrosão, e coloque a tampa de borracha no terminal positivo.
Coloque a cobertura de borracha no terminal positivo.
Feche o painel da consola e prenda o trinco.
| Intervalo de assistência | Procedimento de manutenção |
|---|---|
| A cada 50 horas |
|
Important: Antes de efetuar qualquer soldagem na máquina, deverá desligar o cabo negativo da bateria, de modo a evitar quaisquer danos no sistema elétrico.
Note: Verifique o estado da bateria semanalmente ou após cada 50 horas de funcionamento. Mantenha os terminais e toda a caixa da bateria em perfeitas condições de limpeza já que uma bateria suja descarrega mais rapidamente.
Limpe a bateria da seguinte forma:
Coloque a máquina numa superfície nivelada, baixe as unidades de corte até ao solo, engate o travão de estacionamento, desligue o motor e retire a chave da ignição.
Retire a bateria da máquina.
Lave toda a caixa com uma solução de bicarbonato de sódio e água.
Lave a caixa com água limpa.
Cubra os pólos da bateria e ligações dos cabos com lubrificante Grafo 112X (peça Toro n.º 505-47) ou vaselina para evitar qualquer corrosão.
Os fusíveis estão debaixo do painel de controlo do operador.

Coloque a máquina numa superfície nivelada, baixe as unidades de corte até ao solo, engate o travão de estacionamento, desligue o motor e retire a chave da ignição.
Liberte o capot e eleve o painel da consola do operador (Figura 60) para expor os fusíveis (Figura 61).


| Intervalo de assistência | Procedimento de manutenção |
|---|---|
| Em todas as utilizações ou diariamente |
|
Os pneus são colocados sob pressão excessiva aquando do seu envio. Portanto, deve libertar algum ar para reduzir a pressão. A pressão correta dos pneus é de 0,83 a 1,03 bar. Verifique a pressão dos pneus diariamente.
Important: Mantenha a pressão recomendada em todos os pneus, de modo a garantir uma boa qualidade de corte e um desempenho adequado da máquina. Não encha de menos os pneus.
| Intervalo de assistência | Procedimento de manutenção |
|---|---|
| Após as pimeiras 8 horas |
|
| A cada 200 horas |
|
Coloque a máquina numa superfície nivelada, baixe as unidades de corte até ao solo, engate o travão de estacionamento, desligue o motor e retire a chave da ignição.
Se não mantiver um aperto das porcas das rodas adequado, as rodas poderão falhar ou soltar-se e provocar lesões graves.
Aperte as porcas das rodas dianteiras e traseiras com um binário de 115 a 136 N·m após 1 a 4 horas de funcionamento e novamente após 8 horas de funcionamento. Aperte as porcas das rodas a cada 200 horas a partir daí.
Note: As porcas das rodas dianteiras são 1/2–20 UNF. As porcas das rodas traseiras são M12 x 1,6-6H (métrico).
| Intervalo de assistência | Procedimento de manutenção |
|---|---|
| A cada 400 horas |
|
Não deve haver folga nas extremidades das transmissões planetárias/rodas da transmissão (ou seja, as rodas não se devem mover quando as puxa ou empurra numa direção paralela ao eixo).
Estacione a máquina numa superfície plana, engate o travão de estacionamento, desça as unidades de corte, desligue o motor e retire a chave.
Coloque um calço nas rodas traseiras e eleve a frente da máquina, suportando o eixo frontal/estrutura nas preguiças.
Uma máquina apoiada por uma preguiça pode tornar-se instável e deslizar da preguiça, ferindo quem se encontrar por baixo.
Não ligue o motor quando a máquina estiver apoiada numa preguiça.
Retire sempre a chave da ignição antes de sair da máquina.
Bloqueie os pneus quando estiver a levantar a máquina com um preguiça.
Suporte a máquina com preguiças.
Agarre numa das rodas frontais e empurre/puxe na direção da máquina e direção contrária, reparando se existe algum movimento.

Repita o passo 3 para a outra roda.
Se alguma das rodas se mover, contacte o distribuidor autorizado Toro para obter uma reparação da transmissão planetária.
| Intervalo de assistência | Procedimento de manutenção |
|---|---|
| A cada 400 horas |
|
Especificações do lubrificante: lubrificante para engrenagens SAE 85W-140 de alta qualidade
Estacione a máquina numa superfície plana, posicione a roda de forma a que o tampão de enchimento fique na posição das 12 horas, o tampão de verificação fique na posição das 3 horas e o tampão de drenagem fique na posição das 6 horas (Figura 63).

Retire o tampão de verificação da posição das 3 horas (Figura 63).
O óleo deve ficar ao nível do fundo do orifício do tampão de verificação.

Se o nível estiver baixo, retire o tampão de enchimento da posição das 12 horas e adicione óleo até que comece a sair pelo furo da posição das 3 horas.
Verifique o anel de retenção para ver se os tampões estão gastos ou danificados.
Note: Substitua os anéis de retenção conforme necessário.
Volte a colocar os tampões.
Repita os passos 1 a 5 para o conjunto da engrenagem planetária no outro lado da máquina.
| Intervalo de assistência | Procedimento de manutenção |
|---|---|
| Após as pimeiras 200 horas |
|
| A cada 800 horas |
|
Especificações do lubrificante: lubrificante para engrenagens SAE 85W-140 de alta qualidade
Capacidade de lubrificação da caixa do travão e da engrenagem planetária: 0,65 litros
Estacione a máquina numa superfície plana, posicione a roda de forma a que o tampão de enchimento fique na posição das 12 horas, o tampão de verificação fique na posição das 3 horas e o tampão de drenagem fique na posição das 6 horas; consulte Figura 63 em Verificação do lubrificante da transmissão da engrenagem planetária.
Retire o tampão de enchimento da posição das 12 horas e o tampão de verificação da posição das 3 horas (Figura 65).

Coloque o recipiente de escoamento por baixo do cubo da roda, retire o tampão de drenagem e deixe o óleo escorrer até drenar completamente (Figura 65).
Verifique o anel de retenção dos tampões de enchimento, verificação e drenagem para ver se estão gastos ou danificados.
Note: Substitua os anéis de retenção conforme necessário.
Instale o tampão de drenagem no orifício de drenagem da caixa da engrenagem planetária (Figura 65).
Coloque o recipiente de escoamento por baixo da estrutura do travão, retire o tampão e deixe o óleo escorrer completamente (Figura 66).

Verifique o anel de retenção para ver se o tampão está gasto ou danificado e instale o tampão de drenagem na estrutura do travão.
Note: Substitua o anel de retenção conforme necessário.
Através do orifício do tampão de enchimento, encha lentamente com 0,65 litros de lubrificante para engrenagens SAE 85W-140 de elevada qualidade.
Important: Se o sistema encher antes de adicionar 0,65 litros de óleo, aguarde 1 hora ou instale o tampão e mova a máquina cerca de 3 m para distribuir o óleo através do sistema de travões. Em seguida, retire o tampão e adicione o restante óleo.

Coloque o tampão de enchimento e o tampão de verificação.
Limpe as estruturas do travão e da engrenagem planetária (Figura 68).

Repita os passos 1 a 7 em Drenagem da transmissão da engrenagem planetária e os passos 1 através 3 neste procedimento para o conjunto travão/engrenagem planetária no outro lado da máquina.
| Intervalo de assistência | Procedimento de manutenção |
|---|---|
| Em todas as utilizações ou diariamente |
|
| A cada 400 horas |
|
O eixo traseiro é enviado de fábrica já com lubrificante SAE 85W-140 aplicado. A sua capacidade é de 2,4 litros.
Coloque a máquina numa superfície nivelada, baixe as unidades de corte até ao solo, engate o travão de estacionamento, desligue o motor e retire a chave da ignição.
Retire o tampão de verificação que se encontra numa das extremidades do eixo (Figura 69) e certifique-se de que existe óleo até ao fundo do orifício. Se o nível estiver baixo, retire o tampão de enchimento (Figura 69) e adicione óleo suficiente para o nível de lubrificante subir até ao fundo dos orifícios do tampão de verificação.

| Intervalo de assistência | Procedimento de manutenção |
|---|---|
| Após as pimeiras 200 horas |
|
| A cada 800 horas |
|
Coloque a máquina numa superfície nivelada, baixe as unidades de corte até ao solo, engate o travão de estacionamento, desligue o motor e retire a chave da ignição.
Limpe a zona em redor dos 3 tampões de escoamento, 1 em cada extremidade e 1 no centro (Figura 70).

Retire os tampões de verificação do nível de óleo e o tampão de ventilação do eixo principal para facilitar a drenagem do óleo.
Retire os tampões de escoamento e deixe o óleo escorrer para recipientes adequados.
Instale os tampões.
Retire um tampão de verificação e encha o eixo com cerca de 2,37 litros de lubrificante 85W-140 ou até que o óleo chegue à parte de baixo do orifício.
Coloque o tampão de verificação.
| Intervalo de assistência | Procedimento de manutenção |
|---|---|
| Em todas as utilizações ou diariamente |
|
| A cada 400 horas |
|
A caixa de velocidades é abastecida com lubrificante para engrenagens SAE 85W-140. A capacidade é de 0,5 litros.
Coloque a máquina numa superfície nivelada, baixe as unidades de corte até ao solo, engate o travão de estacionamento, desligue o motor e retire a chave da ignição.
Retire o tampão de verificação/enchimento que se encontra na zona esquerda da caixa de velocidades (Figura 71) e certifique-se de que existe lubrificante até ao fundo do orifício. Se o nível estiver baixo, junte lubrificante suficiente para o nível subir até ao fundo do orifício.

A máquina não pode deslizar quando soltar o pedal de tração. Se isso acontecer, tem de fazer um ajuste.
Coloque a máquina numa superfície nivelada, desligue o motor, coloque o controlo da velocidade na gama baixa e baixe as unidades de corte até ao solo.
Pressione apenas o pedal do travão direito e engate o travão de estacionamento.
Levante a zona esquerda da máquina, de modo a elevar a roda esquerda dianteira do chão. Utilize apoios de forma a evitar qualquer queda acidental.
Ligue o motor e deixe-o funcionar ao ralenti lento.
Ajuste as porcas de segurança na extremidade da barra da bomba para mover o tubo de controlo da bomba para a frente e eliminar o risco de deslizamentos para a frente, ou para trás para eliminar os deslizamentos para trás (Figura 72).

Quando as rodas pararem de rodar, aperte as porcas de segurança para fixar o ajuste.
Desligue o motor e solte o travão direito.
Retire os apoios e baixe a máquina.
Teste a máquina para ter a certeza de que não desliza.
| Intervalo de assistência | Procedimento de manutenção |
|---|---|
| A cada 800 horas |
|
Coloque a máquina numa superfície nivelada, baixe as unidades de corte até ao solo, engate o travão de estacionamento, desligue o motor e retire a chave da ignição.
Meça a distância de centro a centro (à altura do eixo) na zona dianteira e traseira dos pneus da direção.
Note: A medição dianteira deve ser 3 mm inferior à medição traseira (Figura 73).

Para ajustar o alinhamento, remova o contrapino e a porca de cada uma das rótulas da barra de ligação (Figura 74).

Remova a rótula da barra de ligação do suporte do eixo.
Desaperte as abraçadeiras que estão em ambas as extremidades das barras de ligação (Figura 74).
Rode uma volta completa a rótula separada, para dentro ou para fora.
Aperte a braçadeira na extremidade solta da barra de ligação.
Rode 1 volta completa todo o conjunto da barra de ligação na mesma direção (para dentro ou para fora).
Aperte a braçadeira na extremidade unida da barra de ligação.
Instale a rótula no suporte do eixo e aperte bem a porca.
Verifique o alinhamento, fazendo as devidas medições.
Repita o procedimento caso seja necessário.
Aperte a porca e instale um novo contrapino quando o ajuste estiver correto.
Ingerir líquido de refrigeração do motor pode ser tóxico; Mantenha as crianças e os animais de estimação afastados.
O derrame de líquido de refrigeração quente pressurizado ou o contacto com o radiador quente e peças adjacentes pode provocar queimaduras graves.
Deixe sempre o motor arrefecer pelo menos 15 minutos antes de retirar a tampa do radiador.
Use um trapo quando abrir o tampão do radiador, fazendo-o lentamente para permitir a saída do vapor.
| Intervalo de assistência | Procedimento de manutenção |
|---|---|
| Em todas as utilizações ou diariamente |
|
Deverá verificar o nível do líquido de arrefecimento no início de cada dia de trabalho. A capacidade do sistema é de 12,3 litros.
Retire cuidadosamente o tampão do radiador.
Se o motor esteve em funcionamento, o líquido de refrigeração pressurizado e quente pode derramar-se e provocar queimaduras.
Não abra o tampão do radiador quando o motor estiver a funcionar.
Use um trapo quando abrir o tampão do radiador, fazendo-o lentamente para permitir a saída do vapor.

Verifique o nível do líquido de arrefecimento do radiador.
Note: O radiador deverá encontrar-se cheio de líquido até ao cimo do tubo de enchimento e o nível de líquido no depósito de expansão deverá atingir a marca Cheio (Figura 75).
Se o nível do líquido de arrefecimento for baixo, deverá juntar uma solução 50/50 de água e anticongelante etileno-glicol.
Note: Não use apenas água ou produtos de arrefecimento à base de álcool/metanol.
Volte a colocar os tampões no radiador e no depósito de expansão.
| Intervalo de assistência | Procedimento de manutenção |
|---|---|
| Em todas as utilizações ou diariamente |
|
Remova diariamente os detritos da área do motor, do refrigerador de óleo e do radiador. Limpe-os com mais frequência em condições de grande sujidade.
Coloque a máquina numa superfície nivelada, baixe as unidades de corte até ao solo, engate o travão de estacionamento, desligue o motor e retire a chave da ignição.
Destranque e abra o painel traseiro (Figura 76).

Limpe cuidadosamente os detritos do painel.
Note: Para retirar o painel, levante os pinos das dobradiças.
Limpe ambos os lados do radiador/refrigerador (Figura 77) com ar comprimido. Comece a partir da parte frontal e sopre os detritos para fora na direção da parte posterior. Depois, limpe a partir da parte posterior e sopre na direção da parte frontal. Repita o procedimento várias vezes até remover toda a sujidade e detritos.

Important: A limpeza do radiador /refrigerador com água poderá acelerar o processo de corrosão destes componentes e compactar os resíduos.
Feche o filtro traseiro e fixe-o com os trincos.
Ajuste os travões de serviço se o pedal do travão apresentar uma folga superior a 13 mm ou quando os travões não funcionarem de forma eficaz. Folga é a distância percorrida pelo pedal antes de se verificar qualquer resistência ao movimento.
Coloque a máquina numa superfície nivelada, baixe as unidades de corte até ao solo, engate o travão de estacionamento, desligue o motor e retire a chave da ignição.
Desengate o trinco de bloqueio dos pedais dos travões, de forma a que ambos os pedais possam funcionar de forma independente.
Para reduzir as folgas no pedais dos travões, aperte os travões da seguinte forma:
Desaperte a porca dianteira na extremidade roscada do cabo do travão (Figura 78).

Aperte a porca traseira para deslocar o cabo para trás até que os pedais dos travões apresentem uma folga de 0 a 13 mm.
Note: Certifique-se de que não existe tensão no travão quando o pedal é libertado.
Aperte as porcas dianteiras depois de os travões estarem corretamente ajustados.
| Intervalo de assistência | Procedimento de manutenção |
|---|---|
| A cada 100 horas |
|
Uma tensão adequada deverá permitir um desvio de 10 mm quando aplica uma força de 45 N numa zona intermédia da correia entre as polias.
Se a deslocação obtida não for igual a 10 mm, deve desapertar os parafusos de montagem do alternador (Figura 79).

Aumente ou diminua a tensão da correia do alternador e aperte os parafusos.
Verifique uma vez mais a deslocação da correia para se certificar de que a tensão está correta.
Em caso de penetração do fluido na pele, consulte imediatamente um médico. O fluido penetrado deve ser removido cirurgicamente dentro de algumas horas por um médico.
Certifique-se de que todas as tubagens e mangueiras do óleo hidráulico se encontram bem apertadas e em bom estado de conservação antes de colocar o sistema sob pressão.
Mantenha os seus corpo e mãos longe de fugas ou bicos que projetem fluido hidráulico sob pressão.
Utilize um pedaço de cartão ou papel para detetar fugas do fluido hidráulico.
Alivie com segurança toda a pressão do sistema hidráulico antes de executar qualquer trabalho neste sistema.
| Intervalo de assistência | Procedimento de manutenção |
|---|---|
| Em todas as utilizações ou diariamente |
|
Verifique as tubagens e as uniões hidráulicas, prestando especial atenção a fugas, tubagens dobradas, suportes soltos, desgaste, juntas soltas e danos provocados pelas condições atmosféricas ou por agentes químicos. Efetue todas as reparações necessárias antes de utilizar a máquina.
| Intervalo de assistência | Procedimento de manutenção |
|---|---|
| Em todas as utilizações ou diariamente |
|
O reservatório é enchido na fábrica com fluido hidráulico de qualidade superior. Verifique o nível de fluido hidráulico antes de ligar o motor pela primeira vez e diariamente a partir daí.
Coloque a máquina numa superfície nivelada, baixe as unidades de corte até ao solo, engate o travão de estacionamento, desligue o motor e retire a chave da ignição.
Limpe a zona em redor do tubo de enchimento e da tampa do depósito hidráulico (Figura 80).

Retire a tampa do tubo de enchimento.
Retire a vareta do tubo de enchimento e limpe-a com um pano limpo.
Introduza a vareta no tubo de enchimento, retire-a e verifique o nível do fluido.
O nível de óleo deverá ficar entre as 2 marcas da vareta.
Se o nível estiver baixo, junte fluido suficiente para o nível subir até à marca superior.
Volte a colocar a tampa e a vareta no tubo de enchimento.
O reservatório é enchido na fábrica com fluido hidráulico de qualidade superior. Verifique o nível de fluido hidráulico antes de ligar o motor pela primeira vez e diariamente a partir daí; consulte Verificação do nível do fluido hidráulico.
Fluido hidráulico recomendado: Fluido hidráulico Toro PX Extended Life; disponível em recipientes de 19 litros ou tambores de 208 litros.
Note: Uma máquina que utilize o fluido de substituição recomendado requer substituições de fluido e filtro menos frequentes.
Fluidos hidráulicos alternativos: Se o fluido hidráulico Toro PX Extended Life não estiver disponível, pode utilizar outro fluido hidráulico convencional à base de petróleo que possua especificações abrangidas pelo intervalo indicado para todas as propriedades dos materiais seguintes e que cumpra as normas da indústria. Não utilize fluido sintético. Consulte o seu distribuidor de lubrificantes para identificar um produto satisfatório.
Note: A Toro não assume a responsabilidade por danos causados devido ao uso de substitutos inadequados, pelo que recomendamos a utilização exclusiva de produtos de fabricantes com boa reputação no mercado.
| Propriedades do material: | ||
| Viscosidade, ASTM D445 | cSt a 40°C 44 até 48 | |
| Índice de viscosidade ASTM D2270 | 140 ou superior | |
| Ponto de escoamento, ASTM D97 | -37°C a -45°C | |
| Especificações industriais: | Eaton Vickers 694 (I-286-S, M-2950-S/35VQ25 ou M-2952-S) | |
Note: A maioria dos fluidos são incolores, o que dificulta a deteção de fugas. Encontra-se à sua disposição um aditivo vermelho para o fluido hidráulico, em recipientes de 20 ml. Um recipiente é suficiente para 15 a 22 litros de fluido hidráulico. Poderá encomendar a peça N.º 44-2500 ao seu distribuidor Toro.
Important: Toro Premium Synthetic Biodegradable Hydraulic Fluid é o único fluido sintético biodegradável aprovado pela Toro. Este fluido é compatível com os elastómeros utilizados nos sistemas hidráulicos da Toro e é adequado a uma vasta gama de condições térmicas. Este fluido é compatível com óleos minerais convencionais, mas para um desempenho e biodegradabilidade máximos, deve remover totalmente o fluido convencional do sistema hidráulico. O óleo está disponível em recipientes de 19 litros ou tambores de 208 litros junto do seu distribuidor autorizado Toro.
28,4 litros; consulte a Especificações do fluido hidráulico
| Intervalo de assistência | Procedimento de manutenção |
|---|---|
| A cada 800 horas |
|
| A cada 2000 horas |
|
Se o fluido tiver sido contaminado, deverá entrar em contacto com o seu distribuidor local autorizado TORO para efetuar uma lavagem do sistema. O fluido contaminado tem uma aparência leitosa ou negra quando comparado com fluido limpo.
Coloque a máquina numa superfície nivelada, baixe as unidades de corte até ao solo, engate o travão de estacionamento, desligue o motor e retire a chave da ignição.
Eleve o capot.
Desligue o tubo de retorno da caixa da zona inferior do reservatório e deixe que o fluido escorra para um recipiente adequado.
Ligue o tubo quando o fluido hidráulico parar de escorrer.
Encha o depósito hidráulico com o fluido hidráulico, consulte a Especificações do fluido hidráulico e a Capacidade do fluido hidráulico.
Important: Utilize apenas os fluidos hidráulicos especificados. A utilização de outros fluidos poderá danificar o sistema.
Em seguida, volte a montar a tampa do reservatório.
Ligue o motor e utilize todos os comandos hidráulicos, de modo a distribuir o fluido hidráulico por todo o sistema.
Verifique se existem fugas e desligue o motor.
Verifique o nível de fluido e adicione fluido suficiente para elevar o nível até à marca Cheio da vareta.
Note: Não encha demasiado o sistema hidráulico.
| Intervalo de assistência | Procedimento de manutenção |
|---|---|
| A cada 800 horas |
|
| A cada 1000 horas |
|
Utilize os filtros sobressalentes Toro: peça n.º 94-2621 para a traseira da máquina (unidade de corte) e a peça n.º 75-1310 para a dianteira (carga) da máquina.
Important: A utilização de outro tipo de filtro poderá anular a garantia de alguns componentes.
Coloque a máquina numa superfície nivelada, baixe as unidades de corte até ao solo, engate o travão de estacionamento, desligue o motor e retire a chave da ignição.
Limpe a zona em torno da montagem do filtro.
Coloque um recipiente de escoamento debaixo do filtro e retire o filtro (Figura 81 e Figura 82).
Lubrifique a junta vedante do novo filtro e encha o filtro com fluido hidráulico.


Certifique-se de que a zona de montagem do filtro se encontra limpa.
Aparafuse o filtro até a junta vedante tocar na placa de montagem; depois, aperte o filtro com mais 1/2 volta.
Ligue o motor e deixe funcionar a máquina durante dois minutos para eliminar o ar do sistema.
Desligue o motor e verifique se existem fugas.
Uma lâmina ou lâmina de corte desgastada ou danificada pode partir-se, podendo levar à projeção de um fragmento contra o utilizador ou alguém que esteja por perto e provocar lesões graves ou até mesmo a morte.
Inspecione periodicamente as unidades de corte para verificar se apresentam sinais de desgaste excessivo ou outros danos.
Tome todas as precauções necessárias quando efetuar a verificação das unidades de corte. Envolva as lâminas ou utilize luvas e tome todas as precauções necessárias quando efetuar a manutenção dos cilindros e das lâminas. Substitua ou retifique os cilindros ou lâminas de corte; não os endireite nem solde.
Em máquinas com múltiplas unidades de corte, tenha atenção quando rodar um cilindro; pode provocar a rotação dos restantes.
Tocar nos cilindros ou noutras peças em movimento pode provocar lesões graves.
Mantenha os dedos, mãos e roupa afastados dos cilindros e de todas as outras peças em movimento.
Nunca tente rodar os cilindros com a mão ou com o pé enquanto o motor está em funcionamento.
Note: durante a retificação, todas as unidades dianteiras funcionam em conjunto; as unidades traseiras também funcionam em conjunto.
Estacione a máquina numa superfície nivelada, desça as unidades de corte, engate o travão de estacionamento, desligue o motor e mova o interruptor para a posição DESLIGAR.
Desbloqueie e levante o capot para expor os controlos.
Faça os ajustes iniciais do cilindro à lâmina de corte, adequados à retificação em todas as unidades de corte que quer retificar; consulte o Manual do utilizador da unidade de corte.
Selecione as alavancas de retificação dianteiras, traseiras ou ambas para determinar quais as unidades a retificar (Figura 83).
Ligue o motor e faça-o funcionar ao ralenti lento.
Mudar a velocidade do motor ao retificar pode fazer com que os cilindros parem.
Nunca mude a velocidade do motor durante a retificação.
Faça a retificação apenas com o motor ao ralenti lento.
O contacto com as unidades de corte em movimento pode provocar lesões graves.
Para evitar ferimentos pessoais certifique-se de que está afastado das unidades de corte antes de continuar.
Com o limitador de velocidade corte na posição CORTE, desloque o interruptor da tomada de força (PTO) para a posição LIGAR.
Pressione o interruptor de elevação para ligar a operação de retificação nos cilindros designados.
Aplique o produto de retificação com uma escova de cabo comprido.
Note: Não utilize uma escova de cabo curto.

Se os cilindros pararem ou ficarem erráticos durante a retificação, aumente a velocidade de aceleração até que o cilindro estabilize.
Para ajustar as unidades de corte durante a retificação, desative os cilindros, pressionando a parte traseira do interruptor de elevação; coloque o interruptor da tomada de força (PTO) na posição DESLIGAR e desligue o motor. Depois de concluir os ajustes, repita os passos 5 a 9.
Repita este procedimento para todas as unidades de corte a retificar.
Quando concluir, volte a colocar as alavancas de retificação na posição CORTAR, baixe o capot e lave todo o produto de retificação das unidades de corte. Ajuste o cilindro da unidade de corte às lâminas, conforme necessário. Desloque os controlos da velocidade do cilindro da unidade de corte para a posição desejada.
Important: Se as alavancas de retificação não voltarem à posição DESLIGAR após a retificação, as unidades de corte não se elevam ou deixam de funcionar devidamente.
Note: Instruções e procedimentos adicionais sobre manutenção estão disponíveis no Manual de afinação de cilindros e cortadores rotativos Toro, formulário n.º 80-300SL.
Note: Para um melhor fio de corte, passe uma lima na frente da lâmina de corte depois de concluída a retificação. Assim, reduz imperfeições ou arestas que se possam ter formado no fio de corte.
Lave a máquina quando necessário utilizando apenas água ou com um detergente suave. Pode ser utilizado um pano ao lavar a máquina.
Important: Não utilize água salobra ou recuperada para limpar a máquina.
Important: Não utilize equipamento de lavagem elétrico para lavar a máquina. Usar equipamento de lavagem elétrico pode danificar o sistema elétrico, eliminar alguns autocolantes importantes ou eliminar a massa lubrificante existente em alguns pontos de fricção. Evite a utilização excessiva de água próximo da zona do painel de controlo, motor e bateria.
Important: Não lave a máquina quando o motor se encontrar em funcionamento. Lavar a máquina com o motor ligado pode causar danos internos ao motor.
Desligue o motor, retire a chave (se equipada) e aguarde até que todo o movimento pare e só depois saia da posição de operação. Deixe a máquina arrefecer antes de a ajustar, lhe fazer a manutenção, limpar ou armazenar.
Nunca guarde a máquina ou o recipiente de combustível num local onde existam chamas abertas, faíscas ou luzes piloto, como junto de uma caldeira ou outros aparelhos.
Coloque a máquina numa superfície nivelada, baixe as unidades de corte até ao solo, engate o travão de estacionamento, desligue o motor e retire a chave da ignição.
Limpe bem a unidade de tração, unidades de corte e motor.
Verifique a pressão dos pneus; consulte a Verificação da pressão dos pneus.
Verifique todos os dispositivos de fixação para ver se estão soltos; aperte-os conforme necessário.
Lubrifique todos os bocais de lubrificação e pontos de articulação. Limpe a massa lubrificante em excesso.
Lixe e retoque todas as zonas riscadas, estaladas ou enferrujadas. Efetue a reparação de todas as mossas existentes no corpo metálico.
Efetue a manutenção da bateria e dos cabos da seguinte forma; consulte Segurança do sistema elétricoID000-448-328:
Retire os terminais dos polos da bateria.
Limpe a bateria, terminais e polos com uma escova de arame e uma solução de bicarbonato de sódio.
Cubra os terminais do cabo e os pólos da bateria com lubrificante Grafo 112X (peça Toro n.º 505-47) ou vaselina para evitar qualquer corrosão.
Carregue a bateria lentamente durante 24 horas, de 2 em 2 meses, para evitar a sulfatização do chumbo da bateria.
Esvazie o óleo do motor do cárter e monte o tampão de escoamento.
Retire o filtro do óleo. Coloque um novo filtro de óleo.
Encha o motor com o óleo de motor especificado.
Ligue o motor e faça-o funcionar a uma velocidade de ralenti durante cerca de 2 minutos.
Desligue o motor e retire a chave.
Lave o depósito de combustível com combustível novo e limpo.
Aperte todas as juntas do sistema de combustível.
Limpe e efetue a manutenção da estrutura do filtro de ar.
Vede a entrada do filtro de ar e a saída de gases com fita impermeável.
Verifique os níveis do líquido anticongelante e adicione uma solução de 50/50 de água e anticongelante etileno-glicol, adequada à temperatura mínima prevista para a zona.