| Периодичность технического обслуживания | Порядок технического обслуживания |
|---|---|
| Перед каждым использованием или ежедневно |
|
Ездовая газонокосилка с режущим аппаратом вращательно-цилиндрического типа предназначена для коммерческого использования профессиональными наемными операторами. Она предназначена главным образом для скашивания травы на благоустроенных газонах. Использование этого изделия не по прямому назначению может быть опасным для пользователя и находящихся рядом людей.
Внимательно изучите данное руководство, чтобы знать, как правильно использовать и обслуживать машину, не допуская ее повреждения и травмирования персонала. Вы несете ответственность за правильное и безопасное использование машины.
Посетите веб-сайт www.Toro.com для получения дополнительной информации, включая рекомендации по технике безопасности, учебные материалы, информации о принадлежностях, а также для получения помощи в поиске дилера или для регистрации изделия.
Для выполнения технического обслуживания, приобретения оригинальных запчастей Toro или получения дополнительной информации обращайтесь в сервисный центр официального дилера или в отдел технического обслуживания компании Toro. Не забудьте при этом указать модель и серийный номер изделия. На Рисунок 1 показано расположение номера модели и серийного номера. Запишите номера в предусмотренном для этого месте.
Important: С помощью мобильного устройства вы можете отсканировать QR-код на табличке с серийным номером (при наличии), чтобы получить доступ к информации по гарантии, запчастям и другим сведениям об изделии.

В настоящем руководстве приведены потенциальные опасности и рекомендации по их предотвращению, обозначенные символом (Рисунок 2), который предупреждает об опасности серьезного травмирования или гибели в случае несоблюдения пользователем рекомендуемых мер безопасности.

Для выделения информации в данном руководстве используются два слова. Внимание – привлекает внимание к специальной информации, относящейся к механической части машины, и Примечание – выделяет общую информацию, требующую специального внимания.
Данное изделие соответствует всем европейским директивам. Подробные сведения содержатся в документе «Декларация соответствия» на каждое отдельное изделие.
Раздел 4442 или 4443 Калифорнийского свода законов по общественным ресурсам запрещает использовать или эксплуатировать на землях, покрытых лесом, кустарником или травой, двигатель без исправного искрогасительного устройства, описанного в разделе 4442 и поддерживаемого в надлежащем рабочем состоянии; или двигатель должен быть изготовлен, оборудован и проходить обслуживание с учетом противопожарной безопасности.
Прилагаемое Руководство для владельца двигателя содержит информацию относительно требований Агентства по охране окружающей среды США (EPA) и (или) Директивы по контролю вредных выбросов штата Калифорния, касающихся выхлопных систем, технического обслуживания и гарантии. Запасные части можно заказать у изготовителя двигателя.
КАЛИФОРНИЯ
Положение 65, Предупреждение
Согласно законам штата Калифорния считается, что выхлопные газы дизельного двигателя и некоторые их составляющие вызывают рак, врождённые пороки, и представляют опасность для репродуктивной функции.
Полюсные выводы аккумуляторной батареи, клеммы, и сопутствующие принадлежности содержат свинец и соединения свинца - химические вещества, которые в штате Калифорния расцениваются как вызывающие рак и нарушающие репродуктивную функцию. После работы с этими элементами необходимо мыть руки.
Лица, использующие данное вещество, должны иметь в виду, что, согласно информации, имеющейся в распоряжении компетентных органов штата Калифорния, оно содержит химическое соединение (соединения), отнесенные к категории канцерогенных, способных вызвать врождённые пороки и оказывающих вредное воздействие на репродуктивную систему человека.
Конструкция данной машины разработана в соответствии с требованиями стандарта EN ISO 5395 (при условии, что вами выполнены процедуры настройки) и стандарта ANSI B71.4-2017.
Данное изделие может привести к травматической ампутации конечностей, а также к травмированию отброшенными предметами.
Перед запуском двигателя прочтите и усвойте содержание настоящего Руководства оператора.
Будьте предельно внимательны при работе на данной машине. Во избежание травмирования людей или повреждения имущества не отвлекайтесь во время работы.
Не помещайте руки и ноги рядом с движущимися компонентами машины.
Не допускается эксплуатация машины без установленных на штатных местах всех ограждений и других защитных устройств в надлежащем исправном состоянии.
Не допускайте посторонних лиц и детей в рабочую зону. Запрещается допускать детей к эксплуатации машины.
Прежде чем покинуть рабочее место оператора, заглушите двигатель, извлеките ключ (при наличии) и дождитесь остановки всех движущихся частей машины. Дайте машине остыть перед регулировкой, техническим обслуживанием, очисткой или постановкой на хранение.
Нарушение правил
эксплуатации или
технического обслуживания
машины может привести
к травме. Чтобы
снизить вероятность
травмирования,
выполняйте правила
техники безопасности
и всегда обращайте
внимание на символы,
предупреждающие
об опасности (
которые
имеют следующее
значение: «Осторожно!»,
«Внимание!» или
«Опасно!» – указания
по обеспечению
личной безопасности.
Несоблюдение данных
инструкций может
стать причиной
травмы или гибели.
Двигатель данной машины соответствует требованиям по выбросам 3b по стандарту стран ЕС.
![]() |
Предупреждающие наклейки и инструкции по технике безопасности должны быть хорошо видны оператору и установлены во всех местах потенциальной опасности. Если наклейка отсутствует или повреждена, установите новую наклейку. |





















Note: Определите левую и правую стороны машины относительно рабочего места оператора.
В зависимости от того, какой ширины режущие блоки устанавливаются на тяговый блок, отрегулируйте опорные валики следующим образом:
Припаркуйте машину на ровной поверхности, включите стояночный тормоз, выключите двигатель и извлеките ключ.
Детали, требуемые для этой процедуры:
| Кронштейн защелки капота | 1 |
| Заклепка | 2 |
| Винт (¼ x 2 дюйма) | 1 |
| Плоская шайба (¼ дюйма) | 2 |
| Контргайка (¼ дюйма) | 1 |
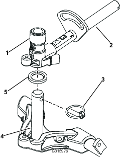
Освободите защелку капота из кронштейна (Рисунок 4).

Выверните два болта, которые крепят кронштейн защелки капота к капоту (Рисунок 5).

Снимите кронштейн защелки капота с капота.
Выравнивая монтажные отверстия, поместите стопорный кронштейн стандарта CE и кронштейн защелки капота на капот.
Note: Стопорный кронштейн должен быть прижат к капоту (Рисунок 5).Не снимайте болт с гайкой в сборе с рычага стопорного кронштейна.

Совместите шайбы с отверстиями на внутренней стороне капота.
Приклепайте кронштейны и шайбы к капоту (Рисунок 6).
Введите защелку в зацепление с кронштейном защелки капота (Рисунок 7).

Вверните болт в другой рычаг кронштейна защелки капота для блокировки защелки в надлежащем положении (Рисунок 8).

Надежно затяните болт, но не затягивайте гайку.
Детали, требуемые для этой процедуры:
| Передняя направляющая шланга (правая) | 1 |
| Передняя направляющая шланга (левая) | 1 |
Снимите двигатели барабана с транспортировочных кронштейнов.
Снимите транспортировочные кронштейны и удалите их в отходы.
Извлеките режущие блоки из коробок.
Выполните сборку и регулировку, как описано в Руководстве оператора режущего блока.
Убедитесь, что противовес (Рисунок 9) установлен с соответствующего конца режущего блока, как описано в Руководстве по эксплуатации режущего блока.

Убедитесь в том, что пружина компенсации состояния грунта установлена с той стороны каждого режущего блока, где установлен двигатель привода барабана. Чтобы изменить положение пружины, выполните следующие действия:
Удалите два каретных болта и две гайки, которые крепят кронштейн штока к выступам режущего блока (Рисунок 10).

Выверните фланцевую гайку крепления болта трубки пружины к выступу несущей рамы (Рисунок 10)
Снимите этот узел.
Установите болт трубки пружины на противоположный выступ несущей рамы и закрепите фланцевой гайкой.
Note: Головку болта следует расположить в направлении наружной стороны выступа, как показано на Рисунок 11.

Присоедините кронштейн штока к выступам режущих блоков с помощью каретных болтов и гаек (Рисунок 11). При установке кронштейна штока установите на режущем блоке левую направляющую шланга на передние выступы режущего блока (Рисунок 13).
Important: На режущих блоках № 4 (левом переднем) и № 5 (правом переднем) прикрепите направляющие шлангов к передней части выступов режущих блоков с помощью крепежных гаек кронштейна штока. Направляющие шлангов должны быть наклонены в сторону центрального режущего блока (Рисунок 12 – Рисунок 14).



Note: При установке или демонтаже режущих блоков убедитесь, что шплинт вставлен в отверстие штока пружины рядом с кронштейном штока. В ином случае вы должны установить игольчатый шплинт в отверстие в конце штока.
Чтобы повысить управляемость задних режущих блоков, снимите 2 проставки оси поворота, винты с внутренним шестигранником и фланцевые контргайки (Рисунок 15) с несущих рам задних режущих блоков (режущие блоки 2 и 3); см. Рисунок 12.

Полностью опустите все подъемные рычаги.
Нанесите чистую консистентную смазку на ось несущей рамы (Рисунок 16).

У передних режущих блоков: задвиньте режущий блок под подъемный рычаг, вставляя при этом ось несущей рамы в находящуюся над ней поворотную втулку подъемного рычага (Рисунок 16).
Убедитесь в том, что упорная шайба расположена на валу несущей рамы.
Закрепите ось несущей рамы в поворотной втулке подъемного рычага с помощью шплинта с кольцом (Рисунок 16).
Для блокировки (фиксации) рулевого управления режущими блоками прикрепите поворотную втулку к несущей раме с помощью стопорного штифта (Рисунок 17).

Note: Используйте фиксацию рулевого управления при скашивании на склонах холмов.
Если высота скашивания превышает 19 мм, выполните следующую процедуру для задних режущих блоков:
Снимите шплинт и шайбу, которые крепят ось поворота к подъемному рычагу, и снимите ось поворота с подъемного рычага (Рисунок 18).

Наденьте втулку подъемного рычага на ось несущей рамы (Рисунок 16).
Вставьте ось поворота подъемного рычага в подъемный рычаг и зафиксируйте шайбой и шплинтом (Рисунок 18).
Прикрепите цепь подъемного рычага к кронштейну цепи с помощью стопорного штифта (Рисунок 19).
Note: Используйте количество звеньев цепи, указанное в Руководстве по эксплуатации режущего блока.

Нанесите чистую консистентную смазку на вал со шлицами двигателя барабана.
Нанесите масло на уплотнительное кольцо двигателя барабана и установите его на фланец двигателя.
Установите двигатель, повернув его по часовой стрелке так, чтобы фланцы двигателя не закрывали болты (Рисунок 20).

Поворачивайте двигатель против часовой стрелки до тех пор, пока фланцы не охватят болты по окружности, затем затяните болты.
Important: Убедитесь, что шланги двигателя барабана не перекручены, не пережаты и не могут быть защемлены.
Пружина компенсации состояния грунта (Рисунок 21) переносит вес с переднего на задний валик. Это препятствует образованию на грунте волнообразных неровностей (так называемых «волн» или «трясок»).
Important: Регулировка пружины выполняется при направленном вперед и опущенном на пол режущем блоке (установленном на тяговом блоке).
Убедитесь, что шплинт вставлен в заднее отверстие штока пружины (Рисунок 21).
Note: При техническом обслуживании режущего блока переставьте шплинт в отверстие штока пружины рядом с пружиной компенсации состояния грунта.

Затяните шестигранные гайки на переднем конце штока пружины так, чтобы длина сжатой пружины была равна 15,9 см; см. Рисунок 21.
Note: При работе на неровной поверхности следует уменьшить длину пружины на 13 мм. Способность следования по профилю грунта немного снизится.
Note: При изменении настроек высоты скашивания или интенсивности скашивания необходимо вновь выполнить настройку механизма компенсации состояния грунта.
Детали, требуемые для этой процедуры:
| Откидная опора режущего блока | 1 |
В случаях, когда вам необходимо наклонить режущий блок для получения доступа к неподвижному ножу / барабану, обоприте заднюю часть режущего блока на откидную опору, чтобы убедиться в том, что гайки, установленные на регулировочных винтах с обратной стороны планки неподвижного ножа, не контактируют с рабочей поверхностью (Рисунок 22).

Прикрепите откидную опору к кронштейну цепи с помощью стопорного штифта (Рисунок 23).

Перед эксплуатацией машина должна быть смазана соответствующей консистентной смазкой. См. Смазка Ненадлежащее смазывание машины приводит к преждевременному износу важнейших частей.
Перед первым запуском двигателя проверьте уровень масла в заднем мосту; см. раздел Проверка уровня масла в заднем мосту.
Перед первым запуском двигателя проверьте уровень гидравлической жидкости; см. раздел Проверка уровня гидравлической жидкости.
До и после первого запуска двигателя проверьте уровень моторного масла; см. раздел Проверка уровня масла в двигателе.
Детали, требуемые для этой процедуры:
| Измерительная планка | 1 |
Используйте измерительную планку для регулировки режущего блока. См. процедуры регулировки в Руководстве оператора для режущего блока (Рисунок 24).

Детали, требуемые для этой процедуры:
| Предупреждающая наклейка | 1 |
| Наклейка CE | 1 |
| Наклейка, указывающая год выпуска | 1 |
На машинах, которые должны соответствовать стандартам ЕС, приклейте наклейку, указывающую год выпуска (№ по кат. 138-5615), рядом с табличкой с серийным номером, наклейку CE (№ по кат. 93-7252) рядом с защелкой капота и предупреждающую наклейку CE (№ по кат. 120-1186) поверх стандартной предупреждающей наклейки (№ по кат. 133-1683).
Две ножные педали (Рисунок 25) служат для раздельного управления тормозами, что облегчает поворот и улучшает сцепление колес при движении по склону.
Фиксатор педалей (Рисунок 25) соединяет педали друг с другом для включения стояночного тормоза.
Для включения стояночного тормоза (Рисунок 25) соедините педали друг с другом с помощью фиксатора педалей и нажмите правую педаль тормоза одновременно с вспомогательной педалью. Для отпускания стояночного тормоза нажимайте на одну из педалей тормоза до отвода фиксатора педалей.

Педаль управления тягой (Рисунок 25) управляет движением вперед и назад. Для движения вперед нажмите на верхнюю часть педали, а для движения назад - на нижнюю. Скорость движения зависит от усилия нажатия на педаль. Для получения максимальной скорости движения полностью нажмите педаль, когда дроссельная заслонка установлена в положение Быстро.
Чтобы остановить машину, ослабьте нажим на педаль тяги и дайте ей вернуться в среднее положение.
Для наклона рулевой колонки в сторону оператора нажмите педаль (Рисунок 25) вниз и потяните рулевую колонку на себя в наиболее удобное положение, после чего отпустите педаль.
Когда ограничитель скорости скашивания (Рисунок 26) установлен в верхнее положение, он управляет скоростью скашивания и позволяет ввести в зацепление режущие блоки. Каждая проставка изменяет скорость скашивания на 0,8 км/ч. Чем больше проставок установлено на верхней части болта, тем меньше будет скорость движения машины. Для транспортировки машины установите ограничитель скорости скашивания обратно в исходное положение, чтобы обеспечить максимальную скорость транспортировки.
Отрегулируйте винт (винты) (Рисунок 26) для ограничения хода педали тяги в прямом или обратном направлении, чтобы ограничить скорость.
Important: Винт ограничителя скорости должен останавливать педаль тяги до того, как насос достигнет полного рабочего хода, в противном случае может произойти повреждение насоса.

Этот рычаг (Рисунок 27) поднимает и опускает режущие блоки, а также запускает и останавливает барабаны, когда они включены в режиме скашивания. Режущие блоки нельзя опустить, когда рычаг скашивания/транспортировки находится в положении транспортировки.
Ключ замка зажигания (Рисунок 27) имеет три положения: Выкл., Вкл./Подогрев и Пуск.
ЖК-дисплей инфоцентра показывает информацию о машине, такую как рабочее состояние, разную диагностическую информацию и другие сведения о машине (Рисунок 27).
Выключатель РТО (Рисунок 27) имеет два положения: Пуск и Останов. Чтобы включить ножи режущего блока, нажмите кнопку PTO вперед. Чтобы выключить ножи режущего блока, нажмите эту кнопку назад.

Для увеличения частоты вращения двигателя переведите переключатель частоты вращения двигателя (Рисунок 27) вперед, а для уменьшения – назад.
Чтобы включить фары, нажмите выключатель вниз (Рисунок 27).
Электрическая розетка предназначена (Рисунок 28) для питания дополнительных 12-вольтовых электрических устройств.

Используйте пакетодержатель (Рисунок 29) для хранения.

Эти рычаги используются для заточки барабанов обратным вращением (Рисунок 30).

Потяните за рычаг, чтобы сдвинуть сиденье вперед или назад (Рисунок 31).
Поворачивайте ручку для регулировки угла наклона подлокотника (Рисунок 31).
Перемещайте рычаг для регулировки угла наклона спинки сиденья (Рисунок 31).
Указатель массы показывает, когда сиденье отрегулировано под ваш вес (Рисунок 31). Вы можете отрегулировать высоту, изменив параметры положения подвески в пределах зеленой области.

Отрегулируйте сиденье под свой вес (Рисунок 31). Потяните рычаг вверх для увеличения давления воздуха и нажмите на рычаг вниз для уменьшения давления воздуха. Если указатель веса находится в зеленой области, значит сиденье отрегулировано правильно.
ЖК-дисплей инфоцентра показывает информацию о вашей машине, такую как рабочее состояние, разные диагностические и другие сведения о машине (Рисунок 32). Инфоцентр имеет экран-заставку и главный информационный экран. Можно в любой момент переключаться между страницей-заставкой и главной информационной страницей; для этого нужно нажать любую из кнопок инфо-центра и выбрать соответствующую кнопку направления.

Левая кнопка «Вызов меню/Назад» предназначена для вызова меню инфо-центра. Эту кнопку можно использовать для выхода из любого текущего меню.
Средняя кнопка используется для прокрутки меню вниз.
Правая кнопка открывает меню, когда правая стрелка показывает наличие дополнительного содержания.
Ручное включение реверса вентилятора – нажмите одновременно левую и правую кнопки для включения этой функции.
Зуммер включается при опускании дек или появлении информационных сообщений или сообщений о неисправностях
Note: Назначение каждой кнопки можно изменять в зависимости от текущей потребности. Каждая кнопка имеет пиктограмму, показывающую ее текущее назначение.
| SERVICE DUE (ПОДЛЕЖИТ ОБСЛУЖИВАНИЮ) | Сообщает, что нужно провести плановое техобслуживание. |
![]() | Количество моточасов, оставшихся до техобслуживания |
![]() | Сбросьте количество
моточасов ![]() |
![]() | Информационная пиктограмма |
![]() | Счетчик моточасов |
![]() | Быстро |
![]() | Медленно |
![]() | Реверс вентилятора - показывает, что вентилятор вращается в обратном направлении |
![]() | Работает подогреватель поступающего воздуха |
![]() | Подъем режущих блоков |
![]() | Опускание режущих блоков |
![]() | Оператор должен находиться на сиденье |
![]() | Индикатор стояночного тормоза указывает, что стояночный тормоз включен |
![]() | Указывает, что установлен диапазон высоких скоростей |
![]() | Нейтраль |
![]() | Указывает, что установлен диапазон низких скоростей |
![]() | Температура охлаждающей жидкости – показывает температуру охлаждающей двигатель жидкости в °С или °F |
![]() | Температура (высокая) |
![]() | Заблокировано или запрещено |
![]() | Механизм отбора мощности (PTO) включен |
![]() | Пуск двигателя |
![]() | Пуск или останов |
![]() | Двигатель |
![]() | Ключ замка зажигания |
![]() | Показывает, что режущие блоки опускаются |
![]() | Показывает, что режущие блоки поднимаются |
![]() | ПИН-код |
![]() | Температура гидравлической жидкости – показывает температуру гидравлической жидкости |
![]() | CAN-шина |
![]() | Инфо-центр |
![]() | Дефект или неисправность |
![]() | Лампа накаливания |
![]() | Вывод контроллера ТЕС или контрольного провода в жгуте |
![]() | Высокий: выше разрешенного диапазона |
![]() | Низкий: ниже разрешенного диапазона |
/![]() | За пределами диапазона |
![]() | Выключатель |
![]() | Оператор должен разомкнуть выключатель. |
![]() | Оператор должен изменить на указанное состояние. |
| Символы часто комбинируются для образования фраз. Ниже приведены некоторые примеры.. | |
![]() | Оператор должен переключить машину на нейтраль |
![]() | Пуск двигателя запрещен |
![]() | Двигатель остановлен |
![]() | Охлаждающая жидкость двигателя слишком горячая |
![]() | Гидравлическое масло слишком горячее |
![]() | Займите место на сиденье или включите стояночный тормоз |
Доступ
только после ввода
ПИН-кода
Для доступа к системе меню инфо-центра нажимайте кнопку вызова меню, когда отображается главная страница. При этом откроется главное меню. В следующих таблицах приведен краткий обзор опций, доступных из меню:
| Main Menu (Главное меню) | |
| Пункт меню | Описание |
| Faults (Неисправности) | Меню Faults (Неисправности) содержит список недавних неисправностей машины. Для получения дополнительной информации по меню Faults (Неисправности) и по сведениям, содержащимся в настоящем документе, см. Руководство по техническому обслуживанию или обратитесь к официальному дистрибьютору компании Toro. |
| Service (Техобслуживание) | Меню Service (Техобслуживание) содержит информацию о машине, такую как счетчики времени использования машины (в часах), и другие аналогичные данные. |
| Diagnostics (Диагностика) | Меню Diagnostics (Диагностика) показывает состояние каждого переключателя, датчика и блока управления машины по выходным сигналам. Это меню можно использовать в некоторых случаях для поиска и устранения неисправностей, т.к. оно быстро показывает, какие органы управления машины включены и какие выключены. |
| Settings (Настройки) | Меню Settings (Настройки) позволяет настраивать и изменять конфигурационные переменные на экране инфо-центра. |
| About (О машине) | Меню About (О машине) содержит номер модели, серийный номер и версию программного обеспечения машины. |
| Service (Техобслуживание) | |
| Пункт меню | Описание |
| Hours (Часы) | Меню Hours (Часы) показывает полное число моточасов работы машины, двигателя и механизма отбора мощности, а также количество часов транспортировки машины в часах и срок технического обслуживания. |
| Counts (Счетчики) | Меню Counts (Счетчики) показывает множественные значения отсчетов, которые были выполнены на машине. |
| Diagnostics (Диагностика) | |
| Пункт меню | Описание |
| Cutting Units (Режущие блоки) | Показывает входы, классификаторы и выходы для подъема и опускания режущих блоков |
| Hi/Low Range (Высокий/низкий диапазон) | Показывает входы, классификаторы и выходы для вождения в режиме транспортировки |
| PTO (Мех. отб. мощн.) | Показывает входы, классификаторы и выходы для включения контура механизма отбора мощности |
| Engine Run (Работа двигателя) | Показывает входы, классификаторы и выходы для запуска двигателя |
| Backlap (Заточка обратным вращением) | Показывает входы, классификаторы и выходы для функции заточки обратным вращением |
| Settings (Настройки) | |
| Пункт меню | Описание |
| Units (Единицы измерения) | Установка единиц измерения, используемых в инфо-центре. Меню позволяет выбрать британские или метрические единицы. |
| Language (ЯЗЫК) | Установка языка, используемого в инфо-центре* |
| LCD Backlight (Подсветка ЖК-дисплея) | Управление яркостью ЖК-дисплея |
| LCD Contrast (Контраст ЖК-дисплея) | Управление контрастностью ЖК-дисплея |
| Front Backlap Reel Speed (Скорость переднего барабана в режиме обратного вращения) | Управляет скоростью вращения передних барабанов в режиме обратного вращения для заточки |
| Rear Backlap Reel Speed (Скорость заднего барабана в режиме обратного вращения) | Управляет скоростью вращения задних барабанов в режиме обратного вращения для заточки |
| Protected Menus (Защищенные меню) | Позволяет инспектору/механику получить доступ к защищенным меню путем ввода пароля |
Auto Idle (Автоматический
холостой ход)![]() | Управляет установкой времени до перехода двигателя на малую частоту холостого хода, когда машина не движется |
Blade Count (Количество
ножей) ![]() | Управляет количеством ножей барабана для определения скорости вращения барабана |
Mow Speed (Скорость скашивания) ![]() | Управляет скоростью движения для определения скорости вращения барабана |
Height of cut (HOC) (Высота скашивания) ![]() | Управляет высотой скашивания (HOC) для определения скорости вращения барабана |
F Reel RPM (Скорость вращения
передних барабанов) ![]() | Отображает расчетное значение скорости вращения передних барабанов. Скорость вращения барабанов можно регулировать вручную |
R Reel RPM (Скорость вращения
задних барабанов) ![]() | Отображает расчетное значение скорости вращения задних барабанов. Скорость вращения барабанов можно регулировать вручную |
*Переводится только текст, предназначенный для оператора. Экраны неисправностей, технического обслуживания и диагностики предназначены для ремонтно-технического персонала. Заголовки отображаются на выбранном языке, но пункты меню — на английском.
Защищены
в защищенном меню –
доступ только после
ввода ПИН-кода
| About (О машине) | |
| Пункт меню | Описание |
| Model (Модель) | Показывает номер модели машины |
| SN (Серийный номер) | Показывается серийный номер машины |
| Machine Controller Revision (Версия контроллера машины) | Показывает версию ПО главного контроллера |
| InfoCenter Revision (Версия исполнения инфо-центра) | Показывает версию ПО инфо-центра |
| CAN Bus (CAN-шина) | Показывает состояние шины обмена данными машины |
В меню Settings (Настройки) инфо-центра можно установить 5 настроек рабочей конфигурации: Blade Count (Количество ножей), Mow Speed (Скорость скашивания), Height of Cut (HOC) (Высота скашивания), F Reel RPM (Скорость вращения передних барабанов) и R Reel RPM (Скорость вращения задних барабанов). Вы можете заблокировать эти настройки с помощью защищенного меню.
Note: Во время поставки первоначальный пароль задается вашим дистрибьютором.
Прокрутите вниз главное меню до меню Settings (Настройки) и нажмите правую кнопку.
Прокрутите вниз меню Settings (Настройки) до Protected Menu (Защищенное меню) и нажмите правую кнопку.
Для ввода пароля средней кнопкой установите первую цифру, затем нажмите правую кнопку, чтобы перейти к следующей цифре.
Средней кнопкой установите вторую цифру, затем нажмите правую кнопку, чтобы перейти к следующей цифре.
Средней кнопкой установите третью цифру, затем нажмите правую кнопку, чтобы перейти к следующей цифре.
Средней кнопкой установите четвертую цифру, затем нажмите правую кнопку.
Нажмите среднюю кнопку для ввода пароля.
Если код был принят и защищенное меню стало «разблокированным», в верхнем правом углу дисплея будет показан «ПИН-код».
В защищенном меню можно изменить возможность просматривать и изменять настройки. Получив доступ к защищенному меню, прокрутите его вниз до пункта Protect Setting (Защитить настройки). Если правой кнопкой изменить пункт Protect Setting (Защитить настройки) на Off (Выкл.), то можно будет просматривать и изменять настройки в защищенном меню без ввода пароля. При изменении пункта Protect Setting (Защитить настройки) на On (Вкл.) защищенные опции будут скрыты и для изменения настроек в защищенном меню потребуется ввести пароль. После установки пароля ключ зажигания следует повернуть в положение «Выкл.» и затем снова в положение «Вкл.», чтобы активировать и сохранить это значение.
Note: Если вы забудете или потеряете пароль, обратитесь к своему дистрибьютору для получения помощи.
Прокрутите вниз меню Settings (Настройки) до пункта Auto Idle (Автоматический холостой ход).
Нажимая правую кнопку, выберите одно из значений времени автоматического переключения на холостой ход: Off (Выкл.), 8 с, 10 с, 15 с, 20 с и 30 с.
Прокрутите вниз меню Settings (Настройки) до пункта Blade Count (Количество ножей).
Нажмите правую кнопку для изменения количества ножей на барабанах: 5, 8 или 11 ножей.
Прокрутите вниз меню Settings (Настройки) до пункта Mow Speed (Скорость скашивания).
Нажмите правую кнопку для выбора скорости скашивания.
С помощью средней и правой кнопки выберите подходящую скорость скашивания, устанавливаемую на механическом ограничителе скорости скашивания на педали управления тягой.
Нажмите левую кнопку для выхода из настройки скорости скашивания и сохранения этой настройки.
Прокрутите вниз меню Settings (Настройки) до пункта HOC (Высота скашивания).
Нажмите правую кнопку для выбора высоты скашивания.
Используйте среднюю и правую кнопки для выбора подходящей настройки высоты скашивания.
Note: Если точная настройка не отображается, выберите из списка ближайшую настройку высоты скашивания.
Нажмите левую кнопку для выхода из настройки высоты скашивания и сохранения этой настройки.
Несмотря на то, что скорости вращения переднего и заднего барабанов рассчитываются путем ввода количества ножей, скорости и высоты скашивания в инфоцентре, настройку можно изменить вручную в соответствии с различными условиями скашивания.
Прокрутите страницу вниз к пункту настройки F Reel RPM (Скорость вращения передних барабанов), R Reel RPM (Скорость вращения задних барабанов) или к обоим пунктам.
Нажмите правую кнопку для изменения скорости вращения барабана. При изменении настройки скорости дисплей продолжит показывать расчетную скорость вращения барабана на основе количества ножей, скорости скашивания и высоты скашивания, которые были введены раньше, но новая величина также будет отображена.
Note: Технические характеристики и конструкция могут быть изменены без уведомления.
| Ширина скашивания, 27-дюймовые режущие блоки | 307 см |
| Ширина скашивания, 32-дюймовые режущие блоки | 320 см |
| Габаритная ширина, 27-дюймовые режущие блоки опущены | 345 см |
| Габаритная ширина, 32-дюймовые режущие блоки опущены | 358 см |
| Габаритная ширина, режущие блоки подняты (положение транспортировки ) | 239 см |
| Габаритная длина | 370 см |
| Высота с установленной конструкцией защиты при опрокидывании | 220 см |
| Ширина колеи передних колес | 229 см |
| Ширина колеи задних колес | 141 см |
| Колесная база | 171 см |
| Чистая масса (без режущих блоков и рабочих жидкостей) | 1574 кг |
Для улучшения и расширения возможностей машины можно использовать ряд утвержденных компанией Toro вспомогательных приспособлений и навесного оборудования. Обратитесь в сервисный центр официального дилера или дистрибьютора или посетите сайт www.Toro.com, на котором приведен список всех утвержденных навесных орудий и вспомогательных приспособлений.
Для поддержания оптимальных рабочих характеристик машины и регулярного прохождения сертификации безопасности всегда приобретайте только оригинальные запасные части и приспособления компании Toro. Использование запасных частей и приспособлений, изготовленных другими производителями, может быть опасным и привести к аннулированию гарантии на изделие.
Note: Определите левую и правую стороны машины относительно места оператора.
Запрещается допускать к эксплуатации или обслуживанию данной машины детей или неподготовленных людей. Минимальный возраст оператора устанавливается местными правилами и нормами. Владелец несет ответственность за подготовку всех операторов и механиков.
Ознакомьтесь с приемами безопасной эксплуатации оборудования, органами управления и знаками безопасности.
Прежде чем покинуть рабочее место оператора, заглушите двигатель, извлеките ключ (при наличии) и дождитесь остановки всех движущихся частей машины. Дайте машине остыть перед регулировкой, техническим обслуживанием, очисткой или постановкой на хранение.
Освойте порядок экстренной остановки машины и двигателя.
Не допускается эксплуатация машины без установленных на штатных местах всех ограждений и других защитных устройств в надлежащем исправном состоянии.
Перед скашиванием обязательно осмотрите машину, чтобы убедиться в исправном рабочем состоянии режущих блоков.
Осмотрите участок, где будет использоваться машина, и удалите все посторонние предметы, которые могут быть отброшены машиной.
Будьте предельно осторожны при обращении с топливом. Топливо легко воспламеняется, а его пары взрывоопасны.
Потушите все сигареты, сигары, трубки и другие источники возгорания.
Используйте только разрешенную к применению емкость для топлива.
Запрещается снимать крышку топливного бака и доливать топливо в бак во время работы двигателя или когда двигатель нагрет.
Запрещается доливать или сливать топливо в закрытом пространстве.
Запрещается хранить машину или емкость с топливом в местах, где есть открытое пламя, искры или малая горелка, используемая, например, в водонагревателе или другом оборудовании.
В случае разлива топлива не пытайтесь запустить двигатель; пока пары топлива не рассеются, следите, чтобы не возникло возгорания.
| Периодичность технического обслуживания | Порядок технического обслуживания |
|---|---|
| Перед каждым использованием или ежедневно |
|
Каждый день перед запуском автомобиля необходимо выполнять «Процедуру ежедневного обслуживания», описанную в разделе .
83 л
Несоблюдение следующих предупреждений может привести к повреждению двигателя.
Запрещается использовать керосин или бензин вместо дизельного топлива.
Запрещается смешивать керосин или использованное моторное масло с дизельным топливом.
Запрещается хранить топливо в емкостях с внутренним покрытием из цинка.
Не применяйте присадки к топливу.
Используйте только чистое, свежее дизельное или биодизельное топливо с малым (<500 промилле) или сверхмалым (<15 промилле) содержанием серы. Минимальное цетановое число – 40. Чтобы топливо всегда было свежим, приобретайте его в количествах, которые могут быть использованы в течение 180 дней.
Используйте летнее дизельное топливо (№ 2-D) при температуре выше -7 °C (20 °F) и зимнее (№ 1-D или смесь № 1-D/2-D) при более низкой температуре. Применение зимнего топлива при пониженных температурах обеспечивает более низкую температуру вспышки и повышенную текучесть при низких температурах, что облегчает пуск и уменьшает засорение топливного фильтра.
Применение летнего топлива при температурах выше -7 °C способствует увеличению срока службы топливного насоса и обеспечивает повышенную мощность по сравнению с зимним топливом.
Данная машина может также работать на смеси с биодизельным топливом в пропорции до B20 (20% биодизтоплива, 80% нефтяного дизтоплива). Нефтяная составляющая дизельного топлива должна иметь малое или сверхмалое содержание серы. Соблюдайте следующие меры предосторожности:
Характеристики биодизельного топлива: ASTM D6751 или EN 14214
Характеристики смешанного топлива: ASTM D975 или EN 590
Соблюдайте следующие меры предосторожности:
Биодизельные смеси могут повредить окрашенные поверхности.
В холодную погоду используйте смеси B5 (содержание биодизельного топлива 5%) или менее.
Следите за сальниками, шлангами и прокладками, находящимися в контакте с топливом, т. к. со временем их свойства могут ухудшаться.
После перехода на биодизельные смеси со временем на вашей машине возможно засорение топливного фильтра.
Обратитесь к официальному дилеру Toro для получения дополнительной информации по биодизельному топливу.
Припаркуйте машину на ровной поверхности, опустите режущие блоки, выключите двигатель и извлеките ключ.
Очистите поверхность вокруг крышки топливного бака с помощью чистой ткани.
Снимите крышку топливного бака (Рисунок 33).

Заполните топливный бак топливом до нижней кромки заливной горловины.
После заправки плотно закрутите крышку топливного бака.
Note: Если возможно, заправляйте топливный бак после каждого использования машины. Это поможет свести к минимуму возможное накапливание конденсата внутри топливного бака.
Владелец или пользователь несет полную ответственность за любые несчастные случаи с людьми, а также за нанесение ущерба имуществу, и должен предпринять все меры для предотвращения таких случаев.
Используйте подходящую одежду, включая защитные очки, длинные брюки, нескользящую прочную обувь и средства защиты органов слуха. Закрепляйте длинные волосы на затылке и не носите свободную одежду и ювелирные украшения.
Запрещается управлять машиной в состоянии болезни, усталости, а также под воздействием алкоголя или сильнодействующих лекарственных препаратов.
Будьте предельно внимательны при работе на данной машине. Не совершайте какие-либо действия, отвлекающие ваше внимание; в противном случае возможны травмы или повреждение имущества.
Прежде чем запускать двигатель, убедитесь, что все приводы находятся в нейтральном положении, включите стояночный тормоз и займите место оператора.
Не перевозите на машине пассажиров и не допускайте посторонних лиц и детей в рабочую зону.
Эксплуатируйте машину только в условиях хорошей видимости, чтобы уберечься от ям или скрытых опасностей.
Не скашивайте влажную траву. Пониженная тяга может вызвать проскальзывание.
Следите, чтобы руки и ноги находились на безопасном расстоянии от режущих блоков.
Прежде чем начать движение задним ходом, посмотрите назад и вниз и убедитесь, что путь свободен.
Будьте осторожны, приближаясь к закрытым поворотам, кустарникам, деревьям или к другим объектам, которые могут ухудшать обзор.
Останавливайте режущие блоки, когда не производите скашивание.
При выполнении поворотов, а также при пересечении дорог и тротуаров на машине замедляйте ход и будьте внимательны. Всегда уступайте дорогу другим транспортным средствам.
Эксплуатируйте двигатель только в хорошо проветриваемых зонах. Выхлопные газы содержат угарный газ, который может привести к гибели при вдыхании.
Не оставляйте работающую машину без присмотра.
Прежде чем покинуть рабочее место оператора, выполните следующие действия:
Установите машину на ровной поверхности.
Выключите режущий блок (блоки) и опустите навесное оборудование.
Включите стояночный тормоз.
Заглушите двигатель и извлеките ключ (при наличии).
Дождитесь остановки всех движущихся частей.
Эксплуатируйте машину только при наличии хорошего обзора и в подходящих погодных условиях. Запрещается работать на машине, если существует вероятность удара молнией.
Никогда не снимайте с машины систему защиты при опрокидывании (ROPS).
Убедитесь, что ремень безопасности застегнут и вы можете быстро отстегнуть его в экстренной ситуации.
Тщательно проверяйте наличие препятствий сверху и не касайтесь их.
Содержите конструкцию ROPS (систему защиты при опрокидывании) в безопасном рабочем состоянии, периодические тщательно осматривая ее на наличие повреждений, и проверяя плотность затяжки креплений.
Замените поврежденную конструкцию ROPS. Ремонт или переделка запрещены.
Всегда пристегивайтесь ремнем безопасности, когда защитная дуга находится в поднятом положении.
Конструкция ROPS является встроенным защитным устройством. При эксплуатации машины с поднятой защитной дугой, дуга должна быть зафиксирована, а ремень безопасности застегнут.
Опускайте складную защитную дугу только временно в случае необходимости. Не пристегивайтесь ремнем безопасности, когда защитная дуга находится в опущенном и сложенном положении.
Помните, что когда защитная дуга находится в опущенном положении, защита при опрокидывании отсутствует.
Проверьте участок, где будете косить, и никогда не складывайте защитную дугу при работе в зонах, где есть склоны, ямы и вода.
Основная опасность при работе на склонах — потеря управляемости и опрокидывание машины, которое может привести к травме или гибели. Оператор несет ответственность за безопасную работу на склонах. Эксплуатация машины на любых склонах требует максимальной осторожности.
Осмотрите склон и оцените условия на площадке, чтобы определить, безопасно ли работать на данном склоне. При выполнении этого осмотра всегда руководствуйтесь здравым смыслом и правильно оценивайте ситуацию.
Оператор должен изучить инструкции по эксплуатации машины на склонах, приведенные ниже, с учетом условий, в которых будет эксплуатироваться машина, чтобы определить, можно ли работать на машине при таких условиях в этот день и на этой рабочей площадке. Режим работы машины на склоне может меняться в зависимости от рельефа местности.
Старайтесь не начинать движение, не останавливаться и не поворачивать на склоне. Не изменяйте резко скорость или направление движения. Выполняйте повороты медленно и плавно.
Не эксплуатируйте машину в условиях, когда имеются сомнения относительно сцепления с грунтом, управляемости или устойчивости машины.
Устраните или пометьте препятствия, такие как канавы, ямы, колеи, впадины, камни или другие скрытые опасности. Высокая трава может скрывать различные препятствия. При движении по неровной поверхности машина может перевернуться.
Помните, что при работе на влажной траве, а также при движении поперек поверхности склонов или вниз по склону машина может потерять сцепление колес с поверхностью. Потеря сцепления с поверхностью ведущих колес может привести к соскальзыванию и потере рулевого управления и возможности торможения.
Будьте предельно осторожны при работе на машине вблизи обрывов, канав, насыпей, водоемов или других опасностей. Машина может внезапно опрокинуться в случае обрушения кромки. Поддерживайте установленную безопасную дистанцию между машиной и любой опасностью.
Находясь у основания склона, оцените степень его опасности. Если работа на машине опасна, скашивайте траву на склоне с помощью газонокосилки, управляемой идущим сзади оператором.
Во время работы на склонах старайтесь держать режущий блок (блоки) опущенным(и) на землю. Подъем режущего блока (блоков) во время работы на склонах может вызвать потерю устойчивости машины.
Будьте крайне внимательны при использовании систем сбора скошенной травы или других навесных приспособлений. Они могут изменить устойчивость машины и привести к потере управления.
Important: Стравите воздух из топливной системы перед пуском двигателя, если возникла одна из следующих ситуаций:
Двигатель заглох из-за отсутствия топлива.
Было выполнено техобслуживание компонентов топливной системы.
Снимите ногу с педали управления тягой и убедитесь, что педаль находится в нейтральном положении.
Note: Убедитесь, что стояночный тормоз включен.
Переведите переключатель частоты вращения двигателя в положение малой частоты холостого хода.
Поверните ключ в положение Работа.
Note: Загорится индикатор прогрева.
Когда индикатор прогрева погаснет, поверните ключ в положение ПУСК.
После запуска двигателя сразу отпустите ключ и дайте ему вернуться в положение Работа.
Отрегулируйте обороты двигателя.
Important: Электродвигатель стартера должен работать не более 15 секунд за одно включение; в противном случае стартер может выйти из строя. Если двигатель не запускается в течение 15 секунд, поверните ключ зажигания в положение Выкл., еще раз проверьте органы управления и правильность своих действий, подождите дополнительно 15 секунд и повторите процедуру пуска.
При температуре ниже -7 °C электродвигатель стартера может проработать 30 с, а затем он должен быть выключен; повторный запуск следует производить не ранее чем через 60 секунд.
Прикосновение к движущимся частям может привести к травмированию.
Прежде чем проверять машину на отсутствие утечек масла, ослабления крепления деталей и других неисправностей, заглушите двигатель и дождитесь остановки всех движущихся частей.
Important: После работы при полной нагрузке дайте двигателю перед отключением поработать 5 минут на холостом ходу. Это позволит турбонагнетателю охладиться перед остановом двигателя. При невыполнении этого требования турбонагнетатель может выйти из строя.
Note: При каждой парковке машины опускайте режущие блоки на грунт. Это снимает с системы гидравлическую нагрузку, предотвращает износ частей системы, а также предотвращает случайное опускание режущих блоков.
Переведите двигатель на малую частоту холостого хода.
Переведите выключатель механизма отбора мощности в положение Выкл.
Включите стояночный тормоз.
Поверните ключ в положение OFF (Выкл.).
Для предотвращения случайного запуска выньте ключ из замка зажигания.
Вы можете отрегулировать уравновешивание задних подъемных рычагов режущего блока для компенсации различных состояний грунта и поддержания равномерной высоты скашивания в условиях неровной поверхности или в зонах скопления соломы.
Каждую уравновешивающую пружину можно отрегулировать на одну из четырех настроек. Каждое приращение увеличивает или уменьшает массу противовеса на режущем блоке на 2,3 кг. Пружины можно установить в задней части первого пружинного привода, чтобы снять все действие противовеса (четвертое положение).
Установите машину на ровной поверхности, опустите режущие блоки, включите стояночный тормоз, выключите двигатель и извлеките ключ.
Наденьте на длинный конец пружины трубу или аналогичный предмет, чтобы снять натяжение пружины во время регулировки (Рисунок 34).
Натянутые пружины могут стать причиной травмы.
Будьте осторожны при регулировке пружин.
Ослабляя натяжение пружины, отверните болт и контргайку крепления пружинного привода к кронштейну (Рисунок 34).

Переставьте пружинный привод в нужное отверстие и закрепите контргайкой.
Повторите эту процедуру для другой пружины.
Установите машину на ровной поверхности, опустите режущие блоки, включите стояночный тормоз, выключите двигатель и извлеките ключ.
Переключатель подъемного рычага расположен позади переднего правого подъемного рычага (Рисунок 35).

Ослабьте крепежные винты переключателя (Рисунок 35) и переместите переключатель вверх, чтобы увеличить высоту поворота подъемного рычага, или переместите переключатель вниз, чтобы уменьшить высоту поворота подъемного рычага.
Затяните крепежные винты.
Для проезда в местах с ограничением габарита по высоте защитную дугу можно опустить вниз.
У машины нет системы защиты при опрокидывании (ROPS), когда защитная дуга находится в сложенном состоянии и уже не может считаться системой защиты при опрокидывании.
Не пристегивайтесь ремнем безопасности, когда защитная дуга находится в опущенном положении.
Установите машину на ровной поверхности, опустите режущие блоки, включите стояночный тормоз, выключите двигатель и извлеките ключ.
Поддерживайте верхнюю раму защитной дуги, когда снимаете шплинты и шплинтуемые штифты с кронштейнов осей поворота (Рисунок 36).

Осторожно опустите раму вниз на упоры.
Вставьте шплинтуемые штифты в нижние отверстия и зафиксируйте их шплинтами, чтобы удерживать верхнюю раму в опущенном положении.
Чтобы поднять раму, выполните эти действия в обратном порядке.
Конструкция защиты при опрокидывании (ROPS) может не выполнить свою функцию, если узлы крепежных болтов ROPS не будут затянуты. Это может привести к серьезной травме или гибели, если машина опрокинется.
Когда конструкция ROPS поднята, оба узла крепежных болтов должны быть установлены и полностью затянуты, чтобы обеспечить полную защиту при опрокидывании.
При опускании и подъеме защитной дуги может произойти защемление пальцев между машиной и защитной дугой.
Будьте осторожны при опускании и подъеме защитной дуги, чтобы не защемить пальцы между неподвижной и подвижной частью этой конструкции.
Для обеспечения безопасного рабочего состояния оборудования следите, чтобы все гайки, болты и винты были надежно затянуты.
Для обеспечения безопасности заменяйте изношенные и поврежденные части.
Убедитесь, что ремень безопасности и крепления находятся в исправном состоянии.
Пристегивайтесь ремнем безопасности, когда защитная дуга поднята, и не пристегивайтесь ремнем безопасности, когда она опущена.
Important: Защитная дуга является встроенным устройством безопасности. При эксплуатации газонокосилки держите защитную дугу в поднятом положении. Опускайте защитную дугу только в случае крайней необходимости.
| Периодичность технического обслуживания | Порядок технического обслуживания |
|---|---|
| Перед каждым использованием или ежедневно |
|
В случае отсоединения или повреждения защитных блокировочных выключателей машина может неожиданно заработать, что приведет к получению травм.
Не вмешивайтесь в работу блокировочных выключателей.
Ежедневно проверяйте работу блокировочных выключателей и заменяйте все поврежденные выключатели перед эксплуатацией машины.
В электросистеме машины предусмотрены блокировочные выключатели. Эти выключатели предназначены для останова двигателя, когда оператор встает с сиденья при нажатой педали тяги. Однако вы можете встать с сиденья, когда двигатель работает, а педаль тяги находится в нейтральном положении. Несмотря на то что при разомкнутом выключателе механизма отбора мощности и отпущенной педали тяги двигатель будет продолжать работать, заглушите двигатель, перед тем, как вы покинете рабочее место.
Для проверки работы блокировочных выключателей выполните следующие действия:
Отгоните машину на малой скорости на широкую и достаточно свободную площадку.
Опустите режущие блоки, выключите двигатель и включите стояночный тормоз.
Сядьте на сиденье и нажмите педаль тяги.
Попробуйте запустить двигатель.
Note: Двигатель не должен проворачиваться. Если двигатель проворачивается, то в системе блокировок существует неисправность; устраните ее, прежде чем приступить к эксплуатации машины.
Сядьте на сиденье и запустите двигатель.
Встаньте с сиденья и переведите выключатель механизма отбора мощности в положение «Вкл.».
Note: Механизм отбора мощности не должен включаться. Если механизм отбора мощности включается, то в системе блокировок существует неисправность; устраните ее, прежде чем работать на машине.
Сядьте на сиденье, затяните стояночный тормоз и запустите двигатель.
Выведите педаль тяги из положения Нейтральное.
Note: Двигатель должен остановиться. Если двигатель не выключается, в блокировочной системе есть неисправность; устраните ее, прежде чем приступить к эксплуатации машины.
Перед скашиванием травы попрактикуйтесь в работе с машиной на открытой местности. Запустите и остановите двигатель. Двигайтесь на машине передним и задним ходом. Опускайте и поднимайте режущие блоки, включайте и выключайте барабаны. Когда вы почувствуете, что хорошо освоили машину, потренируйтесь работать вниз и вверх по склонам на разных скоростях.
Если во время работы загорится предупреждающий сигнал, немедленно прекратите работу на машине и устраните неисправность, прежде чем продолжать работу. Управление неисправной машиной может привести к серьезному повреждению.
Запустите двигатель и переведите переключатель частоты вращения двигателя в положение Быстро. Переведите ограничитель скорости скашивания в положение Скашивание. Переведите переключатель механизма отбора мощности (РТО) в положение Вкл. и используйте переключатель подъема для управления режущими блоками (передние режущие блоки специально опускаются раньше, чем задние). Для движения вперед и скашивания травы нажмите педаль управления тягой вперед.
Переведите выключатель механизма отбора мощности (РТО) в положение Выкл. и поднимите режущие блоки в положение транспортировки. Переведите ограничитель скорости скашивания в положение транспортировки. При проезде между объектами будьте внимательны, чтобы случайно не повредить машину или режущие блоки. Управляя машиной на склонах, будьте чрезвычайно осторожны. Во избежание опрокидывания двигайтесь медленно и старайтесь не делать резких поворотов на склонах.
Прежде чем покинуть рабочее место оператора, заглушите двигатель, извлеките ключ (при наличии) и дождитесь остановки всех движущихся частей машины. Дайте машине остыть перед регулировкой, техническим обслуживанием, очисткой или постановкой на хранение.
Для предотвращения опасности возгорания очистите от травы и мусора режущие блоки, приводы, глушители, сетки охладителей и двигательный отсек. Удалите следы утечек масла или топлива.
Перекрывайте подачу топлива при хранении или транспортировке машины.
Отключайте привод навесного оборудования при транспортировке или когда машина не используется.
Обслуживайте и очищайте ремень (ремни) безопасности по мере необходимости.
Запрещается хранить машину или емкость с топливом в местах, где есть открытое пламя, искры или малая горелка, используемая, например, в водонагревателе или другом оборудовании.
При погрузке машины на прицеп или грузовик используйте широкий наклонный въезд.
Надежно привяжите машину в точках крепления.
Точки крепления расположены в следующих местах:
С каждой стороны рамы под передними ступенями
Задний бампер

Note: Каждый раз при работе под машиной устанавливайте ее на подъемные опоры.
Точки подъема на домкрате расположены в следующих местах:
В передней части машины — на раме с внутренней стороны каждой шины
В задней части машины — в центре оси
В экстренной ситуации машину можно перемещать толканием или буксировкой, предварительно открыв перепускной клапан в гидравлическом насосе переменного объема и подсоединив гидравлический шланг для перепуска обратного клапана.
Important: Не допускается толкать или буксировать машину со скоростью выше 3–4,8 км/ч или на расстояние более 0,4 км, т.к. может выйти из строя внутренняя трансмиссия. При толкании или буксировке машины всегда должен быть открыт перепускной клапан. Кроме того, если нужно толкать или буксировать машину против направления движения, необходимо подсоединить гидравлический шланг, чтобы обеспечить перепуск обратного клапана.
Чаще всего машину приходится толкать или буксировать как по направлению движения, так и против него. Чтобы предотвратить повреждение системы привода во время толкания или буксировки, необходимо подготовить машину для толкания или буксировки как по направлению движения, так и против него.
Important: Если нужно толкать или буксировать машину против направления движения, следует прежде всего обеспечить перепуск обратного клапана в коллекторе полного привода.
Для перепуска обратного клапана необходимы следующие компоненты компании Toro:
Диагностический штуцер, № 59-7410 по каталогу Toro.
Крышка диагностического штуцера, № 354-79 по каталогу Toro.
Гидравлический шланг, № 95-8843 по каталогу Toro
Соединительный штуцер (2 шт.), № 95-0985 по каталогу Toro.
Гидравлический штуцер (2 шт.), № 340-77 по каталогу Toro
Установите диагностический штуцер в немаркированное отверстие, расположенное между отверстиями M8 и P2 в заднем тяговом коллекторе (Рисунок 38).

Подсоедините гидравлический шланг между диагностическими штуцерами, установленными в задний тяговый коллектор и в контрольное отверстие давления обратной тяги (Рисунок 39).
Note: Для подсоединения этого шланга используйте необходимые гидравлические и соединительные штуцеры.

Поверните перепускной клапан на 90° (¼ оборота) в любом направлении, чтобы открыть его и обеспечить внутренний перепуск масла (Рисунок 40).
Note: Поскольку рабочая жидкость обходит трансмиссию во время перепуска, машину можно медленно двигать без повреждения трансмиссии.Отметьте положение клапана при открывании или закрывании.

После завершения толкания или буксировки машины снимите установленный гидравлический шланг.
Установите имеющуюся крышку в контрольное отверстие давления обратной тяги.
Установите крышку на диагностический штуцер, установленный в коллектор.
Перед пуском двигателя поверните клапан перепуска обратно на 90° (¼ оборота).
Note: При закрывании клапана не превышайте крутящий момент 7–11 Н∙м.
Если нужно толкать или буксировать машину только по ходу движения, можно просто повернуть перепускной клапан.
Important: Если потребуется толкать или буксировать машину против направления движения, см. раздел Подготовка машины к толканию или буксировке против направления движения.
Откройте капот и снимите средний кожух.
Поверните перепускной клапан на 90° (¼ оборота) в любом направлении, чтобы открыть его и обеспечить внутренний перепуск масла (Рисунок 40).
Note: Поскольку рабочая жидкость обходит трансмиссию во время перепуска, машину можно медленно двигать вперед без повреждения трансмиссии.Отметьте положение клапана при открывании или закрывании.
Перед пуском двигателя поверните клапан перепуска обратно на 90° (¼ оборота).
Note: При закрывании клапана не превышайте крутящий момент 7–11 Н∙м.
Note: Определите левую и правую стороны машины относительно места оператора.
Прежде чем покинуть рабочее место оператора, выполните следующие действия:
Установите машину на ровной поверхности.
Выключите режущий блок (блоки) и опустите навесное оборудование.
Включите стояночный тормоз.
Заглушите двигатель и извлеките ключ (при наличии).
Дождитесь остановки всех движущихся частей.
Прежде чем выполнять техническое обслуживание, дайте компонентам машины остыть.
По возможности не выполняйте техническое обслуживание на машине с работающим двигателем. Держитесь на безопасном расстоянии от движущихся частей.
Каждый раз при работе под машиной устанавливайте ее на подъемные опоры.
Осторожно сбрасывайте давление из компонентов с накопленной энергией.
Следите, чтобы все компоненты машины были в исправном рабочем состоянии, а все крепежные детали были затянуты.
Заменяйте изношенные или поврежденные наклейки.
Для обеспечения безопасной работы и поддержания оптимальных эксплуатационных характеристик машины используйте только оригинальные запасные части компании Toro. Использование запасных частей, изготовленных другими производителями, может быть опасным и привести к аннулированию гарантии на данное изделие.
| Периодичность технического обслуживания | Порядок технического обслуживания |
|---|---|
| Через первые 8 часа |
|
| Через первые 200 часа |
|
| Перед каждым использованием или ежедневно |
|
| Через каждые 50 часов |
|
| Через каждые 100 часов |
|
| Через каждые 200 часов |
|
| Через каждые 250 часов |
|
| Через каждые 400 часов |
|
| Через каждые 800 часов |
|
| Через каждые 1000 часов |
|
| Через каждые 2000 часов |
|
| Перед помещением на хранение |
|
Скопируйте эту страницу для повседневного использования.
| Пункт проверки при техобслуживании | Дни недели: | ||||||
|---|---|---|---|---|---|---|---|
| Пн. | Вт. | Ср. | Чт. | Пт. | Сб. | Вс. | |
| Проверьте работу защитных блокировок. | |||||||
| Проверьте работу тормозов. | |||||||
| Проверьте уровни моторного масла и топлива. | |||||||
| Проверьте уровень жидкости в системе охлаждения. | |||||||
| Опорожните водоотделитель для топлива. | |||||||
| Проверьте индикатор необходимости обслуживания воздушного фильтра. | |||||||
| Проверьте радиатор, маслоохладитель и решетку на наличие мусора. | |||||||
| Убедитесь в отсутствии посторонних шумов двигателя.1 | |||||||
| Убедитесь в отсутствии посторонних шумов при работе машины. | |||||||
| Проверьте уровень жидкости в гидравлической системе. | |||||||
| Проверьте гидравлические шланги на наличие повреждений. | |||||||
| Проверьте систему на наличие утечек жидкостей. | |||||||
| Проверьте давление воздуха в шинах. | |||||||
| Проверьте работу приборов. | |||||||
| Проверьте регулировку контакта барабана с неподвижным ножом. | |||||||
| Проверьте регулировку высоты скашивания. | |||||||
| Заправьте все масленки консистентной смазкой.2 | |||||||
| Восстановите поврежденное лакокрасочное покрытие. | |||||||
| Промойте машину. | |||||||
|
1. В случае затрудненного пуска, чрезмерного задымления или неровной работы двигателя проверьте запальную свечу и инжекторные сопла. |
|||||||
|
2. Незамедлительно после каждой мойки, независимо от указанного интервала. |
|||||||
| Проверил: | ||
| Позиция | Дата | Информация |
| 1 | ||
| 2 | ||
| 3 | ||
| 4 | ||
| 5 | ||
| 6 | ||
| 7 | ||
| 8 | ||
Important: Дополнительные процедуры технического обслуживания см. в руководстве оператора для двигателя и режущего блока.
Note: Загрузите бесплатную электрическую или гидравлическую схему, посетив веб-сайт www.Toro.com, где можно найти модель своей машины, перейдя по ссылке Manuals (Руководства) с главного экрана.
| Периодичность технического обслуживания | Порядок технического обслуживания |
|---|---|
| Через каждые 50 часов |
|
На машине установлены масленки, которые должны регулярно заполняться консистентной смазкой № 2 на литиевой основе. Если вы эксплуатируете машину в штатных условиях, смазывайте все подшипники и втулки через каждые 50 часов работы или сразу же после каждой мойки.
Местонахождение и количество пресс-масленок:
Шарнирные опоры вала тормоза (5 шт.) (Рисунок 41)

Втулки шарниров задней оси (2 шт.) (Рисунок 42)

Шаровые опоры гидроцилиндра рулевого управления (2 шт.) (Рисунок 43)

Шаровые опоры стяжной тяги (2 шт.) (Рисунок 43)
Втулки поворотных шкворней (2 шт.) (Рисунок 43). Верхнюю масленку на поворотном шкворне следует смазывать только раз в год (2 хода насоса).
Втулки подъемных рычагов (по 1 шт. на режущий блок) (Рисунок 44)

Втулки подъемных цилиндров (по 2 шт. на режущий блок) (Рисунок 44)
Втулки осей поворота подъемных рычагов (по 1 шт. на режущий блок) (Рисунок 45)
Несущая рама режущего блока (по 2 шт. на режущий блок) (Рисунок 45)
Ось поворота подъемного рычага режущего блока (по 1 шт. на режущий блок) (Рисунок 45)

Перед проверкой уровня масла или добавлением масла в картер выключите двигатель.
Не изменяйте настройку регулятора оборотов двигателя и не превышайте допустимую частоту вращения двигателя.
| Периодичность технического обслуживания | Порядок технического обслуживания |
|---|---|
| Через каждые 400 часов |
|
Проверьте корпус воздухоочистителя на наличие повреждений, которые могут вызвать утечку воздуха. Замените его в случае повреждения. Проверьте всю систему подачи воздуха на наличие утечек, повреждений, или ослабления шланговых хомутов.
Фильтр воздухоочистителя следует обслуживать только при соответствующих показаниях индикатора необходимости технического обслуживания (Рисунок 46). Замена воздушного фильтра без необходимости только увеличивает вероятность попадания грязи в двигатель при извлечении фильтра.

Important: Убедитесь, что крышка установлена правильно и плотно прилегает к корпусу воздухоочистителя.
Установите машину на ровной поверхности, опустите режущие блоки, включите стояночный тормоз, выключите двигатель и извлеките ключ.
Оттяните защелку наружу и поверните крышку воздухоочистителя против часовой стрелки (Рисунок 47).

Снимите крышку корпуса воздухоочистителя.
Перед демонтажем фильтра удалите большие скопления мусора, образующиеся между наружной стороной фильтра грубой очистки и корпусом, с помощью сжатого воздуха низкого давления (2,75 бар, чистого и сухого). Не используйте воздух высокого давления, он может занести грязь из фильтра в воздухозаборный канал.
Описанный процесс очистки предотвращает проникновение мусора в воздухозабор при демонтаже фильтра грубой очистки.
Снимите и замените фильтр грубой очистки(Рисунок 48).
Очищать использованный элемент не рекомендуется из-за возможности повреждения фильтрующей среды. Проверьте новый фильтр на отсутствие повреждений при транспортировке, осмотрев уплотнительный конец фильтра и корпус. Не используйте поврежденный фильтрующий элемент.
Вставьте новый фильтр, нажимая на наружный обод элемента, чтобы посадить его в корпус. Не давите на гибкую середину фильтра.

Important: Никогда не пытайтесь очистить контрольный фильтр (Рисунок 49). Заменяйте контрольный фильтр новым после каждых трех обслуживаний фильтра грубой очистки.

Очистите канал для выброса грязи, расположенный в съемной крышке.
Извлеките из крышки резиновый выпускной клапан, очистите полость и установите выпускной клапан.
Установите крышку таким образом, чтобы резиновый выпускной клапан был в нижнем положении, примерно между «5 и 7 часами», если смотреть с торца.
Сбросьте индикатор (Рисунок 46), если он стал красным.
| Периодичность технического обслуживания | Порядок технического обслуживания |
|---|---|
| Перед каждым использованием или ежедневно |
|
Двигатель поставляется с залитым в картер маслом; однако до и после первого пуска двигателя необходимо проверить уровень масла.
Емкость картера двигателя 9,5 л с фильтром.
Используйте высококачественное моторное масло, удовлетворяющее следующим требованиям:
Требуемый уровень по классификации API: CH-4, CI-4 или выше.
Предпочтительный тип масла: SAE 15W-40 при температуре свыше -18 °C
Альтернативное масло: SAE 10W-30 или 5W-30 (все температуры)
Note: У дистрибьютора Toro имеется моторное масло Toro Premium с вязкостью 15W-40 или 10W-30.
Note: Лучше всего проверять уровень масла на холодном двигателе, перед его первым запуском в этот день. Если он уже поработал, перед проверкой дайте маслу стечь в поддон (не менее 10 минут). Если уровень масла на щупе находится на метке Add (Добавить) или ниже, долейте масло так, чтобы его уровень доходил до отметки Full (Полный). Не переполняйте двигатель маслом. Если уровень масла находится между метками Full (Полный) и Add (Добавить), то доливать масло не требуется.
Установите машину на ровной поверхности, опустите режущие блоки, включите стояночный тормоз, выключите двигатель и извлеките ключ.
Разблокируйте защелки капота и откройте капот (Рисунок 50).

Извлеките масломерный щуп, протрите его, вставьте в трубку и снова извлеките.
Уровень масла должен находиться в допустимом интервале (Рисунок 51).

Если масло ниже допустимого уровня, снимите крышку маслозаливной горловины (Рисунок 52) и добавляйте масло до тех пор, пока его уровень не достигнет отметки Full (Полный).
Important: Не переполняйте двигатель маслом.

Note: Если используется другое масло, то перед заливкой нового масла все старое масло следует слить из картера.
Поставьте на место крышку маслозаливной горловины и масломерный щуп.
Закройте капот и зафиксируйте его защелками.
| Периодичность технического обслуживания | Порядок технического обслуживания |
|---|---|
| Через каждые 250 часов |
|
Установите машину на ровной поверхности, опустите режущие блоки, включите стояночный тормоз, выключите двигатель и извлеките ключ.
Снимите пробку сливного отверстия (Рисунок 53) и дайте маслу стечь в сливной поддон.

Когда масло перестанет вытекать, установите пробку сливного отверстия на место.
Снимите масляный фильтр (Рисунок 54).

Перед установкой нового фильтра нанесите на его уплотнение тонкий слой чистого масла.
Note: Не затягивайте фильтр слишком сильно.
Залейте масло в картер двигателя; см. Проверка уровня масла в двигателе.
Отрегулируйте трос дроссельной заслонки (Рисунок 55) так, чтобы рычаг регулятора на двигателе касался болта установки высокой скорости в тот момент, когда трос дроссельной заслонки касается конца паза в рычаге управления.

При определенных условиях топливо и пары топлива являются легковоспламеняющимися и взрывоопасными. Возгорание или взрыв топлива могут нанести ожоги оператору или другим лицам, а также повредить имущество.
Заправку топливного бака производите вне помещения, на открытом месте, после выключения и полного остывания двигателя. Удаляйте следы разлитого топлива.
Не заправляйте топливный бак до предела. Заправляйте топливо в топливный бак до уровня, не доходящего на 25 мм до верха бака, а не до шейки заливной горловины. Это пустое пространство в баке позволит топливу расширяться.
Запрещается курить при работе с топливом. Держитесь подальше от открытого пламени и от мест, где пары топлива могут воспламениться от искр.
Храните топливо в чистой, разрешенной правилами техники безопасности емкости с закрытой крышкой.
| Периодичность технического обслуживания | Порядок технического обслуживания |
|---|---|
| Через каждые 800 часов |
|
| Перед помещением на хранение |
|
Установите машину на ровной поверхности, опустите режущие блоки, включите стояночный тормоз, выключите двигатель и извлеките ключ.
Слейте топливо из топливного бака и очистите его, если топливная система загрязнена или если машина будет находиться на хранении в течение длительного периода времени. Для промывки бака используйте чистое топливо.
| Периодичность технического обслуживания | Порядок технического обслуживания |
|---|---|
| Через каждые 400 часов |
|
Установите машину на ровной поверхности, опустите режущие блоки, включите стояночный тормоз, выключите двигатель и извлеките ключ.
Проверьте топливопроводы на износ, повреждения или ослабление соединений.
| Периодичность технического обслуживания | Порядок технического обслуживания |
|---|---|
| Перед каждым использованием или ежедневно |
|
| Через каждые 400 часов |
|
Установите машину на ровной поверхности, опустите режущие блоки, включите стояночный тормоз, выключите двигатель и извлеките ключ.
Подставьте под топливный фильтр чистую емкость.
Ослабьте пробку сливного отверстия в днище корпуса фильтра.

Очистите область вокруг крепления корпуса фильтра.
Снимите корпус фильтра и очистите монтажную поверхность.
Смажьте прокладку на корпусе фильтра чистым маслом.
Завинчивайте корпус фильтра вручную до тех пор, пока прокладка не коснется монтажной поверхности, после чего поверните его дополнительно на 1/2 оборота.
Затяните пробку сливного отверстия в днище корпуса фильтра.
Установите машину на ровной поверхности, опустите режущие блоки, включите стояночный тормоз, выключите двигатель и извлеките ключ.
Топливозаборная труба, расположенная в топливном баке, снабжена сетчатым фильтром для предотвращения проникновения мусора в топливную систему. При необходимости снимите топливозаборную трубу и очистите сетчатый фильтр.
Прежде чем приступать к ремонту машины, отсоедините аккумулятор. Сначала отсоединяйте отрицательную клемму, затем положительную. При повторном подключении аккумулятора сначала подсоедините положительную, затем отрицательную клемму.
Заряжайте аккумулятор в открытом, хорошо проветриваемом месте, вдали от искр и открытого огня. Отсоединяйте зарядное устройство перед подсоединением или отсоединением аккумулятора. Используйте защитную одежду и электроизолированный инструмент.
Установите машину на ровной поверхности, опустите режущие блоки, включите стояночный тормоз, выключите двигатель и извлеките ключ.
Откройте защелки и поднимите панель консоли оператора (Рисунок 57).

Электролит аккумуляторной батареи содержит серную кислоту, которая является смертельно опасным веществом в случае проглатывания и вызывает тяжелые ожоги.
Не пейте электролит и не допускайте его попадания на кожу, в глаза или на одежду. Используйте очки для защиты глаз и резиновые перчатки для защиты рук.
Заливайте электролит в аккумулятор в месте, где всегда имеется чистая вода для промывки кожи.
Подсоедините к полюсным штырям аккумуляторной батареи зарядное устройство с током от 3 до 4 А.
Заряжайте аккумулятор током от 3 до 4 А в течение 4—8 часов.
Когда аккумуляторная батарея зарядится, отсоедините зарядное устройство от электророзетки и штырей аккумуляторной батареи.
Подсоедините положительный кабель (красный) к положительной клемме (+), а отрицательный кабель (черный) — к отрицательной (–) клемме аккумуляторной батареи(Рисунок 58).

Прикрепите кабели к полюсным штырям винтами и гайками.
Убедитесь, что положительная (+) клемма полностью надета на штырь и кабель плотно прикреплен к аккумулятору. Кабель не должен касаться крышки аккумулятора.
Наденьте на положительную клемму резиновый чехол для предотвращения возможного замыкания на массу.
Для предотвращения коррозии нанесите на обе клеммы аккумуляторной батареи смазку Grafo 112X (покровную), № по каталогу Toro 505-47, технический вазелин или негустую консистентную смазку.
Наденьте на положительную клемму резиновый чехол.
Закройте панель консоли и зафиксируйте защелками.
| Периодичность технического обслуживания | Порядок технического обслуживания |
|---|---|
| Через каждые 50 часов |
|
Important: Перед выполнением на машине сварочных работ отсоедините от аккумуляторной батареи отрицательный кабель для предотвращения повреждения электрической системы.
Note: Проверяйте состояние аккумуляторной батареи еженедельно или через 50 часов работы. Содержите клеммы и весь корпус аккумуляторной батареи в чистоте, т.к. грязный аккумулятор будет медленно разряжаться.
Очищайте аккумуляторную батарею следующим образом:
Установите машину на ровной поверхности, опустите режущие блоки, включите стояночный тормоз, выключите двигатель и извлеките ключ.
Снимите аккумуляторную батарею с машины.
Промойте весь корпус аккумуляторной батареи раствором питьевой соды в воде.
Промойте корпус чистой водой.
Для предотвращения коррозии нанесите на оба полюсных штыря аккумуляторной батареи и на кабельные наконечники смазку Grafo 112X (покровную), № по каталогу Toro 505-47 или технический вазелин.
Предохранители расположены под панелью управления оператора.

Установите машину на ровной поверхности, опустите режущие блоки, включите стояночный тормоз, выключите двигатель и извлеките ключ.
Откройте защелку и поднимите панель консоли оператора (Рисунок 60), чтобы получить доступ к предохранителям (Рисунок 61).


| Периодичность технического обслуживания | Порядок технического обслуживания |
|---|---|
| Перед каждым использованием или ежедневно |
|
Машина поставляется с повышенным давлением в шинах. Поэтому стравите немного воздух, чтобы снизить давление. Давление в шинах должно составлять от 0,83 до 1,03 бара. Проверяйте давление в шинах ежедневно.
Important: Поддерживайте рекомендуемое давление во всех шинах, чтобы обеспечить высокое качество скашивания и надлежащую производительность машины. Не допускайте недостаточного давления накачки шин.
| Периодичность технического обслуживания | Порядок технического обслуживания |
|---|---|
| Через первые 8 часа |
|
| Через каждые 200 часов |
|
Установите машину на ровной поверхности, опустите режущие блоки, включите стояночный тормоз, выключите двигатель и извлеките ключ.
Неправильный момент затяжки колесных гаек может привести к поломке или потере колеса и, как результат, к получению травмы.
Затяните гайки передних и задних колес с моментом 115–136 Н∙м после 1-4 часов работы и повторно после 8 часов работы. После этого подтягивайте колесные гайки каждые 200 часов.
Note: Гайки передних колес: 1/2-20 UNF. Гайки задних колес: M12 x 1,6-6H (метрич.)
| Периодичность технического обслуживания | Порядок технического обслуживания |
|---|---|
| Через каждые 400 часов |
|
В планетарных передачах и ведущих колесах не должно быть осевых люфтов (т.е. колеса не должны перемещаться, если на них нажимать или тянуть в направлении, параллельном оси).
Припаркуйте машину на ровной поверхности, включите стояночный тормоз, опустите режущие блоки, выключите двигатель и извлеките ключ.
Заблокируйте задние колеса противооткатными башмаками и поднимите переднюю часть машины, установив передний мост (переднюю раму) на подъемные опоры.
Положение машины при установке на домкрате может быть неустойчивым; машина может соскользнуть с домкрата и травмировать находящегося под ней человека.
Не запускайте двигатель, когда машина находится на домкрате.
Прежде чем покинуть машину, извлеките ключ из замка зажигания.
При подъеме машины с помощью домкрата, заблокируйте колеса.
Установите под машину подъемные опоры.
Возьмитесь за одно из передних ведущих колес и нажмите на него или потяните его на себя, в направлении машины или от нее, при этом следите за любыми возможными перемещениями.

Повторите порядок действий, описанный в пункте 3, для другого ведущего колеса.
Если какое-либо колесо перемещается, свяжитесь с официальным дистрибьютором компании Toro по вопросу ремонта планетарного редуктора.
| Периодичность технического обслуживания | Порядок технического обслуживания |
|---|---|
| Через каждые 400 часов |
|
Характеристики смазочного материала: высококачественное трансмиссионное масло SAE 85W-140.
Припаркуйте машину на ровной поверхности, расположите колесо так, чтобы пробка заливного отверстия находилась в положении «12 часов», пробка контрольного отверстия – в положении «3 часа», а пробка сливного отверстия – в положении «6 часов» (Рисунок 63).

Уровень масла должен доходить до низа отверстия контрольной пробки. (Рисунок 63).
Уровень масла должен доходить до низа контрольного отверстия.

Если уровень масла низкий, снимите пробку заливного отверстия в положении «12 часов» и добавляйте масло до тех пор, пока оно не начнет вытекать из отверстия в положении «3 часа».
Проверьте уплотнительное кольцо на пробке (пробках) на наличие износа или повреждения.
Note: При необходимости замените уплотнительное кольцо (кольца).
Установите пробку (пробки) на место.
Повторите действия, описанные в пунктах 1 – 5, для узла планетарной передачи с другой стороны машины.
| Периодичность технического обслуживания | Порядок технического обслуживания |
|---|---|
| Через первые 200 часа |
|
| Через каждые 800 часов |
|
Характеристики смазочного материала: высококачественное трансмиссионное масло SAE 85W-140.
Заправочный объем масла корпуса планетарного редуктора и тормозов: 0,65 л.
Припаркуйте машину на ровной поверхности, расположите колесо так, чтобы пробка заливного отверстия находилась в положении «12 часов», пробка контрольного отверстия – в положении «3 часа», а пробка сливного отверстия – в положении «6 часов»; см. Рисунок 63 в разделе Проверка масла в планетарном редукторе.
Снимите пробку заливного отверстия, расположенную в положении «12 часов», и пробку контрольного отверстия, расположенную в положении «3 часа» (Рисунок 65).

Подставьте сливной поддон под ступицу планетарной передачи, снимите пробку сливного отверстия, расположенную в положении «6 часов», и дайте маслу полностью стечь (Рисунок 65).
Проверьте уплотнительные кольца на пробках заливного, контрольного и сливного отверстий на наличие износа или повреждения.
Note: При необходимости замените уплотнительное кольцо (кольца).
Установите пробку сливного отверстия в сливное отверстие корпуса планетарного редуктора (Рисунок 65).
Подставьте сливной поддон под корпус тормоза, снимите пробку сливного отверстия и дайте маслу полностью стечь (Рисунок 66).

Проверьте уплотнительное кольцо на пробке на наличие износа или повреждения и установите пробку сливного отверстия в корпус тормоза.
Note: При необходимости замените уплотнительное кольцо.
Через открытое заливное отверстие в планетарном редукторе медленно залейте 0,65 л высококачественного трансмиссионного масла SAE 85W-140.
Important: Если планетарная передача заполнится до того, как будет залито 0,65 л масла, подождите 1 час или поставьте на место пробку и передвиньте машину примерно на 3 метра, чтобы распределить масло по тормозной системе. Затем снимите пробку и добавьте остальное масло.

Установите пробку заливного отверстия и пробку контрольного отверстия.
Начисто протрите корпуса планетарного редуктора и тормоза (Рисунок 68).

Повторите действия, описанные в пунктах 1 – 7 раздела Слив масла из планетарного редуктора, а также в пунктах 1 – 3 данного раздела для узла планетарного редуктора / тормоза с другой стороны машины.
| Периодичность технического обслуживания | Порядок технического обслуживания |
|---|---|
| Перед каждым использованием или ежедневно |
|
| Через каждые 400 часов |
|
Задний мост отгружается с завода-изготовителя с залитым трансмиссионным маслом SAE 85W-140. Вместимость составляет 2,4 л.
Установите машину на ровной поверхности, опустите режущие блоки, включите стояночный тормоз, выключите двигатель и извлеките ключ.
Снимите контрольную пробку с одного конца моста (Рисунок 69) и убедитесь, что масло доходит до низа отверстия. Если уровень низкий, снимите пробку заливного отверстия (Рисунок 69) и добавьте такое количество масла, чтобы довести его уровень до низа отверстия контрольных пробок.

| Периодичность технического обслуживания | Порядок технического обслуживания |
|---|---|
| Через первые 200 часа |
|
| Через каждые 800 часов |
|
Установите машину на ровной поверхности, опустите режущие блоки, включите стояночный тормоз, выключите двигатель и извлеките ключ.
Очистите область вокруг 3 сливных пробок, по одной на каждом конце и одной в центре (Рисунок 70).

Для облегчения слива масла снимите контрольные пробки и вентиляционный колпак ведущего моста.
Снимите пробки сливных отверстий и дайте маслу стечь в поддоны.
Поставьте пробки на место.
Снимите контрольную пробку и залейте в мост приблизительно 2,37 л трансмиссионного масла 85W-140 или такой объем, чтобы масло доходило до низа отверстия.
Установите контрольную пробку на место.
| Периодичность технического обслуживания | Порядок технического обслуживания |
|---|---|
| Перед каждым использованием или ежедневно |
|
| Через каждые 400 часов |
|
В редуктор залито трансмиссионное масло SAE 85W-140. Вместимость составляет 0,5 л.
Установите машину на ровной поверхности, опустите режущие блоки, включите стояночный тормоз, выключите двигатель и извлеките ключ.
Снимите заливную/контрольную пробку с левой стороны редуктора (Рисунок 71) и убедитесь, что смазка доходит до низа отверстия. Если уровень масла низкий, долейте столько масла, чтобы довести его уровень до низа отверстия.

Машина не должна «ползти» при отпускании педали управления тягой. Если она самопроизвольно перемещается, требуется регулировка.
Припаркуйте машину на ровной поверхности, выключите двигатель, установите регулятор скорости в диапазон низких скоростей и опустите режущие блоки.
Нажмите только правую педаль тормоза и включите стояночный тормоз.
Поднимите домкратом левую сторону машины так, чтобы левое переднее колесо оторвалось от пола мастерской. Подставьте под машину подъемные опоры для предотвращения ее случайного падения.
Запустите двигатель и переведите его на малую частоту холостого хода.
Отрегулируйте контргайки на торце штока насоса, переместив трубку управления насосом вперед, чтобы машина не «ползла» вперед, или назад, чтобы машина не «ползла» назад (Рисунок 72).

После прекращения вращения колеса затяните контргайки, чтобы зафиксировать сделанную настройку.
Выключите двигатель и отпустите правый тормоз.
Удалите подъемные опоры и опустите машину на пол мастерской.
Выполните пробную поездку на машине, чтобы убедиться, что она не «ползет» на холостых оборотах.
| Периодичность технического обслуживания | Порядок технического обслуживания |
|---|---|
| Через каждые 800 часов |
|
Установите машину на ровной поверхности, опустите режущие блоки, включите стояночный тормоз, выключите двигатель и извлеките ключ.
Измерьте межцентровое расстояние (на высоте моста) на передней и задней сторонах рулевых шин.
Note: Результат измерения на передней стороне должен быть на 3 мм меньше, чем результат измерения на задней стороне (Рисунок 73).

Для регулировки схождения снимите шплинт и гайку с любой шаровой опоры поперечной тяги (Рисунок 74).

Извлеките шаровую опору поперечной тяги из кронштейна на корпусе моста.
Ослабьте зажимы на обоих концах поперечных тяг (Рисунок 74).
Поверните расцепленную шаровую опору внутрь или наружу на 1 (один) полный оборот.
Затяните зажим на ослабленном конце поперечной тяги.
Поверните весь узел поперечной тяги в том же направлении (внутрь или наружу) на один полный оборот.
Затяните зажим на подсоединенном конце поперечной тяги.
Установите шаровую опору в кронштейн на корпусе моста и от руки затяните гайку.
Измерьте схождение.
При необходимости повторите эту процедуру.
Если регулировка выполнена правильно, затяните гайку и вставьте новый шплинт.
Проглатывание охлаждающей жидкости двигателя может вызвать отравление. Храните ее в месте, недоступном для детей и домашних животных.
Выброс под давлением горячей охлаждающей жидкости или прикосновение к горячему радиатору и расположенным рядом деталям могут привести к тяжелым ожогам.
Прежде чем снимать крышку радиатора, подождите не менее 15 минут, чтобы двигатель остыл.
При открывании крышки радиатора используйте ветошь; открывайте крышку медленно, чтобы выпустить пар.
| Периодичность технического обслуживания | Порядок технического обслуживания |
|---|---|
| Перед каждым использованием или ежедневно |
|
Проверяйте уровень охлаждающей жидкости в начале каждого дня. Вместимость системы охлаждения 12,3 л.
Осторожно снимите крышку радиатора.
При работе двигателя выброс горячей охлаждающей жидкости под давлением может стать причиной ожогов.
Открывать крышку радиатора на работающем двигателе запрещено.
При открывании крышки радиатора используйте ветошь; открывайте крышку медленно, чтобы выпустить пар.

Проверьте уровень охлаждающей жидкости в радиаторе.
Note: Радиатор должен быть заполнен до верха заливной горловины, а расширительный бачок должен быть заполнен до метки Full (Полный) (Рисунок 75).
В случае низкого уровня охлаждающей жидкости добавьте смесь воды и этиленгликолевого антифриза в соотношении 50/50.
Note: Не допускается использовать только воду или охлаждающие жидкости на основе этилового/метилового спиртов.
Установите крышку радиатора и крышку расширительного бачка.
| Периодичность технического обслуживания | Порядок технического обслуживания |
|---|---|
| Перед каждым использованием или ежедневно |
|
Ежедневно удаляйте мусор из области двигателя, маслоохладителя и радиатора. В условиях повышенного загрязнения производите очистку чаще.
Установите машину на ровной поверхности, опустите режущие блоки, включите стояночный тормоз, выключите двигатель и извлеките ключ.
Откройте защелку и откиньте заднюю решетку (Рисунок 76).

Тщательно очистите решетку от мусора.
Note: Чтобы снять решетку, поднимите оси петель.
Тщательно очистите сжатым воздухом область с обеих сторон радиатора/маслоохладителя (Рисунок 77). Начните спереди и сдувайте мусор назад. Затем произведите очистку с задней стороны, сдувая мусор в направлении вперед. Повторите эту процедуру несколько раз до полного удаления сухой травы и мусора.

Important: Очистка маслоохладителя/радиатора водой приводит к преждевременным коррозионным повреждениям компонентов и уплотнению мусора.
Закройте заднюю решетку и закрепите ее защелкой.
Рабочие тормоза необходимо отрегулировать, если свободный ход педали тормоза превышает 13 мм или снизилась эффективность работы тормозов. Свободный ход — это расстояние перемещения педали тормоза до ощущения тормозного сопротивления.
Установите машину на ровной поверхности, опустите режущие блоки, включите стояночный тормоз, выключите двигатель и извлеките ключ.
Отсоедините стопорный штырь от педалей тормоза, чтобы обе педали работали независимо друг от друга.
Для уменьшения свободного хода педалей тормоза подтяните тормоза следующим образом:
Отпустите переднюю гайку на резьбовом конце троса тормоза (Рисунок 78).

Затягивайте заднюю гайку, чтобы тросик сдвигался назад, пока свободный ход педали тормоза не составит от 0 до 13 мм.
Note: Убедитесь в отсутствии натяжения в тормозе после отпускания педали.
После того, как тормоза будут правильно отрегулированы, затяните передние гайки.
| Периодичность технического обслуживания | Порядок технического обслуживания |
|---|---|
| Через каждые 100 часов |
|
При правильном натяжении для создания прогиба 10 мм требуется усилие в 45 Н, приложенное в середине ремня между шкивами.
Если прогиб не равен 10 мм, ослабьте болты крепления генератора (Рисунок 79).

Увеличьте или уменьшите натяжение ремня генератора и затяните болты.
Еще раз проверьте прогиб ремня, чтобы убедиться, что натяжение правильно.
При попадании жидкости под кожу немедленно обратитесь к врачу. Если жидкость оказалась впрыснута под кожу, необходимо, чтобы врач удалил ее хирургическим путем в течение нескольких часов.
Перед подачей давления в гидравлическую систему убедитесь, что все гидравлические шланги и трубопроводы исправны, а все гидравлические соединения и штуцеры герметичны.
Не приближайтесь к местам точечных утечек или штуцерам, из которых под высоким давлением выбрасывается гидравлическая жидкость.
Для обнаружения гидравлических утечек используйте картон или бумагу.
Перед выполнением любых работ на гидравлической системе безопасно стравите все давление в гидравлической системе.
| Периодичность технического обслуживания | Порядок технического обслуживания |
|---|---|
| Перед каждым использованием или ежедневно |
|
Проверьте гидравлические трубопроводы и шланги на наличие утечек, перекрученных труб, незакрепленных опор, износа, незатянутой арматуры, атмосферной и химической коррозии. Устраните все неисправности перед началом эксплуатации.
| Периодичность технического обслуживания | Порядок технического обслуживания |
|---|---|
| Перед каждым использованием или ежедневно |
|
Бак заполняется на заводе высококачественной гидравлической жидкостью. Перед первым пуском двигателя и затем ежедневно проверяйте уровень гидравлической жидкости.
Установите машину на ровной поверхности, опустите режущие блоки, включите стояночный тормоз, выключите двигатель и извлеките ключ.
Очистите зону вокруг заливной горловины и крышки гидравлического бака (Рисунок 80).

Снимите крышку с заливной горловины.
Извлеките масломерный щуп из заливной горловины и протрите его чистой ветошью.
Вставьте масломерный щуп в заливную горловину; затем извлеките его и проверьте уровень жидкости.
Уровень жидкости должен находиться между двумя отметками на масломерном щупе.
Если уровень низкий, добавьте соответствующую жидкость, чтобы повысить уровень до верхней метки.
Вставьте масломерный щуп и установите крышку на заливную горловину.
Бак заполняется на заводе высококачественной гидравлической жидкостью. Проверьте уровень гидравлической жидкости перед первым запуском двигателя и в дальнейшем проверяйте его ежедневно; см. раздел Проверка уровня гидравлической жидкости.
Рекомендуемая гидравлическая жидкость: гидравлическая жидкость Toro PX с увеличенным сроком службы (выпускается в 19-л емкостях или 208-л бочках).
Note: На машине, в которой используется рекомендуемая для замены жидкость, требуются менее частые замены жидкости и фильтра.
Альтернативные гидравлические жидкости: если гидравлическая жидкость Toro PX с увеличенным сроком службы недоступна, можно использовать другие стандартные гидравлические жидкости на нефтяной основе, при условии, что они удовлетворяют всем приведенным ниже требованиям к свойствам материала и отраслевым стандартам. Не используйте синтетическую жидкость. Для определения подходящего продукта проконсультируйтесь у местного дистрибьютора смазочных материалов.
Note: Компания Toro Premium не несет ответственности за повреждения, вызванные применением несоответствующей рабочей жидкости, поэтому используйте продукты только признанных изготовителей, рекомендациям которых можно доверять.
| Свойства материалов: | ||
| Вязкость, ASTM D445 | сСт при 40 °C: от 44 до 48 | |
| Индекс вязкости ASTM D2270 | 140 или выше. | |
| Температура застывания по ASTM D97 | от -37 °C до -45 °C | |
| Отраслевые ТУ: | Eaton Vickers 694 (I-286-S, M-2950-S/35VQ25 или M-2952-S) | |
Note: Многие гидравлические жидкости являются почти бесцветными, что затрудняет обнаружение точечных утечек. Красный краситель для добавки в гидравлическую жидкость поставляется во флаконах емкостью 20 мл. Одного флакона достаточно для 15–22 л гидравлической жидкости. № по каталогу 44-2500 для заказа у местного официального дистрибьютора компании Toro.
Important: Высококачественная синтетическая биоразлагаемая гидравлическая жидкость Toro Premium является единственной синтетической биоразлагаемой жидкостью, одобренной компанией Toro. Эта жидкость совместима с используемыми в гидравлических системах TORO эластомерами и пригодна для широкого диапазона температур. Эта жидкость совместима с традиционными минеральными маслами, но для максимальной биоразлагаемости и высоких эксплуатационных характеристик гидравлическую систему необходимо тщательно промыть стандартной рабочей жидкостью. Масло поставляется официальным дистрибьютором компании Toro в 19-л канистрах или 208-л бочках.
28,4 л; см. раздел Характеристики гидравлической жидкости
| Периодичность технического обслуживания | Порядок технического обслуживания |
|---|---|
| Через каждые 800 часов |
|
| Через каждые 2000 часов |
|
В случае загрязнения рабочей жидкости обратитесь к местному официальному дистрибьютору компании Toro, поскольку систему необходимо промыть. По сравнению с чистой загрязненная жидкость может выглядеть белесоватой или черной.
Установите машину на ровной поверхности, опустите режущие блоки, включите стояночный тормоз, выключите двигатель и извлеките ключ.
Поднимите капот.
Отсоедините возвратный трубопровод от днища резервуара и дайте гидравлической жидкости стечь в большой поддон.
Когда поток гидравлической жидкости иссякнет, подсоедините трубопровод.
Залейте гидравлическую жидкость в бак; см. разделы Характеристики гидравлической жидкости и Емкость гидравлической системы.
Important: Используйте только указанные гидравлические жидкости. Другие жидкости могут вызвать повреждение системы.
Поставьте крышку бака на место.
Запустите двигатель и поработайте всеми органами управления гидравликой, чтобы тщательно распределить гидравлическую жидкость по всей системе.
Проверьте систему на наличие утечек, затем выключите двигатель.
Проверьте уровень жидкости и добавьте необходимое количество, чтобы уровень поднялся до отметки Full (Полный) на масломерном щупе.
Note: Не переполняйте гидравлическую систему.
| Периодичность технического обслуживания | Порядок технического обслуживания |
|---|---|
| Через каждые 800 часов |
|
| Через каждые 1000 часов |
|
Для замены используйте фильтры Toro № по кат. 94-2621 для задней стороны машины (режущий блок) и № по кат. 75-1310 для передней стороны машины (заправка).
Important: Использование фильтра другого типа может привести к аннулированию гарантии на некоторые компоненты.
Установите машину на ровной поверхности, опустите режущие блоки, включите стояночный тормоз, выключите двигатель и извлеките ключ.
Очистите область вокруг места крепления фильтра.
Подставьте под фильтр поддон, а затем снимите фильтр (Рисунок 81 и Рисунок 82).
Смажьте новую прокладку фильтра и заполните фильтр гидравлической жидкостью.


Убедитесь в чистоте установочной поверхности фильтра.
Завинчивайте фильтр, пока прокладка не упрется в монтажную плоскость; после этого дополнительно затяните фильтр на ½ оборота.
Запустите двигатель и дайте ему поработать примерно две минуты для удаления воздуха из системы.
Выключите двигатель и проверьте систему на наличие утечек.
Износ или повреждение ножей барабанов или неподвижного ножа может привести к его разрушению и выбросу фрагментов в направлении оператора или находящихся поблизости людей, что может стать причиной серьезной травмы, в том числе с летальным исходом.
Периодически проверяйте режущие блоки на наличие чрезмерного износа или повреждений.
Соблюдайте осторожность при проверке режущих блоков. При техническом обслуживании барабанов и неподвижных ножей оберните ножи тканью или используйте перчатки и соблюдайте меры предосторожности. Выполняйте только замену или заточку барабанов и неподвижных ножей; запрещается их выпрямлять или сваривать.
При использовании машин с несколькими режущими блоками соблюдайте осторожность при проворачивании барабана, поскольку это может вызвать вращение барабанов в других режущих блоках.
Касание барабанов или других движущихся частей может привести к травме.
Следите, чтобы пальцы, руки и одежда находились на безопасном расстоянии от барабанов или других движущихся частей.
Никогда не пытайтесь повернуть барабаны ногой или рукой при работающем двигателе.
Note: Во время заточки обратным вращением передние режущие блоки работают все вместе, и задние режущие блоки работают вместе.
Установите машину на ровной поверхности, опустите режущие блоки, включите стояночный тормоз, выключите двигатель и переведите выключатель механизма отбора мощности (РТО) в положение Выкл..
Разблокируйте и поднимите капот для доступа к органам управления.
Выполните первоначальные регулировки контакта барабана с неподвижным ножом для всех режущих блоков, которые требуется заточить обратным вращением; см Руководство по эксплуатации режущего блока.
Выберите передний, задний или оба рычага обратного вращения, чтобы определить, заточку каких режущих блоков необходимо произвести (Рисунок 83).
Запустите двигатель и переведите его на малую частоту холостого хода.
Изменение частоты вращения двигателя во время заточки обратным вращением может привести к остановке барабанов.
Никогда не изменяйте частоту вращения двигателя во время заточки обратным вращением.
Производите заточку обратным вращением только на малых оборотах холостого хода.
Прикосновение к режущим блокам может привести к травме.
Убедитесь, что вы находитесь на безопасном расстоянии от режущих блоков, прежде чем выполнять операцию заточки.
Установив ограничитель скорости скашивания в положение Скашивание, переведите переключатель механизма отбора мощности в положение Вкл.
Нажмите переключатель подъема, чтобы начать операцию заточки обратным вращением выбранных барабанов.
Нанесите притирочную пасту щеткой с длинной ручкой.
Note: Не используйте щетку с короткой ручкой.

Если барабаны останавливаются или работают неустойчиво во время заточки обратным вращением, установите более высокую частоту вращения двигателя, пока частота вращения барабана не стабилизируется.
Чтобы выполнить регулировку режущих блоков во время заточки обратным вращением, остановите барабаны, нажав заднюю часть переключателя подъема; переведите выключатель механизма отбора мощности в положение Выкл. и выключите двигатель. После завершения регулировок повторите действия, указанные в пунктах 5 – 9.
Повторите эту процедуру для всех режущих блоков, которым необходима заточка обратным вращением.
После завершения верните рычаги заточки обратным вращением в положение Скашивание, опустите капот и смойте всю притирочную пасту с режущих блоков. При необходимости отрегулируйте контакт барабана с неподвижным ножом режущего блока. Переведите органы управления скоростью вращения барабана режущего блока в положение требуемой скорости скашивания.
Important: Если переключатель заточки обратным вращением не вернуть после выполнения заточки в положение Выкл., режущие блоки не поднимутся или не будут работать правильно.
Note: Дополнительные указания и описания процедуры заточки обратным вращением приведены в Руководстве компании Toro по заточке барабанов и ротационных газонокосилок , форма № 80-300SL.
Note: Для получения лучшей режущей кромки обработайте напильником переднюю лицевую поверхность неподвижного ножа после заточки обратным вращением. При этом будут удалены все заусенцы или неровные края, которые могут образоваться на режущей кромке.
Промывайте машину по мере необходимости, используя только воду или воду с мягким моющим средством. При мойке машины можно использовать обтирочные концы.
Important: Не допускается использовать для очистки машины солоноватую воду или регенерированные сточные воды.
Important: Не допускается использовать для мойки машины оборудование, подающее воду под давлением. Мойка под давлением может вывести из строя электрооборудование, ослабить крепление важных предупреждающих наклеек или смыть необходимую консистентную смазку в трущихся местах. Избегайте излишнего использования воды около панели управления, двигателя и аккумулятора.
Important: Не мойте машину при работающем двигателе. Мойка автомобиля при работающем двигателе может привести к внутренним повреждениям двигателя.
Прежде чем покинуть рабочее место оператора, заглушите двигатель, извлеките ключ (при наличии) и дождитесь остановки всех движущихся частей машины. Дайте машине остыть перед регулировкой, техническим обслуживанием, очисткой или постановкой на хранение.
Запрещается хранить машину или емкость с топливом в местах, где есть открытое пламя, искры или малая горелка, используемая, например, в водонагревателе или другом оборудовании.
Установите машину на ровной поверхности, опустите режущие блоки, включите стояночный тормоз, выключите двигатель и извлеките ключ.
Тщательно очистите тяговый блок, режущие блоки и двигатель.
Проверьте давление в шинах, см. Проверка давления воздуха в шинах.
Проверьте весь крепеж на ослабление затяжки; при необходимости подтяните.
Заправьте консистентной смазкой или маслом все масленки и оси поворота. Удалите всю излишнюю смазку.
Слегка зачистите и подкрасьте поцарапанные, сколотые или заржавевшие покрашенные поверхности. Выправите все вмятины в металлическом корпусе.
Выполните техническое обслуживания аккумулятора и кабелей следующим образом; см. раздел Правила техники безопасности при работе с электрической системойID000-448-328:
Снимите клеммы с полюсных штырей аккумулятора.
Очистите аккумулятор, клеммы и полюсные штыри проволочной щеткой и водным раствором пищевой соды.
Для предотвращения коррозии нанесите на кабельные наконечники и на полюсные штыри аккумулятора смазку Grafo 112X (№ по каталогу Toro 505-47) или технический вазелин.
Медленно подзаряжайте аккумуляторную батарею через каждые 60 дней в течение 24 часов для предотвращения сульфатации пластин аккумуляторной батареи.
Слейте моторное масло из поддона картера и установите на место пробку сливного отверстия.
Извлеките и удалите в отходы масляный фильтр. Установите новый масляный фильтр.
Заправьте двигатель моторным маслом указанного типа.
Запустите двигатель и дайте ему поработать на холостом ходу приблизительно две минуты.
Выключите двигатель и извлеките ключ из замка зажигания.
Промойте топливный бак свежим, чистым топливом.
Закрепите все фитинги топливной системы.
Тщательно очистите и обслужите узел воздухоочистителя.
Загерметизируйте впуск воздухоочистителя и выпуск выхлопа водостойкой клейкой лентой.
Проверьте защиту от промерзания и добавьте раствор воды и этиленгликолевого антифриза в соотношении 50/50, если в вашем регионе ожидается низкая температура.