| Underhållsintervall | Underhållsförfarande |
|---|---|
| Varje användning eller dagligen |
|
Maskinen är en åkgräsklippare med en knivcylinder som är avsedd att användas av yrkesförare som har anlitats för kommersiellt arbete. Den är huvudsakligen konstruerad för att klippa gräs på väl underhållna gräsmattor. Det kan medföra fara för dig och kringstående om maskinen används i andra syften än vad som avsetts.
Läs den här informationen noga så att du lär dig att använda och underhålla produkten på rätt sätt och för att undvika person- och produktskador. Du är ansvarig för att produkten används på ett korrekt och säkert sätt.
Besök www.Toro.com för mer information, inklusive säkerhetsråd, utbildningsmaterial, information om tillbehör, hjälp med att hitta en återförsäljare eller för att registrera din produkt.
Kontakta en auktoriserad återförsäljare eller Toros kundservice och ha produktens modell- och artikelnummer till hands om du har behov av service, Toro-originaldelar eller ytterligare information. Figur 1 visar var på produkten modell- och serienumren sitter. Skriv numren i det tomma utrymmet.
Important: Skanna rutkoden på serienummerplåten (i förekommande fall) med en mobil enhet för att få tillgång till information om garanti, reservdelar och annat.

I den här bruksanvisningen anges potentiella risker och alla säkerhetsmeddelanden har markerats med en varningssymbol (Figur 2), som anger fara som kan leda till allvarliga personskador eller dödsfall om föreskrifterna inte följs.

Två ord används också i den här bruksanvisningen för att markera information. Viktigt anger speciell teknisk information och Observera anger allmän information som bör ges särskild uppmärksamhet.
Denna produkt uppfyller alla relevanta europeiska direktiv. Mer information finns i den separata produktspecifika överensstämmelseförklaringen.
Det är ett brott mot avsnitt 4442 eller 4443 i Kaliforniens Public Resource Code att använda eller köra motorn på skogs-, busk- eller grästäckt mark om motorn inte är utrustad med en gnistsläckare som är i fullgott skick, vilket anges i avsnitt 4442, eller utan att motorn är konstruerad, utrustad och underhållen för att förhindra brand.
Den bifogade bruksanvisningen till motorn tillhandahålls för information om den amerikanska miljömyndigheten EPA:s (US Environmental Protection Agency) och Kaliforniens lagstiftning om utsläppskontroll för emissionssystem, underhåll och garanti. Extra bruksanvisningar kan beställas från motortillverkaren.
KALIFORNIEN
Proposition 65 Varning
Avgaserna från dieselmotorer och vissa avgaskomponenter innehåller ämnen som av den amerikanska delstaten Kalifornien anses orsaka cancer, fosterskador och andra fortplantningsskador.
Batteripoler och kabelanslutningar med tillbehör innehåller bly och blyföreningar, kemikalier som den amerikanska delstaten Kalifornien anser kan orsaka cancer och fortplantningsskador. Tvätta händerna efter hantering.
Användning av produkten kan orsaka kemikalieexponering som av den amerikanska delstaten Kalifornien anses orsaka cancer, fosterskador och andra fortplantningsskador.
Maskinen har utformats i enlighet med SS-EN ISO 5395 (när du har slutfört monteringsförfarandet) och ANSI B71.4-2017.
Maskinen kan slita av händer och fötter och kasta omkring föremål.
Läs och se till att du har förstått innehållet i den här bruksanvisningen innan du startar motorn.
Var fullt koncentrerad på maskinen när du använder den. Delta inte i aktiviteter som kan distrahera dig, eftersom personskador eller skador på egendom då kan uppstå.
Håll händer och fötter på avstånd från maskinens rörliga delar.
Kör endast maskinen om skydd och andra säkerhetsanordningar sitter på plats och fungerar.
Håll kringstående och barn borta från arbetsområdet. Låt aldrig barn använda maskinen.
Stäng av motorn, ta ut nyckeln (i förekommande fall) och vänta tills alla rörliga delar har stannat innan du kliver ur förarsätet. Låt maskinen svalna innan du justerar, servar, rengör eller ställer den i förvaring.
Felaktigt bruk eller underhåll av maskinen kan leda till
personskador. För att minska risken för skador ska du alltid
följa säkerhetsanvisningarna och uppmärksamma varningssymbolen
. Symbolen betyder
Var försiktig, Varning eller Fara – anvisning om personsäkerhet.
Underlåtenhet att följa anvisningarna kan leda till personskador
eller dödsfall.
Maskinens motor uppfyller kraven i EU Stage 3b.
![]() |
Säkerhetsdekalerna och anvisningarna är fullt synliga för föraren och finns nära alla potentiella farozoner. Ersätt dekaler som har skadats eller saknas. |





















Note: Vänster och höger sida på maskinen är lika med förarens vänstra respektive högra sida vid normal körning.
Beroende på vilken bredd klippenheterna som ska monteras på traktorenheten har justerar du stödvalsarna enligt följande:
Parkera maskinen på ett plant underlag, koppla in parkeringsbromsen, stäng av motorn och ta ut nyckeln.
Delar som behövs till detta steg:
| Motorhuvslåsfäste | 1 |
| Nit | 2 |
| Skruv (¼ x 2 tum) | 1 |
| Planbricka (¼ tum) | 2 |
| Låsmutter (¼ tum) | 1 |
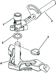
Kroka av motorhuvsspärren från dess fäste (Figur 4).

Ta bort de två nitarna som fäster motorhuvslåsfästet på motorhuven (Figur 5).

Kroka av motorhuvslåsfästet på motorhuven.
Placera CE-låsfästet och motorhuvslåsfästet på motorhuven när du passar in monteringshålen.
Note: Låsfästet måste ligga mot motorhuven (Figur 5).Ta inte bort skruv- och mutterenheten från låsfästets arm.

Rikta in brickorna mot hålen på motorhuvens insida.
Nita fast fästena och brickorna på motorhuven (Figur 6).
Kroka fast spärren på motorhuvslåsfästet (Figur 7).

Skruva i skruven i den andra armen på motorhuvslåsfästet för att låsa spärren på plats (Figur 8).

Dra åt skruven ordentligt, men dra inte åt muttern.
Delar som behövs till detta steg:
| Höger främre slangstyrning | 1 |
| Vänster främre slangstyrning | 1 |
Demontera cylindermotorerna från transportfästena.
Demontera transportfästena och kasta dem.
Ta ut klippenheterna ur kartongerna.
Montera och justera dem i enlighet med anvisningarna i bruksanvisningen till klippenheterna.
Kontrollera att motvikten (Figur 9) har monterats på rätt sida av klippenheten i enlighet med anvisningarna i bruksanvisningen till klippenheterna.

Kontrollera att gräsutjämningsfjädern är monterad på samma sida som cylinderns drivmotor på alla klippenheter. Gör följande för att ändra fjäderns placering:
Demontera de två vagnskruvar och muttrar som håller fast stångbeslaget på klippenhetens flikar (Figur 10).

Demontera den flänsmutter som håller fast fjäderrörets bult på bärramens flik (Figur 10).
Ta bort enheten.
Montera fjäderrörets bult på bärramens motsatta flik, och fäst skruven med flänsmuttern.
Note: Placera bultens huvud mot flikens yttre sida såsom visas i Figur 11.

Montera stångbeslaget på klippenhetens flikar med hjälp av vagnskruvarna och muttrarna (Figur 11). Montera den vänstra slangstyrningen längst fram på klippenhetens flikar när du monterar stångbeslaget på klippenheten (Figur 13).
Important: Använd stångbeslagets fästmuttrar när du monterar slangstyrningen längst fram på klippenhetens flikar på den fjärde (vänster fram) och femte (höger fram) klippenheten. Slangstyrningen ska luta mot klippenheten i mitten (Figur 12 till Figur 14).



Note: Sätt hårnålssprinten i fjäderstångens hål bredvid stångbeslaget när du monterar eller demonterar klippenheterna. I annat fall måste du montera hårnålssprinten i hålet i stångens ände.
Öka styrningen på de bakre klippenheterna genom att ta bort de två vridbrickorna, insexskruvarna och flänslåsmuttrarna (Figur 15) från de bakre klippenheternas bärramar (klippenhet 2 och 3). Se Figur 12.

Sänk ned alla lyftarmar helt.
Smörj bärramens axel med rent fett (Figur 16).

Vid montering av de främre klippenheterna ska en klippenhet skjutas in under lyftarmen samtidigt som bärramens axel förs upp och in i lyftarmens svängok (Figur 16).
Kontrollera att tryckbrickan sitter på plats på bärramens axel.
Fäst bärramens axel på lyftarmens ok med hjälp av sprinten (Figur 16).
Lås fast styrningen på klippenheterna genom att fästa svängoket vid bärramen med låsstiftet (Figur 17).

Note: Använd fast styrning vid klippning i sluttningar.
Följ anvisningarna nedan för att montera de bakre klippenheterna när klipphöjden är över 19 mm.
Fäst lyftarmens kedja på kedjefästet med låsstiftet (Figur 19).
Note: Använd så många kedjelänkar som rekommenderas i bruksanvisningen till klippenheterna.

Stryk på rent fett på cylindermotorns räfflade axel.
Olja in cylindermotorns o-ring och montera den på motorflänsen.
Montera motorn genom att vrida den medurs så att motorflänsarna går fria från skruvarna (Figur 20).

Vrid motorn moturs så att skruvarna omges av flänsarna, och dra sedan åt skruvarna.
Important: Se till att cylindermotorns slangar inte är vridna, har snott sig eller att de kan komma i kläm.
Gräsutjämningsfjädern (Figur 21) överför vikt från den främre till den bakre valsen. Detta hjälper till att minska förekomsten av det vågformade mönster i gräsmattan som kallas för ”ondulering” eller ”bobbing”.
Important: När du justerar fjädern ska klippenheten vara monterad på traktorenheten, riktad rakt fram och nedsänkt till verkstadsgolvet.
Se till att hårnålssprinten sitter i det bakre hålet på fjäderstången (Figur 21).
Note: Vid service av klippenheten flyttar du hårnålssprinten till fjäderstångshålet bredvid gräsutjämningsfjädern.

Dra åt sexkantsmuttrarna på fjäderstångens främre ände tills fjäderns sammanpressade längd är 15,9 cm, se Figur 21.
Note: Förkorta fjäderns längd med 13 mm om du ska använda maskinen i ojämn terräng. Detta medför en något minskad kontakt med marken.
Note: Du måste ställa in gräsutjämningsinställningen på nytt om du ändrar klipphöjd eller klippintensitet.
Delar som behövs till detta steg:
| Klippenhetens stöd | 1 |
När du välter klippenheten för att få tillgång till underkniven eller cylindern ska du lägga klippenhetens bakdel på stödet, så att inte muttrarna på bakre delen av underknivstångens justerskruvar vilar mot arbetsytan (Figur 22).

Fäst stödet i kedjefästet med låsstiftet (Figur 23).

Smörj med fett för att säkerställa korrekt smörjning innan du använder maskinen. Se Smörjning. Om man inte smörjer maskinen riktigt kommer dess komponenter att gå sönder i förtid.
Kontrollera smörjmedelsnivån för bakaxeln innan du startar motorn för första gången. Se Kontrollera bakaxelns oljenivå.
Kontrollera hydraulvätskenivån innan du startar motorn för första gången. Se Kontrollera hydraulvätskenivån.
Kontrollera motoroljenivån före och efter att du startar motorn för första gången. Se Kontrollera nivån för motorolja.
Delar som behövs till detta steg:
| Mätstång | 1 |
Justera klippenheten med hjälp av mätstången. Mer information om justeringen finns i bruksanvisningen till klippenheterna (Figur 24).

Delar som behövs till detta steg:
| Varningsdekal | 1 |
| CE-dekal | 1 |
| Dekal med uppgift om tillverkningsår | 1 |
På maskiner där CE-efterlevnad krävs fäster du tillverkningsårsdekalen (artikelnr 138-5615) nära serienummerplåten, CE-dekalen (artikelnr 93-7252) nära motorhuvens lås och CE-varningsdekalen (artikelnr 120-1186) över standardvarningsdekalen (artikelnr 133-1683).
De två fotpedalerna (Figur 25) sköter individuella hjulbromsar och underlättar svängning och körning i backar.
Pedallåsspärren (Figur 25) kopplar samman pedalerna för att dra åt parkeringsbromsen.
Lägg i parkeringsbromsen (Figur 25) genom att koppla ihop pedalerna med pedallåsspärren och trampa ner den högra bromspedalen samtidigt som du ansätter fotpedalen. Frigör parkeringsbromsen genom att trampa ner en av bromspedalerna tills parkeringsbromsspärren lossas.

Gaspedalen (Figur 25) reglerar körning framåt och bakåt. Tryck ned pedalens övre del för att köra framåt och dess undre del för att backa. Hastigheten står i proportion till hur mycket du trycker ned pedalen. Om du vill köra i maxhastighet för du gasreglaget till det SNABBA läget och trampar ned pedalen helt.
Du stannar maskinen genom att försiktigt lyfta foten från gaspedalen och låta pedalen återgå till mittläget.
Om du vill luta ratten mot dig ska du trampa ned fotpedalen (Figur 25) och dra ratten mot dig så att den sitter bekvämt, och sedan släppa upp pedalen.
När klipphastighetsbegränsaren (Figur 26) vrids upp reglerar den klipphastigheten och gör så att klippenheterna kan kopplas in. Varje distansbricka justerar klipphastigheten med 0,8 km/h. Ju fler distansbrickor du sätter på skruven, desto långsammare rör sig maskinen. Vid transport ska du vrida ned klipphastighetsbegränsaren så att du får maximal transporthastighet.
Justera skruven/skruvarna (Figur 26) för att begränsa hur långt framåt eller bakåt du kan trycka gaspedalen för att begränsa hastigheten.
Important: Hastighetsbegränsarskruven måste stanna gaspedalen innan pumpen når fullt kolvslag, annars kan skador uppstå på pumpen.

Med det här reglaget (Figur 27) kan du höja och sänka klippenheterna samt starta och stoppa cylindrarna när du aktiverar dem i klippläget. Du kan inte sänka klippenheterna när spaken för klippning/transport har satts i transportläget.
Tändningslåset (Figur 27) har tre lägen: AV, På/FöRVäRMNING och START.
På LCD-skärmen InfoCenter visas information om maskinen, t.ex. driftsstatus, diagnostik och övrig information (Figur 27).
Figur 27Kraftuttagsbrytaren har två lägen: START och STOPP. Tryck kraftuttagsbrytaren framåt för att aktivera klippenhetens knivar. Tryck knappen bakåt för att avaktivera klippenhetens knivar.

För motorhastighetsomkopplaren (Figur 27) framåt för att öka motorvarvtalet, och dra reglaget bakåt för att minska motorvarvtalet.
Vrid omkopplaren nedåt för att tända strålkastarna (Figur 27).
Använd eluttaget (Figur 28) för att driva extra elutrustning på 12 V.

Använd påshållaren (Figur 29) för förvaring.

Använd slipningsspakarna för att slipa cylindrarna (Figur 30).

Dra ut spaken för att skjuta sätet framåt eller bakåt (Figur 31).
Vrid på ratten för att justera armstödets vinkel (Figur 31).
Flytta spaken för att justera ryggstödets vinkel (Figur 31).
Viktmätaren anger när sätet har anpassats efter din vikt (Figur 31). Du kan justera höjden genom att ställa in fjädringen i det gröna området.

Justera sätet efter din vikt (Figur 31). Dra upp spaken för att öka lufttrycket och tryck ner den för att minska lufttrycket. Sätet är korrekt justerat när viktmätaren är i det gröna området.
LCD-skärmen InfoCenter visar information om maskinen, t.ex. driftsstatus, diagnostik och övrig information (Figur 32). InfoCenter har en startskärm och en huvudinformationsskärm. Du kan växla mellan startbilden och huvudinformationsbilden närsomhelst genom att trycka på någon av InfoCenter-knapparna och sedan välja lämplig riktningspil.

Vänster knapp, menyåtkomst-/tillbakaknapp – tryck på den här knappen för att öppna InfoCenter-menyerna. Du kan använda den för att gå ut ur menyn som du använder.
Mittenknapp – använd den här knappen för att bläddra nedåt i menyerna.
Högerknapp – använd den här knappen för att öppna en meny där en högerpil visar att det finns mer innehåll.
Manuell ändring av fläktens blåsriktning – tryck på vänster och höger knapp samtidigt för att aktivera funktionen.
Pip – aktiveras när du sänker ned däcken eller för meddelanden och fel.
Note: Varje knapps funktion kan ändras beroende på vad tillfället kräver. Vid varje knapp visas en ikon som förklarar den aktuella funktionen.
| SERVICE DUE | Anger när schemalagd service bör utföras |
![]() | Återstående timmar före service |
![]() | Återställ antalet servicetimmar ![]() |
![]() | Infoikon |
![]() | Timmätare |
![]() | Snabbt |
![]() | Långsamt |
![]() | Ändring av fläktens blåsriktning – anger när fläktens blåsriktning ändras |
![]() | Luftintagsvärmaren är aktiv |
![]() | Höj upp klippenheterna |
![]() | Sänk ned klippenheterna |
![]() | Föraren måste sitta på stolen |
![]() | Parkeringsbromsindikator – anger när parkeringsbromsen är PÅ |
![]() | Identifierar området som högt |
![]() | Neutralläge |
![]() | Identifierar området som lågt |
![]() | Kylvätsketemperatur – visar temperaturen på motorns kylvätska i antingen °C eller °F |
![]() | Temperatur (hög) |
![]() | Nekas eller ej tillåtet |
![]() | Kraftuttaget är inkopplat |
![]() | Motor, start |
![]() | Stopp eller avstängning |
![]() | Motor |
![]() | Tändningslås |
![]() | Anger när klippenheterna sänks ned |
![]() | Anger när klippenheterna höjs upp |
![]() | PIN-kod |
![]() | Hydraulvätsketemperatur – visar hydraulvätsketemperaturen |
![]() | CAN-buss |
![]() | InfoCenter |
![]() | Ogiltig eller misslyckad |
![]() | Lampa |
![]() | Utmatning från TEC-styrenheten eller styrkabel i kablage |
![]() | Högt: över det tillåtna området |
![]() | Lågt: under det tillåtna området |
/![]() | Utanför området |
![]() | Brytare |
![]() | Föraren måste frisläppa brytaren |
![]() | Föraren ska ändra till det angivna läget |
| Symbolerna kombineras ofta och skapar meningar. Vissa av exemplen visas nedan.. | |
![]() | Föraren ska ställa maskinerna i neutralläget |
![]() | Motorstart nekad |
![]() | Motorn stängs av |
![]() | Motorns kylvätska är för varm |
![]() | Hydrauloljan är för varm |
![]() | Sitt ned eller lägg i parkeringsbromsen |
Endast
tillgänglig med PIN-kod
Tryck på menyåtkomstknappen i huvudskärmen för att få åtkomst till InfoCenters menysystem. Då kommer du till huvudmenyn. Se följande tabeller för en sammanfattning av vilka alternativ som finns tillgängliga från menyerna:
| Huvudmeny | |
| Menyobjekt | Beskrivning |
| Fel | Felmenyn innehåller en lista med de senaste maskinfelen som uppstått. Läs servicehandboken eller kontakta en auktoriserad Toro-återförsäljare för mer information om felmenyn och den information som finns där. |
| Service | Servicemenyn innehåller information om maskinen som t.ex. antal brukstimmar och andra liknande värden. |
| Diagnostik | Diagnostikmenyn visar statusen för alla brytare, givare och styruteffekt på maskinen. Du kan använda den här menyn för att felsöka vissa problem, eftersom du ser vilka maskinreglage som är på eller av. |
| Inställningar | Med hjälp av inställningsmenyn kan du anpassa och ändra konfigurationsvariabler på InfoCenter-skärmen. |
| Om | I menyn Om står maskinens modellnummer, artikelnummer och programvaruversion. |
| Service | |
| Menyobjekt | Beskrivning |
| Hours | Menyn Timmar anger det totala antal timmar som maskinen, motorn och kraftuttaget har varit på samt antalet timmar som maskinen har transporterats och när det är dags för service. |
| Antal | Menyn Antal anger händelser som maskinen har genomgått. |
| Diagnostik | |
| Menyobjekt | Beskrivning |
| Cutting Units | Anger indata, kvalificerare och utdata för höjning och sänkning av klippenheterna |
| Hi/Low Range | Anger indata, kvalificerare och utdata för körning i transportläge |
| Kraftuttag | Anger indata, kvalificerare och utdata för aktivering av PTO-kretsen |
| Engine Run | Anger indata, kvalificerare och utdata för start av motorn |
| Backlap | Anger indata, kvalificerare och utdata för hantering av slipningsfunktionen |
| Inställningar | |
| Menyobjekt | Beskrivning |
| Enheter | Styr enheterna som används på InfoCenter. Menyalternativen är brittiska standardenheter eller metriska |
| Språk | Styr språken som används på InfoCenter* |
| Bakgrundsbelysning | Styr LCD-skärmens ljusstyrka |
| Kontrast | Styr LCD-skärmens kontrast |
| Cylinderhastighet för främre slipningsspak | Styr hastigheten hos de främre cylindrarna i slipningsläge |
| Cylinderhastighet för bakre slipningsspak | Styr hastigheten hos de bakre cylindrarna i slipningsläge |
| Låsta menyer | Ger arbetsledaren/mekanikern åtkomst till låsta menyer med hjälp av ett lösenord |
Auto. tomgång ![]() | Styr den tid det tar innan motorn går på låg tomgång när maskinen inte används |
Antal knivar ![]() | Styr antalet knivar på cylindern för cylinderhastighet |
Klipphast. ![]() | Styr markhastigheten för bestämning av cylinderhastigheten |
Klipphöjd ![]() | Styr klipphöjden för bestämning av cylinderhastigheten |
Varvtal för främre cylinder ![]() | Visar de främre cylindrarnas beräknade hastighet. Cylindrarna kan också justeras manuellt |
Varvtal för bakre cylinder ![]() | Visar de bakre cylindrarnas beräknade hastighet. Cylindrarna kan också justeras manuellt |
* Endast text som är riktad till föraren är översatt. Skärmarna Fel, Service och Diagnostik visas vid service. Rubrikerna är på det valda språket, men menyobjekten är på engelska.
Låst
under Låsta menyer – endast tillgänglig med PIN-kod
| Om | |
| Menyobjekt | Beskrivning |
| Modell | Visar maskinens modellnummer |
| Art.nr | Visar maskinens artikelnummer |
| Maskinstyrenhetens versionsnummer | Visar versionsnumret för masterstyrenheten |
| InfoCenter-versionsnummer | Visar versionsnumret för InfoCenter |
| CAN-buss | Visar status för maskinens kommunikationsbuss |
Det finns fem inställningar för driftskonfigurering som kan justeras på inställningsmenyn i InfoCenter: Antal knivar, Klipphast., Klipphöjd, Varvtal för främre cylinder och Varvtal för bakre cylinder. Du kan spärra dessa inställningar med hjälp av den låsta menyn.
Note: Den initiala lösenordskoden har programmerats av återförsäljaren vid leverans.
Från huvudmenyn bläddrar du ned till inställningsmenyn och trycker på högerknappen.
I huvudmenyn bläddrar du ned till den låsta menyn och trycker på högerknappen.
För att ange lösenordet använder du mittknappen för att ange den första siffran och trycker på högerknappen för att gå till nästa siffra.
Använd mittknappen för att ange den andra siffran och tryck sedan på högerknappen för att gå till nästa siffra.
Använd mittknappen för att ange den tredje siffran och tryck sedan på högerknappen för att gå till nästa siffra.
Använd mittknappen för att ange den fjärde siffran och tryck sedan på högerknappen.
Tryck på mittknappen för att ange koden.
Om koden bekräftas och den låsta menyn är Upplåst visas PIN längst upp till höger på displayskärmen.
Möjligheten att visa och ändra inställningarna i den låsta menyn kan ändras. När den låsta menyn har öppnats bläddrar du ned till Lås inställn. Om du ändrar Lås inställn. till AV med hjälp av högerknappen kan du visa och ändra inställningarna på den låsta menyn utan att ange lösenordet. Om du ändrar Lås inställn. till PÅ döljs de låsta alternativen och du måste ange ett lösenord för att ändra inställningarna i den låsta menyn. När lösenordet har ställts in måste tändningslåset stängas av och slås på igen för att funktionen ska sparas.
Note: Kontakta återförsäljaren om du har glömt eller tappat bort lösenordet.
Bläddra ned till Auto. tomgång i inställningsmenyn.
Tryck på högerknappen för att ändra tiden för automatisk tomgång mellan AV, 8 s, 10 s, 15 s, 20 s och 30 s.
Bläddra till Antal knivar på inställningsmenyn.
Tryck på högerknappen för att ändra antal knivar till 5, 8 eller 11 knivar.
Bläddra till Klipphast. på inställningsmenyn.
Tryck på högerknappen för att välja klipphastighet.
Välj lämplig klipphastighet för gaspedalens mekaniska klipphastighetsbegränsare med hjälp av mitten- och högerknappen.
Avsluta och spara klipphastighetsinställningen genom att trycka på vänsterknappen.
Bläddra till Klipphöjd på inställningsmenyn.
Välj Klipphöjd genom att trycka på högerknappen.
Välj lämplig klipphöjdsinställning med hjälp av mitten- och högerknappen.
Note: Om den exakta inställningen inte visas väljer du närmaste klipphöjdsinställning i listan som visas.
Avsluta och spara klipphöjdsinställningen genom att trycka på vänsterknappen.
Hastigheten för de främre och bakre cylindrarna beräknas utifrån den information om antal knivar, klipphastighet och klipphöjd som anges i InfoCenter, men du kan även ändra inställningen manuellt och därmed anpassa den efter olika klippförhållanden.
Bläddra till varvtalet för främre cylinder och/eller varvtalet för bakre cylinder.
Ändra värdet för cylinderhastighet genom att trycka på högerknappen. När hastighetsinställningen ändras kommer det värde för cylinderhastighet som har beräknats utifrån angiven information om antal knivar, klipphastighet och klipphöjd fortsätta att visas på displayen tillsammans med det nya värdet.
Note: Delarnas specifikationer och utformning kan ändras utan föregående meddelande.
| Klippbredd, 69 cm breda klippenheter | 307 cm |
| Klippbredd, 81 cm breda klippenheter | 320 cm |
| Total maskinbredd med klippenheterna (69 cm) nedsänkta | 345 cm |
| Total maskinbredd med klippenheterna (81 cm) nedsänkta | 358 cm |
| Total maskinbredd med klippenheterna upplyfta (transport) | 239 cm |
| Total längd | 370 cm |
| Höjd med vältskydd | 220 cm |
| Bandbredd, fram | 229 cm |
| Bandbredd, bak | 141 cm |
| Hjulbas | 171 cm |
| Nettovikt (utan klippenheter och vätskor) | 1 574 kg |
Det finns ett urval av godkända Toro-redskap och -tillbehör som du kan använda för att förbättra och utöka maskinens kapacitet. Kontakta en auktoriserad serviceverkstad eller Toro-återförsäljare eller gå till www.Toro.com för att se en lista över alla godkända redskap och tillbehör.
Använd endast originalreservdelar och tillbehör från Toro för att garantera optimal prestanda och fortlöpande säkerhet för produkten. Det kan vara farligt att använda reservdelar och tillbehör från andra tillverkare och det kan göra produktgarantin ogiltig.
Note: Vänster och höger sida på maskinen är lika med förarens vänstra respektive högra sida vid normal körning.
Låt aldrig barn eller någon som inte har fått utbildning använda eller utföra underhåll på maskinen. Lokala föreskrifter kan begränsa förarens ålder. Det är ägaren som ansvarar för att utbilda alla förare och mekaniker.
Lär dig hur du använder utrustningen på ett säkert sätt och bekanta dig med manöverorgan och säkerhetsskyltar.
Stäng av motorn, ta ut nyckeln (i förekommande fall) och vänta tills alla rörliga delar har stannat innan du kliver ur förarsätet. Låt maskinen svalna innan du utför service, justerar, rengör eller ställer den i förvar.
Lär dig att stanna maskinen och stänga av motorn snabbt.
Kör endast maskinen om skydd och andra säkerhetsanordningar sitter på plats och fungerar.
Före klippning ska du alltid kontrollera att klippenheterna är i gott fungerande skick.
Inspektera området där maskinen ska användas och ta bort föremål som maskinen kan slunga iväg.
Var ytterst försiktig när du hanterar bränsle. Det är brandfarligt och dess ångor är explosiva.
Släck alla cigaretter, cigarrer, pipor och allt annat som brinner.
Använd endast en godkänd bränsledunk.
Ta inte bort tanklocket och fyll inte på bränsle i bränsletanken medan motorn är igång eller fortfarande är varm.
Fyll inte på eller tappa ut bränsle från maskinen i ett slutet utrymme.
Förvara inte maskinen eller bränslebehållaren i närheten av en öppen låga, gnista eller tändlåga, t.ex. nära en varmvattenberedare eller någon annan utrustning.
Om du spiller ut bränsle ska du inte försöka starta motorn. Undvik att skapa några gnistor tills bränsleångorna har skingrats.
| Underhållsintervall | Underhållsförfarande |
|---|---|
| Varje användning eller dagligen |
|
Innan maskinen startas varje dag ska Varje användning/dagligen-procedurerna utföras som anges i .
83 liter
Underlåtenhet att följa nedanstående försiktighetsåtgärder kan skada motorn.
Använd aldrig fotogen eller bensin istället för dieselbränsle.
Blanda aldrig fotogen eller använd motorolja med dieselbränslet.
Förvara aldrig bränsle i behållare med zinkplätering på insidan.
Använd inte bränsletillsatser.
Använd endast rent diesel eller biodiesel med lågt (<500 ppm) eller mycket lågt (<15 ppm) svavelinnehåll. Minsta cetantal ska vara 40. Köp inte mer bränsle än vad som går åt inom 180 dagar, så är det garanterat färskt.
Använd diesel för sommarbruk (nr 2-D) vid temperaturer över −7 °C och diesel för vinterbruk (nr 1-D eller en blandning av nr 1-D/2-D) under −7 °C. Användning av bränsle för vinterbruk vid lägre temperaturer ger lägre flampunkts- och flytpunktsegenskaper, vilket gör att maskinen startar lättare och att bränslefiltret inte sätts igen lika mycket.
Om bränsle för sommarbruk används vid temperaturer över −7 °C bidrar det till att pumpen håller längre och har större effekt jämfört med bränsle för vinterbruk.
Maskinen kan också använda ett biodieselbränsle, upp till B20 (20 % biodiesel, 80 % petrodiesel). Petrodieselandelens svavelhalt ska vara låg eller mycket låg. Vidta följande säkerhetsåtgärder:
Specifikation för biodieselbränsle: ASTM D6751 eller SS-EN 14214
Specifikation för bränsleblandning: ASTM D975 eller SS-EN 590
Vidta följande säkerhetsåtgärder:
Biodieselblandningar kan skada målade ytor.
Använd B5 (andel biodiesel är 5 %) eller blandningar med mindre biodieselandel vid kallt väder.
Kontrollera alla tätningar, slangar och packningar som kommer i kontakt med bränslet eftersom de kan försämras med tiden.
Bränslefiltret på maskinen kan bli igensatt ett tag efter byte till biodieselblandningar.
Kontakta en auktoriserad Toro-återförsäljare för mer information om biodiesel.
Parkera maskinen på ett plant underlag, sänk ner klippenheterna, stäng av motorn och ta ut nyckeln.
Gör rent runt tanklocket med hjälp av en ren trasa.
Ta bort locket från bränsletanken (Figur 33).

Fyll tanken med bränsle tills nivån ligger precis vid påfyllningsrörets nedersta del.
Sätt tillbaka tanklocket och dra åt ordentligt när du har fyllt på tanken.
Note: Fyll om möjligt på tanken varje gång maskinen har använts. Detta minimerar eventuell ansamling av kondens i bränsletanken.
Ägaren/operatören kan förebygga olyckor samt ansvarar för olyckor som kan ge upphov till personskador eller skador på egendom.
Använd lämpliga kläder, inklusive ögonskydd, långbyxor, rejäla och halkfria skor samt hörselskydd. Sätt upp långt hår och använd inte hängande smycken eller löst sittande kläder.
Kör inte maskinen om du är sjuk, trött eller påverkad av alkohol eller läkemedel.
Var fullt koncentrerad på maskinen när du använder den. Delta inte i aktiviteter som kan distrahera dig, eftersom personskador eller skador på egendom då kan uppstå.
Se till att alla drivenheter är i neutralläge, parkeringsbromsen är inkopplad och att du sitter i förarsätet innan du startar motorn.
Skjutsa inte passagerare på maskinen och håll kringstående och barn på säkert avstånd från arbetsområdet.
Använd endast maskinen om du har god sikt, så att du kan undvika gropar och dolda faror.
Undvik att klippa vått gräs. Försämrat grepp kan göra att maskinen glider.
Håll händer och fötter borta från klippenheterna.
Titta bakåt och nedåt innan du backar för att se till att vägen är fri.
Var försiktig när du närmar dig hörn med skymd sikt, buskage, träd eller andra objekt som kan försämra sikten.
Stoppa klippenheterna om du inte klipper.
Sakta ned och var försiktig när du svänger och korsar vägar och trottoarer med maskinen. Lämna alltid företräde.
Kör endast motorn i välventilerade utrymmen. Avgaser innehåller koloxid, vilket är dödligt om det andas in.
Lämna inte en maskin som är i gång utan uppsikt.
Gör följande innan du kliver ur förarsätet:
Ställ maskinen på ett plant underlag.
Lossa klippenheterna och sänk ned redskapen.
Koppla in parkeringsbromsen.
Stäng av motorn och ta ut nyckeln (i förekommande fall).
Vänta tills alla rörelser har upphört.
Använd endast maskinen när sikten och väderförhållandena är goda. Använd inte maskinen när det finns risk för blixtnedslag.
Ta inte bort vältskyddet från maskinen.
Kontrollera att säkerhetsbältet är fastspänt och att du kan knäppa upp det snabbt i en nödsituation.
Var mycket uppmärksam på hinder som kan finnas ovanför dig och vidrör dem inte.
Håll vältskyddet i säkert bruksskick genom att regelbundet inspektera det noga och kontrollera att det inte är skadat samt hålla alla fästelement åtdragna.
Byt ut ett skadat vältskydd. Reparera eller ändra det inte.
Använd alltid säkerhetsbältet när störtbågen är uppfälld.
Vältskyddet är en inbyggd säkerhetsanordning. Håll den fällbara störtbågen i upprätt låst läge, och använd säkerhetsbältet när du kör maskinen med störtbågen uppfälld.
Störtbågen ska endast fällas ned tillfälligt när så behövs. Använd inte säkerhetsbältet när störtbågen är nedfälld.
Tänk på att det inte finns något vältskydd när störtbågen är nedfälld.
Kontrollera området som ska klippas och ha aldrig störtbågen nedfälld i närheten av sluttningar, stup eller vattendrag.
Sluttningar är en betydande faktor vid olyckor som orsakas av att föraren förlorat kontrollen eller att maskinen välter, vilket kan innebära livsfara eller leda till allvarliga personskador. Det är föraren som är ansvarig för säker manövrering i sluttningar. Du måste vara extra försiktig när du kör maskinen i en sluttning.
Utvärdera förhållandena på platsen för att bedöma om sluttningen är säker för körning av maskinen, bland annat genom att undersöka hela arbetsplatsen. Använd alltid sunt förnuft och ett gott omdöme när du utför kontrollen.
Gå igenom instruktionerna för körning av maskinen i sluttningar i bruksanvisningen och beakta de förhållanden som du ska köra maskinen under för att fastställa om maskinen kan användas under de förhållanden som råder på den platsen och den dagen. Förändringar i terrängen kan leda till att maskinens manövrering i sluttningar förändras.
Undvik att starta, stänga av eller svänga med maskinen i sluttningar. Undvik att göra plötsliga ändringar i hastighet eller riktning. Sväng långsamt och successivt.
Använd inte maskinen under förhållanden där det råder tvekan om dragkraft, styrning eller stabilitet.
Avlägsna eller märk ut hinder såsom diken, hål, fåror, gupp, stenar och andra dolda faror. Det kan finnas dolda hinder i högt gräs. Ojämn terräng kan göra att maskinen välter.
Observera att maskinen kan tappa drivkraft om maskinen körs på vått gräs, tvärs över sluttningar eller nedför en sluttning. Drivhjul som tappar drivkraft kan leda till att maskinen glider och att du förlorar kontrollen över bromsning och styrning.
Var mycket försiktig när du använder maskinen nära stup, diken, flodbäddar, farliga vattendrag eller andra faror. Maskinen kan välta plötsligt om ett hjul kör över en kant eller kanten ger med sig. Håll ett säkert avstånd mellan maskinen och riskfyllda områden.
Identifiera faror nere vid slutet av sluttningen. Klipp sluttningen med en handgräsklippare om det finns faror.
Om möjligt ska klippenheterna hållas nedsänkta mot marken när du kör maskinen i sluttningar. Om klippenheterna höjs vid körning i sluttningar kan maskinen bli ostadig.
Var mycket försiktig när du använder gräsuppsamlingssystem och andra redskap. Dessa kan ändra maskinens stabilitet och leda till att du förlorar kontrollen.
Important: Lufta bränslesystemet om något av följande har inträffat:
Motorn har stannat till följd av att bränslet har tagit slut.
Underhåll har utförts på komponenter i bränslesystemet.
Ta bort foten från gaspedalen och kontrollera att pedalen är i NEUTRALLäGET.
Note: Kontrollera att parkeringsbromsen är inkopplad.
För motorhastighetsknappen till läget för LåG TOMGåNG.
Vrid nyckeln till KöRLäGET.
Note: Glödstiftsindikatorn tänds.
Vrid nyckeln till STARTLäGET när glödstiftsindikatorn slocknar.
Släpp nyckeln omedelbart när motorn startar och låt den gå tillbaka till KöRLäGET.
Justera motorhastigheten.
Important: Kör inte startmotorn i mer än 15 sekunder åt gången, annars kan den gå sönder i förtid. Om motorn inte startar efter 15 sekunder vrider du nyckeln till AVSTäNGT läge. Undersök reglagen och procedurerna igen, vänta i ytterligare 15 sekunder och upprepa startproceduren.
Om temperaturen är under –7 °C kan startmotorn vara på i 30 sekunder och sedan vara avstängd i 60 sekunder under två försök.
Kontakt med rörliga delar kan orsaka personskador.
Stäng av motorn och vänta tills samtliga rörliga delar har stannat innan du kontrollerar om det finns oljeläckor, lösa delar eller andra problem.
Important: Låt motorn gå på tomgång i fem minuter innan du stänger av den efter arbete under full belastning. Detta gör att turboladdaren hinner svalna innan motorn stängs av. Om detta inte görs kan det resultera i turboladdningsproblem.
Note: Sänk ned klippenheterna till marken när du parkerar maskinen. Detta frigör den hydrauliska belastningen från systemet, förhindrar slitage på systemets delar och förebygger även att klippenheterna sänks ned av misstag.
Ställ motorn i låg tomgång igen.
För kraftuttagsbrytaren till URKOPPLAT läge.
Koppla in parkeringsbromsen.
Vrid tändningsnyckeln till AV.
Ta ut nyckeln ur tändningslåset för att undvika oavsiktlig start.
Du kan justera motvikten på den bakre klippenhetens lyftarmar för att kompensera för olika gräsförhållanden och bibehålla en jämn klipphöjd även om marken är ojämn eller i områden med mycket torrt gräs.
Varje motviktsfjäder kan justeras till en av fyra inställningar. För varje steg ökas eller minskas klippenhetens motvikt med 2,3 kg. Du kan placera fjädrarna på baksidan av det första fjäderdonet för att eliminera all motvikt (fjärde läget).
Parkera maskinen på ett plant underlag, sänk ned klippenheterna, koppla in parkeringsbromsen, stäng av motorn och ta ut nyckeln.
Sätt i ett rör eller liknande i den långa fjäderänden för att minska fjädrarnas spänning under justeringen (Figur 34).
Fjädrarna är spända och kan orsaka personskada.
Var försiktig när du justerar fjädrarna.
När du minskar fjädrarnas spänning ska du ta bort skruven och låsmuttern som håller fast fjäderdonet på fästet (Figur 34).

Flytta fjäderdonet till det hål som önskas och fäst det med en låsmutter.
Upprepa proceduren på den återstående fjädern.
Parkera maskinen på ett plant underlag, sänk ned klippenheterna, koppla in parkeringsbromsen, stäng av motorn och ta ut nyckeln.
Lyftarmsbrytaren sitter bakom den främre högra lyftarmen (Figur 35).

Lossa brytarens fästskruvar (Figur 35) och flytta upp brytaren för att öka lyftarmens vändhöjd eller flytta ned den för att minska vändhöjden.
Dra åt fästskruvarna.
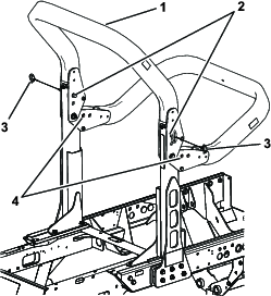
Du kan fälla ned störtbågen för att komma åt områden där höjden är begränsad.
Maskinen har inget vältskyddssystem när störtbågen är nedfälld och ska inte betraktas som ett vältskyddssystem.
Bär inte säkerhetsbälte när störtbågen är nedfälld.
Parkera maskinen på ett plant underlag, sänk ned klippenheterna, koppla in parkeringsbromsen, stäng av motorn och ta ut nyckeln.
Stötta den övre störtbågsramens vikt samtidigt som du tar bort låssprintarna och sprintbultarna från tappfästena (Figur 36).

Sänk försiktigt ner ramen tills den vilar på stoppen.
För in sprintbultarna i de nedre hålen och fäst med låssprintarna så att den övre ramen stöttas i sitt nedsänkta läge.
Utför dessa instruktioner i omvänd ordning för att höja ramen.
Vältskyddssystemet kanske inte är effektivt om vältskyddets fästbultsenheter är lösa, vilket kan orsaka allvarliga personskador eller dödsfall vid vältning.
Du måste montera och dra åt båda fästskruvarna helt i det upphöjda läget för att erhålla ett fullgott vältskydd.
När du höjer och sänker vältskyddet kan fingrarna hamna i kläm mellan maskinen och vältskyddet.
När du höjer och sänker störtbågen ska du vara försiktig så att du inte klämmer fingrarna mellan strukturens fasta och rörliga delar.
Håll samtliga muttrar, bultar och skruvar korrekt åtdragna för att säkerställa att utrustningen är i säkert bruksskick.
Byt ut slitna och skadade delar så att maskinen går att använda på ett säkert sätt.
Kontrollera att säkerhetsbältet och fästelementen är i säkert bruksskick.
Använd säkerhetsbälte när störtbågen är uppfälld och inget säkerhetsbälte när störtbågen är nedfälld.
Important: Störtbågen är en integrerad säkerhetsanordning. Ha störtbågen i det uppfällda läget när du använder klipparen. Fäll ned störtbågen tillfälligt endast när det är absolut nödvändigt.
| Underhållsintervall | Underhållsförfarande |
|---|---|
| Varje användning eller dagligen |
|
Om säkerhetsbrytarna är frånkopplade eller skadade kan maskinen plötsligt aktiveras vilket i sin tur kan leda till personskador.
Gör inga otillåtna ändringar på säkerhetsbrytarna.
Kontrollera säkerhetsbrytarnas funktion dagligen och byt ut eventuella skadade brytare innan maskinen körs.
Maskinen har säkerhetsbrytare i det elektriska systemet. Dessa brytare ska stänga av motorn när du kliver ur förarsätet när gaspedalen är nedtryckt. Du kan dock resa dig från sätet medan motorn är igång om gaspedalen är i neutralläget. Även om motorn fortsätter att vara igång om du kopplar ur kraftuttagsbrytaren och har släppt upp gaspedalen ska du stänga av motorn innan du kliver ur sätet.
För att kontrollera säkerhetsbrytarnas funktion utför du följande steg:
Kör maskinen sakta till ett stort, relativt öppet område.
Sänk ned klippenheterna, stäng av motorn och koppla in parkeringsbromsen.
Sitt på sätet och tryck på gaspedalen.
Försök att starta motorn.
Note: Motorn ska inte gå runt. Om motorn dras runt är det fel på säkerhetssystemet. Åtgärda det innan maskinen används.
Sitt på sätet och starta motorn.
Res dig från sätet och för kraftuttagsbrytaren till läget på.
Note: Kraftuttaget ska inte kopplas in. Om kraftuttaget kopplas in är det fel på säkerhetssystemet. Åtgärda det innan maskinen används.
Sitt på sätet, koppla in parkeringsbromsen och starta motorn.
Flytta gaspedalen så att den inte ligger i NEUTRALLäGET.
Note: Motorn ska stängas av. Om motorn inte stängs av är det fel på säkerhetssystemet. Åtgärda det innan maskinen används.
Öva dig på att köra maskinen på ett öppet område innan du klipper gräs med den för första gången. Starta och stäng av motorn. Kör framåt och backa. Sänk och höj klippenheterna och koppla in och ur cylindrarna. När du har bekantat dig med maskinen övar du på att köra uppför och nedför sluttningar med olika hastigheter.
Om en varningslampa tänds under drift ska maskinen stannas omedelbart och problemet åtgärdas innan driften återupptas. Om maskinen körs med ett funktionsfel kan allvarliga skador uppstå.
Starta motorn och sätt motorhastighetsknappen i det SNABBA läget. För klipphastighetsbegränsaren till KLIPPLäGET. För kraftuttagsbrytaren till det INKOPPLADE läget och använd lyftbrytaren för att styra klippenheterna (de främre klippenheterna är inställda så att de sänks före de bakre klippenheterna). Tryck gaspedalen framåt för att köra framåt och klippa gräset.
För kraftuttagsbrytaren till det URKOPPLADE läget och höj upp klippenheterna till transportläget. För klipphastighetsbegränsaren till transportläget. Var försiktig när du kör mellan föremål så att du inte skadar maskinen eller klippenheterna av misstag. Var extra försiktig när du kör maskinen på lutande underlag. Kör sakta och undvik tvära svängar i sluttningar så att du inte välter.
Stäng av motorn, ta ut nyckeln (i förekommande fall) och vänta tills alla rörliga delar har stannat innan du kliver ur förarsätet. Låt maskinen svalna innan du justerar, servar, rengör eller ställer den i förvaring.
Ta bort gräs och skräp från klippenheterna, drivhjulen, ljuddämparna, kylgallren och motorrummet för att undvika eldsvåda. Torka upp eventuellt olje- eller bränslespill.
Stäng av bränsletillförseln på maskinen vid förvaring eller under transport.
Koppla ur redskapets drivning när du transporterar maskinen eller inte använder den.
Underhåll och rengör säkerhetsbälten vid behov.
Förvara inte maskinen eller bränslebehållaren i närheten av en öppen låga, gnista eller tändlåga, t.ex. nära en varmvattenberedare eller annan utrustning.
Använd ramper i fullbredd när du lastar maskinen på en släpvagn eller lastbil.
Bind fast maskinen så att den sitter säkert.
Fästpunkterna finns på följande platser:
På varje sida om ramen bakom de främre stegen.
Bakre kofångare

Note: Stötta upp maskinen med pallbockar när du arbetar under maskinen.
Domkraftspunkterna finns på följande platser:
Framtill på maskinen, på ramen till respektive drivhjul (insida).
Baktill på maskinen, vid axelcentrum
I nödfall kan du skjuta maskinen framåt genom att aktivera förbikopplingsventilen i den varierbara hydraulpumpen och sedan ansluta en hydraulslang som förbikopplar backventilen, och därefter knuffa eller bogsera maskinen.
Important: Skjut eller bogsera inte maskinen snabbare än 3–4,8 km/h och inte längre än 400 m eftersom transmissionen kan skadas. Förbikopplingsventilen måste alltid vara öppen när maskinen knuffas eller bogseras. Dessutom måste du montera en hydraulslang som kopplar förbi backventilen när du knuffar eller bogserar maskinen bakåt.
Om du behöver knuffa eller bogsera maskinen kommer du förmodligen att behöva flytta den både framåt och bakåt. Det är bäst att se till att maskinen kan knuffas eller bogseras både framåt och bakåt för att säkerställa att den inte skadas under åtgärden.
Important: Om du behöver knuffa eller bogsera maskinen bakåt måste du först koppla förbi backventilen i fyrhjulsdrivningens grenrör.
Följande Toro-delar behövs för att förbikoppla backventilen:
Toro-artikelnr 59-7410, diagnoskoppling
Toro-artikelnr 354-79, lock till diagnoskoppling
Toro-artikelnr 95-8843, hydraulslang
Toro-artikelnr 95-0985, koppling (2)
Toro-artikelnr 340-77, hydraulkoppling (2)
Montera en diagnoskoppling i den omarkerade porten som sitter mellan portarna M8 och P2 på det bakre grenröret (Figur 38).

Anslut en hydraulslang mellan diagnoskopplingen som monterades i det bakre grenröret och tryckkontrollporten för backdrift (Figur 39).
Note: Använd de hydraulkopplingar och kopplingar som behövs för att montera slangen.

Vrid förbikopplingsventilen 90° (¼ varv) i endera riktningen för att öppna den så att vätska kan avledas internt (Figur 40).
Note: Eftersom vätskan leds förbi transmissionen kan du flytta maskinen långsamt utan att transmissionen skadas.Observera ventilens läge när du öppnar och stänger den.

När du har knuffat eller bogserat klart maskinen tar du bort hydraulslangen som du monterade.
Sätt på det befintliga locket på tryckkontrollporten för backdrift.
Sätt på diagnoskopplingslocket på kopplingen som du monterade på grenröret.
Vrid överströmningsventilen 90° (¼ varv) innan motorn startas.
Note: Använd ett åtdragningsmoment på högst 7–11 N·m för att stänga ventilen.
Om du endast behöver knuffa eller bogsera maskinen framåt räcker det med att vrida på överströmningsventilen.
Important: Se Förbereda maskinen för att bli knuffad eller bogserad bakåt om du behöver knuffa eller bogsera maskinen bakåt.
Öppna huven och avlägsna det mittersta höljet.
Vrid förbikopplingsventilen 90° (¼ varv) i endera riktningen för att öppna den så att vätska kan avledas internt (Figur 40).
Note: Eftersom vätskan leds förbi transmissionen kan du flytta maskinen framåt långsamt utan att transmissionen skadas.Observera ventilens läge när du öppnar och stänger den.
Vrid överströmningsventilen 90° (¼ varv) innan motorn startas.
Note: Använd ett åtdragningsmoment på högst 7–11 N·m för att stänga ventilen.
Note: Vänster och höger sida på maskinen motsvarar förarens vänstra respektive högra sida vid normal körning.
Innan du kliver ur förarsätet ska du göra följande:
Ställ maskinen på ett plant underlag.
Lossa klippenheterna och sänk ned redskapen.
Koppla in parkeringsbromsen.
Stäng av motorn och ta ut nyckeln (i förekommande fall).
Vänta tills alla rörelser har upphört.
Låt maskinens komponenter svalna innan du utför underhåll.
Utför om möjligt inget underhåll på maskinen medan motorn är igång. Håll dig på avstånd från rörliga delar.
Stötta upp maskinen med pallbockar när du arbetar under maskinen.
Lätta försiktigt på trycket i komponenter med lagrad energi.
Håll alla maskindelar i gott bruksskick och samtliga fästelement åtdragna.
Byt ut alla slitna eller skadade dekaler.
Använd endast originalreservdelar och tillbehör från Toro för att garantera en säker, optimal prestanda för maskinen. Det kan vara farligt att använda reservdelar från andra tillverkare och det kan göra produktgarantin ogiltig.
| Underhållsintervall | Underhållsförfarande |
|---|---|
| Efter de första 8 timmarna |
|
| Efter de första 200 timmarna |
|
| Varje användning eller dagligen |
|
| Var 50:e timme |
|
| Var 100:e timme |
|
| Var 200:e timme |
|
| Var 250:e timme |
|
| Var 400:e timme |
|
| Var 800:e timme |
|
| Var 1000:e timme |
|
| Var 2000:e timme |
|
| Före förvaring |
|
Kopiera sidan och använd den regelbundet.
| Kontrollpunkt | Vecka: | ||||||
|---|---|---|---|---|---|---|---|
| Mån. | Tis. | Ons. | Tors. | Fre. | Lör. | Sön. | |
| Kontrollera säkerhetsbrytarnas funktion. | |||||||
| Kontrollera bromsens funktion. | |||||||
| Kontrollera motoroljenivån och bränslenivån. | |||||||
| Kontrollera kylvätskenivån. | |||||||
| Töm vatten-/bränsleseparatorn. | |||||||
| Kontrollera luftfiltrets serviceindikator. | |||||||
| Undersök om det finns skräp i kylaren, oljekylaren eller filtret. | |||||||
| Undersök ovanliga motorljud.1 | |||||||
| Undersök missljud vid körning/användning. | |||||||
| Kontrollera hydraulsystemets vätskenivå. | |||||||
| Kontrollera att det inte finns skador på hydraulslangarna. | |||||||
| Kontrollera att systemet inte har några oljeläckor. | |||||||
| Kontrollera däcktrycket. | |||||||
| Kontrollera instrumentfunktionen. | |||||||
| Kontrollera justeringen av cylinder mot underkniv. | |||||||
| Kontrollera klipphöjdsinställningen. | |||||||
| Smörj alla smörjnipplar.2 | |||||||
| Bättra på skadad lack. | |||||||
| Tvätta maskinen. | |||||||
|
1. Kontrollera glödstiftet och insprutarmunstyckena om motorn är svår att starta, ryker mycket eller går ojämnt. |
|||||||
|
2. Omedelbart efter varje tvätt, oavsett intervallet i listan |
|||||||
| Kontrollen utförd av: | ||
| Artikel | Datum | Information |
| 1 | ||
| 2 | ||
| 3 | ||
| 4 | ||
| 5 | ||
| 6 | ||
| 7 | ||
| 8 | ||
Important: Se bruksanvisningen till motorn respektive klippenheterna för ytterligare underhållsförfaranden.
Note: Hämta en kostnadsfri kopia av elschemat eller hydraulschemat genom att gå till www.Toro.com, klicka på länken till manualerna och sök efter din maskin.
| Underhållsintervall | Underhållsförfarande |
|---|---|
| Var 50:e timme |
|
Maskinen har smörjnipplar som måste smörjas regelbundet med fett nr 2 på litiumbas. Om du använder maskinen under normala förhållanden ska samtliga lager och bussningar smörjas var 50:e körtimme eller omedelbart efter varje tvätt.
Smörjnipplarnas placering och antal är som följer:
Bromsaxelns lager (5) (Figur 41)

Bakre axeltappsbussningar (2) (Figur 42)

Styrcylinders kulleder (2) (Figur 43)

Fästanordningarnas kulleder (2) (Figur 43)
Axeltappsbussningar (2) (Figur 43). Den översta nippeln på axeltappen ska bara smörjas en gång om året (2 pumpningar).
Lyftarmsbussningar (en per klippenhet) (Figur 44)

Lyftcylinderbussningar (två per klippenhet) (Figur 44)
Lyftarmens vridfästebussningar (en per klippenhet) (Figur 45)
Klippenhetens bärramar (två per klippenhet) (Figur 45)
Klippenhetens lyftarmsvridfäste (ett per klippenhet) (Figur 45)

Stäng av motorn innan du kontrollerar oljenivån eller fyller på olja i vevhuset.
Ändra inte varvtalshållarens inställning och övervarva inte motorn.
| Underhållsintervall | Underhållsförfarande |
|---|---|
| Var 400:e timme |
|
Undersök om luftrenarhuset har skador som skulle kunna orsaka en luftläcka. Byt ut den om den är skadad. Kontrollera hela intagssystemet och leta efter läckor, skador eller lösa slangklämmor.
Utför service på luftrenarfiltret bara när serviceindikatorn (Figur 46) anger att det krävs. Om du byter ut luftfiltret tidigare ökar det risken för att smuts kommer in i motorn när filtret tas bort.

Important: Säkerställ att kåpan sitter som den ska och sluter tätt runt luftrenarhuset.
Parkera maskinen på ett plant underlag, sänk ned klippenheterna, koppla in parkeringsbromsen, stäng av motorn och ta ut nyckeln.
Dra ut spärren och vrid luftrenarkåpan motsols (Figur 47).

Ta bort kåpan från luftrenaren.
Använd lågtrycksluft (2,76 bar, ren och torr) innan du avlägsnar filtret för att ta bort stora ansamlingar skräp som packats mellan huvudfiltrets utsida och skålen. Undvik att använda högtrycksluft eftersom den kan tvinga smutsen genom filtret och in i luftintagsröret.
Denna rengöringsprocess förhindrar att det kommer in skräp i luftintaget när huvudfiltret tas bort.
Ta bort och byt ut huvudfiltret (Figur 48).
Vi rekommenderar inte att du rengör det använda filtret eftersom det då finns risk för att filtret skadas. Undersök om det nya filtret har några transportskador genom att kontrollera filtrets förseglade ände och själva filtret. Använd inte ett skadat filter.
Sätt i det nya filtret genom att trycka på dess yttre kant för att fästa det i skålen. Tryck inte mitt på filtret där det är böjligt.

Important: Försök aldrig att rengöra säkerhetsfiltret (Figur 49). Byt ut säkerhetsfiltret mot ett nytt var tredje gång huvudfiltret servas.

Rengör smutsutblåsningens öppning i den avtagbara kåpan.
Demontera gummiutloppsventilen från kåpan, rengör håligheten och montera utloppsventilen.
Montera kåpan med gummiutloppsventilen i nedåtläge – mellan cirka klockan 5 till klockan 7 sett från änden.
Nollställ indikatorn (Figur 46) om den är röd.
| Underhållsintervall | Underhållsförfarande |
|---|---|
| Varje användning eller dagligen |
|
Motorn levereras med olja i vevhuset. Oljenivån måste dock kontrolleras innan och efter motorn startas första gången.
Vevhusets kapacitet är ca 9,5 liter med filter.
Använd högkvalitativ motorolja som uppfyller följande specifikationer:
Nödvändig API-klassificering: CH-4, CI-4 eller högre.
Rekommenderad olja: SAE 15W-40 (över −18 °C)
Alternativ olja: SAE 10W-30 eller 5W-30 (alla temperaturer)
Note: Toro Premium-motorolja med oljeviskositet på 15W-40 eller 10W-30 kan köpas hos din återförsäljare.
Note: Det är bäst att kontrollera motoroljan när motorn är kall, innan den har startats för dagen. Om motorn redan har varit igång, ska du låta oljan rinna tillbaka ned till sumpen i minst 10 minuter innan du kontrollerar den. Fyll på olja tills nivån når upp till markeringen ”Full” på oljestickan om nivån ligger på eller under markeringen ”Add”. Fyll inte på för mycket i motorn. Du behöver inte fylla på olja om nivån ligger mellan markeringarna Full och Add.
Parkera maskinen på ett plant underlag, sänk ned klippenheterna, koppla in parkeringsbromsen, stäng av motorn och ta ut nyckeln.
Lossa motorhuvsspärrarna och öppna huven (Figur 50).

Ta ut oljestickan, torka av den, sätt tillbaka den i röret och dra ut den igen.
Oljenivån ska ligga inom de säkra markeringarna (Figur 51).

Om oljenivån ligger under den säkra markeringen tar du av påfyllningslocket (Figur 52) och fyller på olja tills nivån når markeringen Full.
Important: Fyll inte på för mycket i motorn.

Note: När du använder annan olja, bör du tappa ut all gammal olja ur vevhuset innan du fyller på ny olja.
Sätt tillbaka påfyllningslocket och oljestickan.
Stäng huven och lås den med spärrarna.
| Underhållsintervall | Underhållsförfarande |
|---|---|
| Var 250:e timme |
|
Parkera maskinen på ett plant underlag, sänk ned klippenheterna, koppla in parkeringsbromsen, stäng av motorn och ta ut nyckeln.
Ta bort avtappningspluggen (Figur 53) och låt oljan rinna ned i ett avtappningskärl.

Sätt tillbaka avtappningspluggen när oljan har slutat att rinna.
Avlägsna oljefiltret (Figur 54).

Stryk på ett tunt lager ren olja på den nya filterpackningen innan du monterar den.
Note: Dra inte åt filtret för hårt.
Fyll på olja i vevhuset, se Kontrollera nivån för motorolja.
Justera gasvajern (Figur 55) så att varvtalsspaken på motorn går emot inställningsskruven för hög hastighet samtidigt som gasvajern kommer i kontakt med skårans ände på reglagearmen.

Under vissa omständigheter är bränsle och bränsleångor mycket brandfarliga och explosiva. Bränslebrand eller explosion kan skada dig själv och andra och orsaka materiella skador.
Fyll bränsletanken på en öppen plats utomhus när motorn är avstängd och kall. Torka upp utspillt bränsle.
Fyll inte tanken helt full. Fyll bränsletanken med bränsle tills nivån ligger på 25 mm under påfyllningsrörets nedersta del Det tomma utrymmet behövs för bränslets expansion.
Rök aldrig när du handskas med bensin och håll dig borta från öppen eld eller platser där bensinångor kan antändas av gnistor.
Förvara bränsle i en ren, säkerhetsgodkänd behållare och se till att locket sitter på.
| Underhållsintervall | Underhållsförfarande |
|---|---|
| Var 800:e timme |
|
| Före förvaring |
|
Parkera maskinen på en plan yta, sänk ned klippenheterna, lägg i parkeringsbromsen, stäng av motorn och ta ur nyckeln.
Töm och rengör bränsletanken om bränslesystemet har förorenats eller om maskinen ska ställas i förvar under en längre period. Använd rent bränsle för att spola ur tanken.
| Underhållsintervall | Underhållsförfarande |
|---|---|
| Var 400:e timme |
|
Parkera maskinen på ett plant underlag, sänk ned klippenheterna, koppla in parkeringsbromsen, stäng av motorn och ta ut nyckeln.
Kontrollera om bränsleledningarna har skadats eller försämrats på något annat sätt, eller om det finns lösa anslutningar.
| Underhållsintervall | Underhållsförfarande |
|---|---|
| Varje användning eller dagligen |
|
| Var 400:e timme |
|
Parkera maskinen på ett plant underlag, sänk ned klippenheterna, koppla in parkeringsbromsen, stäng av motorn och ta ut nyckeln.
Sätt en ren behållare under bränslefiltret.
Lossa avtappningspluggen längst ner på filterskålen.

Rengör området där filterskålen ska monteras.
Avlägsna filterskålen och rengör fästytan.
Smörj packningen på filterskålen med ren olja.
Montera filterskålen för hand tills packningen vidrör fästytan och vrid sedan ytterligare ett halvt varv.
Dra åt avtappningspluggen längst ned på filterskålen.
Parkera maskinen på ett plant underlag, sänk ned klippenheterna, koppla in parkeringsbromsen, stäng av motorn och ta ut nyckeln.
Bränsleintagningsröret som sitter på bränsletankens insida är utrustad med ett filter för att förhindra att skräp kommer in i bränslesystemet. Demontera bränsleintagningsröret och rengör filtret vid behov.
Koppla bort batteriet innan reparation utförs på maskinen. Lossa minuskabelanslutningen först och pluskabelanslutningen sist. Återanslut pluskabelanslutningen först och minuskabelanslutningen sist.
Ladda batteriet i ett öppet och välventilerat utrymme, på avstånd från gnistor och öppna lågor. Koppla ur laddaren innan batteriet ansluts eller kopplas bort. Använd skyddskläder och isolerade verktyg.
Parkera maskinen på ett plant underlag, sänk ned klippenheterna, koppla in parkeringsbromsen, stäng av motorn och ta ut nyckeln.
Lossa och höj förarens konsolpanel (Figur 57).

Batterielektrolyt innehåller svavelsyra som är dödligt vid förtäring och orsakar allvarliga brännskador.
Drick inte elektrolyten och undvik kontakt med hud, ögon och kläder. Använd skyddsglasögon för att skydda ögonen och gummihandskar för att skydda händerna.
Fyll på batteriet på en plats där du har tillgång till rent vatten och kan skölja av huden.
Anslut en batteriladdare på 3–4 A till batteripolerna.
Ladda batteriet med 3–4 A under 4–8 timmar.
Koppla ur laddningsanordningen från eluttaget och batteripolerna när batteriet är laddat.
Fäst pluskabeln (röd) till plusanslutningen (+) och minuskabeln (svart) till minusanslutningen (–) på batteriet (Figur 58).

Fäst kablarna vid polerna med huvudskruvar och muttrar.
Se till att plusanslutningen (+) går ända upp till polen och att kabeln sitter tätt emot batteriet. Kabeln får inte vidröra batterilocket.
Förhindra eventuell kortslutning genom att trä gummiskon över plusanslutningen.
Fetta in båda batterianslutningar med smörjfett av typen Grafo 112X (skin-over), Toro-artikelnr 505-47, vaselin eller ett lättare fett för att förhindra korrosion.
Trä gummiskon över den positiva anslutningen.
Stäng konsolpanelen och säkra spärren.
| Underhållsintervall | Underhållsförfarande |
|---|---|
| Var 50:e timme |
|
Important: Lossa minuskabeln från batteriet innan svetsning företas på maskinen så att skador på det elektriska systemet kan undvikas.
Note: Kontrollera batteriets skick varje vecka eller var 50:e körtimme. Se till att hålla kabelanslutningarna och batterilådan rena eftersom ett smutsigt batteri långsamt kommer att laddas ur.
Rengör batteriet på följande sätt:
Parkera maskinen på ett plant underlag, sänk ned klippenheterna, koppla in parkeringsbromsen, stäng av motorn och ta ut nyckeln.
Ta bort batteriet från maskinen.
Tvätta hela lådan med en lösning bestående av natriumbikarbonat och vatten.
Skölj lådan med rent vatten.
Fetta in batteripoler och kabelskor med smörjfett av typen Grafo 112X (skinover) (Toro artikelnr 505-47) eller vaselin för att förhindra korrosion.
| Underhållsintervall | Underhållsförfarande |
|---|---|
| Varje användning eller dagligen |
|
Däcken levereras med förhöjt tryck. Lufta därför däcken en aning för att minska trycket. Lufttrycket i däcken ska vara 0,83–1,03 bar. Kontrollera däcktrycket dagligen.
Important: Upprätthåll rekommenderat tryck i alla däck för att få god klippkvalitet och korrekt maskindrift. Däcken får inte vara för löst pumpade.
| Underhållsintervall | Underhållsförfarande |
|---|---|
| Efter de första 8 timmarna |
|
| Var 200:e timme |
|
Parkera maskinen på ett plant underlag, sänk ned klippenheterna, koppla in parkeringsbromsen, stäng av motorn och ta ut nyckeln.
Om hjulmuttrarna inte dras åt ordentligt kan hjulen fungera felaktigt eller falla av vilket kan leda till personskada.
Dra åt de främre och bakre hjulmuttrarna till mellan 115 och 136 N·m efter 1 till 4 timmars användning och återigen efter 8 timmars användning. Dra sedan åt muttrarna var 200:e timme.
Note: De främre hjulmuttrarna är ½–20 UNF. De bakre hjulmuttrarna är M12 x 1,6–6H (metrisk).
| Underhållsintervall | Underhållsförfarande |
|---|---|
| Var 400:e timme |
|
Det ska inte förekomma något ändspelrum i planetväxlarna/drivhjulen (dvs. hjulen ska inte röra sig när du trycker på dem eller drar i dem i en riktning som är parallell med axeln).
Ställ maskinen på ett plant underlag, koppla in parkeringsbromsen, sänk ned klippenheterna, stäng av motorn och ta ut nyckeln.
Blockera bakdäcken och höj upp maskinens front genom att stötta upp den främre axeln/ramen med domkrafter.
En maskin på en domkraft kan bli instabil och halka av domkraften och skada personer som befinner sig under den.
Starta inte motorn när maskinen stöttas upp med en domkraft.
Ta alltid ut nyckeln ur tändningslåset innan du kliver ut ur maskinen.
Blockera hjulen när du stöttar upp maskinen med en domkraft.
Stötta upp maskinen med domkrafter.
Ta tag i ett av de främre drivhjulen och tryck det mot eller dra det från maskinen och observera eventuell rörelse.

Upprepa steg 3 för det andra drivhjulet.
Om något hjul rör sig kontaktar du en auktoriserad Toro-leverantör och låter denne bygga om planetväxeln.
| Underhållsintervall | Underhållsförfarande |
|---|---|
| Var 400:e timme |
|
Oljespecifikation: högkvalitativ SAE 85W-140-växelolja
Parkera maskinen på ett plant underlag och placera hjulet så att påfyllningspluggen är i läget klockan 12, kontrollpluggen är i läget klockan 3 och avtappningspluggen är i läget klockan 6 (Figur 63).

Ta bort kontrollpluggen som sitter i läget klockan 3 (Figur 63).
Oljenivån ska vara vid botten av kontrollplugghålet.

Om oljenivån är låg ska du ta bort påfyllningspluggen som är i läget klockan 12 och fylla på med olja tills den rinner ut ur hålet som är i läget klockan 3.
Kontrollera om O-ringen för pluggen/pluggarna är sliten eller skadad.
Note: Byt ut O-ringen/ringarna vid behov.
Montera pluggen/pluggarna.
Upprepa steg 1 till 5 på planetväxeln på maskinens andra sida.
| Underhållsintervall | Underhållsförfarande |
|---|---|
| Efter de första 200 timmarna |
|
| Var 800:e timme |
|
Oljespecifikation: högkvalitativ SAE 85W-140-växelolja
Smörjkapacitet för planetväxel och bromshus: 0,65 l
Parkera maskinen på ett plant underlag och placera hjulet så att påfyllningspluggen är i läget klockan 12, kontrollpluggen är i läget klockan 3 och avtappningspluggen är i läget klockan 6. Se Figur 63 i Kontrollera planetväxeloljan.
Ta bort påfyllningspluggen i läget klockan 12 och kontrollpluggen i läget klockan 3 (Figur 65).

Placera ett avtappningskärl under planetnavet, ta bort avtappningspluggen i läget klockan 6 och låt oljan tappas ut helt (Figur 65).
Kontrollera om O-ringarna för påfyllnings-, kontroll- och avtappningspluggarna är slitna eller skadade.
Note: Byt ut O-ringen/ringarna vid behov.
Montera avtappningspluggen i avtappningshålet på planetväxelhuset (Figur 65).
Placera ett avtappningskärl under bromshuset, ta bort avtappningspluggen och låt oljan tappas ut helt (Figur 66).

Kontrollera om pluggens O-ring är sliten eller skadad och sätt tillbaka avtappningspluggen i bromshuset.
Note: Byt ut O-ringen vid behov.
Fyll långsamt på planetväxeln med 0,65 liter högkvalitativ olja av typen SAE 85W-140 genom påfyllningspluggshålet.
Important: Om planetväxeln blir full innan du tillsätter 0,65 liter olja ska du vänta i en timme, eller sätta tillbaka pluggen och flytta maskinen cirka tre meter så att oljan fördelas i bromssystemet. Ta sedan bort pluggen och fyll på resterande olja.

Sätt tillbaka påfyllningspluggen och kontrollpluggen.
Torka av planetväxeln och bromshusen (Figur 68).

Upprepa steg 1 till 7 i Tömma planetväxeln och steg 1 till 3 i denna procedur för planetväxeln/bromsen på maskinens andra sida.
| Underhållsintervall | Underhållsförfarande |
|---|---|
| Varje användning eller dagligen |
|
| Var 400:e timme |
|
Bakaxeln är fylld med kugghjulssmörjmedel av typen SAE 85W-140 när den levereras från fabriken. Kapaciteten är 2,4 liter.
Parkera maskinen på ett plant underlag, sänk ned klippenheterna, koppla in parkeringsbromsen, stäng av motorn och ta ut nyckeln.
Ta bort en kontrollplugg från axelns ena sida (Figur 69) och se till att oljan når upp till botten av hålet. Ta bort påfyllningspluggen (Figur 69) om nivån är låg, och tillsätt tillräckligt med olja så att nivån når botten av kontrollhålet.

| Underhållsintervall | Underhållsförfarande |
|---|---|
| Efter de första 200 timmarna |
|
| Var 800:e timme |
|
Parkera maskinen på ett plant underlag, sänk ned klippenheterna, koppla in parkeringsbromsen, stäng av motorn och ta ut nyckeln.
Gör rent runt de tre avtappningspluggarna, en i varje ände och en i mitten (Figur 70).

Ta bort oljekontrollpluggarna och huvudaxelns luftningslock, så att oljan kan rinna ut lättare.
Ta bort avtappningspluggarna så att oljan kan rinna ned i kärlen.
Montera pluggarna.
Ta bort en kontrollplugg och fyll axeln med 2,37 liter olja av typen 85W-140, eller tills oljan nått upp till hålets botten.
Montera kontrollpluggen.
| Underhållsintervall | Underhållsförfarande |
|---|---|
| Varje användning eller dagligen |
|
| Var 400:e timme |
|
Växellådan är fylld med kugghjulssmörjmedel av typen SAE 85W-140. Kapaciteten är 0,5 liter.
Parkera maskinen på ett plant underlag, sänk ned klippenheterna, koppla in parkeringsbromsen, stäng av motorn och ta ut nyckeln.
Ta bort kontroll-/påfyllningspluggen på växellådans vänstra sida (Figur 71), och kontrollera att oljan når upp till botten av hålet. Fyll på tillräckligt med olja så att den når botten av hålet om nivån är för låg.

Maskinen får inte ”krypa” när gaspedalen släpps upp. Om den ändå kryper är en justering nödvändig.
Parkera maskinen på ett plant underlag, stäng av motorn, för hastighetsreglaget till ett lågt läge och sänk ned klippenheterna.
Tryck endast ned höger bromspedal och lägg i parkeringsbromsen.
Hissa upp maskinens vänstra sida tills vänster framhjul lyfter från verkstadsgolvet. Stötta maskinen med domkrafter så att den inte kan ramla ned av misstag.
Starta motorn och låt den gå på låg tomgångshastighet.
Justera kontramuttrarna på pumpstavsänden för att flytta pumpkontrollröret framåt för att eliminera krypning framåt, eller bakåt för att eliminera krypning bakåt (Figur 72).

Dra åt kontramuttrarna för att säkra justeringen när rotationen har upphört.
Stäng av motorn och släpp höger broms.
Ta bort domkrafterna och sänk ned maskinen till verkstadsgolvet.
Testkör maskinen och kontrollera att den inte kryper.
| Underhållsintervall | Underhållsförfarande |
|---|---|
| Var 800:e timme |
|
Parkera maskinen på ett plant underlag, sänk ned klippenheterna, koppla in parkeringsbromsen, stäng av motorn och ta ut nyckeln.
Mät avståndet från mitt till mitt (vid axelhöjd) framtill och baktill på styrhjulen.
Note: Det främre måttet ska vara 3 mm mindre än det bakre måttet (Figur 73).

Justera skränkningen genom att ta bort saxpinnen och muttern från kullederna på dragstången (Figur 74).

Avlägsna kulleden på dragstången från stödet till axelhuset.
Lossa klämmorna på dragstängernas bägge ändar (Figur 74).
Vrid den lösgjorda kulleden inåt eller utåt ett helt varv.
Dra åt klämman i den lösa änden på dragstången.
Vrid hela dragstångsenheten åt samma håll (inåt eller utåt) ett helt varv.
Dra åt klämman vid den anslutna änden på dragstången.
Montera kulleden på stödet till axelhuset och dra åt muttern med fingrarna.
Mät skränkningen.
Upprepa proceduren om så behövs.
Dra åt muttern och montera en ny saxpinne när justeringen är korrekt.
Motorns kylvätska kan orsaka förgiftning vid förtäring. Förvara den utom räckhåll för barn och husdjur.
Het kylvätska som sprutas ut under tryck kan orsaka allvarliga brännskador, och detsamma gäller om man vidrör den heta kylaren eller närliggande delar.
Låt motorn svalna i minst 15 minuter innan du öppnar kylarlocket.
Ta hjälp av en trasa för att öppna kylarlocket och öppna locket sakta så att ånga kan komma ut.
| Underhållsintervall | Underhållsförfarande |
|---|---|
| Varje användning eller dagligen |
|
Kontrollera kylvätskenivån varje dag innan motorn startas. Systemet rymmer 12,3 liter.
Ta av kylarlocket försiktigt.
Om motorn har varit igång kan det trycksatta, heta kylmedlet läcka ut och orsaka brännskador.
Ta inte bort kylarlocket när motorn är igång.
Ta hjälp av en trasa för att öppna kylarlocket och öppna locket sakta så att ånga kan komma ut.

Kontrollera kylvätskenivån i kylaren.
Note: Kylaren ska fyllas upp till påfyllningsrörets översta del och expansionstanken ska fyllas upp till Full-markeringen (Figur 75).
Tillsätt en 50/50-blandning av vatten och frostskyddsmedel med etylenglykol om kylvätskenivån är låg.
Note: Använd inte enbart vatten och inte heller alkohol-/metanolbaserade kylvätskor.
Sätt tillbaka kylarlocket och locket till expansionstanken.
| Underhållsintervall | Underhållsförfarande |
|---|---|
| Varje användning eller dagligen |
|
Ta bort skräp från motorområdet, oljekylaren och kylaren varje dag. Rengör dem oftare vid smutsiga förhållanden.
Parkera maskinen på ett plant underlag, sänk ned klippenheterna, koppla in parkeringsbromsen, stäng av motorn och ta ut nyckeln.
Frigör och sväng upp bakpanelen (Figur 76).

Rengör panelen noggrant och ta bort allt skräp.
Note: Ta bort gångjärnsbultarna för att avlägsna panelen.
Rengör på båda sidor om oljekylaren/kylaren (Figur 77) ordentligt med tryckluft. Börja framifrån och blås skräpet bakåt. Rengör sedan bakifrån och blås framåt. Upprepa detta flera gånger tills allt skräp har försvunnit.

Important: Rengöring av kylaren/oljekylaren med vatten främjar för tidig uppkomst av rost och att skräp packas samman.
Stäng den bakre panelen och lås den med spärrhaken.
Justera fotbromsarna om bromspedalens rörelseavstånd överstiger 13 mm eller om bromsarna inte fungerar effektivt. Rörelseavståndet är det avstånd bromspedalen förflyttar sig innan bromsmotståndet känns av.
Parkera maskinen på ett plant underlag, sänk ned klippenheterna, koppla in parkeringsbromsen, stäng av motorn och ta ut nyckeln.
Koppla ur låsspärren från bromspedalen så att båda pedalerna fungerar oberoende av varandra.
För att minska bromspedalernas fria spel ska du dra åt bromsarna som följer:
Lossa frontmuttern på den gängade änden av bromsvajern (Figur 78).

Dra åt den bakre muttern för att dra vajern bakåt tills bromspedalernas rörelseavstånd är mellan 0 och 13 mm.
Note: Kontrollera att det inte finns någon spänning i bromsen när du släpper upp pedalen.
Dra åt de främre muttrarna efter att bromsarna har justerats korrekt.
| Underhållsintervall | Underhållsförfarande |
|---|---|
| Var 100:e timme |
|
Om remmen är korrekt spänd kan den böjas ned 10 mm med en kraft på 45 kg mittemellan remskivorna.
Om nedböjningen inte är 10 mm lossar du generatorns fästbultar (Figur 79).

Öka eller minska generatorremmens spänning och dra åt bultarna.
Kontrollera remmens nedböjning igen för att säkerställa att spännkraften är korrekt.
Sök omedelbart läkare om du träffas av en stråle hydraulvätska och vätskan tränger in i huden. Vätska som trängt in i huden måste opereras bort inom några få timmar av en läkare.
Se till att alla hydrauloljeslangar och -ledningar är i gott skick och att alla hydraulanslutningar och -kopplingar är ordentligt åtdragna innan hydraulsystemet trycksätts.
Håll kropp och händer borta från småläckor eller munstycken som sprutar ut hydraulvätska under högtryck.
Använd en kartong- eller pappersbit för att hitta hydraulläckor.
Lätta på allt tryck i hydraulsystemet på ett säkert sätt innan något arbete utförs i hydraulsystemet.
| Underhållsintervall | Underhållsförfarande |
|---|---|
| Varje användning eller dagligen |
|
Kontrollera hydraulledningarna och slangarna för att se om det finns tecken på läckor, vridna ledningar, lösa fäststöd, slitage, lösa beslag, väderslitage eller kemiskt slitage. Reparera alla skador innan du kör maskinen igen.
| Underhållsintervall | Underhållsförfarande |
|---|---|
| Varje användning eller dagligen |
|
Tanken fylls med hydraulvätska av hög kvalitet på fabriken. Kontrollera hydraulvätskenivån innan motorn startas för första gången och därefter dagligen.
Parkera maskinen på ett plant underlag, sänk ned klippenheterna, koppla in parkeringsbromsen, stäng av motorn och ta ut nyckeln.
Gör rent omkring påfyllningsröret och hydraultanklocket (Figur 80).

Skruva av tanklocket på påfyllningsröret.
Ta ut oljestickan ur påfyllningsröret och torka av den med en ren trasa.
För in oljestickan i påfyllningsröret, och ta sedan ut den igen och kontrollera oljenivån.
Nivån ska ligga mellan de två märkena på oljestickan.
Fyll på lämplig vätska så att nivån når upp till den övre markeringen om nivån är låg.
Sätt tillbaka oljestickan och locket på påfyllningsröret.
Tanken fylls med hydraulvätska av hög kvalitet på fabriken. Kontrollera hydraulvätskenivån innan motorn startas för första gången och därefter dagligen. Se Kontrollera hydraulvätskenivån.
Rekommenderad hydraulvätska: Toro PX-hydraulvätska med förlängd hållbarhet. Finns i spannar om 19 liter eller fat om 208 liter.
Note: Om den rekommenderade utbytesvätskan används behöver maskinens vätska och filter inte bytas ut lika ofta.
Alternativa hydraulvätskor: Om Toro PX-hydraulvätska med förlängd hållbarhet inte är tillgänglig kan du använda en annan vanlig, oljebaserad hydraulvätska med specifikationer som faller inom det angivna området för samtliga materialegenskaper nedan och som uppfyller branschstandarderna. Använd inte syntetisk vätska. Rådgör med din smörjmedelsdistributör för att hitta en lämplig produkt.
Note: Toro ansvarar inte för skador som uppstått till följd av att felaktiga vätskor använts. Använd därför endast produkter från ansedda tillverkare som ansvarar för sina rekommendationer.
| Materialegenskaper: | ||
| Viskositet, ASTM D445 | cSt vid 40 °C: 44 till 48 | |
| Viskositetsindex, ASTM D2270 | 140 eller högre | |
| Flytpunkt, ASTM D97 | –37 °C till –45 °C | |
| Branschspecifikationer: | Eaton Vickers 694 (I-286-S, M-2950-S/35VQ25 eller M-2952-S) | |
Note: Många hydraulvätskor är nästintill färglösa, vilket gör det svårt att upptäcka läckor. Det finns en rödfärgstillsats till hydraulvätskan i flaskor om 20 ml. En flaska räcker till 15–22 liter hydraulvätska. Beställ artikelnr 44-2500 från en auktoriserad Toro-återförsäljare.
Important: Toro Premium Synthetic Biodegradable Hydraulic Fluid är den enda syntetiska, biologiskt nedbrytbara hydraulvätskan som godkänts av Toro. Vätskan kan blandas med de elastomerer som används i Toros hydraulsystem och kan användas i många olika temperaturer. Vätskan kan blandas med traditionella mineraloljor, men för största möjliga biologiska nedbrytbarhet och prestanda bör hydraulsystemet sköljas noga så att inga traditionella oljor finns kvar. Du kan köpa oljan i spannar om 19 liter eller fat om 208 liter hos auktoriserade Toro-återförsäljare.
28,4 liter. Se Specifikation för hydraulvätskan.
| Underhållsintervall | Underhållsförfarande |
|---|---|
| Var 800:e timme |
|
| Var 2000:e timme |
|
Om den är förorenad ska du kontakta en lokal Toro-återförsäljare, eftersom systemet måste spolas. Förorenad hydraulvätska ser mjölkaktig eller svart ut jämfört med ren vätska.
Parkera maskinen på ett plant underlag, sänk ned klippenheterna, koppla in parkeringsbromsen, stäng av motorn och ta ut nyckeln.
Öppna motorhuven.
Lossa returröret från behållarens botten och låt hydraulvätskan rinna ner i ett stort kärl.
Sätt tillbaka röret när hydraulvätskan slutar droppa.
Fyll tanken med hydraulvätska. Se Specifikation för hydraulvätskan och Hydraulvätskekapacitet.
Important: Använd endast specificerade hydrauloljor. Andra oljor kan orsaka skador på systemet.
Sätt tillbaka tanklocket.
Starta motorn och använd samtliga hydraulreglage för att sprida hydrauloljan i hela systemet.
Kontrollera om det finns några läckor och stäng av motorn.
Kontrollera vätskenivån och fyll på tillräckligt så att nivån når upp till markeringen Full på oljestickan.
Note: Fyll inte på för mycket vätska i hydraulsystemet.
| Underhållsintervall | Underhållsförfarande |
|---|---|
| Var 800:e timme |
|
| Var 1000:e timme |
|
Använd Toro-ersättningsfilter med artikelnr 94-2621 på maskinens baksida (klippenhet) och artikelnr 75-1310 på dess framsida (laddning).
Important: Om någon annan filtertyp används kan garantin för några av komponenterna bli ogiltig.
Parkera maskinen på ett plant underlag, sänk ned klippenheterna, koppla in parkeringsbromsen, stäng av motorn och ta ut nyckeln.
Rengör runt området där filtret monteras.
Placera ett kärl under filtret och avlägsna filtret (Figur 81 och Figur 82).
Smörj den nya filterpackningen och fyll filtret med hydraulolja.


Kontrollera att området där filtret ska monteras är rent.
Skruva fast filtret tills packningen vidrör fästplattan och dra sedan åt filtret ytterligare ett halvt varv.
Starta motorn och låt den gå i ca två minuter så att systemet luftas.
Stäng av motorn och undersök om det finns några läckor.
En sliten eller skadad kniv eller underkniv kan gå sönder, och den trasiga delen kan slungas ut mot dig eller någon kringstående, vilket kan leda till allvarliga personskador eller innebära livsfara.
Kontrollera med jämna mellanrum om klippenheterna är slitna eller skadade.
Var försiktig när du inspekterar klippenheterna. Linda in knivarna i något material eller ta på dig handskar, och var försiktig när du hanterar cylindrarna eller underknivarna. Cylindrarna och underknivarna får endast bytas ut eller slipas – de ska aldrig rätas ut eller svetsas.
Var försiktig när du roterar en cylinder i maskiner med flera klippenheter, så att inte cylindrarna i de övriga klippenheterna också börjar röra sig.
Om man kommer i kontakt med cylindrar eller andra rörliga delar kan detta orsaka personskador.
Håll fingrar, händer och kläder på avstånd från cylindrarna och andra rörliga delar.
Försök aldrig att vrida cylindrarna för hand eller med foten när motorn är igång.
Note: Under slipning arbetar samtliga främre enheter tillsammans och samtliga bakre enheter tillsammans.
Parkera maskinen på ett plant underlag, sänk ned klippenheterna, koppla in parkeringsbromsen, stäng av motorn och för kraftuttagsbrytaren till URKOPPLAT läge.
Lossa och höj upp huven för att frilägga reglagen.
Utför de första justeringarna av cylinder mot underkniv som behövs för slipning på samtliga klippenheter som ska slipas: se bruksanvisningen till klippenheterna.
Välj den främre, bakre eller bägge slipningsspakarna för att bestämma vilka enheter som ska slipas (Figur 83).
Starta motorn och låt den gå på låg tomgång.
Om motorns hastighet ändras under slipningen kan cylindrarna stanna.
Ändra aldrig motorhastigheten under slipningen.
Slipa endast när motorn går på låg tomgång.
Kontakt med klippenheterna kan leda till personskador.
Var noga med att hålla avstånd till klippenheterna innan du fortsätter med arbetet.
När klipphastighetsbegränsaren är i KLIPPLäGET för du kraftuttagsbrytaren till det INKOPPLADE läget.
Tryck på lyftbrytaren för att starta slipningen på de angivna cylindrarna.
Stryk på slippasta med en borste med långt skaft.
Note: Använd inte en borste med kort skaft.

Om cylindrarna stannar eller går ojämnt vid slipning kan du välja en högre hastighetsinställning tills cylindrarna stabiliseras.
Om du vill justera klippenheterna under slipningen ska du stänga av cylindrarna genom att trycka på den bakre delen av lyftbrytaren och föra kraftuttagsbrytaren till det URKOPPLADE läget samt stänga av motorn. Upprepa steg 5 till 9när du är klar med justeringarna.
Upprepa proceduren för alla klippenheter som ska slipas.
När du är klar ska du föra tillbaka slipningsreglagen till KLIPPLäGET, fälla ned motorhuven och tvätta bort all slippasta från klippenheterna. Justera klippenhetscylindern mot underkniven efter behov. Sätt hastighetsreglagen för klippenheternas cylindrar i önskat klippläge.
Important: Om slipningsbrytaren inte förs tillbaka till det AVSTäNGDA läget efter slipningen kommer klippenheterna inte att höjas upp eller fungera som de ska.
Note: Ytterligare instruktioner och procedurer för slipning finns i Toros bruksanvisning om slipning av cylinder- och rotorklippare, formulär 80–300SL.
Note: Dra en fil över underknivens framsida när slipningen har avslutats så blir skäreggen bättre. Detta avlägsnar eventuella grader (skägg) eller ojämna kanter som kan uppstå på skäreggen.
Tvätta maskinen efter behov med enbart vatten, alternativt med ett milt tvättmedel. Du kan använda en trasa när du tvättar maskinen.
Important: Använd inte bräckt eller återvunnet vatten (gråvatten) när du gör rent maskinen.
Important: Tvätta inte maskinen med högtryckstvätt. Högtryckstvättar kan skada elsystemet, viktiga dekaler kan lossna eller fett som behövs vid friktionspunkterna kan tvättas bort. Undvik att använda alltför mycket vatten nära kontrollpanelen, motorn och batteriet.
Important: Tvätta inte maskinen medan motorn är i gång. Om du tvättar maskinen medan motorn är i gång kan interna skador på motorn uppstå.
Stäng av motorn, ta ut nyckeln (i förekommande fall) och vänta tills alla rörliga delar har stannat innan du kliver ur förarsätet. Låt maskinen svalna innan du justerar, servar, rengör eller förvarar den.
Förvara inte maskinen eller bränslebehållaren i närheten av en öppen låga, gnista eller tändlåga, t.ex. nära en varmvattenberedare eller någon annan utrustning.
Parkera maskinen på ett plant underlag, sänk ned klippenheterna, koppla in parkeringsbromsen, stäng av motorn och ta ut nyckeln.
Rengör traktorenheten, klippenheterna och motorn ordentligt.
Kontrollera lufttrycket i däcken; se Kontrollera däcktrycket.
Kontrollera alla fästelement. Dra åt dem vid behov.
Smörj eller olja samtliga smörjnipplar och svängpunkter. Torka av överflödigt fett.
Sandpappra lätt och måla i områden där färgen har skrapats av, flagat eller rostat. Reparera eventuella bucklor i metallchassit.
Serva batteriet och kablarna på följande sätt. Se Säkerhet för elsystemetID000-448-328.
Ta bort batteriets kabelanslutningar från batteripolerna.
Rengör batteriet, kabelanslutningarna och polerna med en stålborste och bakpulverlösning.
Fetta in kabelanslutningarna och batteriposterna med smörjfett av typen Grafo 112X (skin-over) (Toro-artikelnr 505-47) eller vaselin för att förhindra korrosion.
Ladda långsamt upp batteriet i 24 timmar var 60:e dag för att förhindra att det blysulfateras.
Töm motoroljan från kärlet och sätt tillbaka avtappningspluggen.
Ta bort och kasta oljefiltret. Montera ett nytt oljefilter.
Fyll på motorn med angiven motorolja.
Starta motorn och kör den på tomgång i cirka två minuter.
Stäng av motorn och ta ut nyckeln.
Spola bränsletanken med färskt, rent bränsle.
Dra åt alla anslutningar i bränslesystemet.
Rengör och serva luftrenaren ordentligt.
Täta luftrenarens inlopp och avgasutloppet med väderbeständig tejp.
Kontrollera frostskyddsmedlet och fyll på med en 50/50 blandning av vatten och frostskyddsmedel med etylenglykol om så behövs, så att du klarar de förväntade lägsta temperaturerna i ditt område.