| Vedligeholdelsesintervaller | Vedligeholdelsesprocedure |
|---|---|
| Hver anvendelse eller dagligt |
|
Dette er en plænetraktor med knivcylindre, der er beregnet til brug af professionelle, ansatte operatører i kommercielle anvendelsesområder. Den er primært beregnet til klipning af græs på velholdte plæner. Brug af dette produkt til andre formål end den tilsigtede anvendelse kan udsætte dig selv og omkringstående for fare.
Læs denne vejledning omhyggeligt, så du kan lære at betjene og vedligeholde produktet korrekt samt undgå person- og produktskade. Det er dit ansvar at betjene produktet korrekt og sikkert.
Besøg www.Toro.com for at få flere oplysninger, herunder sikkerhedstip, undervisningsmaterialer, oplysninger om tilbehør, hjælp til at finde en forhandler eller for at registrere dit produkt.
Når du har brug for service, originale Toro-dele eller yderligere oplysninger, bedes du kontakte en autoriseret serviceforhandler eller Toros kundeservice samt have produktets model- og serienummer parat. Figur 1 angiver, hvor model- og serienummeret er placeret på produktet. Skriv numrene, hvor der er gjort plads til dette.
Important: Scan QR-koden på serienummerpladen (hvis udstyret hermed) med din mobilenhed for at tilgå garanti, reservedele og andre produktoplysninger.

Denne vejledning advarer dig om mulige farer og giver dig særlige sikkerhedsoplysninger ved hjælp af advarselssymbolet (Figur 2), der angiver en fare, som kan forårsage alvorlig personskade eller død, hvis du ikke følger de anbefalede forholdsregler.

Denne betjeningsvejledning bruger to ord til at fremhæve oplysninger. Vigtigt henleder opmærksomheden på særlige mekaniske oplysninger, og Bemærk angiver generel information, som det er værd at lægge særligt mærke til.
Dette produkt overholder alle relevante EU-direktiver. Yderligere oplysninger fås på den separate produktspecifikke overensstemmelseserklæring.
Det er en overtrædelse af California Public Resource Code Section 4442 eller 4443 at bruge eller betjene denne motor på et skovbegroet, buskbegroet eller græsbegroet område, medmindre motoren er forsynet med en gnistskærm som defineret i Section 4442, som vedligeholdes og er i god driftsmæssig stand, eller medmindre motoren er bygget, udstyret og vedligeholdt til brandforebyggelse.
Den medfølgende motorvejledning indeholder information om det amerikanske Environmental Protection Agency (EPA) og California Emission Control Regulation for emissionssystemer, vedligeholdelse og garanti. Nye eksemplarer kan bestilles via motorfabrikanten.
CALIFORNIEN
Advarsel i henhold til erklæring nr. 65
Dieselmotorens udstødningsgas og nogle af dens bestanddele er ifølge staten Californien kræftfremkaldende og kan medføre fødselsskader eller andre forplantningsskader.
Batteripoler og tilbehør indeholder bly og blysammensætninger, som ifølge staten Californien er kræftfremkaldende og forårsager forplantningsskader. Vask hænder efter håndtering.
Brug af dette produkt kan medføre eksponering over for kemikalier, der ifølge staten Californien er kræftfremkaldende og giver medfødte defekter eller andre forplantningsskader.
Denne maskine er designet i overensstemmelse med EN ISO 5395 (når du har gennemført opsætningsprocedurerne) og ANSI B71.4-2017.
Dette produkt kan afskære hænder og fødder samt udslynge genstande.
Læs og forstå indholdet i denne betjeningsvejledning, før du starter motoren.
Betjening af maskinen kræver din fulde opmærksomhed. Giv dig ikke i kast med aktiviteter, der afleder opmærksomheden, da dette kan medføre person- eller tingsskade.
Hold hænder og fødder væk fra bevægelige maskinkomponenter.
Betjen ikke maskinen, uden at alle afskærmninger og øvrige sikkerhedsanordninger sidder og fungerer korrekt på maskinen.
Hold omkringstående og børn væk fra arbejdsområdet. Lad aldrig børn betjene maskinen.
Sluk for motoren, tag nøglen ud (hvis udstyret hermed), og vent, til al bevægelse standser, før du forlader førersædet. Lad maskinen køle af, inden du justerer, efterser, rengør den eller stiller den til opbevaring.
Hvis maskinen betjenes eller vedligeholdes forkert, kan det
medføre personskade. Operatøren skal altid følge
sikkerhedsforskrifterne og være opmærksom på advarselssymbolet
, der betyder
Forsigtig, Advarsel eller Fare – personlig sikkerhedsanvisning,
for at nedsætte risikoen for personskade. Hvis disse forskrifter
ikke følges, kan det medføre personskade eller død.
Motoren i denne maskine er i overensstemmelse med EU Stage 3b.
![]() |
Sikkerheds- og instruktionsmærkaterne kan nemt ses af operatøren og er placeret tæt på potentielle risikoområder. Beskadigede eller bortkomne mærkater skal udskiftes. |





















Note: Maskinens venstre og højre side er som set fra den normale betjeningsposition.
Afhængig af hvilken bredde klippeenheder der skal installeres på traktionsenheden, skal støtterullerne justeres som følger:
Parker maskinen på en plan overflade, aktiver parkeringsbremsen, sluk for motoren, og tag nøglen ud.
Dele, der skal bruges til dette trin:
| Hjelmlåsebeslag | 1 |
| Nitte | 2 |
| Skrue (¼" x 2") | 1 |
| Flad spændeskive (¼") | 2 |
| Låsemøtrik (¼") | 1 |
Fjern motorhjelmslåsen fra hjelmlåsebeslaget (Figur 4).

Fjern de to nitter, der fastholder hjelmlåsebeslaget på hjelmen (Figur 5).

Fjern hjelmlåsebeslaget fra motorhjelmen.
Når du nivellerer monteringshullerne, skal du placere CE-låsebeslaget og hjelmlåsebeslaget på motorhjelmen.
Note: Låsebeslaget skal være placeret mod hjelmen (Figur 5).Fjern ikke bolt- og møtriksamlingen fra låsebeslagets arm.

Ret spændeskiverne ind efter hullerne på indersiden af motorhjelmen.
Nit beslagene og spændeskiverne fast til motorhjelmen (Figur 6).
Sæt låsen fast på hjelmlåsebeslaget (Figur 7).

Skru bolten ind i den anden arm på hjelmlåsebeslaget for at låse låsen på plads (Figur 8).

Spænd bolten godt, men spænd ikke møtrikken.
Dele, der skal bruges til dette trin:
| Forreste slangeholder (højre) | 1 |
| Forreste slangeholder (venstre) | 1 |
Fjern knivcylindermotorerne fra leveringsbeslagene.
Fjern og bortskaf leveringsbeslagene.
Tag klippeenhederne ud af papkasserne.
Saml og juster som beskrevet i betjeningsvejledningen til klippeenheden.
Sørg for, at kontravægten (Figur 9) er monteret i den rigtige ende af klippeenheden som beskrevet i betjeningsvejledningen til klippeenheden.

Du skal sørge for, at plænekompensationsfjederen monteres på samme side som knivcylinderens drivmotor på hver klippeenhed. Udfør følgende trin for at ændre fjederens placering:
Fjern de to bræddebolte og møtrikker, der fastgør stangbeslaget på klippeenhedens tapper (Figur 10).

Fjern den flangemøtrik, som fastgør fjederrørets bolt på bærerammens tap (Figur 10).
Fjern enheden.
Monter fjederrørets bolt på den modsatte tap på bærerammen, og fastgør med flangemøtrikken.
Note: Placer boltens hoved på tappens udvendige side som vist i Figur 11.

Monter stangbeslaget på klippeenhedens tapper med bræddebolte og møtrikker (Figur 11). Monter den venstre slangeholder foran på klippeenhedens tapper, når stangbeslaget monteres (Figur 13).
Important: På klippeenhed 4 (forrest til venstre) og klippeenhed 5 (forrest til højre) bruges stangbeslagets monteringsmøtrikker til at montere slangeholderne forrest på klippeenhedens tapper. Slangeholderne skal læne imod den midterste klippeenhed (Figur 12 til Figur 14).



Note: Ved montering eller afmontering af klippeenheder skal det sikres, at låseclipsen er monteret i fjederstangens hul ved siden af stangbeslaget. Ellers skal du montere låseclipsen i hullet i stangens ende.
Øg styringen på de bageste klippeenheder ved at fjerne de to drejeafstandsbøsninger, skruer med unbrakokærv og flangelåsemøtrikker (Figur 15) fra bærerammerne på de bageste klippeenheder (klippeenhed 2 og 3). Se Figur 12.

Sænk alle løftearme fuldstændigt.
Smør bærerammens aksel med smørefedt (Figur 16).

Hvad angår de forreste klippeenheder, skubbes en klippeenhed ind under løftearmen, mens bærerammeakslen sættes op i løftearmens drejegaffel (Figur 16).
Sørg for, at trykskiven er placeret på bærerammens aksel.
Fastgør bærerammens aksel på løftearmsgaflen med sikringstappen (Figur 16).
For at låse (fastgøre) styringen på klippeenhederne skal drejegaflen fastgøres på bærerammen med låsestiften (Figur 17).

Note: Brug fast styring, når du klipper på skråninger.
Brug følgende procedure for de bageste klippeenheder, når klippehøjden er over 1,9 cm.
Fastgør løftearmskæden til kædebeslaget med låsestiften (Figur 19).
Note: Brug det antal kædeled, der er anført i betjeningsvejledningen til klippeenheden.

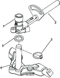
Kom rent smørefedt på knivcylindermotorens notaksel.
Smør knivcylindermotorens O-ring, og monter den på motorflangen.
Monter motoren ved at dreje den med uret, således at motorflangerne går fri af boltene (Figur 20).

Drej motoren mod uret, indtil flangerne indeslutter boltene, og tilspænd derefter boltene.
Important: Sørg for, at knivcylindermotorens slanger ikke er snoede, bukkede eller kan komme i klemme.
Plænekompensationsfjederen (Figur 21) overfører vægt fra forrullen til bagrullen. Dette medvirker til at reducere dannelsen af et bølgemønster i plænen, også kaldet ondulation.
Important: Foretag justeringerne af fjederen, mens klippeenheden er monteret på traktionsenheden, vender lige frem og er sænket ned på gulvet.
Sørg for, at låseclipsen er monteret i det bageste hul i fjederstangen (Figur 21).
Note: Ved eftersyn af klippeenheden skal låseclipsen flyttes til fjederstangens hul ved siden af plænekompensationsfjederen.

Stram sekskantmøtrikkerne på fjederstangens forende, indtil fjederens sammentrykkede længde er 15,9 cm. Se Figur 21.
Note: Ved drift i ujævnt terræn skal fjederlængden mindskes med 13 mm. Kontakten med terrænet vil blive mindsket let.
Note: Du skal nulstille indstillingen for plænekompensation, hvis du ændrer enten indstillingen af klippehøjden eller indstillingen af klipningens aggressivitet.
Dele, der skal bruges til dette trin:
| Støtteben til klippeenhed | 1 |
Når du skal vippe klippeenheden for at blotlægge bundkniven/knivcylinderen, skal bagenden af klippeenheden understøttes med støttebenet for at sikre, at møtrikkerne på den bageste del af bundtværstangens justeringsskruer ikke hviler på arbejdsfladen (Figur 22).

Fastgør støttebenet til kædebeslaget med låsestiften (Figur 23).

Påfør smørefedt før maskinen betjenes for at sikre korrekt smøring. Se Smøring. Hvis maskinen ikke indfedtes ordentligt, kan det føre til for tidligt svigt i de afgørende elementer.
Kontroller smøremiddelstanden i bagakslen, før du starter motoren for første gang. Se Kontrol af oliestanden i bagakslen.
Kontroller hydraulikvæskestanden, før motoren startes første gang. Se Kontrol af hydraulikvæskestanden.
Kontroller motoroliestanden, før og efter motoren startes første gang. Se Kontrol af motoroliestanden.
Dele, der skal bruges til dette trin:
| Målestang | 1 |
Brug af målestangen til at justere klippeenheden. Se betjeningsvejledningen til klippeenheden for oplysninger om justeringsproceduren (Figur 24).

Dele, der skal bruges til dette trin:
| Advarselsmærkat | 1 |
| CE-mærkat | 1 |
| Mærkat med produktionsår | 1 |
På maskiner, der kræver CE-overensstemmelse, påsættes mærkaten med produktionsår (delnr. 133-5615) ved serienummerpladen, CE-mærkaten (delnr. 93-7252) ved motorhjelmens lås og CE-advarselsmærkaten (delnr. 138-1186) over standardadvarselsmærkaten (delnr. 120-1683).
To fodpedaler (Figur 25) aktiverer de individuelle hjulbremser, der bruges til at hjælpe med at vende maskinen og for at få bedre trækkraft på bakkeskråninger.
Pedallåsepinden (Figur 25) kobler pedalerne sammen og aktiverer parkeringsbremsen.
For at aktivere parkeringsbremsen (Figur 25) skal pedalerne forbindes med pedallåsepinden. Træd ned på den højre bremsepedal, mens du træder ned på tåpedalen. Parkeringsbremsen udløses ved at træde en af bremsepedalerne ned, indtil parkeringsbremselåsen trækkes tilbage.

Traktionspedalen (Figur 25) styrer maskinens kørsel frem og tilbage. Tryk på den øverste del af pedalen for at køre fremad og på den nederste del af pedalen for at bakke. Kørselshastigheden er proportional med, hvor langt du træder pedalen ned. Hvis der skal køres med maksimal hastighed, skal pedalen trykkes ned, mens gashåndtaget står i HURTIG position.
Sådan standser du maskinen: Let foden fra traktionspedalen, og lad pedalen vende tilbage til midterpositionen.
Hvis du ønsker at vippe rattet mod dig selv, skal du trykke ned på fodpedalen (Figur 25), og trække ratstammen mod dig selv til den mest behagelige position, og dernæst slippe pedalen.
Når klippehastighedsbegrænseren (Figur 26) er vippet op, regulerer den klippehastigheden og lader klippeenhederne blive koblet til. Hver afstandsbøsning justerer klippehastigheden med 0,8 km/t. Jo flere afstandsbøsninger, der er oven på bolten, desto langsommere kører maskinen. Hvis maskinen skal transporteres, skal klippehastighedsbegrænseren vippes tilbage for at opnå maksimal transporthastighed.
Juster skruen/-erne (Figur 26) for at begrænse, hvor meget du kan træde traktionspedalen fremad eller bagud for at begrænse hastigheden.
Important: Hastighedsbegrænserskruen skal standse traktionspedalen, før pumpen når sin fulde vandringslængde. Ellers kan pumpen blive beskadiget.

Dette håndtag (Figur 27) hæver og sænker klippeenhederne og starter og standser endvidere klippecylindrene, når du aktiverer dem i klippetilstanden. Du kan ikke sænke klippeenhederne, når klippe-/transporthåndtaget står i transportpositionen.
Tændingskontakten (Figur 27) har tre positioner: FRA, TæNDT/FORVARM og START.
Infocenterets LCD-display viser oplysninger om maskinen, som f.eks. driftsstatus, diverse diagnostikoplysninger samt andre oplysninger (Figur 27).
Kraftudtagskontakten (Figur 27) har to positioner: START og STOP. Tryk kraftudtagsknappen fremad for at aktivere klippeenhedens skæreknive. Tryk knappen tilbage for at udkoble driften af klippeenhedens skæreknive.

Skub kontakten til motorhastighed (Figur 27) fremad for at øge motorens hastighed og bagud for at mindske hastigheden.
Drej kontakten nedad for at tænde forlygterne (Figur 27).
Brug stikkontakten (Figur 28) til at strømføde ekstra, elektrisk tilbehør med 12 V.

Anvend poseholderen (Figur 29) til opbevaring.

Brug baglapningshåndtagene til at baglappe knivcylindrene (Figur 30).

Træk håndtaget ud for at skyde sædet frem eller tilbage (Figur 31).
Drej knappen for at indstille sædearmlænets vinkel (Figur 31).
Flyt håndtaget for at justere ryglænets hældning (Figur 31).
Vægtmåleren angiver, hvornår sædet er justeret til din vægt (Figur 31). Du kan justere højden ved at placere affjedringen inden for det grønne område.

Indstil sædet efter din vægt (Figur 31). Træk op i håndtaget for at øge lufttrykket, og tryk det ned for at reducere lufttrykket. Den korrekte justering opnås, når vægtmåleren befinder sig i det grønne område.
Infocenterets LCD-display viser oplysninger om din maskine, som f.eks. driftsstatus, diverse diagnostikoplysninger og andre oplysninger (Figur 32) Infocenteret har et velkomstbillede og en hovedinformationsskærm. Du kan skifte mellem velkomstbilledet og hovedinformationsskærmen på et hvilket som helst tidspunkt ved at trykke på en vilkårlig infocenter-knap og derefter vælge den korrekte retningspil.

Venstre-knap, menu-/tilbage-knap – tryk på denne knap for at gå ind på infocenterets menuer. Du kan bruge den til at gå ud af en menu, du i øjeblikket er inde i.
Midter-knap – brug denne knap til at rulle ned i menuer.
Højre knap – brug denne knap til at åbne en menu, hvor en pil til højre viser, at der er yderligere indhold.
Manuel omstyring af ventilator – tryk på venstre og højre knap samtidig for at aktivere denne funktion.
Alarm – aktiveres, når skjolddækslerne sænkes eller ved rådgivnings- og fejlmeddelelser
Note: Hver knaps funktion ændres afhængigt af, hvad der er påkrævet på et givet tidspunkt. For hver knap er der et ikon, der viser dens aktuelle funktion.
| SERVICE DUE | Angiver, når planlagt serviceeftersyn skal udføres |
![]() | Timer tilbage indtil service |
![]() | Nulstil servicetimer ![]() |
![]() | Infoikon |
![]() | Timetæller |
![]() | Hurtig |
![]() | Langsom |
![]() | Omstyring af ventilator – angiver, at ventilatoren kører baglæns |
![]() | Luftindtagsforvarmer er aktiv |
![]() | Hæv klippeenhederne |
![]() | Sænk klippeenhederne |
![]() | Operatøren skal sidde på sædet |
![]() | Indikator for parkeringsbremse – angiver, når parkeringsbremsen er i positionen On (Til) |
![]() | Identificerer hastigheden som High (Høj) |
![]() | Neutral |
![]() | Identificerer hastigheden som Low (Lav) |
![]() | Kølevæskens temperatur – viser motorens kølevæskes temperatur i enten °C eller °F |
![]() | Temperatur (varm) |
![]() | Afvist eller ikke tilladt |
![]() | Kraftudtag er indkoblet |
![]() | Motorstart |
![]() | Stop eller afbryd |
![]() | Motor |
![]() | Tændingskontakt |
![]() | Angiver, når klippeenhederne sænkes |
![]() | Angiver, når klippeenhederne hæves |
![]() | PIN-adgangskode |
![]() | Hydraulikvæsketemperatur – viser hydraulikvæskens temperatur |
![]() | CAN-bus |
![]() | InfoCenter |
![]() | Dårlig eller mislykkedes |
![]() | Pære |
![]() | TEC-styreenhedens eller kontrolkablets udgangsstik i ledningsnettet |
![]() | Høj: over tilladt interval |
![]() | Lav: under tilladt interval |
/![]() | Udenfor interval |
![]() | Kontakt |
![]() | Operatøren skal slippe kontakten |
![]() | Operatøren skal skifte til den tilstand, der er angivet |
| Symboler kombineres ofte for at danne sætninger. Der vises nogle eksempler nedenfor. | |
![]() | Operatøren skal sætte maskinen i frigear |
![]() | Motorstart afvist |
![]() | Standsning af motor |
![]() | Motorkølevæske for varm |
![]() | Hydraulikolie for varm |
![]() | Sid ned, eller aktiver parkeringsbremse |
Der
er kun adgang med PIN-kode
For at gå ind på infocenterets menusystem skal du trykke på menuknappen, når du er på hovedskærmen. Det bringer dig til hovedmenuen. I disse tabeller kan du se en oversigt over de muligheder, der er tilgængelige i menuerne:
| Hovedmenu | |
| Menuelement | Beskrivelse |
| Fejl | Fejlmenuen indeholder en liste over de seneste maskinfejl. Se servicevejledningen, eller henvend dig til din autoriserede Toro-forhandler for at få flere oplysninger om menuen Faults og oplysningerne indeholdt deri. |
| Service | Servicemenuen indeholder oplysninger om maskinen, såsom antal driftstimer og andre lignende tal. |
| Diagnostik | Diagnostikmenuen viser status for hver af maskinens kontroller, sensorer og styreenhedsudgange. Du kan bruge den til fejlfinding af visse problemer, da den fortæller dig, hvilke af maskinens betjeningsanordninger, der er slået til eller fra. |
| Indstillinger | Menuen Indstillinger giver dig mulighed for at tilpasse og ændre konfigurationsvariablerne på infocenterets display. |
| Om | Menuen Om viser maskinens modelnummer, serienummer og softwareversion. |
| Service | |
| Menuelement | Beskrivelse |
| Hours (timer) | Menuen Hours (timer) viser det samlede antal timer, som maskinen, motoren og kraftudtaget har været tændt, såvel som det antal timer, maskinen er blevet transporteret, og hvornår det er tid til et serviceeftersyn. |
| Counts (optællinger) | Menuen Counts (optællinger) viser adskillige optællinger, maskinen har gennemgået. |
| Diagnostik | |
| Menuelement | Beskrivelse |
| Cutting Units | Angiver inputs, kvalifikatorer og outputs til hævning og sænkning af klippeenhederne |
| Høj/lav kørselshastighed | Angiver inputs, kvalifikatorer og outputs til kørsel i transportfunktion |
| Kraftudtag | Angiver inputs, kvalifikatorer og outputs til aktivering af kraftudtagets kredsløb |
| Engine Run | Angiver inputs, kvalifikatorer og outputs til start af motoren |
| Backlap | Angiver inputs, kvalifikatorer og outputs til brug af baglapningsfunktionen |
| Indstillinger | |
| Menuelement | Beskrivelse |
| Enheder | Styrer enhederne, der anvendes på infocenteret. Du kan vælge mellem britiske eller metriske enheder |
| Sprog | Styrer sprogene, der anvendes på infocenteret* |
| LCD Backlight | Styrer LCD-displayets lysstyrke |
| LCD Contrast | Styrer LCD-displayets kontrast |
| Cylinderhastighed for forreste baglapning | Styrer hastigheden på de forreste knivcylindre i baglapningstilstand |
| Cylinderhastighed for bageste baglapning | Styrer hastigheden på de bageste knivcylindre i baglapningstilstand |
| Protected Menus (beskyttede menuer) | Giver den tilsynsførende/mekanikeren adgang til beskyttede menuer ved at angive en adgangskode |
Automatisk tomgang ![]() | Styrer den tilladte tid, før motoren går tilbage til lav tomgang, når maskinen står stille |
Skæreknivsantal ![]() | Styrer antallet af skæreknive på knivcylinderen for cylinderhastigheden |
Klippehastighed ![]() | Styrer kørselshastigheden til fastlæggelse af cylinderhastigheden |
Klippehøjde ![]() | Styrer klippehøjden til fastlæggelse af cylinderhastigheden |
Forreste cylinder, o/min ![]() | Viser den beregnede cylinderhastighedsposition for de forreste knivcylindre. Knivcylinderne kan også justeres manuelt |
Bageste cylinder, o/min ![]() | Viser den beregnede cylinderhastighedsposition for de bageste knivcylindre. Knivcylinderne kan også justeres manuelt |
*Kun den tekst, som vises til operatøren, er oversat. Fejl-, service- og diagnostik vises til serviceteknikere. Titlerne vises på det valgte sprog, men menupunkterne er på engelsk.
Beskyttet
under Beskyttede menuer – kun adgang ved at indtaste pinkode
| About (om) | |
| Menuelement | Beskrivelse |
| Model | Viser maskinens modelnummer |
| SN | Viser maskinens serienummer |
| Hovedstyreenhedens version | Viser softwareversionen for hovedstyreenheden |
| Infocenterets version | Viser softwareversionen for infocenteret |
| CAN-bus | Viser status for maskinens kommunikationsbus |
Der er 5 indstillinger for driftskonfiguration, som kan justeres i menuen Indstillinger i infocenteret: Skæreknivsantal, Klippehastighed, Klippehøjde, Forreste cylinder, o/min, og Bageste cylinder, o/min. Du kan låse disse indstillinger ved at bruge den beskyttede menu.
Note: På leveringstidspunktet er adgangskoden programmeret af din forhandler.
Rul ned til menuen Indstillinger fra hovedmenuen, og tryk på den højre knap.
Rul ned til den beskyttede menu fra menuen Indstillinger, og tryk på den højre knap.
For at indtaste adgangkoden skal du bruge den midterste knap til at angive det første ciffer, og derefter trykke på den højre knap for at gå videre til det næste ciffer.
Brug den midterste knap til at angive det andet ciffer, og tryk derefter på den højre knap for at gå videre til det næste ciffer.
Brug den midterste knap til at angive det tredje ciffer, og tryk derefter på den højre knap for at gå videre til det næste ciffer.
Brug den midterste knap til at angive det fjerde ciffer, og tryk derefter på den højre knap.
Tryk på den midterste knap for at indlæse koden.
Hvis koden accepteres, og den beskyttede menu er blevet låst op ("Unlocked"), vises "PIN" i øverste højre hjørne af displayskærmen.
Muligheden for at se og ændre indstillingerne i den beskyttede menu kan ændres. Rul ned til beskyttede indstillinger, når der er oprettet adgang til den beskyttede menu. Når de beskyttede indstillinger med højre knap sættes til Off (fra), er det muligt at se og ændre indstillingerne i den beskyttede menu uden at indtaste en adgangskode. Hvis de beskyttede indstillinger ændres til On (til), skjules de beskyttede muligheder, og en adgangskode er påkrævet for at ændre indstillingen i den beskyttede menu. Når adgangskoden er blevet indstillet, skal tændingskontakten slukkes og tændes igen for at aktivere og gemme denne funktion.
Note: Hvis du glemmer eller forlægger adgangskoden, kan du kontakte din forhandler for at få hjælp.
Rul ned til Auto Idle (automatisk tomgang) fra menuen Settings.
Tryk på den højre knap for at skifte tiden for automatisk tomgang mellem Fra, 8 sek., 10 sek., 15 sek., 20 sek. og 30 sek.
Rul ned til Skæreknivsantal i menuen Indstillinger.
Tryk på den højre knap for at ændre antallet af skæreknive til 5, 8 eller 11 skæreknive.
Rul ned til Klippehastighed i menuen Indstillinger.
Tryk på den højre knap for at vælge klippehastigheden.
Brug den midterste og højre knap for at vælge den relevante klippehastighed, som indstilles på den mekaniske klippehastighedsbegrænser på traktionspedalen.
Tryk på den venstre knap for at lukke klippehastigheden og gemme indstillingen.
Rul ned til Klippehøjde i menuen Indstillinger.
Tryk på den højre knap for at vælge klippehøjden.
Brug den midterste og højre knap for at vælge den relevante klippehøjde.
Note: Hvis den korrekte indstilling ikke vises, skal du vælge den nærmeste klippehøjdeindstilling på den viste liste.
Tryk på den venstre knap for at lukke klippehøjden og gemme indstillingen.
Selvom hastighederne for forreste og bageste knivcylinderhastighed beregnes ved at indtaste antallet af skæreknive, klippehastigheden og klippehøjden i infocenteret, kan indstillingen ændres manuelt, så den passer til forskellige klippeforhold.
Rul ned til Forreste cylinder, o/min, Bageste cylinder, o/min eller begge.
Tryk på den højre knap for at ændre værdien for cylinderhastighed. Når hastighedsindstillingen ændres, vises den beregnede knivcylinderhastighed fortsat på skærmen baseret på skæreknivsantal, klippehastighed og klippehøjde, som du indtastede tidligere, men den nye værdi vises også.
Note: Specifikationer og design kan ændres uden forudgående varsel.
| Klippebredde, klippeenheder på 69 cm | 307 cm |
| Klippebredde, klippeenheder på 81 cm | 320 cm |
| Samlet bredde, klippeenheder på 69 cm nede | 345 cm |
| Samlet bredde, klippeenheder på 81 cm nede | 358 cm |
| Samlet bredde, klippeenheder oppe (ved transport) | 239 cm |
| Samlet længde | 370 cm |
| Højde med styrtbøjle | 220 cm |
| Sporbredde, foran | 229 cm |
| Sporbredde, bagpå | 141 cm |
| Akselafstand | 171 cm |
| Nettovægt (uden klippeenheder og væsker) | 1.574 kg |
Der kan fås en række forskellige Toro-godkendte redskaber og tilbehør til brug sammen med maskinen, som gør den bedre og mere alsidig. Kontakt en autoriseret serviceforhandler eller en autoriseret Toro-forhandler, eller gå ind på www.Toro.com for at få en liste over alt godkendt udstyr og tilbehør.
Brug kun originale Toro-reservedele og tilbehør for at sikre optimal ydelse og sikre, at maskinen fortsat overholder sikkerhedscertificeringen. Reservedele og tilbehør, der er fremstillet af andre producenter, kan være farlige, og brug heraf kan gøre garantien ugyldig.
Note: Maskinens venstre og højre side er som set fra den normale betjeningsposition.
Maskinen må aldrig betjenes eller vedligeholdes af børn eller utrænet personale. Vær opmærksom på, at lokale forskrifter kan angive en mindstealder for operatøren. Ejeren er ansvarlig for at træne alle operatører og mekanikere.
Bliv fortrolig med anvisningerne for sikker betjening af udstyret samt med betjeningsanordningerne og sikkerhedssymbolerne.
Sluk motoren, tag nøglen ud (hvis udstyret hermed), og vent, til al bevægelse standser, inden du forlader førersædet. Lad maskinen køle af, inden du justerer, efterser, rengør eller stiller den til opbevaring.
Du skal vide, hvordan man hurtigt standser maskinen og slukker motoren.
Betjen ikke maskinen, uden at alle afskærmninger og øvrige sikkerhedsanordninger sidder og fungerer korrekt på maskinen.
Før du klipper, skal du altid efterse maskinen for at sikre, at klippeenhederne er i god driftsmæssig stand.
Efterse området, hvor maskinen skal bruges, og fjern alle objekter, som maskinen kan risikere at udslynge.
Vær yderst forsigtig, når du håndterer brændstof. Det er letantændeligt, og dampene kan eksplodere.
Sluk alle cigaretter, cigarer, piber og andre antændingskilder.
Brug kun en godkendt brændstofbeholder.
Fjern ikke brændstofdækslet, og fyld ikke brændstoftanken, mens motoren kører eller er varm.
Du må ikke påfylde eller tømme brændstof i et lukket rum.
Opbevar ikke maskinen eller brændstofbeholdere, hvor der er åben ild, gnister eller vågeblus som f.eks. på en vandvarmer eller andre apparater.
Hvis du spilder brændstof, må du ikke forsøge at starte motoren. Foretag dig ikke noget, der kan antænde brændstoffet, før dampene er spredt.
| Vedligeholdelsesintervaller | Vedligeholdelsesprocedure |
|---|---|
| Hver anvendelse eller dagligt |
|
Før maskinen startes hver dag, skal procedurerne for Hver anvendelse/Dagligt udføres som beskrevet i .
83 l
Manglende iagttagelse af følgende advarsler kan beskadige motoren.
Brug aldrig petroleum eller benzin i stedet for dieselbrændstof.
Bland aldrig petroleum eller brugt motorolie med dieselbrændstoffet.
Opbevar aldrig brændstof i indvendigt forzinkede beholdere.
Brug ikke brændstofadditiver.
Brug kun ren, frisk dieselolie eller biodieselbrændstoffer med lavt (<500 ppm) eller ekstra lavt (<15 ppm) svovlindhold. Det minimale cetantal bør være 40. Køb brændstof i mængder, der kan bruges inden for 180 dage for at sikre, at brændstoffet er friskt.
Brug sommerdieselolie (nr. 2-D) ved temperaturer over -7 °C og vinterdieselolie (nr. 1-D eller en blanding af nr. 1-D/2-D) ved temperaturer under -7 °C. Brug af vinterbrændstof ved lavere temperaturer giver et lavere flammepunkt og en kold flowkarakteristik, som letter start og minimerer tilstopning af brændstoffilteret.
Brug af sommerbrændstof ved over -7 °C bidrager til at forlænge brændstofpumpens levetid og giver øget effekt sammenlignet med vinterbrændstof.
Denne maskine kan også bruge et blandet biodieselbrændstof på op til B20 (20 % biodiesel, 80 % petrodiesel). Andelen af petrodiesel bør være lav eller have et ekstra lavt svovlindhold. Træf følgende forholdsregler:
Specifikation for biodieselbrændstof: AASTM D6751 eller EN14214
Specifikation for blandet brændstof: AASTM D975 eller EN590
Træf følgende forholdsregler:
Biodieselblandinger kan beskadige lakerede overflader.
Brug B5 (biodieselindhold på 5 %) eller blandinger med et lavere biodieselindhold under kolde vejrforhold.
Efterse tætninger, slanger og pakninger, der kommer i berøring med brændstoffet, da de kan forringes over tid.
Brændstoffilteret på din maskine kan blive tilstoppet et vist stykke tid efter, at du er gået over til at bruge biodieselblandinger.
Kontakt en autoriseret Toro-forhandler for at få flere oplysninger om biodiesel.
Parker maskinen på en plan flade, sænk klippeenhederne, sluk motoren, og tag nøglen ud.
Rengør området omkring tankdækslet med en ren klud.
Fjern dækslet fra brændstoftanken (Figur 33).

Fyld tanken med , indtil niveauet ligger ved påfyldningsstudsens bund.
Sæt tankdækslet på, og stram det, når tanken er fyldt op.
Note: Fyld om muligt brændstoftanken helt op efter hver anvendelse. Dette vil minimere muligheden for akkumulering af kondens i brændstoftanken.
Ejeren/operatøren kan forhindre og er ansvarlig for ulykker, som kan forårsage personskade eller tingsskade.
Bær korrekt beklædning, herunder beskyttelsesbriller, lange bukser, skridsikkert, kraftigt fodtøj og høreværn. Sæt langt hår op, og bær ikke løstsiddende tøj eller smykker.
Betjen ikke maskinen, hvis du er syg, træt eller påvirket af alkohol eller medicin.
Betjening af maskinen kræver din fulde opmærksomhed. Giv dig ikke i kast med aktiviteter, der afleder opmærksomheden, da dette kan medføre person- eller tingsskade.
Før du starter motoren, skal du sørge for, at alle drev er i neutral, at parkeringsbremsen er aktiveret, og at du sidder i betjeningspositionen.
Kør ikke med passagerer på maskinen, og hold omkringstående og børn væk fra arbejdsområdet.
Betjen kun maskinen ved god sigtbarhed for at undgå huller eller skjulte farer.
Undgå at klippe vådt græs. Nedsat traktion kan få maskinen til at skride ud.
Hold dine hænder og fødder væk fra klippeenhederne.
Se bagud og ned for at sikre, at der er fri bane, før du bakker.
Vær forsigtig, når du nærmer dig blinde hjørner, buske, træer eller andre genstande, der kan blokere for dit udsyn.
Stop klippeenhederne, når du ikke klipper.
Sænk farten, og vær forsigtig, når du vender og krydser veje og fortove med maskinen. Hold altid tilbage for andre.
Betjen kun motoren i områder med god udluftning. Udstødningsgasser indeholder kulilte, som er dødbringende, hvis de indåndes.
Efterlad ikke en kørende maskine uden opsyn.
Før du forlader førersædet, skal du gøre følgende:
Parker maskinen på en plan overflade.
Udkobl klippeenheden/-erne, og sænk redskaberne.
Aktiver parkeringsbremsen.
Sluk motoren, og tag nøglen ud (hvis udstyret hermed).
Vent på, at al bevægelse standser.
Betjen kun maskinen i god sigtbarhed og gode vejrforhold. Betjen ikke maskinen, når der er risiko for lynnedslag.
Du må ikke fjerne styrtbøjlesystemet fra maskinen.
Sørg for, at sikkerhedsselen er spændt, og at du kan frigøre den hurtigt i nødstilfælde.
Kontroller omhyggeligt, om der er forhindringer oven over dig, og sørg for, at du i så fald ikke kommer i kontakt med dem.
Hold styrtbøjlesystemet i sikker driftsmæssig stand ved at udføre grundige periodiske skadeseftersyn og tilspænde alle fastspændingsanordninger.
Udskift et beskadiget styrtbøjlesystem. Du må ikke reparere eller ændre den.
Brug altid sikkerhedsselen, når styrtbøjlen er i den hævede position.
Styrtbøjlesystemet er en integreret sikkerhedsanordning. Hold en sammenklappelig styrtbøjle i den hævede, låste position, og brug sikkerhedsselen, når du anvender maskinen med styrtbøjlen i hævet position.
En sammenklappelig styrtbøjle må kun sænkes midlertidigt, når det er nødvendigt. Spænd ikke sikkerhedsselen, når styrtbøjlen er foldet ned.
Husk, at styrtbøjlen ikke beskytter dig, når den er foldet ned.
Undersøg det område, du skal klippe, og fold aldrig styrtbøjlen ned i områder, hvor der er skråninger, bratte afsatser eller vand.
Skråninger er en væsentlig årsag til, at føreren mister herredømmet, eller at maskinen vælter. Sådanne ulykker kan medføre alvorlige personskader, i værste tilfælde med døden til følge. Operatøren er ansvarlig for sikker betjening på skråninger. Det kræver ekstra forsigtighed at betjene maskinen på alle former for skråninger.
Gennemgå anlægsforholdene på arbejdsstedet, herunder en besigtigelse af området, med henblik på at afgøre, om det er sikkert at betjene maskinen på skråningen. Brug altid sund fornuft og god dømmekraft, når du foretager denne besigtigelse.
Gennemlæs hældningsinstruktionerne nedenfor vedrørende betjening af maskinen på skråninger, og gennemgå de forhold, du skal betjene maskinen under, for at afgøre, om maskinen kan betjenes under forholdene på den pågældende dag og det pågældende sted. Ændringer i terrænet kan medføre en ændring i betjeningen af maskinen på skråninger.
Undlad at starte, standse eller vende maskinen på skråninger. Foretag ikke pludselige hastigheds- eller retningsskift. Drej maskinen langsomt og gradvist.
Undlad at betjene maskinen under forhold, hvor der er tvivl om traktion, styring eller stabilitet.
Fjern eller afmærk forhindringer såsom grøfter, huller, hjulspor, bump, sten eller andre skjulte farer. Højt græs kan skjule forhindringer. Ujævnt terræn kan få maskinen til at vælte.
Vær opmærksom på, at betjening af maskinen på vådt græs, på tværs af skråninger eller ned ad bakke kan medføre, at maskinen mister traktion. Mistet traktion til drivhjulene kan medføre, at maskinen glider, samt tab af bremse- og styrekontrol.
Vær yderst forsigtig, når du betjener maskinen i nærheden af bratte afsatser, grøfter, volde, vandarealer eller andre farer. Maskinen kan pludselig vælte, hvis et hjul kører over kanten, eller kanten giver efter. Fastlæg et sikkerhedsområde mellem maskinen og alle eventuelle faremomenter.
Identificer farerne ved bunden af skråningen. Hvis der identificeres farer, skal skråningen klippes med en håndstyret maskine.
Hvis det er muligt, skal klippeenheden/-erne forblive sænket til jorden, mens maskinen betjenes på skråninger. Hævning af klippeenheden/-erne ved betjening på skråninger kan gøre maskinen ustabil.
Vær yderst forsigtig ved brug af græssamlersystemer og andre redskaber. Disse kan ændre maskinens stabilitet og forårsage mistet herredømme.
Important: Udluft brændstofsystemet, hvis nogen af følgende situationer er opstået:
Motoren er gået i stå på grund af brændstofmangel.
Vedligeholdelse er udført på brændstofsystemets komponenter.
Tag foden væk fra traktionspedalen, og sørg for, at pedalen er i positionen NEUTRAL.
Note: Sørg for, at parkeringsbremsen er aktiveret.
Flyt kontakten til motorhastighed til positionen for LOW IDLE (lav tomgang).
Drej nøglen til positionen RUN (kør).
Note: Kontrollampen tændes.
Drej nøglen til positionen START, når kontrollampens lys bliver svagere.
Slip nøglen med det samme, når motoren starter, og lad den vende tilbage til positionen RUN (kør).
Juster motorhastigheden.
Important: Kør ikke startmotoren i mere end 15 sekunder ad gangen, da den ellers kan blive ødelagt. Hvis motoren ikke starter efter 15 sekunder, skal du dreje nøglen til positionen OFF (fra), kontrollere kontrolgrebene og procedurerne igen, vente yderligere 15 sekunder og gentage startproceduren.
Når temperaturen er under -7 °C, kan startmotoren køres i 30 sekunder og dernæst slukkes i 60 sekunder, og man har 2 forsøg.
Kontakt med bevægelige dele kan forårsage skader.
Sluk for motoren, og vent, til alle bevægelige dele er standset, før du kontrollerer, om der er olielækager, løse dele eller andre fejl.
Important: Lad motoren køre i tomgang i 5 minutter, før du slukker den efter drift ved fuld belastning. Herved får turboladeren tid til at køle af, før motoren slukkes. Gøres dette ikke, kan der opstå problemer med turboladeren.
Note: Sænk klippeenhederne ned på jorden, når du parkerer maskinen. Dette lette den hydrauliske belastning af systemet, forhindrer slid på systemets dele og forhindrer desuden, at klippeenhederne sænkes ved et uheld.
Sæt motoren tilbage til lav tomgangshastighed.
Flyt kraftudtagshåndtaget til positionen OFF (Fra).
Aktiver parkeringsbremsen.
Drej nøglen til positionen OFF (fra).
Tag nøglen ud af tændingen for at forhindre utilsigtet start.
Du kan justere modvægten på den bageste klippeenheds løftearme for at kompensere for forskellige plæneforhold og for at bevare en ensartet klippehøjde under ujævne forhold eller på steder med megen strådannelse.
Du kan justere hver modvægtsfjeder til en af 4 forskellige indstillinger. Hvert trin øger eller mindsker modvægtstrykket på klippeenheden med 2,3 kg. Du kan placere fjedrene på bagsiden af den første fjederaktuator for at fjerne hele modvægten (fjerde position).
Parker maskinen på en plan flade, sænk klippeenhederne til jorden, aktiver parkeringsbremsen, sluk motoren, og fjern nøglen.
Sæt et rør eller lignende ind i den lange fjederende for at slække fjederspændingen under justering (Figur 34).
Fjedrene er spændt og kan forårsage personskade.
Vær forsigtig under justering af fjedrene.
Fjern bolten og låsemøtrikken, som fastgør fjederaktuatoren til beslaget, mens fjederspændingen slækkes (Figur 34).

Flyt fjederaktuatoren til den ønskede hulplacering, og fastgør den med låsemøtrikken.
Gentag proceduren på den anden fjeder.
Parker maskinen på en plan flade, sænk klippeenhederne til jorden, aktiver parkeringsbremsen, sluk motoren, og fjern nøglen.
Kontakten til løftearmen er placeret bag den forreste højre løftearm (Figur 35).

Løsn kontaktens monteringsskruer (Figur 35), og flyt kontakten op for at forøge løftearmens drejehøjde, eller flyt kontakten ned for at mindske løftearmens drejehøjde.
Stram monteringsskruerne.
Styrtbøjlen kan foldes sammen, så du kan få adgang til steder med begrænset højde.
Maskinen har ikke et styrtbøjlesystem, når styrtbøjlen er foldet sammen, og bør ikke betragtes som et styrtbøjlesystem.
Bær ikke sikkerhedssele, når styrtbøjlen er sænket.
Parker maskinen på en plan flade, sænk klippeenhederne til jorden, aktiver parkeringsbremsen, sluk motoren, og tag nøglen ud.
Understøt vægten af styrtbøjlens øvre stel, mens du fjerner låsestifterne og gaffelboltene fra aksebeslagene (Figur 36).

Sænk forsigtigt stellet nedad, indtil det hviler på stoppene.
Isæt gaffelboltene i de nederste huller, og fastgør med låsestifterne for at støtte det øvre stel i dets sænkede position.
For at hæve stellet skal du følge disse instruktioner i omvendt rækkefølge.
Styrtbøjlesystemet yder muligvis ikke optimal beskyttelse, hvis systemets låseboltsamlinger er løse. Dette kan føre til alvorlig kvæstelse og endda dødsfald, hvis maskinen vælter.
Når stellet er i hævet position, skal begge låseboltsamlinger være monteret og strammet helt for at sikre fuld styrtbøjlebeskyttelse.
Når styrtbøjlen sænkes og hæves, kan fingre blive klemt mellem maskinen og styrtbøjlen.
Vær forsigtig, når styrtbøjlestellet sænkes og hæves, så du undgår, at fingre kommer i klemme mellem stellets faste dele og de roterende dele.
Hold alle møtrikker, bolte og skruer tilspændte for at sikre, at udstyret er i sikker driftsmæssig stand.
Udskift af sikkerhedsmæssige årsager slidte eller beskadigede dele.
Kontroller, at sikkerhedsselen og monteringerne er i sikker driftsmæssig stand.
Bær sikkerhedsselen, når styrtbøjlen er hævet, og tag sikkerhedsselen af, når styrtbøjlen er sænket.
Important: Styrtbøjlen er en integreret sikkerhedsanordning. Hold styrtbøjlen i den hævede position, når du anvender plæneklipperen. Sænk kun styrtbøjlen midlertidigt, og når det er absolut nødvendigt.
| Vedligeholdelsesintervaller | Vedligeholdelsesprocedure |
|---|---|
| Hver anvendelse eller dagligt |
|
Hvis kontakterne til sikkerhedslåsesystemet frakobles eller beskadiges, kan maskinen reagere uventet og forårsage personskade.
Pil ikke ved sikkerhedskontakterne.
Kontroller dagligt, at sikkerhedskontakterne fungerer, og udskift eventuelle beskadigede kontakter, før du betjener maskinen.
Maskinen har sikkerhedskontakter i det elektriske system. Disse kontakter er konstruerede til at slukke for motoren, hvis du rejser dig fra sædet, når traktionspedalen er trådt ned. Du kan dog rejse dig fra sædet, mens motoren kører, hvis traktionspedalen er i frigear. Selvom motoren fortsat kører, hvis du udkobler kraftudtagskontakten og slipper traktionspedalen, skal du slukke for motoren, inden du rejser dig fra sædet.
Udfør følgende trin for at kontrollere sikkerhedskontakternes funktion:
Kør langsomt maskinen til et stort, forholdsvist åbent område.
Sænk klippeenhederne, sluk motoren, og aktiver parkeringsbremsen.
Tag plads i sædet, og træd traktionspedalen ned.
Forsøg at starte motoren.
Note: Motoren bør ikke tørne. Hvis motoren tørner, er der en fejl i låsesystemet. Afhjælp fejlen, før maskinen betjenes.
Tag plads i sædet, og start motoren.
Rejs dig op fra sædet, og flyt håndtaget til kraftudtaget til positionen On (til).
Note: Kraftudtaget bør ikke indkobles. Hvis kraftudtaget indkobles, er der en fejl i låsesystemet. Afhjælp fejlen, før maskinen betjenes.
Tag plads i sædet, aktiver parkeringsbremsen, og start motoren.
Flyt traktionspedalen ud af positionenNEUTRAL.
Note: Motoren bør slukkes. Hvis motoren ikke slukker, er der en fejl i låsesystemet. Afhjælp fejlen, før maskinen betjenes.
Før du begynder at slå græs, skal du øve dig i at bruge maskinen på et åbent område. Start og sluk motoren. Kør fremad og bak. Hæv og sænk klippeenhederne, og kobl knivcylindrene til og fra. Når du føler, at du er blevet fortrolig med maskinen, skal du øve dig i at køre op og ned ad skråninger ved forskellige hastigheder.
Hvis der tændes en advarselslampe under betjening af maskinen, skal maskinen stoppes med det samme, og fejlen udbedres, før der fortsættes. Der kan opstå alvorlige skader, hvis du betjener maskinen med en fejl.
Start motoren, og flyt kontakten til motorhastighed til positionen FAST (hurtig). Stil klippehastighedsbegrænseren i positionen MOW (klip). Flyt kontakten til kraftudtaget i positionen ON (til), og brug løftehåndtaget til at styre klippeenhederne (de forreste klippeenheder er indstillet, så de sænkes før de bageste). Træd traktionspedalen fremad for at køre fremad og klippe græsset.
Stil kontakten til kraftudtaget i positionen OFF (fra), og hæv klippeenhederne til transportpositionen. Stil klippehastighedsbegrænseren i transportposition. Vær forsigtig, når du kører gennem snævre passager, så du ikke kommer til at beskadige maskinen eller klippeenhederne. Vær ekstra forsigtig, når du betjener maskinen på skråninger. Kør langsomt, og undgå skarpe drejninger på skråninger for at forhindre væltning.
Sluk motoren, tag nøglen ud (hvis udstyret hermed), og vent, til al bevægelse standser, inden du forlader førersædet. Lad maskinen køle af, inden du justerer, efterser, rengør den eller stiller den til opbevaring.
Fjern græs og andet affald fra klippeenhederne, drevene, lydpotterne, køleskærmene og motorrummet for at forhindre brand. Tør spildt olie eller brændstof op.
Luk for brændstoftilførslen, når maskinen opbevares eller transporteres.
Udkobl drevet til redskabet, når du transporterer eller ikke bruger maskinen.
Vedligehold og rengør sikkerhedsselen/-erne efter behov.
Opbevar ikke maskinen eller brændstofbeholderen, hvor der er åben ild, gnister eller vågeblus som f.eks på en vandvarmer eller på andre apparater.
Brug ramper i fuld bredde, når maskinen læsses i en anhænger eller lastbil.
Fastgør maskinen forsvarligt.
Bindepunkterne er placeret som følger:
På hver side af stellet under de forreste trin
Bageste kofanger

Note: Understøt maskinen med donkrafte, når du arbejder under maskinen.
Dunkraftpunkterne er placeret som følger:
På maskinens forende på stellet inde i hvert drivdæk
På maskinens bagende i akslens midte
I nødstilfælde kan du flytte maskinen ved at aktivere omløbsventilen i hydraulikpumpen med variabel slagvolumen og montere en hydraulikslange til omløb af kontraventilen og derefter skubbe eller trække maskinen.
Important: Maskinen må ikke skubbes eller trækkes med en hastighed på over 3-4,8 km/t og højst 0,4 km, da der ellers kan opstå skader i gearkassen. Når du bugserer eller trækker maskinen, skal omløbsventilen være åben. Herudover skal du montere en hydraulikslange til omløb af kontraventilen, når du skubber eller bugserer maskinen baglæns.
Hvis du skal skubbe eller bugsere maskinen, er du sandsynligvis nødt til at flytte den både forlæns og baglæns. For at sikre, at drivsystemet ikke påføres skade af at blive skubbet eller bugseret, er det bedst at klargøre maskinen til at blive skubbet eller bugseret forlæns og baglæns.
Important: Hvis du skal skubbe eller bugsere maskinen baglæns, skal du først omløbe kontraventilen i 4-hjulstrækmanifolden.
Følgende Toro-dele er nødvendige for at omløbe kontraventilen:
Toro-delnr. 59-7410, fejlfindingsfitting
Toro-delnr. 354-79, dæksel til fejlfindingsfitting
Toro-delnr. 95-8843, hydraulikslange
Toro-delnr. 95-0985, koblerfitting (2)
Toro-delnr. 340-77, hydraulikfitting (2)
Monter en fejlfindingsfitting i den umarkerede port placeret mellem portene M8 og P2 på den bageste traktionsmanifold (Figur 38).

Tilslut en hydraulikslange mellem fejlfindingsfittingen monteret i den bageste traktionsmanifold og tryktestporten for omvendt traktion (Figur 39).
Note: Brug hydraulikfittingerne og koblerfittingerne efter behov for at montere slangen.

Drej omløbsventilen 90 ° (¼ omdrejning) i den ene eller den anden retning for at åbne den og lade væske løbe om internt (Figur 40).
Note: Idet væsken omløber transmissionen, kan du flytte maskinen langsomt, uden at gearkassen beskadiges.Bemærk ventilens position, når du åbner og lukker den.

Når du er færdig med at skubbe eller bugsere maskinen, skal du fjerne hydraulikslangen, som du monterede.
Monter den eksisterende hætte på tryktestporten for omvendt traktion.
Monter fejlfindingsfittingens hætte på fittingen, som du monterede på manifolden.
Drej omløbsventilen 90° (¼ omdrejning) tilbage, før motoren startes.
Note: Ventilen må ikke lukkes med et moment på over 7-11 N·m.
Hvis du kun skal skubbe eller bugsere maskinen forlæns, kan du blot dreje omløbsventilen.
Important: Hvis du skal skubbe eller bugsere maskinen baglæns, se Klargøring af maskinen til at blive skubbet eller bugseret baglæns.
Åbn motorhjelmen, og fjern den midterste beklædning.
Drej omløbsventilen 90 ° (1/4 omdrejning) i den ene eller den anden retning for at åbne den og lade væske løbe om internt (Figur 40).
Note: Da væsken omgår transmissionen, kan du flytte maskinen langsomt fremad uden at transmissionen beskadiges.Bemærk ventilens position, når du åbner og lukker den.
Drej omløbsventilen 90° (¼ omdrejning) tilbage, før motoren startes.
Note: Ventilen må ikke lukkes med et moment på over 7-11 N·m.
Note: Maskinens venstre og højre side er som set fra den normale betjeningsposition.
Før du forlader førersædet, skal du gøre følgende:
Parker maskinen på en plan overflade.
Udkobl klippeenheden/-erne, og sænk redskaberne.
Aktiver parkeringsbremsen.
Sluk motoren, og tag nøglen ud (hvis udstyret hermed).
Vent på, at al bevægelse standser.
Vent, til maskinens komponenter er kølet ned, før du udfører vedligeholdelse.
Udfør så vidt muligt ikke vedligeholdelse, mens motoren kører. Hold afstand til bevægelige dele.
Understøt maskinen med donkrafte, når du arbejder under maskinen.
Tag forsigtigt trykket af komponenter, hvori der er oplagret energi.
Hold alle dele af maskinen i god driftsmæssig stand og alle fastgørelsesdele tilspændt.
Udskift alle slidte eller beskadigede mærkater.
Brug kun originale Toro-reservedele for at sørge for en sikker, optimal ydeevne på maskinen. Reservedele, der er fremstillet af andre producenter, kan være farlige, og brug heraf kan gøre garantien ugyldig.
| Vedligeholdelsesintervaller | Vedligeholdelsesprocedure |
|---|---|
| Efter de første 8 timer |
|
| Efter de første 200 timer |
|
| Hver anvendelse eller dagligt |
|
| For hver 50 timer |
|
| For hver 100 timer |
|
| For hver 200 timer |
|
| For hver 250 timer |
|
| For hver 400 timer |
|
| For hver 800 timer |
|
| For hver 1000 timer |
|
| For hver 2000 timer |
|
| Før opbevaring |
|
Kopier denne side til daglig brug.
| Vedligeholdelsespunkter | I ugen: | ||||||
|---|---|---|---|---|---|---|---|
| Man. | Tirs. | Ons. | Tors. | Fre. | Lør. | Søn. | |
| Kontroller sikkerhedslåsesystemets funktion. | |||||||
| Kontroller bremsefunktionen. | |||||||
| Kontroller motorolie- og brændstofstanden. | |||||||
| Kontroller kølesystemets væskestand. | |||||||
| Tøm vand-/brændstofudskilleren. | |||||||
| Kontroller luftfilterets serviceindikator. | |||||||
| Kontroller køler, oliekøler og filter for snavs. | |||||||
| Kontroller, om der er usædvanlige motorlyde.1 | |||||||
| Kontroller for usædvanlige lyde under drift. | |||||||
| Kontroller hydrauliksystemets væskestand. | |||||||
| Kontroller, om hydraulikslangerne er beskadigede. | |||||||
| Kontroller for væskelækager. | |||||||
| Kontrol af dæktrykket. | |||||||
| Kontrol af instrumenternes funktion. | |||||||
| Kontroller afstanden mellem knivcylinderen og bundkniven. | |||||||
| Kontroller justeringen af klippehøjden. | |||||||
| Smør alle fedtfittings.2 | |||||||
| Reparation af beskadiget maling. | |||||||
| Vask maskinen. | |||||||
|
1. Kontroller gløderør og indsprøjtningsdyser, hvis motoren er svær at starte, producerer for meget røg eller kører ujævnt. |
|||||||
|
2. Umiddelbart efter hver vask, uanset det angivne interval |
|||||||
| Eftersyn foretaget af: | ||
| Punkt | Dato | Oplysninger |
| 1 | ||
| 2 | ||
| 3 | ||
| 4 | ||
| 5 | ||
| 6 | ||
| 7 | ||
| 8 | ||
Important: Se ejerens motorvejledning og betjeningsvejledningen til klippeenheden for at få yderligere oplysninger om vedligeholdelsesprocedurer.
Note: Hent en gratis kopi af ledningsdiagrammet eller hydraulikskemaet ved at besøge www.Toro.com og søge efter din maskine via vejledningslinket på hjemmesiden.
| Vedligeholdelsesintervaller | Vedligeholdelsesprocedure |
|---|---|
| For hver 50 timer |
|
Maskinen har smørenipler, som skal smøres jævnligt med litiumfedt nr. 2. Hvis du betjener maskinen under normale forhold, skal alle lejer og bøsninger smøres efter hver 50 timers brug eller straks efter hver vask.
Smøreniplernes placering og antal er som følger:
Bremseakslens pinollejer (5) (Figur 41)

Bagakslens drejebøsninger (2) (Figur 42)

Styretøjscylinderens kugleled (2) (Figur 43)

Forbindelsesstangens kugleled (2) (Figur 43)
Styreboltbøsninger (2) (Figur 43). Den øverste fitting på styrebolten bør kun smøres en gang om året (2 pumpeslag).
Løftearmsbøsninger (1 pr. klippeenhed) (Figur 44)

Løftearmsbøsninger (2 pr. klippeenhed) (Figur 44)
Løftearmens drejetapsbøsninger (1 pr. klippeenhed) (Figur 45)
Klippeenhedens bæreramme (2 pr. klippeenhed) (Figur 45)
Klippeenhedens løftearmsdrejetap (1 pr. klippeenhed) (Figur 45)

Sluk motoren, før du kontrollerer oliestanden eller hælder olie i krumtaphuset.
Lav ikke om på regulatorindstillingerne, og kør ikke motoren med for høj hastighed.
| Vedligeholdelsesintervaller | Vedligeholdelsesprocedure |
|---|---|
| For hver 400 timer |
|
Kontroller luftfilterhuset for skader, som kan medføre en luftlækage. Udskift den, hvis den er beskadiget. Kontroller hele indsugningssystemet for lækager, beskadigelse eller løse slangeklemmer.
Efterse kun luftfilteret, når serviceindikatoren (Figur 46) viser, at det er nødvendigt. Hvis du udskifter luftfilteret, før det er nødvendigt, øger du blot risikoen for, at der kommer snavs ind i motoren, når filteret afmonteres.

Important: Sørg for, at dækslet sidder korrekt og slutter tæt sammen med luftfilterelementet.
Parker maskinen på en plan overflade, sænk klippeenhederne, aktiver parkeringsbremsen, sluk for motoren, og tag nøglen ud.
Træk låsen udad, og drej luftfilterdækslet mod uret (Figur 47).

Fjern dækslet fra luftfilterhuset.
Før du afmonterer filteret, skal du ved hjælp af trykluft med lavt tryk (2,75 bar, ren og tør luft) fjerne større ansamlinger af snavs, der har ophobet sig mellem ydersiden af primærfilteret og filterdåsen. Undgå at bruge trykluft med højt tryk, som kan presse snavs gennem filteret og ind i indsugningsrøret.
Denne rengøringsmetode forhindrer, at der kommer snavs ind i indsugningen, når primærfilteret afmonteres.
Afmonter og udskift primærfilteret (Figur 48).
Det anbefales ikke at rengøre det brugte filter på grund af risikoen for at beskadige filtermediet. Efterse det nye filter for forsendelsesskader, og kontroller filterets forseglingsende og selve filterelementet. Benyt ikke et beskadiget filter.
Isæt det nye filter ved at trykke på den udvendige kant af filterelementet og skubbe det på plads i filterdåsen. Tryk ikke på den bløde del i midten af filteret.

Important: Forsøg aldrig at rense sikkerhedsfilteret (Figur 49). Udskift sikkerhedsfilteret med et nyt efter hvert tredje primærfiltereftersyn.

Rengør åbningen til udblæsning af snavs i det aftagelige dæksel.
Afmonter gummiudløbsventilen i dækslet, rengør fordybningen, og monter udløbsventilen.
Monter dækslet således, at gummiudløbsventilen vender nedad – i en position mellem ca. klokken 5 og klokken 7 set fra enden.
Nulstil indikatoren (Figur 46), hvis den viser rødt.
| Vedligeholdelsesintervaller | Vedligeholdelsesprocedure |
|---|---|
| Hver anvendelse eller dagligt |
|
Motoren leveres med olie i krumtaphuset, men oliestanden skal alligevel kontrolleres, før og efter motoren startes første gang.
Krumtaphusets oliekapacitet er ca. 9,5 l med filteret monteret.
Brug motorolie af høj kvalitet, der overholder følgende specifikationer:
Krævet API-klassifikationsniveau: CH-4, CI-4 eller højere
Foretrukken olie: SAE 15W-40: over -18 °C
Alternativ olie: SAE 10W-30 eller 5W-30 (alle temperaturer)
Note: Toro Premium-motorolie kan købes hos forhandleren med en viskositet på enten 15W-40 eller 10W-30.
Note: Det bedste tidspunkt at kontrollere motorolien på er, når motoren er kold, og inden den startes første gang på en dag. Hvis motoren allerede har kørt, skal olien drænes tilbage i sumpen ca. 10 minutter før, der udføres kontrol. Hvis oliestanden er på eller under mærket ”Add” (påfyld) på målepinden, skal du tilsætte olie for at bringe oliestanden op på mærket ”Full” (fuld). Overfyld ikke motoren. Hvis oliestanden er mellem mærket ”Full” og ”Add”, skal der ikke fyldes mere olie på.
Parker maskinen på en plan flade, sænk klippeenhederne til jorden, aktiver parkeringsbremsen, sluk motoren, og tag nøglen ud.
Lås motorhjelmslåsen op, og åbn motorhjelmen (Figur 50).

Fjern målepinden, tør den af, sæt den ind i røret, og træk den ud igen.
Oliestanden bør være inden for det sikre område (Figur 51).

Hvis olien er under det sikre område, skal du fjerne påfyldningsdækslet (Figur 52) og fylde olie på, indtil niveauet når mærket ”Full”.
Important: Overfyld ikke motoren.

Note: Når der benyttes en anden olie, skal al den gamle olie tappes af krumtaphuset, før ny olie påfyldes.
Monter oliepåfyldningsdækslet og målepinden.
Luk motorhjelmen, og fastgør den med låsene.
| Vedligeholdelsesintervaller | Vedligeholdelsesprocedure |
|---|---|
| For hver 250 timer |
|
Parker maskinen på en plan flade, sænk klippeenhederne til jorden, aktiver parkeringsbremsen, sluk motoren, og fjern nøglen.
Fjern aftapningsproppen (Figur 53), og lad olien flyde over i aftapningsbeholderen.

Monter aftapningsskruen, når olien holder op med at løbe.
Fjern oliefilteret (Figur 54).

Påfør et tyndt lag ren olie på den nye filterpakning, før den monteres.
Note: Stram ikke filteret for hårdt.
Fyld olie på krumtaphuset. Se Kontrol af motoroliestanden.
Juster gaskablet (Figur 55), så regulatorgrebet på motoren kommer i kontakt med stillebolten for høj hastighed, samtidig med at gaskablet berører enden af åbningen i styrearmen.

Under visse forhold er brændstof og brændstofdampe meget brandfarlige og eksplosive. En brand eller eksplosion forårsaget af brændstof kan give forbrændinger samt forårsage tingsskade.
Fyld brændstoftanken udendørs i et åbent område, når motoren er slukket og kold. Tør eventuelt spildt brændstof op.
Fyld ikke brændstoftanken helt op. Fyld brændstof på brændstoftanken, indtil niveauet ligger 25 mm under kanten af tanken (ikke påfyldningsstudsen). Dette tomrum i tanken giver brændstoffet plads til at udvide sig.
Ryg aldrig under håndtering af brændstof, og hold afstand til åben ild eller steder, hvor brændstofdampe kan antændes af en gnist.
Opbevar brændstof i en ren, sikkerhedsgodkendt beholder, og sørg altid for, at låget er skruet på.
| Vedligeholdelsesintervaller | Vedligeholdelsesprocedure |
|---|---|
| For hver 800 timer |
|
| Før opbevaring |
|
Parker maskinen på en plan flade, sænk klippeenhederne til jorden, aktiver parkeringsbremsen, sluk motoren, og fjern nøglen.
Tøm og rengør brændstoftanken, hvis brændstofsystemet forurenes, eller hvis maskinen skal tages ud af drift i længere tid. Brug rent brændstof til at skylle tanken med.
| Vedligeholdelsesintervaller | Vedligeholdelsesprocedure |
|---|---|
| For hver 400 timer |
|
Parker maskinen på en plan flade, sænk klippeenhederne til jorden, aktiver parkeringsbremsen, sluk motoren, og fjern nøglen.
Efterse brændstofslangerne for slitage, skader eller løse forbindelser.
| Vedligeholdelsesintervaller | Vedligeholdelsesprocedure |
|---|---|
| Hver anvendelse eller dagligt |
|
| For hver 400 timer |
|
Parker maskinen på en plan flade, sænk klippeenhederne til jorden, aktiver parkeringsbremsen, sluk motoren, og fjern nøglen.
Anbring en ren beholder under brændstoffilteret.
Løsn aftapningsproppen i bunden af filterdåsen.

Rengør området, hvor filterdåsen monteres.
Afmonter filterdåsen, og rengør monteringsfladen.
Smør pakningen på filterdåsen med ren olie.
Monter filterdåsen med hånden, indtil pakningen berører monteringsoverfladen. Drej dernæst endnu ½ omgang.
Stram aftapningsproppen i bunden af filterdåsen.
Parker maskinen på en plan flade, sænk klippeenhederne til jorden, aktiver parkeringsbremsen, sluk motoren, og fjern nøglen.
Brændstofindtagsslangen, som sidder inde i brændstoftanken, er udstyret med et filter, som medvirker til at forhindre, at der kommer snavs ind i brændstofsystemet. Afmonter brændstofindtagsslangen, og rengør filteret efter behov.
Frakobl batteriet, før maskinen repareres. Frakobl minuspolen først og pluspolen sidst. Tilslut pluspolen først og minuspolen sidst.
Oplad batterier på et åbent sted med god ventilation, væk fra gnister og åben ild. Træk stikket til opladeren ud af stikkontakten, før du slutter den til eller kobler den fra batteriet. Brug beskyttelsesdragt og isoleret værktøj.
Parker maskinen på en plan flade, sænk klippeenhederne til jorden, aktiver parkeringsbremsen, sluk motoren, og fjern nøglen.
Lås operatørens konsolpanel op, og løft det op (Figur 57).

Batterielektrolyt indeholder svovlsyre, der er dødbringende, hvis det indtages, og forårsager alvorlige forbrændinger.
Drik ikke elektrolyt, og undgå kontakt med hud, øjne og tøj. Brug sikkerhedsbriller for at beskytte øjnene og gummihandsker for at beskytte hænderne.
Fyld batteriet op på et sted, hvor der altid er rent vand i nærheden til at skylle huden med.
Slut en 3–4 A batterioplader til batteripolerne.
Oplad batteriet ved 3-4 A i 4 til 8 timer.
Når batteriet er opladet, tages opladeren ud af stikkontakten og frakobles batteripolerne.
Monter pluskablet (rødt) til pluspolen (+) og minuskablet (sort) til minuspolen (-) på batteriet (Figur 58).

Fastgør kablerne til polerne med maskinskruer og møtrikker.
Sørg for, at pluspolen (+) sidder ordentligt fast på batteriet, og at kablet er placeret tæt ind til batteriet. Kablet må ikke berøre batteridækslet.
Skyd gummikappen ind over pluspolen for at forhindre eventuel kortslutning.
Smør begge batteriforbindelser med Grafo 112X-fedt, Toro delnr. 505-47, vaseline eller let fedt for at forhindre korrosion.
Skyd gummikappen hen over batteriets pluspol.
Luk konsolpanelet, og fastgør låsen.
| Vedligeholdelsesintervaller | Vedligeholdelsesprocedure |
|---|---|
| For hver 50 timer |
|
Important: Før der foretages svejsninger på maskinen, skal det negative kabel frakobles batteriet for at forhindre, at det elektriske system beskadiges.
Note: Kontroller batteriets tilstand hver uge eller efter hver 50 driftstimer. Polerne og hele batterikassen skal holdes rene, da et snavset batteri langsomt vil aflades.
Rengør batteriet på følgende måde:
Parker maskinen på en plan flade, sænk klippeenhederne til jorden, aktiver parkeringsbremsen, sluk motoren, og fjern nøglen.
Fjern batteriet fra maskinen.
Vask hele kassen med en opløsning af tvekulsurt natron og vand.
Skyl kassen med rent vand.
For at forebygge korrosion belægges batteriet og kabelforbindelserne med Grafo 112X-fedt (Toro delnr. 505-47) eller vaseline.
| Vedligeholdelsesintervaller | Vedligeholdelsesprocedure |
|---|---|
| Hver anvendelse eller dagligt |
|
Dækkene er oppumpede med overtryk med henblik på forsendelse. Luk derfor noget af luften ud for at reducere trykket. Det korrekte lufttryk i dækkene er 0,83 til 1,03 bar. Kontroller dæktrykket dagligt.
Important: Oprethold det anbefalede tryk i alle dæk for at sikre en klipning af god kvalitet og korrekt maskinydeevne. Pump ikke for lidt luft i dækkene.
| Vedligeholdelsesintervaller | Vedligeholdelsesprocedure |
|---|---|
| Efter de første 8 timer |
|
| For hver 200 timer |
|
Parker maskinen på en plan flade, sænk klippeenhederne til jorden, aktiver parkeringsbremsen, sluk motoren, og fjern nøglen.
Hvis du ikke bevarer det rette tilspændingsmoment i hjulmøtrikkerne, kan det medføre svigt eller tab af hjulet, hvilket kan medføre personskade.
Tilspænd hjulmøtrikkerne for og bag med et moment på 115 til 136 N·m efter 1-4 timers brug og igen efter 8 timers brug. Tilspænd hjulmøtrikkerne med 200 timers mellemrum derefter.
Note: Forhjulets møtrikker er ½–20 UNF. Baghjulets møtrikker er M12 x 1,6-6H (metrisk).
| Vedligeholdelsesintervaller | Vedligeholdelsesprocedure |
|---|---|
| For hver 400 timer |
|
Der må ikke være endeslør i planetdrevene/drivhjulene (dvs. at hjulene ikke bør kunne bevæges, når de trækkes eller skubbes i en retning parallelt med akslen).
Parker maskinen på en plan overflade, aktiver parkeringsbremsen, sænk klippeenhederne, sluk for motoren, og tag nøglen ud.
Bloker baghjulene og hæv maskinens forende med donkrafte på forakslen/-rammen.
En maskine på en donkraft kan være ustabil og glide ned af donkraften, hvorved personer nedenunder den kan komme til skade.
Start ikke motoren, mens maskinen står på en donkraft.
Tag altid nøglen ud af tændingen, før maskinen forlades.
Bloker hjulene, når maskinen løftes med en donkraft.
Understøt maskinen med støttebukke.
Tag fat i ét af de forreste drivhjul, og skub/træk det hen mod og væk fra maskinen. Bemærk, om der er bevægelse.

Gentag trin 3 for det andet drivhjul.
Hvis et af hjulene bevæger sig, skal du kontakte en autoriseret Toro-forhandler og få planetdrevet genopbygget.
| Vedligeholdelsesintervaller | Vedligeholdelsesprocedure |
|---|---|
| For hver 400 timer |
|
Specifikation på smøremiddel: SAE 85W-140-gearolie af høj kvalitet
Parker maskinen på en plan overflade, og placer hjulet, så den ene påfyldningsprop står i klokken 12-positionen, kontrolproppen står i klokken 3-positionen og aftapningsproppen står i klokken 6-positionen (Figur 63).

Fjern kontrolproppen i kl. 3-positionen (Figur 63).
Der skal stå olie op til bunden af kontrolprophullet.

Hvis oliestanden er lav, skal påfyldningsproppen i kl. 12-positionen fjernes, og olie skal påfyldes, indtil den begynder at flyde ud af hullet i kl. 3-positionen.
Kontroller proppens/-ernes O-ring for slid eller skader.
Note: Udskift O-ringen(e) efter behov.
Monter tændrøret/-ene.
Gentag trin 1 til 5 på planetdrevet på den anden side af maskinen.
| Vedligeholdelsesintervaller | Vedligeholdelsesprocedure |
|---|---|
| Efter de første 200 timer |
|
| For hver 800 timer |
|
Specifikation på smøremiddel: SAE 85W-140-gearolie af høj kvalitet
Planetdrevets og bremsehusets smøringskapacitet: 0,65 l
Parker maskinen på en plan overflade, og placer hjulet, så den ene påfyldningsprop står i klokken 12-positionen, kontrolproppen står i klokken 3-positionen og aftapningsproppen står i klokken 6-positionen. Se Figur 63 i Kontrol af planetdrevets smøremiddel.
Fjern påfyldningsproppen i kl. 12-positionen og kontrolproppen i kl. 3-positionen (Figur 65).

Placer en drænbakke under planetnavet, fjern aftapningsproppen i kl. 6-positionen, og lad olien dræne fuldstændigt (Figur 65).
Kontroller påfyldnings-, kontrol- og aftapningsproppernes O-ringe for slid eller skader.
Note: Udskift O-ringen(e) efter behov.
Monter aftapningsproppen i planethusets aftapningshul (Figur 65).
Placer en drænbakke under bremsehuset, fjern aftapningsproppen, og lad olien dræne fuldstændigt (Figur 66).

Kontroller tændrørets O-ring for slid eller skader, og monter aftapningsproppen i bremsehuset.
Note: Udskift O-ringen efter behov.
Fyld langsomt planetdrevet med 0,65 liter SAE 85W-140-gearolie af høj kvalitet gennem påfyldningsproppens hul.
Important: Hvis planetdrevet fyldes, før du har fyldt 0,65 liter olie på, skal du vente 1 time eller montere proppen og flytte maskinen cirka 3 meter, så olien fordeles i bremsesystemet. Fjern derefter proppen, og hæld den resterende olie på.

Monter påfyldningsproppen og kontrolproppen.
Tør planetdrevet og bremsehusene af (Figur 68).

Gentag trin 1 til 7 i Dræning af planetdrevet og trin 1 til 3 i denne procedure for planet-/bremsesamlingen på den anden side af maskinen.
| Vedligeholdelsesintervaller | Vedligeholdelsesprocedure |
|---|---|
| Hver anvendelse eller dagligt |
|
| For hver 400 timer |
|
Bagakslen er fra fabrikken fyldt med SAE 85W-140-gearolie. Kapaciteten er 2,4 liter.
Parker maskinen på en plan flade, sænk klippeenhederne til jorden, aktiver parkeringsbremsen, sluk motoren, og fjern nøglen.
Fjern en kontrolprop fra akslens ene ende (Figur 69), og sørg for, at olien når op til bunden af hullet. Hvis standen er lav, skal du fjerne påfyldningsproppen (Figur 69) og hælde olie på, til den når op til bunden af kontrolprophullerne.

| Vedligeholdelsesintervaller | Vedligeholdelsesprocedure |
|---|---|
| Efter de første 200 timer |
|
| For hver 800 timer |
|
Parker maskinen på en plan flade, sænk klippeenhederne til jorden, aktiver parkeringsbremsen, sluk motoren, og fjern nøglen.
Rengør området rundt om de 3 aftapningspropper, 1 på hver ende og 1 i midten (Figur 70).

Fjern olieniveauets kontrolpropper og hovedakslens udluftningsdæksel for at lette aftapningen af olien.
Fjern aftapningspropperne, og lad olien løbe ned i bakkerne.
Skru propperne i.
Afmonter en kontrolprop, og fyld akslen med cirka 2,37 l 85W-140-gearolie, eller indtil olien når op til bunden af påfyldningshullet.
Skru kontrolproppen i.
| Vedligeholdelsesintervaller | Vedligeholdelsesprocedure |
|---|---|
| Hver anvendelse eller dagligt |
|
| For hver 400 timer |
|
Gearkassen er fyldt med SAE 85W-140-gearolie. Kapaciteten er 0,5 liter.
Parker maskinen på en plan flade, sænk klippeenhederne til jorden, aktiver parkeringsbremsen, sluk motoren, og fjern nøglen.
Fjern kontrol/påfyldningsproppen fra venstre side af gearkassen (Figur 71), og sørg for, at smøreoliestanden når op til bunden af hullet. Hvis oliestanden er lav, skal der hældes tilstrækkelig olie på, til at den når op til bunden af hullet.

Maskinen må ikke krybe, når traktionspedalen slippes. Hvis den kryber, er det nødvendigt at foretage en justering.
Parker maskinen på en plan flade, sluk motoren, placer hastighedskontrollen i indstillingen for lav hastighed, og sænk klippeenhederne.
Træd kun på den højre bremsepedal, og aktiver parkeringsbremsen.
Løft den venstre side af maskinen op med en donkraft, indtil venstre forhjul slipper gulvet. Understøt maskinen med bukke, så den ikke kan vælte ved et uheld.
Start motoren, og lad den køre i lav tomgang.
Juster kontramøtrikkerne på pumpestangens ende for at flytte pumpekontrolslangen fremad for at afhjælpe krybning fremad, eller flyt den bagud for at afhjælpe bagudrettet krybning (Figur 72).

Når hjulet holder op med at rotere, skal du stramme kontramøtrikkerne for at sikre justeringen.
Sluk motoren, og slip den højre bremse.
Fjern donkraftene, og sænk maskinen ned på gulvet.
Prøvekør maskinen for at sikre, at den ikke kryber.
| Vedligeholdelsesintervaller | Vedligeholdelsesprocedure |
|---|---|
| For hver 800 timer |
|
Parker maskinen på en plan flade, sænk klippeenhederne til jorden, aktiver parkeringsbremsen, sluk motoren, og fjern nøglen.
Mål afstanden fra midte til midte (i akselhøjden) på de styrende dæk, foran og bag akslen.
Note: Målingen foran akslen skal være 3 mm mindre end målingen bag akslen (Figur 73).

Du kan justere spidsningen ved at fjerne låseclipsen og møtrikken fra hver forbindelsesstangs kugleled (Figur 74).

Fjern forbindelsesstangens kugleled fra akselhusets holder.
Løsn klemmerne i hver ende af forbindelsesstængerne (Figur 74).
Drej det fritliggende kugleled en hel omgang indad eller udad.
Stram klemmen i den løse ende af forbindelsesstangen.
Drej hele forbindelsesstangen en hel omgang i samme retning (indad eller udad).
Stram klemmen i den tilsluttede ende af forbindelsesstangen.
Monter kugleleddet på akselhusets holder, og stram møtrikken fingerstramt.
Mål spidsningen.
Gentag proceduren om nødvendigt.
Stram møtrikken, og monter en ny låseclips, når justeringen er korrekt.
Indtagelse af motorkølevæske kan forårsage forgiftning. Opbevares utilgængeligt for børn og kæledyr.
Udslip af varm kølevæske under tryk eller berøring af den varme køler og de omgivende dele kan forårsage alvorlige forbrændinger.
Lad altid motoren køle af i mindst 15 minutter, før kølerdækslet tages af.
Brug en klud, når kølerdækslet åbnes, og åbn det langsomt, så damp kan slippe ud.
| Vedligeholdelsesintervaller | Vedligeholdelsesprocedure |
|---|---|
| Hver anvendelse eller dagligt |
|
Kontroller kølervæskestanden ved begyndelsen af hver dag. Systemets kapacitet er på ca. 12,3 l.
Tag forsigtigt kølerdækslet af.
Hvis motoren har kørt, kan varm kølevæske under tryk slippe ud og forårsage forbrændinger.
Tag ikke kølerdækslet af, når motoren kører.
Brug en klud, når kølerdækslet åbnes, og åbn det langsomt, så damp kan slippe ud.

Kontroller kølervæskestanden i køleren.
Note: Køleren bør fyldes til toppen af påfyldningsstudsen, og ekspansionsbeholderen bør fyldes til mærket ”Full” (Figur 75).
Hvis kølervæskestanden er lav, tilsættes en 50/50-blanding af vand og ethylenglycol-frostvæske.
Note: Brug ikke alkohol/methanol-baserede kølervæsker eller vand alene.
Monter kølerdækslet og dækslet til ekspansionsbeholderen.
| Vedligeholdelsesintervaller | Vedligeholdelsesprocedure |
|---|---|
| Hver anvendelse eller dagligt |
|
Fjern snavs fra motorområdet, oliekøleren og køleren dagligt. Rengør dem oftere under snavsede forhold.
Parker maskinen på en plan flade, sænk klippeenhederne til jorden, aktiver parkeringsbremsen, sluk motoren, og fjern nøglen.
Åbn den bageste skærm (Figur 76).

Rengør skærmen grundigt for alt snavs.
Note: Du kan afmontere skærmen ved at løfte hængselsstifterne af.
Rengør begge sider af oliekøler-/kølerområdet (Figur 77) grundigt med trykluft. Start fra forenden, og blæs snavs ud mod bagsiden. Rengør dernæst fra bagsiden, og blæs mod forenden. Gentag proceduren adskillige gange, indtil snavs og skidt er fjernet.

Important: Rengøring af oliekøleren eller køleren med vand medvirker til, at der for tidligt opstår korrosionsskader på komponenterne, og at der ophober sig snavs.
Luk bagskærmen, og fastgør den med låsen.
Juster driftsbremserne, hvis bremsepedalen har mere end 13 mm “fri vandring”, eller når bremserne ikke virker effektivt. Fri vandring angiver den afstand, som bremsepedalen kan flyttes, før du mærker bremsemodstand.
Parker maskinen på en plan flade, sænk klippeenhederne til jorden, aktiver parkeringsbremsen, sluk motoren, og fjern nøglen.
Løsn låsen fra bremsepedalerne, så begge pedaler virker uafhængigt af hinanden.
Stram bremserne for at reducere bremsepedalernes frie vandring på følgende måde:
Løsn den forreste møtrik på bremsekablets gevind-ende (Figur 78).

Tilspænd den bageste møtrik for at flytte kablet bagud, indtil bremsepedalerne har 0-13 mm fri vandring.
Note: Sørg for, at der ikke er bremsetræk, når du slipper pedalen.
Tilspænd de forreste møtrikker, når bremserne er justeret korrekt.
| Vedligeholdelsesintervaller | Vedligeholdelsesprocedure |
|---|---|
| For hver 100 timer |
|
Den rigtige spænding muliggør en afbøjning på 10 mm, når remmen påføres en belastning på 45 N midtvejs mellem remskiverne.
Hvis afbøjningen ikke er 10 mm, skal generatorens monteringsbolte løsnes (Figur 79).

Øg eller mindsk generatorremmens stramhed, og tilspænd boltene.
Kontroller remmens afbøjning igen for at sikre, at stramningen er korrekt.
Søg straks lægehjælp, hvis der sprøjtes væske ind under huden. Væske sprøjtet ind under huden skal fjernes kirurgisk inden for nogle få timer af en læge.
Sørg for, at alle slanger og rør til hydraulikvæske er i god stand, og at alle hydrauliske forbindelser og fittings slutter tæt, før der sættes tryk på det hydrauliske system.
Hold din krop og hænder væk fra splithulslækager eller dyser, der sprøjter højtrykshydraulikvæske ud.
Brug pap eller papir til at finde eventuelle hydrauliklækager.
Tag hele trykket af det hydrauliske system, før der udføres arbejde på det.
| Vedligeholdelsesintervaller | Vedligeholdelsesprocedure |
|---|---|
| Hver anvendelse eller dagligt |
|
Eftersyn for lækager på hydraulikrør og -slanger, bøjede rør, løse monteringsholdere, slid, løse fittings, nedbrydning på grund af vejrlig eller kemiske påvirkninger. Foretag alle nødvendige udbedringer før drift.
| Vedligeholdelsesintervaller | Vedligeholdelsesprocedure |
|---|---|
| Hver anvendelse eller dagligt |
|
Beholderen fyldes på fabrikken med hydraulikvæske af høj kvalitet. Kontroller hydraulikvæskestanden, før du starter motoren første gang, og derefter dagligt.
Parker maskinen på en plan flade, sænk klippeenhederne til jorden, aktiver parkeringsbremsen, sluk for motoren, og tag nøglen ud.
Rengør området omkring påfyldningsstudsen og hydrauliktankens dæksel (Figur 80).

Fjern dækslet fra påfyldningsstudsen.
Fjern målepinden fra påfyldningsstudsen, og tør den af med en ren klud.
Indfør målepinden i påfyldningsstudsen, tag den op igen, og kontroller væskestanden.
Væskestanden skal være mellem de to mærker på målepinden.
Hvis væskestanden er lav, skal du efterfylde med passende væske for at hæve den til det øverste mærke.
Sæt målepinden i igen, og sæt dækslet på påfyldningsstudsen.
Beholderen fyldes på fabrikken med hydraulikvæske af høj kvalitet. Kontroller hydraulikvæskestanden, før du starter motoren første gang, og derefter dagligt. Se Kontrol af hydraulikvæskestanden.
Anbefalet hydraulikvæske: Toro PX Extended Life-hydraulikvæske. Fås i spande med 19 l eller tromler med 208 l.
Note: En maskine, der bruger den anbefalede udskiftningsvæske, kræver færre væske- og filterskift.
Alternative hydraulikvæsker: Hvis Toro PX Extended Life Hydraulic Fluid ikke kan fås, kan du anvende andre konventionelle, mineraloliebaserede hydraulikvæsker, hvis specifikationer overholder alle følgende angivne materialeegenskaber samt industristandarderne. Brug ikke syntetisk væske. Spørg din smøremiddelforhandler til råds for at finde frem til et tilfredsstillende produkt.
Note: Toro påtager sig intet ansvar for skader forårsaget af forkerte erstatningsprodukter. Brug derfor kun produkter fra producenter med et godt omdømme, som står bag deres anbefaling.
| Materialeegenskaber: | ||
| Viskositet, ASTM D445 | cSt ved 40 °C: 44 til 48 | |
| Viskositetsindeks ASTM D2270 | 140 eller højere | |
| Flydepunkt, ASTM D97 | -37 °C til -45 °C | |
| Branchespecifikationer: | Eaton Vickers 694 (I-286-S, M-2950-S/35VQ25 eller M-2952-S) | |
Note: Mange hydraulikvæsker er næsten farveløse, hvilket kan gøre det svært at få øje på lækager. Der fås et rødt tilsætningsstof til hydraulikvæsken i flasker med 20 ml. En flaske er nok til 15 til 22 l hydraulikvæske. Bestil delnr. 44-2500 fra en autoriseret Toro-forhandler.
Important: Toro Premium Synthetic Biodegradable Hydraulic Fluid er den eneste syntetiske bionedbrydelige væske godkendt af Toro. Væsken er kompatibel med elastomerne anvendt i Toro-hydrauliksystemer og egnet til en lang række temperaturforhold. Denne væske er kompatibel med traditionelle mineralolier, men forudsætningen for maksimal bionedbrydelighed og ydeevne er, at hydrauliksystemet tømmes grundigt for traditionel væske. Olien fås i spande med 19 l eller tromler med 208 l hos din autoriserede Toro-forhandler.
28,4 l. Se Hydraulikvæskespecifikationer
| Vedligeholdelsesintervaller | Vedligeholdelsesprocedure |
|---|---|
| For hver 800 timer |
|
| For hver 2000 timer |
|
Hvis væsken bliver forurenet, skal du kontakte din lokale autoriserede Toro-forhandler, da systemet skal skylles ud. Forurenet væske ser mælkeagtigt eller sort ud sammenlignet med ren væske.
Parker maskinen på en plan flade, sænk klippeenhederne til jorden, aktiver parkeringsbremsen, sluk motoren, og fjern nøglen.
Løft motorhjelmen.
Frakobl returrøret fra beholderens bund, og lad hydraulikvæsken løbe ned i en stor dræningsbakke.
Genmonter røret, når hydraulikvæsken holder op med at dræne.
Fyld beholderen med hydraulikvæske. Se Hydraulikvæskespecifikationer og Hydraulikvæskekapacitet.
Important: Brug kun de angivne hydraulikvæsker. Andre væsker kan beskadige systemet.
Sæt beholderens dæksel på.
Start motoren, og brug alle de hydrauliske styreenheder til at fordele hydraulikvæsken gennem hele systemet.
Kontroller for lækager, og sluk motoren.
Kontroller væskeniveauet, og påfyld nok til at hæve niveauet til mærket fuld på målepinden.
Note: Fyld ikke for meget væske på hydrauliksystemet.
| Vedligeholdelsesintervaller | Vedligeholdelsesprocedure |
|---|---|
| For hver 800 timer |
|
| For hver 1000 timer |
|
Brug Toro-filtre, delnr. 94-2621 til den bageste (klippeenhed) del af maskinen og delnr. 75-1310 til maskinens forende (last).
Important: Brug af andre filtertyper kan ugyldiggøre garantien på visse dele.
Parker maskinen på en plan flade, sænk klippeenhederne til jorden, aktiver parkeringsbremsen, sluk motoren, og fjern nøglen.
Rengør det område, hvor filteret monteres.
Anbring en drænbakke under filteret, og afmonter filteret (Figur 81 og Figur 82).
Smør den nye filterpakning, og fyld filteret med hydraulikvæske.


Sørg for, at området omkring det sted, hvor filteret skal monteres, er rent.
Skru filteret på, indtil pakningen berører monteringspladen, og spænd derefter filteret endnu en halv omgang.
Start motoren, og lad den køre i ca. to minutter for at lukke luft ud af systemet.
Sluk motoren, og kontroller, om der er lækager.
En slidt eller beskadiget skærekniv eller bundkniv kan gå itu, og et stykke kan blive kastet mod dig eller omkringstående, hvilket kan medføre alvorlig personskade eller død.
Efterse jævnligt klippeenhederne for kraftig slid og skader.
Vær forsigtig, når du efterser klippeenhederne. Pak skæreknivene ind, eller bær handsker, og vær forsigtig, når du efterser knivcylindrene og bundknivene. Du må kun udskifte eller slibe knivcylindrene og bundknivene. De må aldrig rettes ud eller svejses.
På maskiner med flere klippeenheder skal du være forsigtig, når du drejer en knivcylinder – det kan få knivcylindrene i de andre klippeenheder til at rotere.
Berøring af knivcylindrene eller andre bevægelige dele kan medføre personskader.
Hold fingre, hænder og beklædningsgenstande væk fra knivcylindrene eller andre bevægelige dele.
Forsøg aldrig at dreje knivcylindrene med hænderne eller fødderne, mens motoren kører.
Note: Ved baglapning arbejder alle frontenhederne sammen, og bagenhederne arbejder sammen.
Parker maskinen på en plan flade, sænk klippeenhederne, aktiver parkeringsbremsen, sluk motoren, og flyt kraftudtagskontakten til positionen OFF (fra).
Lås motorhjelmen op, og løft den, så betjeningsanordningerne bliver tilgængelige.
Foretag de første justeringer mellem knivcylinder og bundkniv, der er relevante for baglapning, på alle klippeenheder, som skal baglappes. Se betjeningsvejledningen til klippeenhederne.
Brug enten forreste, bageste eller begge baglapningshåndtag for at vælge de enheder, som skal baglappes (Figur 83).
Start motoren, og lad den køre ved lav tomgangshastighed.
Ændring af motorhastighed under baglapning kan få knivcylindrene til at sætte ud.
Reguler aldrig motorhastigheden under baglapning.
Baglap kun ved lav tomgangshastighed.
Kontakt med klippeenhederne kan forårsage personskade.
Sørg for at holde afstand til klippeenhederne, før du fortsætter.
Flyt kraftudtagskontakten til positionen ON (til), mens klippehastighedsbegrænseren er i positionen MOW (klip).
Tryk på løftekontakten for at starte baglapningen på de valgte knivcylindre.
Påsmør lappepasta med en langskaftet børste.
Note: Brug ikke en kortskaftet børste.

Hvis knivcylindrene går i stå eller kører uregelmæssigt under baglapningen, så vælg en højere hastighed for knivcylindrene, indtil hastigheden stabiliseres.
Klippeenhederne justeres under baglapning ved at slå knivcylindrene fra ved at trykke på det bageste af løftekontakten, flytte kraftudtagskontakten til positionen OFF (fra) og slukke motoren. Gentag trin 5 til og med 9, når justeringer er foretaget.
Gentag proceduren for alle de klippeenheder, som du ønsker at baglappe.
Når du er færdig, sættes baglapningshåndtagene tilbage til positionen MOW (klip), motorhjelmen sænkes, og al lappepasta vaskes af klippeenhederne. Juster klippeenhedernes knivcylindre i forhold til bundknivene efter behov. Flyt hastighedsregulatorerne for klippeenhedernes knivcylindre til den ønskede klippeposition.
Important: Hvis baglapningskontakten ikke returneres til positionen OFF (fra) efter baglapningen, kan klippeenhederne ikke hæves, og de vil dermed ikke fungere korrekt.
Note: Der findes yderligere instruktioner og fremgangsmåder for baglapning i Toro-manualen om slibning af knivcylindere og rotorplæneklippere, Form No. 80-300SL.
Note: For at få et bedre skær, skal der føres en fil hen over forsiden af bundkniven efter lapning. Derved fjernes eventuel grat eller ru kanter, som kan være blevet dannet på skæret.
Brug kun vand eller vand med en mild sæbeopløsning til at vaske maskinen efter behov. Du kan bruge en klud, når du vasker maskinen.
Important: Brug ikke brakvand eller genanvendt vand til at rengøre maskinen.
Important: Brug ikke vaskeudstyr med højt tryk til at vaske maskinen. Vaskeudstyr med højt tryk kan beskadige det elektriske system, løsne vigtige mærkater eller fjerne nødvendigt smørefedt fra friktionssteder. Undgå overdrevent brug af vand i nærheden af kontrolpanelet, motoren og batteriet.
Important: Undlad at vaske maskinen, mens motoren kører. Hvis maskinen vaskes, mens motoren kører, kan det medføre intern motorskade.
Sluk for motoren, tag nøglen ud (hvis udstyret hermed), og vent, til al bevægelse standser, før du forlader førersædet. Lad maskinen køle af, inden du justerer, efterser, rengør eller stiller den til opbevaring.
Opbevar ikke maskinen eller brændstofbeholdere, hvor der er åben ild, gnister eller vågeblus som f.eks. på en vandvarmer eller andre apparater.
Parker maskinen på en plan flade, sænk klippeenhederne til jorden, aktiver parkeringsbremsen, sluk motoren, og fjern nøglen.
Rengør traktionsenheden, klippeenhederne og motoren grundigt.
Kontroller dæktrykket. Se Kontrol af dæktrykket.
Kontroller, at der ikke er løse dele, som skal være fastspændte, og efterspænd dem om nødvendigt.
Smør alle fittings og drejepunkter med fedt eller olie. Tør overskydende smøremiddel af.
Slib let med sandpapir, og benyt pletreparationslak på lakerede områder, som er blevet ridsede, har været udsat for stenslag eller har rustpletter. Reparer eventuelle buler i metalkarrosseriet.
Udfør service på batteriet og kablerne som følger. Se Elektrisk system – SikkerhedID000-448-328:
Fjern batteriklemmerne fra batteripolerne.
Rengør batteriet, klemmerne og polerne med en stålbørste og en opløsning med tvekulsurt natron.
For at forebygge korrosion skal batteriets poler og kabelforbindelserne smøres med Grafo 112X-fedt (Toro delnr. 505-47) eller vaseline.
Oplad langsomt batteriet hver 60. dag i 24 timer for at forhindre blysulfatering af batteriet.
Aftap motorolien fra oliesumpen, og udskift bundproppen.
Fjern og bortskaf oliefilteret. Sæt et nyt oliefilter i.
Fyld den angivne motorolie på motoren.
Start motoren, og lad den køre i tomgang i ca. 2 minutter.
Sluk for motoren, og tag nøglen ud.
Skyl brændstoftanken med frisk, rent brændstof.
Spænd alle brændstofsystemfittinger igen.
Rengør og efterse luftfilterenheden grundigt.
Forsegl luftfilterindtaget og udstødningsåbningen med vejrbestandig tape.
Kontroller frostvæskebeskyttelsen, og påfyld en 50/50-opløsning af vand og ethylenglycol-frostvæske som nødvendigt til den forventede minimumstemperatur i dit område.