Manutenção
Utilizar o apoio ao inclinar a unidade de corte
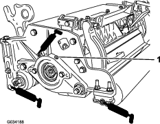
Sempre que precisar de inclinar a unidade de corte para que a lâmina de corte e o cilindro fiquem expostos, coloque um apoio (fornecido com a unidade de tração) por baixo da traseira da unidade de corte para assegurar que as porcas nos parafusos de ajuste da extremidade traseira da barra de apoio não fiquem apoiadas sobre a superfície de trabalho (Figura 27).

Lubrificação da unidade de corte
Cada unidade de corte possui 6 bocais de lubrificação (Figura 28) que deverão ser lubrificados regularmente com massa lubrificante número 2 à base de lítio.
Estes pontos de lubrificação são o rolo da frente (2), rolo traseiro (2) e rolamento do cilindro (2).
-
Limpe cada bocal de lubrificação com um trapo limpo.
-
Aplique lubrificação até que se veja lubrificante limpo a sair dos vedantes do rolo e da válvula de descarga do rolamento.
-
Elimine o excesso de massa lubrificante.

Ajuste dos rolamentos do cilindro
Para assegurar uma longa vida dos rolamentos do cilindro, verifique periodicamente se existem folgas no cilindro. Pode verificar e ajustar os rolamentos da seguinte forma:
-
Desperte o contacto do cilindro na lâmina rodando os parafusos de ajuste da lâmina (Figura 29) no sentido contrário ao dos ponteiros do relógio até que não exista contacto.

-
Utilizando um pano ou uma luva almofadada, segure a lâmina do cilindro e tente mover o conjunto do cilindro de um lado para outro (Figura 30).

-
Se existir folga, proceda da seguinte forma:
-
Desaperte o parafuso do conjunto externo segurando a porca de ajuste do rolamento localizado no lado esquerdo da unidade de corte (Figura 31).

-
Usando uma chave de 1⅜", aperte lentamente a porca de ajuste dos rolamentos do cilindro até que não haja folga do cilindro. Se a porca de ajuste não eliminar a folga, substitua os rolamentos.
Note: Os rolamentos do cilindro não necessitam de pré-carga. Apertar demasiado a porca de ajuste dos rolamentos do cilindro danifica os rolamentos.
-
-
Aperte os conjuntos de parafuso que fixam a porca de ajuste do rolamento à estrutura do rolamento.
Note: Aperte a porca com uma força de 1,4 a 1,7 N·m.
Assistência à lâmina
Os limites de assistência à lâmina encontram-se no quadro seguinte.
Important: O funcionamento da unidade de corte com a lâmina abaixo do “limite de assistência” pode causar um fraco aspecto após o corte e reduzir a integridade estrutural da lâmina para impactos.
| Quadro de limite de assistência à lâmina | ||||
| Lâmina de corte | Peça | Altura do topo da lâmina* | Limite de assistência* | Ângulos de amolaçãoÂngulo superior/frontal |
| Baixa altura de corte EdgeMax® (Opcional) | 137-0832 | 5,6 mm | 6,4–12,7 mm | 10/5 graus |
| Baixa altura de corte (Opcional) | 110-4084 | 5,6 mm | 4,8 mm | 10/5 graus |
| Baixa altura EdgeMax® extensível de corte (Opcional) | 119-4280 | 5,6 mm | 4,8 mm | 10/10 graus |
| Baixa altura extensível de corte (Opcional) | 120-1640 | 5,6 mm | 4,8 mm | 10/10 graus |
| EdgeMax® (modelos 03698 e 03699) | 137-0833 | 6,9 mm | 4,8 mm | 10/5 graus |
| Standard (opcional) | 108-9096 | 6,9 mm | 4,8 mm | 10/5 graus |
| Pesados (opcional) | 110-4074 | 9,3 mm | 4,8 mm | 10/5 graus |

Note: Todas as medidas dos limites de assistência da lâmina se relacionam com a parte inferior da lâmina (Figura 33).

Verificação do ângulo de amolação superior
O ângulo que utiliza para amolar as lâminas de corte é muito importante.
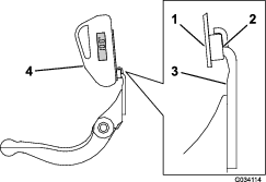
Utilize o indicador de ângulo (peça Toro n.º 131-6828) e a montagem do indicador do ângulo (peça Toro n.º 131-6829) para verificar o ângulo que o seu amolador produz e depois corrija qualquer imprecisão no amolador.
-
Coloque o indicador de ângulo no lado inferior da lâmina de corte, como se ilustra na Figura 34.

-
Pressione o botão Alt Zero no indicador de ângulo.
-
Coloque a montagem do indicador de ângulo na extremidade da lâmina de corte para que a extremidade do íman fique alinhada com a extremidade da lâmina de corte (Figura 35).
Note: O ecrã digital deve ser visível do mesmo lado durante este passo como era no passo 1.

-
Coloque o indicador de ângulo na montagem, como se mostra na Figura 35.
Note: Este é o ângulo que o seu amolador produz; deve estar a 2 graus do ângulo de amolação superior recomendado.
Manutenção da barra de apoio
Remoção da barra de apoio
-
Rode os parafusos de ajuste da barra de apoio no sentido contrário ao dos ponteiros do relógio, para afastar a lâmina de corte do cilindro (Figura 36).

-
Faça recuar a porca da mola tensora até que a anilha deixe de estar sob tensão contra a barra de apoio (Figura 36).
-
Desaperte a porca de bloqueio que segura a cavilha da barra de apoio, em cada um dos lados da máquina (Figura 37).

-
Remova cada uma das cavilhas da barra de apoio, de modo permitir puxá-la e retirá-la da máquina (Figura 37). Guarde as duas anilhas de nylon e anilha de aço prensado de cada uma das extremidades da barra de apoio (Figura 38).

Montagem da barra de apoio
-
Instale a barra de apoio, posicionando as aletas de montagem entre a anilha e o ajustador da barra de apoio.
-
Fixe a barra de apoio a cada um dos lados da placa lateral com as cavilhas (porcas flangeadas nas cavilhas) e com as 6 arruelas.
Note: Coloque uma anilha de nylon de cada lado da placa lateral. Coloque uma arruela de aço no exterior de cada uma das arruelas de nylon (Figura 38).
-
Aperte os parafusos da barra de apoio com uma força de 27 a 36 Nm.
Note: Aperte as porcas até que a anilha de aço exterior pare de rodar e a folga seja removida, mas não aperte em demasiado nem desvie as placas laterais. As anilhas podem ter uma folga interna.
-
Aperte a porca da mola tensora até que a mola fique recolhida; em seguida, desaperte meia volta (Figura 39).

Instalação da lâmina de corte
-
Elimine a ferrugem, escória e corrosão da superfície da barra de apoio e aplique uma fina camada de óleo na superfície da barra de apoio.
-
Limpe as roscas do parafuso.
-
Aplique composto antigripagem nos parafusos e instale a lâmina de corte na barra de apoio da seguinte forma (Figura 40):

-
Amole a lâmina de corte.
Manutenção do rolo
O kit de remontagem do rolo, peça nº 114-5430 e o kit de ferramentas de remontagem do rolo, peça nº 115-0803 (Figura 42) estão disponíveis para fazer a manutenção do rolo. O kit do rolo inclui todos os rolamentos, porcas dos rolamentos, vedantes internos e externos necessários para remontar um rolo. O kit de ferramentas inclui todas as ferramentas e as instruções de instalação necessárias à remontagem de um rolo com o kit de remontagem de rolo. Consulte o catálogo de peças ou contacte o distribuidor Toro autorizado para obter ajuda.



O não cumprimento
destas instruções pode resultar em ferimentos pessoais
ou mesmo em morte.























