Manutenzione
Utilizzo del cavalletto per inclinare l’elemento di taglio
Quando occorre inclinare l'elemento di taglio per accedere alla controlama e al cilindro, sostenete la parte posteriore dell'elemento con il cavalletto (in dotazione con il trattorino) in modo che i dadi sul retro delle viti di regolazione della barra di appoggio non poggino sul piano di lavoro (Figura 27).

Lubrificazione dell’apparato di taglio
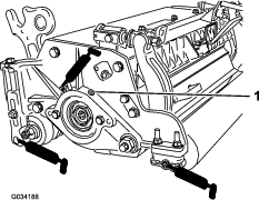
Ogni apparato di taglio è dotato di 6 raccordi per ingrassaggio (Figura 28) che devono essere lubrificati a intervalli regolari con grasso n. 2 al litio.
I punti di lubrificazione comprendono il rullo anteriore (2), il rullo posteriore (2) e il cuscinetto del cilindro (2).
-
Con uno straccio pulito passare ciascun raccordo di ingrassaggio.
-
Applicate il grasso fino a quando non esce grasso pulito dalle guarnizioni dei rulli e dalla valvola di sfogo dei cuscinetti.
-
Eliminate il grasso in eccesso con uno straccio.

Regolazione dei cuscinetti del cilindro
Per prolungare la vita dei cuscinetti del cilindro, verificate periodicamente l’esistenza di un gioco d’estremità del cilindro. Potete controllare e regolare i cuscinetti del cilindro come segue:
-
Allentate il contatto cilindro/controlama ruotando le manopole di regolazione della controlama (Figura 29) in senso antiorario finché non vi sarà più nessun contatto.

-
Utilizzando uno straccio o un guanto ben imbottito, bloccate la lama del cilindro e tentate di spostare il gruppo cilindro da lato a lato (Figura 30).

-
Se è presente un gioco d’estremità, procedete nel modo seguente:
-
Allentate la vite di fermo esterna che fissa il dado di regolazione del cuscinetto all’alloggiamento del cuscinetto situato sul lato sinistro dell’apparato di taglio (Figura 31).

-
Utilizzando una chiave a tubo di 1-3/8'', serrate lentamente il dado di regolazione del cuscinetto del cilindro fino ad eliminare il gioco di estremità del cilindro. Se la regolazione del dado non elimina il gioco sulle estremità, sostituite i cuscinetti del cilindro.
Note: I cuscinetti del cilindro non richiedono un precarico. Un serraggio eccessivo del dado di regolazione dei cuscinetti del cilindro danneggia i cuscinetti.
-
-
Serrate la vite di fermo che fissa il dado di regolazione dei cuscinetti all'alloggiamento dei cuscinetti.
Note: Serrate il dado a un valore compreso tra 1,4 e 1,7 N∙m.
Manutenzione della controlama
I limiti di servizio della controlama sono elencati nella tabella riportata di seguito.
Important: L’uso dell’apparato di taglio con la controlama al di sotto del limite di servizio può comportare un aspetto dopo il taglio di scarsa qualità e ridurre l’integrità strutturale della controlama in caso di urti.
| Tabella dei limiti di servizio della controlama | ||||
| Controlama | Parte | Altezza tagliente controlama* | Limite di servizio* | Angoli di affilaturaAngoli superiore/anteriore |
| Altezza di taglio ridotta EdgeMax® (Optional) | 137-0832 | 5,6 mm | 6,4–12,7 mm | 10/5 gradi |
| Altezza di taglio ridotta (Optional) | 110-4084 | 5,6 mm | 4,8 mm | 10/5 gradi |
| Superiore range di altezza di taglio ridotta EdgeMax® (Optional) | 119-4280 | 5,6 mm | 4,8 mm | 10/10 gradi |
| Superiore range di altezza di taglio ridotta (Optional) | 120-1640 | 5,6 mm | 4,8 mm | 10/10 gradi |
| EdgeMax® (Modelli 03698 e 03699) | 137-0833 | 6,9 mm | 4,8 mm | 10/5 gradi |
| Standard (Optional) | 108-9096 | 6,9 mm | 4,8 mm | 10/5 gradi |
| Servizio pesante (Optional) | 110-4074 | 9,3 mm | 4,8 mm | 10/5 gradi |

Note: Tutte le misure relative al limite di assistenza della controlama vengono prese dall’estremità inferiore della controlama (Figura 33).

Verifica dell'angolo di affilatura superiore
L'angolo che utilizzate per affilare le vostre controlame è molto importante.
Utilizzate il goniometro (n. cat. Toro 131-6828) e il relativo supporto (n. cat. Toro 131-6829) per verificare l'angolo prodotto dalla vostra mola e poi rettificatelo in caso di eventuali imprecisioni.
-
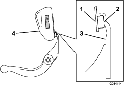
Posizionate il goniometro sul lato inferiore della controlama, come illustrato nella Figura 34.

-
Premete il pulsante Alt Zero sul goniometro.
-
Posizionate il supporto del goniometro sul bordo della controlama, in modo che il bordo del magnete corrisponda a quello della controlama (Figura 35).
Note: Durante questa fase il display digitale deve essere visibile dallo stesso lato della fase 1.

-
Posizionate il goniometro sul supporto, come illustrato nella Figura 35.
Note: Questo è l'angolo prodotto dalla vostra mola: dovrebbe rientrare entro 2 gradi dall'angolo di affilatura superiore raccomandato.
Manutenzione della barra di appoggio
Rimozione della barra di appoggio
-
Ruotate le viti di regolazione della barra di appoggio in senso antiorario per allontanare la controlama dal cilindro (Figura 36).

-
Allentate il dado di tensione della molla finché la rondella non sarà più in tensione contro la barra di appoggio (Figura 36).
-
Su ciascun lato della macchina, allentate il dado di bloccaggio che fissa il bullone della barra di appoggio (Figura 37).

-
Togliete ciascun bullone della barra di appoggio consentendo alla barra di appoggio di essere tirata verso il basso e rimossa dal bullone della macchina (Figura 37). Considerate 2 rondelle in nylon e 1 rondella in acciaio stampato su ciascun lato della barra di appoggio (Figura 38).

Assemblaggio della barra di appoggio
-
Montate la barra di appoggio, posizionando gli attacchi di montaggio tra la rondella e il regolatore della barra di appoggio.
-
Fissate la barra di appoggio su ciascuna piastra laterale mediante gli appositi bulloni (dadi sui bulloni) e 6 rondelle.
Note: Collocate una rondella in nylon su ciascun lato della flangia di estremità della piastra laterale. Posizionate una rondella in acciaio all’esterno di ciascuna rondella in nylon (Figura 38).
-
Serrate i bulloni della barra di appoggio a un valore compreso tra 27 e 36 N∙m.
Note: Serrate i dadi di bloccaggio finché la rondella in acciaio esterna non cesserà di ruotare e il gioco di estremità verrà eliminato, ma non serrate eccessivamente o non deviate le piastre laterali. Le rondelle all’interno possono avere del gioco.
-
Serrate il dado di tensione della molla finché la molla non si schiaccia, quindi allentate di 1/2 giro (Figura 39).

Montaggio della controlama
-
Eliminate ruggine, incrostazioni e corrosione dalla superficie della barra di appoggio e applicate un sottile strato d'olio sulla superficie della barra di appoggio.
-
Pulite i filetti delle viti.
-
Applicate un composto antigrippaggio sulle viti e montate la controlama sulla barra di appoggio come segue (Figura 40):

-
Molate la controlama.
Manutenzione del rullo
Per la manutenzione del rullo sono disponibili un Kit di ricostruzione rullo (cat. N. 114-5430) e un Kit utensili per ricostruzione rullo (cat. N. 115-0803) (Figura 42). Il Kit di ricostruzione rullo include tutti i cuscinetti, i dadi dei cuscinetti, le guarnizioni interne ed esterne necessari per ricostruire un rullo. Il Kit utensili per ricostruzione rullo include tutti gli utensili e le istruzioni d’installazione necessari per ricostruire un rullo con il kit di ricostruzione rullo. Consultate il catalogo ricambi o il vostro distributore Toro autorizzato per ricevere assistenza.



che riporta l’indicazione di Attenzione,
Avvertenza o Pericolo – norme di sicurezza personali. Il mancato
rispetto di queste istruzioni può provocare infortuni o la
morte.























