Vedlikehold
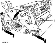
Bruke støtten når du tipper klippeenheten
Når klippeenheten må tippes på siden for at du skal komme til motstålet og spolen, holder du opp baksiden av klippeenheten med støtten (leveres med trekkenheten) for å sikre at mutterne bak på enden av motstålets justeringsskruer ikke hviler på arbeidsoverflaten (Figur 27).

Smøre klippeenheten
Hver klippeenhet har seks smørenipler (Figur 28) som må smøres regelmessig med litiumbasert smørefett nr. 2.
Smøringspunktene omfatter fremre valse (2), bakre valse (2) og spolelager (2).
-
Tørk av alle smøreniplene med en ren fille.
-
Påfør smørefett til det kommer rent smørefett ut av valsetetningene og avlastningsventilen på lageret.
-
Tørk vekk eventuelt overflødig fett.

Justere spolelagre
Kontroller av og til om det forekommer dødgang i spolene for å sikre at spolelagrene får lang levetid. Du kan kontrollere og justere spolelagrene på følgende måte:
-
Løsne kontakten mellom spole og motstål ved å dreie justeringsknotten for motstålet (Figur 29) mot klokken inntil de ikke lenger er i kontakt.

-
Bruk en fille eller polstret hanske, hold fast til spoleakselen og forsøk å flytte spolen fra side til side (Figur 30).

-
Hvis det forekommer dødgang, gjør du følgende:
-
Løsne den utvendige settskruen som fester lagerjusteringsmutteren til lagerhuset, som finnes på den venstre siden av klippeenheten (Figur 31).

-
Bruk en 1 3/8 tommers pipenøkkel til å stramme justeringsmutteren for spolelageret sakte, inntil det ikke forekommer noen dødgang. Hvis justering av skruen ikke eliminerer dødgang i spolen, bytt ut spolelageret.
Note: Spolelagrene krever ikke forlast. Hvis justeringsmutteren for spolelageret strammes for mye, vil dette føre til skade på spolelageret.
-
-
Stram settskruen som fester justeringsmutteren for lageret til lagerhuset.
Note: Trekk til mutteren med et moment på 1,4–1,7 N∙m.
Vedlikeholde motstålet
Grenser for vedlikehold av motstålet er oppgitt i skjemaet som følger.
Important: Bruk av klippeenheten med motstål som er under "vedlikeholdsgrense", kan føre til dårlig sluttresultat og redusere motstålets strukturelle integritet mot støt.
| Vedlikeholdsgrenseskjema for motstål | ||||
| Motstål | Del | Høyde på motstålsleppe* | Vedlikeholdsgrense* | Slipevinklerøvre/fremre vinkler |
| EdgeMax® lav klippehøyde (valgfri) | 137-0832 | 5,6 mm | 6,4 til 12,7 mm | 10/5 grader |
| Lav klippehøyde (ekstrautstyr) | 110-4084 | 5,6 mm | 4,8 mm | 10/5 grader |
| Forlenget EdgeMax® lav klippehøyde (ekstrautstyr) | 119-4280 | 5,6 mm | 4,8 mm | 10/10 grader |
| Forlenget lav klippehøyde (ekstrautstyr) | 120-1640 | 5,6 mm | 4,8 mm | 10/10 grader |
| EdgeMax® (modeller 03698 og 03699) | 137-0833 | 6,9 mm | 4,8 mm | 10/5 grader |
| Standard (ekstrautstyr) | 108-9096 | 6,9 mm | 4,8 mm | 10/5 grader |
| Tungt arbeid (ekstrautstyr) | 110-4074 | 9,3 mm | 4,8 mm | 10/5 grader |

Note: Alle vedlikeholdsgrenser for motstål viser til bunnen av motstålet (Figur 33).

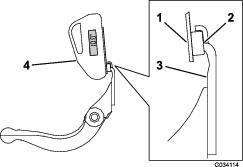
Kontroller øvre slipevinkel
Vinkelen som du bruker til å slipe motstålet, er svært viktig.
Bruk vinkelindikatoren (Toro-delenr. 131-6828) og vinkelindikatorfestet (Toro-delenr. 131-6829) for å kontrollere vinkelen som slipeapparatet lager, og korriger for eventuell unøyaktighet.
-
Plasser vinkelindikatoren på undersiden av motstålet, som vist i Figur 34.

-
Trykk på Alt Zero-knappen på vinkelindikatoren.
-
Plasser vinkelindikatorfestet på kanten av motstålet slik at kanten på magneten er paret med kanten på motstålet (Figur 35).
Note: Det digitale displayet skal være synlig fra samme side under dette trinnet som det var i trinn 1.

-
Plasser vinkelindikatoren på festet som vist i Figur 35.
Note: Dette er vinkelen slipeapparatet lager, og bør være innenfor 2 grader av anbefalt øvre slipevinkel.
Vedlikeholde motstangen
Fjerne motstangen
-
Skru justeringsskruen til motstangen mot klokken, for å få motstålet bort fra spolen (Figur 36).

-
Skru ut fjærspenningsmutteren til skiven ikke lenger er strammet mot motstangen (Figur 36).
-
Løsne låsemutteren som fester motstangsbolten på begge sider av maskinen (Figur 37).

-
Fjern begge motstangsboltene slik at motstangen kan dras nedover og fjernes fra maskinbolten (Figur 37). Husk å ta de to nylonskivene og skiven av stanset stål på hver side av motstangen med i beregningen (Figur 38).

Montere motstangen
-
Når du skal montere motstangen, må du plassere monteringsfestene mellom skiven og motstangsjustereren.
-
Fest motstangen på hver side av sideplaten ved hjelp av motstangsboltene (mutterne på boltene) og seks skiver.
Note: Plasser en nylonskive på hver side av sideplatens nav. Plasser en stålskive på utsiden av hver nylonskive (Figur 38).
-
Trekk til motstangsboltene med et moment på 27–36 N·m.
Note: Stram til låsemutterne til den ytre stålskiven slutter å rotere og det ikke finnes dødgang, men ikke stram til for mye eller trykk ned sideplatene. Skivene på innsiden kan ha et mellomrom.
-
Stram fjærspenningsmutteren til fjæren er presset helt sammen. Skru deretter en halv omdreining ut (Figur 39).

Montere motstålet
-
Fjern rust, avskalling og korrosjon av motstålets flate, og påfør et tynt lag olje på motstålets flate.
-
Rengjør skruegjengene.
-
Påfør Anti-Seize på skruene, og monter motstålet til motstangen slik (Figur 40):

-
Slip motstålet.
Vedlikeholde valsen
Et gjenoppbyggingssett for valse (delenr. 114-5430) og et verktøysett for gjenoppbygging av valse (delenr. 115-0803) (Figur 42) er tilgjengelig for vedlikehold av valsen. Gjenoppbyggingssettet for valse inneholder alle lagre, lagermuttere, indre forseglinger og ytre forseglinger som trengs for å gjenoppbygge en valse. Gjenoppbyggingssettet for valse inneholder alle verktøy og monteringsinstruksjoner som er nødvendige for å gjenoppbygge en valse med tilhørende sett. Se din delekatalog eller ta kontakt med en autorisert Toro-forhandler for hjelp.



) som betyr Forsiktig, Advarsel
eller Fare – personsikkerhetsinstruks. Hvis ikke disse instruksjonene
tas hensyn til, kan det føre til alvorlige personskader eller
dødsfall.























