Onderhoud
De kickstandaard gebruiken als u de maai-eenheid kantelt
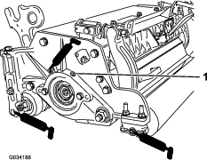
Als u de maai-eenheid moet kantelen om bij het ondermes en de messenkooi te kunnen komen, moet u de achterkant van de maai-eenheid ondersteunen met de kickstandaard (meegeleverd met de tractie-eenheid) zodat de moeren op het achtereind van de stelschroeven van de ondermesbalk niet op het werkvlak rusten (Figuur 27).

Het maaidek smeren
Elk maaidek heeft 6 smeernippels (Figuur 28) die regelmatig gesmeerd moeten worden met lithiumvet nr. 2.
De smeerpunten bevinden zich op de voorrol (2), achterrol (2) en het lager van de messenkooi (2).
-
Veeg alle smeernippels af met een schone doek.
-
Breng smeervet aan totdat er schoon vet uit de afdichtingen van de rol en de ontlastklep van het lager komt.
-
Veeg eventueel overtollig vet weg.

De lagers van de messenkooi afstellen
Controleer regelmatig of er nog eindspeling op de messenkooi zit, zodat de lagers van de messenkooi lang meegaan. U kunt de lagers van de messenkooi als volgt controleren en instellen:
-
Verminder het contact tussen de messenkooi en het ondermes door de stelknoppen (Figuur 29) van het ondermes linksom te draaien tot er geen contact meer is.

-
Houd met een lap of dik gevoerde handschoen het mesblad vast en probeer de messen zijdelings te bewegen (Figuur 30).

-
Ga als volgt te werk, als er speling is:
-
Draai de externe borgschroef los waarmee de lagerinstelmoer is bevestigd op de lagerbehuizing, aan de linkerkant van het maaidek (Figuur 31).

-
Draai de instelmoer van de messenkooi langzaam vaster met een dopsleutel van 1-3/8 inch tot de messenkooi geen eindspeling meer heeft. Als de speling niet is verholpen na het afstellen van de stelmoer, moet u de lagers van de messenkooi vervangen.
Note: De lagers van de messenkooi hoeven niet voorbelast te worden. Als de lagerinstelmoer van de messenkooi te strak wordt aangedraaid zal dit leiden tot schade aan de lagers van messenkooi.
-
-
Zet borgschroef vast waarmee de lagerinstelmoer is bevestigd op de lagerbehuizing.
Note: Draai de moer aan tot 1,4 tot 1,7 N·m.
Onderhoud van het ondermes
De servicelimieten voor het ondermes staan in de volgende tabel.
Important: Als de maai-eenheid wordt gebruikt met het ondermes na de onderhoudslimiet, kan dit leiden tot een slecht maairesultaat en het ondermes minder bestand tegen stoten maken.
| Tabel met onderhoudslimiet voor ondermes | ||||
| Ondermes | Onderdeel | Hoogte snijplaatlip * | Onderhoudslimiet* | SlijphoekenBoven-/Voorhoeken |
| EdgeMax® lage maaihoogte (optioneel) | 137-0832 | 5,6 mm | 6,4 tot 12,7 mm | 10/5 graden |
| Lage maaihoogte (optioneel) | 110-4084 | 5,6 mm | 4,8 mm | 10/5 graden |
| Uitgebreide EdgeMax® lage maaihoogte (optioneel) | 119-4280 | 5,6 mm | 4,8 mm | 10/10 graden |
| Uitgebreide lage maaihoogte (optioneel) | 120-1640 | 5,6 mm | 4,8 mm | 10/10 graden |
| EdgeMax® (modellen 03698 en 03699) | 137-0833 | 6,9 mm | 4,8 mm | 10/5 graden |
| Standaard (optioneel) | 108-9096 | 6,9 mm | 4,8 mm | 10/5 graden |
| Heavy-duty (optioneel) | 110-4074 | 9,3 mm | 4,8 mm | 10/5 graden |

Note: Alle metingen van de onderhoudslimieten van het ondermes zijn ten opzichte van de onderkant van het ondermes (Figuur 33).

De slijphoek aan de bovenkant controleren
De slijphoek voor de ondermessen is zeer belangrijk.
Gebruik de hoekindicator (Toro onderdeelnummer. 131-6828) en de steun van de hoekindicator (Toro onderdeelnummer. 131-6829) om de hoek die uw slijpmachine produceert te controleren en corrigeer vervolgens de onnauwkeurigheid van de slijpmachine.
-
Plaats de hoekindicator op de onderkant van het ondermes, zoals getoond in Figuur 34.

-
Druk op de Alt Zero knop op de hoekindicator.
-
Plaats de steun van de hoekindicator op de rand van het ondermes zodat de rand van de magneet past op de rand van het ondermes (Figuur 35).
Note: Gedurende deze stap moet de digitale uitlezing zichtbaar zijn van dezelfde kant als in stap 1.

-
Plaats de hoekindicator op de steun zoals getoond in Figuur 35.
Note: Dit is de hoek die door uw slijpmachine wordt geslepen, deze mag niet meer dan 2 graden afwijken van de aanbevolen bovenhoek.
Onderhoud van de ondermesbalk
De snijbalk verwijderen
-
Draai de stelschroeven van de snijbalk linksom om het ondermes weg te trekken van de messenkooi (Figuur 36).

-
Draai de veerspanningsmoer uit totdat de ring niet meer tegen de ondermesbalk is geklemd (Figuur 36).
-
Draai de borgmoer van de ondermesbalkbout op beide zijden van de machine los (Figuur 37).

-
Verwijder beihet ondermesbouten zodat het ondermes omlaag kan worden getrokken en van de machinebout worden verwijderd (Figuur 37). Bewaar de 2 nylon ringen en de stalen ring op beide uiteinden van de ondermesbalk (Figuur 38).

De ondermesbalk monteren
-
Plaats de ondermesbalk en zorg ervoor dat de montagelippen zich tussen de ring en de stelschroef van de ondermesbalk bevinden.
-
Zet de snijbalk vast aan beide zijplaten met de snijbalkbouten (moeren op de bouten) en 6 ringen.
Note: Plaats een nylon ring aan elke zijde van de naaf van de zijplaat. Plaats een stalen ring op de buitenkant van beide nylon ringen (Figuur 38).
-
Draai de bouten van het ondermes vast met een koppel van 27 tot 36 N·m.
Note: Draai de borgmoeren vast tot de buitenste stalen ring stopt met draaien en er geen eindspeling meer is, maar draai de moeren niet te vast en zorg ervoor dat de zijplaten niet vervormen. De ringen aan de binnenkant mogen speelruimte hebben.
-
Draai de veerspanningsmoer vast totdat de veer is ingedrukt; draai deze vervolgens een ½ slag terug (Figuur 39).

Het ondermes monteren
-
Verwijder roest, aanslag en corrosie van het oppervlak van de snijbalk en breng er een laagje olie op aan.
-
Maak de schroefdraad schoon.
-
Breng anti-seizemiddel aan op de schroeven en monteer het ondermes als volgt op de snijbalk (Figuur 40):

-
Slijp het ondermes.
Onderhoud van de rol
Er zijn een revisieset voor de rol (onderdeelnr. 114-5430) en een gereedschapsset voor revisie van de rol (onderdeelnr. 115-0803) (Figuur 42) verkrijgbaar om de rol een onderhoudsbeurt te geven. De revisieset omvat alle lagers, lagermoeren en binnen- en buitenpakkingen die nodig zijn om een rol te reviseren. De gereedschapsset bevat alle werktuigen en montage-instructies die nodig zijn om een rol te reviseren met de revisieset. Zie de onderdelencatalogus of neem contact op met uw erkende Toro distributeur als u hulp nodig heeft.



te letten, dat betekent Voorzichtig, Waarschuwing
of Gevaar – instructie voor persoonlijke veiligheid. Niet-naleving
van deze instructies kan leiden tot lichamelijk of dodelijk letsel.























