Vedligeholdelse
Brug af støttebenet ved vipning af klippeenheden
Når du har behov for at vippe klippeenheden for at blotlægge bundkniven og knivcylinderen, skal bagenden af klippeenheden understøttes med støttebenet (leveres sammen med traktionsenheden) for at sikre, at møtrikkerne på den bageste del af bundtværstangens justeringsskruer ikke hviler på arbejdsfladen (Figur 27).

Smøring af klippeenheden
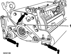
Hver klippeenhed har seks smørenipler (Figur 28), som skal smøres jævnligt med litiumfedt nr. 2.
Smørepunkterne omfatter den forreste rulle (2), den bageste rulle (2) og knivcylinderlejet (2).
-
Tør hver smørenippel af med en ren klud.
-
Brug smørefedt, indtil rent smørefedt kommer ud af rullens pakninger og lejernes aflastningsventil.
-
Tør overskydende fedt af.

Justering af knivcylindernes lejer
For at sikre, at knivcylindernes lejer får en lang levetid, skal det regelmæssigt kontrolleres, om der er endeslør på knivcylinderen. Du kontrollerer og justerer knivcylinderlejerne som følger:
-
Mindsk kontakten mellem knivcylinder og bundkniv ved at dreje bundknivens justeringsknapper (Figur 29) mod uret, indtil der ikke længere er kontakt.

-
Ved at bruge en klud eller en tykt polstret handske, skal du holde på kniven og forsøge at flytte knivcylinderen fra side til side (Figur 30).

-
Hvis der er endeslør, skal du fortsætte som følger:
-
Løsn den eksterne sætskrue, der fastgør lejets justermøtrik til lejehuset, der er placeret på venstre side af klippeenheden (Figur 31).

-
Tilspænd langsomt knivcylinderlejets justermøtrik, indtil der ikke længere er endeslør på knivcylinderen, ved hjælp af en topnøgle på 1-3/8 tomme. Hvis justeringen af møtrikken ikke eliminerer knivcylinderens endeslør, skal knivcylinderens lejer udskiftes.
Note: Knivcylinderens lejer kræver ikke forspænding. Hvis knivcylinderlejets justeringsmøtrik tilspændes for meget, beskadiges knivcylinderens lejer.
-
-
Stram sætskruen, der fastgør lejets justeringsmøtrik til lejehuset.
Note: Tilspænd møtrikken med et moment på 1,4 til 1,7 N·m.
Serviceeftersyn af bundkniven
Servicegrænserne for bundkniven er anført i følgende oversigter.
Important: Betjening af klippeenheden med bundkniven placeret under ”servicegrænsen” kan resultere i et ringe udseende efterklipning og kan reducere bundknivens modstandsdygtighed over for slag.
| Oversigt over bundknivens servicegrænser | ||||
| Bundkniv | Reservedel | Højde på bundknivens kant* | Servicegrænse* | SlibevinklerØverste/forreste bundkniv |
| EdgeMax® lav klippehøjde (valgfri) | 137-0832 | 5,6 mm | 6,4 mm til 12,7 mm | 10/5 grader |
| Lav klippehøjde (valgfri) | 110-4084 | 5,6 mm | 4,8 mm | 10/5 grader |
| Forlænget EdgeMax® lav klippehøjde (valgfri) | 119-4280 | 5,6 mm | 4,8 mm | 10/10 grader |
| Forlænget lav klippehøjde (valgfri) | 120-1640 | 5,6 mm | 4,8 mm | 10/10 grader |
| EdgeMax® (Model 03698 og 03699) | 137-0833 | 6,9 mm | 4,8 mm | 10/5 grader |
| Standard (valgfri) | 108-9096 | 6,9 mm | 4,8 mm | 10/5 grader |
| Svær (valgfri) | 110-4074 | 9,3 mm | 4,8 mm | 10/5 grader |

Note: Alle mål af bundknivens servicegrænser henviser til undersiden af bundkniven (Figur 33).

Kontrol af slibevinkel for den øverste bundkniv
Vinklen, som du bruger til at slibe bundknivene med, er meget vigtig.
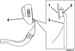
Brug vinkelindikatoren (Toro delnr. 131-6828) og vinkelindikatorbeslaget (Toro delnr. 131-6829) til at kontrollere og eventuelt rette vinklen.
-
Placer vinkelindikator på undersiden af bundkniven som vist i Figur 34.

-
Tryk på Alt Zero-knappen på vinkelindikatoren.
-
Placer vinkelindikatorbeslaget på kanten af bundkniven, så kanten af magneten er afstemt i forhold til kanten af bundkniven (Figur 35).
Note: Det digitale display skal kunne aflæses fra samme side under dette trin, som i trin 1.

-
Placer vinkelindikatoren på beslaget som vist i Figur 35.
Note: Dette er vinklen, som din slibemaskine producerer, og den bør være inden for 2 grader af den anbefalede slibevinkel for den øverste bundkniv.
Serviceeftersyn af bundtværstangen
Afmontering af bundtværstangen
-
Drej bundtværstangens justeringsskruer mod uret for at føre bundkniven væk fra knivcylinderen (Figur 36).

-
Før fjederspændingsmøtrikken bagud, indtil spændeskiven ikke længere sidder stramt mod bundtværstangen (Figur 36).
-
Løsn den låsemøtrik, som fastgør bundtværstangens bolt, på hver side af maskinen (Figur 37).

-
Afmonter bundtværstangens bolte, så bundtværstangen kan trækkes nedad og fjernes fra maskinen (Figur 37). Der skal være to nylonspændeskiver og en præget stålspændeskive på hver ende af bundtværstangen (Figur 38).

Montering af bundtværstangen
-
Monter bundtværstangen, idet monteringsørerne placeres mellem spændeskiven og bundtværstangens justeringsanordning.
-
Fastgør bundtværstangen på hver sideplade med boltene (møtrikker på bolte) og 6 skiver.
Note: Placer en nylonspændeskive på hver side af sidepladens nav. Anbring en stålskive på ydersiden af hver nylonskive (Figur 38).
-
Tilspænd bundtværstangens bolte til et moment på 27 til 36 N·m.
Note: Tilspænd låsemøtrikkerne, indtil den udvendige stålskive holder op med at dreje, og endeslør er fjernet, uden at overspænde eller bøje sidepladerne. Indvendige skiver har muligvis et mellemrum.
-
Stram fjederspændingsmøtrikken, indtil fjederen er trykket sammen, og derefter ud igen med en halv omgang (Figur 39).

Montering af bundkniven
-
Fjern rust, afskallet materiale og korrosion fra bundknivens overflade, og påfør et tyndt lag olie på bundknivens overflade.
-
Rengør skruernes gevind.
-
Påfør anti-seize-middel på skruerne, og monter bundkniven på bundtværstangen på følgende måde (Figur 40):

-
Slib bundkniven.
Serviceeftersyn af rullen
Sæt til genmontering af rullen (delnr. 114-5430) og værktøjssæt til genmontering af rullen (delnr. 115-0803) (Figur 42), er tilgængelige til serviceeftersyn af rullen. Sættet til genmontering af rullen indeholder alle lejer, lejemøtrikker, indvendige og udvendige pakninger til genmontering af en rulle. Værktøjssættet til genmontering af rullen indeholder alt det værktøj og alle de installationsvejledninger, der er nødvendige til genmontering af rullen med sættet. Se reservedelskataloget, eller kontakt din autoriserede Toro-forhandler, hvis du har brug for hjælp.



, der betyder Forsigtig,
Advarsel eller Fare – personlig sikkerhedsanvisning, for at
nedsætte risikoen for personskade. Hvis disse forskrifter ikke
følges, kan det medføre personskade eller død.























