Mantenimiento
Uso del soporte para volcar la unidad de corte.
Cuando sea necesario inclinar la unidad de corte para tener acceso a la contracuchilla y el molinete, apoye la parte trasera de la unidad de corte en el soporte (suministrado con la unidad de tracción) para asegurarse de que las tuercas de los extremos de los tornillos de ajuste de la barra de asiento no estén apoyadas en la superficie de trabajo (Figura 27).

Lubricación de la unidad de corte
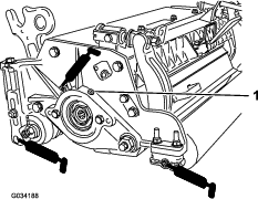
Cada unidad de corte tiene 6 puntos de engrase (Figura 28) que deben ser lubricados regularmente con grasa de litio N.º 2.
Los puntos a lubricar incluyen el rodillo delantero (2), el rodillo trasero (2) y el cojinete del molinete (2).
-
Limpie cada engrasador con un trapo limpio.
-
Aplique grasa hasta que salga grasa limpia de las juntas del rodillo y la válvula de alivio del cojinete.
-
Limpie cualquier exceso de grasa.

Ajuste de los cojinetes del molinete
Para asegurar la larga vida de los cojinetes del molinete, compruebe periódicamente si hay holgura en los extremos del mismo. Puede comprobar y ajustar los cojinetes del molinete como se indica a continuación:
-
Reduzca el contacto entre el molinete y la contracuchilla girando los pomos de ajuste de la contracuchilla (Figura 29) en sentido antihorario hasta que no exista contacto alguno.

-
Usando un trapo o un guante grueso, sujete la cuchilla del molinete e intente mover el conjunto del molinete de un lado a otro (Figura 30).

-
Si hay holgura, proceda de la siguiente manera:
-
Afloje el tornillo de fijación exterior que sujeta la tuerca de ajuste del cojinete al alojamiento del cojinete situado en el lado izquierdo de la unidad de corte (Figura 31).

-
Usando una llave de tubo de 1-3/8", apriete lentamente la tuerca de ajuste del cojinete del molinete hasta que no haya holgura en el extremo del molinete. Si la tuerca de ajuste no elimina la holgura en el extremo del molinete, cambie los cojinetes del molinete.
Note: Los cojinetes del molinete no requieren precarga. Si se aprieta demasiado la tuerca de ajuste del cojinete del molinete, se dañarán los cojinetes del molinete.
-
-
Apriete el tornillo de fijación para sujetar la tuerca de ajuste del cojinete al alojamiento del cojinete.
Note: Apriete la tuerca a entre 1,4 y 1,7 N∙m.
Mantenimiento de la contracuchilla
La tabla siguiente indica los límites de ajuste de la contracuchilla.
Important: La operación de la unidad de corte con la contracuchilla por debajo del “límite de ajuste” puede dar como resultado un deficiente aspecto después del corte, y puede reducir la integridad estructural de la contracuchilla en caso de impacto.
| Tabla de límites de ajuste de la contracuchilla | ||||
| Contracuchilla | Pieza | Altura del filo de la contracuchilla* | Límite de ajuste* | Ángulos de rectificadoÁngulos superior/delantero |
| EdgeMax® ADC baja (opcional) | 137-0832 | 5,6 mm | 6,4 mm a 12,7 mm | 10/5 grados |
| Altura de corte baja (opcional) | 110-4084 | 5,6 mm | 4,8 mm | 10/5 grados |
| Altura de corte extendida baja EdgeMax® (opcional) | 119-4280 | 5,6 mm | 4,8 mm | 10/10 grados |
| Altura de corte extendida baja (opcional) | 120-1640 | 5,6 mm | 4,8 mm | 10/10 grados |
| EdgeMax® (Modelos 03698 y 03699) | 137-0833 | 6,9 mm | 4,8 mm | 10/5 grados |
| De serie (opcional) | 108-9096 | 6,9 mm | 4,8 mm | 10/5 grados |
| Servicio pesado (opcional) | 110-4074 | 9,3 mm | 4,8 mm | 10/5 grados |

Note: Todos los límites de ajuste de la contracuchilla se miden en relación con su cara inferior (Figura 33).

Comprobación del ángulo de rectificado superior
El ángulo de rectificado de las contracuchillas es muy importante.
Utilice el indicador de ángulo (Pieza Toro N° 131-6828) y el soporte del indicador de ángulo (Pieza Toro N° 131-6829) para comprobar el ángulo producido por su muela, y corrija cualquier falta de precisión.
-
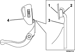
Coloque el indicador de ángulo en el lado inferior de la contracuchilla, según se muestra en Figura 34.

-
Pulse el botón Alt Zero del indicador de ángulo.
-
Coloque el soporte del indicador de ángulo sobre el filo de la contracuchilla de manera que el borde del imán esté enrasado con el filo de la contracuchilla (Figura 35).
Note: La pantalla digital debe estar visible desde el mismo lado durante este paso que durante el paso 1.

-
Coloque el indicador de ángulo en el soporte, según se muestra en Figura 35.
Note: Este es el ángulo que produce su muela; no debe variar en más de 2 grados del ángulo de rectificado superior recomendado.
Mantenimiento de la barra de asiento
Cómo retirar la barra de asiento
-
Gire los tornillos de ajuste de la barra de asiento en sentido antihorario para alejar la contracuchilla del molinete (Figura 36).

-
Afloje la tuerca de tensado del muelle hasta que el muelle deje de presionar la arandela contra la barra de asiento (Figura 36).
-
En cada lado de la máquina, afloje la contratuerca que fija el perno de la barra de asiento (Figura 37).

-
Retire todos los pernos de la barra de asiento, para poder tirar de la barra hacia abajo y retirarla de la máquina (Figura 37). Guarde las 2 arandelas de nylon y la arandela de acero troquelado de cada extremo de la barra de asiento (Figura 38).

Ensamblaje de la barra de asiento
-
Instale la barra de asiento, posicionando las pestañas de montaje entre la arandela y el mecanismo de ajuste de la barra de asiento.
-
Sujete la barra de asiento a cada chapa lateral con los pernos de la barra (con tuercas en los pernos) y las 6 arandelas.
Note: Coloque una arandela de nylon en cada lado del saliente de la chapa lateral. Coloque una arandela de acero por fuera de cada arandela de nylon (Figura 38).
-
Apriete los pernos de la barra de asiento a entre 27 y 36 N∙m.
Note: Apriete las contratuercas hasta que la arandela de acero exterior deje de girar, y la holgura quede eliminada, pero no apriete demasiado ni desvíe las chapas laterales. Las arandelas del interior pueden tener cierta holgura.
-
Apriete la tuerca de tensado del muelle hasta que el muelle esté comprimido del todo, luego aflójela ½ vuelta (Figura 39).

Instalación de la contracuchilla
-
Elimine el óxido, las incrustaciones y la corrosión de la superficie de la barra de asiento y aplique una capa fina de aceite sobre ella.
-
Limpie las roscas de los tornillos
-
Aplique compuesto antiadherente a los tornillos e instale la contracuchilla en la barra de asiento del siguiente modo (Figura 40):

-
Rebaje la contracuchilla.
Mantenimiento del rodillo
Para facilitar el mantenimiento del rodillo están disponibles el kit de reacondicionamiento de rodillo, pieza N.º 114-5430 y el kit de herramientas para el reacondicionamiento de rodillo, pieza N.º 115-0803 (Figura 42). El Kit de reacondicionamiento de rodillo incluye todos los cojinetes, tuercas de cojinetes, juntas y retenes necesarios para reacondicionar un rodillo. El Kit de herramientas para el reacondicionamiento de rodillo incluye todas las herramientas y las instrucciones de instalación necesarias para reacondicionar un rodillo con el kit de reacondicionamiento de rodillo. Consulte el catálogo de piezas o póngase en contacto con su Distribuidor Autorizado Toro si necesita ayuda.



, que significa: Cuidado, Advertencia o Peligro
– instrucción relativa a la seguridad personal. El incumplimiento
de estas instrucciones puede dar lugar a lesiones personales o la
muerte.























