Wartung
Verwenden des Ständers beim Kippen der Schneideinheit
Wenn Sie die Schneideinheit kippen müssen, um das Untermesser und die Spindel zugänglich zu machen, stützen Sie das Heck der Schneideinheit mit dem Ständer (wird mit der Zugmaschine geliefert) ab, um sicherzustellen, dass die Muttern hinten an den Einstellschrauben des Untermesserträgers nicht auf der Arbeitsfläche aufliegen (Bild 27).

Einfetten der Schneideinheit
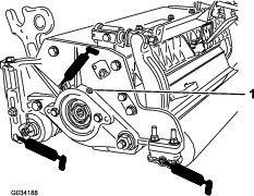
Jede Schneideinheit hat sechs Schmiernippel (Bild 28), die regelmäßig mit Nr. 2 Schmierfett auf Lithiumbasis eingefettet werden müssen.
Die Schmierstellen befinden sich an der Frontrolle (2), der Heckrolle (2) und den Spindellagern (2).
-
Wischen Sie jeden Schmiernippel mit einem sauberen Lappen ab.
-
Tragen Sie Schmiermittel auf, bis sauberes Schmiermittel aus den Dichtungen der Rolle und dem Überdruckventil des Lagers austritt.
-
Entfernen Sie überschüssiges Fett mit einem Tuch.

Einstellen der Spindellager
Um eine lange Nutzungsdauer der Spindellager zu gewährleisten, sollten Sie regelmäßig prüfen, ob das Spindelende Spiel hat. So prüfen und stellen Sie die Spindellager ein:
-
Lockern Sie den Kontakt zwischen Spindel und Untermesser, indem Sie die Einstellhandräder des Untermessers (Bild 29) nach links drehen, bis kein Kontakt besteht.

-
Halten Sie das Spindelmesser mit einem dicken Handrad oder einem Lappen fest und versuchen Sie, die Spindel von einer Seite zur anderen zu bewegen (Bild 30).

-
Wenn das Ende Spiel hat, fahren Sie folgendermaßen fort:
-
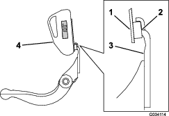
Lösen Sie die externen Stellschrauben, mit denen die Einstellmutter des Lagers am Lagergehäuse links an der Schneideinheit befestigt ist (Bild 31).

-
Drehen Sie mit einem Schraubenschlüssel (1-3/8") die Einstellmutter des Lagers langsam, bis das Ende der Spindel kein Spiel mehr hat. Wenn Sie das Spiel am Spindelende nicht mit der Mutter abstellen können, tauschen Sie die Spindellager aus.
Note: Die Spindellager müssen nicht vorgeladen werden. Wenn Sie die Einstellmutter des Spindellagers zu fest anziehen, werden die Spindellager beschädigt.
-
-
Ziehen Sie die Stellschraube fest, mit der die Lagereinstellmutter am Lagergehäuse befestigt ist.
Note: Ziehen Sie die Mutter mit 1,4 bis 1,7 N·m an.
Warten des Untermessers
Die Wartungslimits für das Untermesser werden in der folgenden Tabelle aufgeführt.
Important: Wenn Sie die Schneideinheit mit einem Untermesser einsetzen, das unter dem Wartungslimit liegt, erhalten Sie ggf. ein schlechtes Schnittbild, und das Untermesser hat bei Aufprallungen eine geringere strukturelle Integrität.
| Tabelle für das Untermesserwartungslimit | ||||
| Untermesser | Teil | Höhe der Untermesserlippe* | Wartungslimit* | SchleifwinkelWinkel oben, vorne |
| EdgeMax® niedrige Schnitthöhe (optional) | 137-0832 | 5,6 mm | 6,4 mm bis 12,7 mm | 10/5 Grad |
| Niedrige Schnitthöhe (optional) | 110-4084 | 5,6 mm | 4,8 mm | 10/5 Grad |
| Erweiterte EdgeMax® niedrige Schnitthöhe (optional) | 119-4280 | 5,6 mm | 4,8 mm | 10/10 Grad |
| Erweiterte niedrige Schnitthöhe (optional) | 120-1640 | 5,6 mm | 4,8 mm | 10/10 Grad |
| EdgeMax® (Modelle 03698 und 03699) | 137-0833 | 6,9 mm | 4,8 mm | 10/5 Grad |
| Standard (optional) | 108-9096 | 6,9 mm | 4,8 mm | 10/5 Grad |
| Heavy-Duty (optional) | 110-4074 | 9,3 mm | 4,8 mm | 10/5 Grad |

Note: Alle Werte für das Untermesserwartungslimit beziehen sich auf die Unterseite des Untermessers (Bild 33).

Prüfen der oberen Schleifneigung
Die Neigung, den Sie zum Schleifen der Untermesser verwenden, spielt eine große Rolle.
Prüfen Sie mit dem Neigungsmesser (Toro Bestellnummer 131-6828) und der Neigungsmesserbefestigung (Toro Bestellnummer 131-6829) die von der Schleifmaschine erstellte Neigung und korrigieren Sie dann mögliche Ungenauigkeiten der Schleifmaschine.
-
Positionieren Sie den Neigungsmesser an der Unterseite des Untermessers, wie in Bild 34 abgebildet.

-
Drücken Sie die Taste Alt Zero“ auf dem Neigungsmesser.
-
Legen Sie die Neigungsmesserbefestigung an die Kante des Untermessers, sodass die Kante des Magnets bündig mit der Kante des Untermessers ist (Bild 35).
Note: Die digitale Anzeige sollte in diesem Schritt von der gleichen Seite wie in Schritt 1 sichtbar sein.

-
Legen Sie den Neigungsmesser auf die Befestigung, wie in Bild 35 abgebildet.
Note: Dies ist die Neigung, die die Schleifmaschine erstellt; sie sollte innerhalb von zwei Grad der empfohlenen oberen Schleifneigung sein.
Warten des Untermesserträgers
Entfernen des Untermesserträgers
-
Drehen Sie die Einstellschrauben des Untermesserträgers nach links, um den Abstand zwischen Untermesser und Spindel zu vergrößern (Bild 36).

-
Drehen Sie die Federspannungsmutter so weit hinaus, bis die Scheibe nicht mehr gegen den Untermesserträger angespannt ist (Bild 36).
-
Lösen Sie an jeder Seite der Maschine die Sicherungsmutter, mit der die Schraube des Untermesserträgers befestigt ist (Bild 37).

-
Nehmen Sie jede Schraube des Untermesserträgers ab, damit der Untermesserträger nach unten gezogen und von der Maschine entfernt werden kann (Bild 37). Bewahren Sie die zwei Nylonscheiben und die Scheibe aus gestanzten Stahl an jedem Ende des Untermesserträgers auf (Bild 38).

Montieren des Untermesserträgers
-
Montieren Sie den Untermesserträger. Positionieren Sie die Befestigungsohren zwischen der Druckscheibe und dem Einsteller für den Untermesserträger.
-
Befestigen Sie den Untermesserträger mit den Untermesserträgerschrauben (Muttern an den Schrauben) und den sechs Scheiben an jeder Seitenplatte.
Note: Legen Sie eine Nylonscheibe auf jede Seite des Seitenplattenansatzes. Legen Sie eine Stahlscheibe außen auf jede Nylonscheibe (Bild 38).
-
Ziehen Sie die Schrauben des Untermesserträgers mit 27 bis 36 N·m an.
Note: Ziehen Sie die Sicherungsmuttern an, bis sich die Stahlscheibe außen nicht mehr dreht und kein Spiel am Ende vorhanden ist, ziehen Sie jedoch nicht zu stark an oder verbiegen Sie die Seitenplatten. Die Scheiben innen können einen Abstand aufweisen.
-
Ziehen Sie die Federspannungsmutter an, bis die Feder zusammengedrückt ist, drehen Sie sie dann um eine halbe Umdrehung heraus (Bild 39).

Montieren des Untermessers
-
Entfernen Sie Rost, Kalk oder Korrosion von der Oberseite des Untermesserträgers und tragen Sie einen dünnen Ölfilm auf die Oberfläche des Untermesserträgers auf.
-
Reinigen Sie das Schraubengewinde.
-
Tragen Sie Gewindesicherungslack auf die Schrauben auf und befestigen Sie das Untermesser wie folgt (Bild 40):

-
Schleifen Sie das Untermesser.
Warten der Rolle
Für das Warten der Rolle ist ein Kit zum Überholen der Rolle, Bestellnummer 114-5430, und ein Werkzeugkasten, Bestellnummer 115-0803 (Bild 42) erhältlich. Das Kit zum Überholen der Rolle enthält alle Lager, Lagermuttern, inneren und äußeren Dichtungen, die für eine Überholung der Rolle benötigt werden. Der Werkzeugkasten zum Überholen der Rolle enthält alle Werkzeuge und die Installationsanweisungen, die für eine Überholung der Rollen mit dem Kit zum Überholen der Rollen benötigt werden. Weitere Informationen finden Sie im Ersatzteilkatalog oder wenn Sie sich an den Toro Vertragshändler wenden.



). Es bedeutet Vorsicht,
Warnung oder Gefahr – Hinweise für die Personensicherheit.
Wenn diese Hinweise nicht beachtet werden, kann es zu schweren bis
tödlichen Verletzungen kommen.























