Kunnossapito
Hengenvaara
Kelojen tai muiden liikkuvien osien koskettaminen saattaa johtaa loukkaantumiseen.
-
Ennen kuin säädät leikkuuyksiköitä, vapauta kelat, kytke seisontajarru, sammuta moottori ja irrota virta-avain.
-
Pidä kädet ja vaatteet etäällä keloista ja muista liikkuvista osista.
Vaihteiston voiteluaineen vaihto
| Huoltoväli |
| 100 ensimmäisen käyttötunnin jälkeen |
| 500 tunnin välein / vuosittain (sen mukaan, kumpi saavutetaan ensin) |
-
Puhdista tasaajan kotelon ulkopinnat.
Important: Tarkista, ettei tasaajan kotelon ulkopuolella ole likaa tai leikkuujätteitä – jos likaa pääsee tasaajan sisään, vaihteisto saattaa vioittua.
-
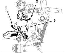
Irrota kotelon pohjassa oleva tyhjennystulppa (Kuva 26).
-
Irrota kotelon sivulla oleva täyttötulppa ja löysää yläosassa olevaa ilmanpoistotulppaa, jotta ilma pääsee virtaamaan vapaasti (Kuva 26).
-
Aseta sopiva säiliö öljyn tyhjennysaukon alle, jotta tyhjennettävä öljy valuu siihen.
-
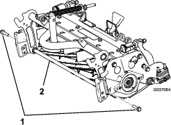
Kallista leikkuuyksikköä taaksepäin tukitelineen päälle, kunnes tyhjennysaukko on pohjalla, jotta kaikki öljy valuu ulos (Kuva 24).

-
Tehosta tyhjennystä kallistamalla leikkuuyksikköä edestakaisin. Kun öljy on valunut kokonaan, aseta leikkuuyksikkö tasaiselle pinnalle.
-
Asenna tyhjennystulppa.
-
Lisää käyttökoteloon 80-90W-öljyä ruiskun (osanro 137-0872) avulla. Lisää 50 cm³ (12,7 cm:n kelat) tai 90 cm³ (17,8 cm:n kelat).

-
Asenna täyttötulppa ja kiristä ilmanpoistotulppaa.
-
Kiristä kaikki tulpat momenttiin 3,62–4,75 N·m.

Tasaajan käyttökotelon irrotus
Note: Säilytä kaikki irrotetut osat myöhempää asennusta varten, ellei toisin mainita.
Important: Jos tasaajan käyttökotelon irrotuksessa on ongelmia, lisätietoja saa ajoyksikön huolto-oppaasta tai valtuutetulta Toro-jälleenmyyjältä.
-
Irrota korkki tasaajasta.
-
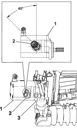
Irrota kiristyspultit, joilla tasaaja on kytketty käyttökoteloon (Kuva 16).
-
Irrota säätötappi ja sokka, joilla tasaajan käyttökotelo on kytketty säätövarsiin (Kuva 27).

-
Pitele kelaa irrotusta varten. Katso Kelan pitely kierreholkkien irrotusta varten.
-
Asenna vahvistusruuvi (osanro 1-803022, myydään erikseen) tasaajan käytön kuusiokantapultin sisäkierteisiin ja kiristä momenttiin 13,5 N·m kuvan mukaisesti (Kuva 27).
-
Irrota tasaajan käyttökotelo leikkuukelasta kääntämällä tasaajan käytön kuusiokantapulttia (Kuva 27).
Important: Jos tasaajan käyttökotelo on asennettu leikkuuyksikön oikealle puolelle, irrota käyttökotelon akseli leikkuuyksiköstä kääntämällä tasaajan käytön kuusiokantapulttia vastapäivään (oikeanpuoleinen kierre).
Important: Jos tasaajan käyttökotelo on asennettu leikkuuyksikön vasemmalle puolelle, irrota käyttökotelon akseli leikkuuyksiköstä kääntämällä tasaajan käytön kuusiokantapulttia myötäpäivään (vasemmanpuoleinen kierre).
Important: Käytä kuusikulmaista hylsyä, jossa on paksu seinämä.
Tasauskelan puhdistus
| Huoltoväli | Huoltotoimenpide |
|---|---|
| Jokaisen käytön jälkeen |
Puhdista tasauskela käytön jälkeen suihkuttamalla sitä vedellä. Älä suihkuta vettä suoraan tasaajan laakerien tiivisteisiin. Älä anna tasauskelan seisoa vedessä, sillä osat ruostuvat.
Terien tarkastus
| Huoltoväli | Huoltotoimenpide |
|---|---|
| Aina ennen käyttöä tai päivittäin |
Tarkasta tasauskelan terät säännöllisesti vaurioiden ja kulumisen varalta. Suorista taipuneet terät pihdeillä ja vaihda kuluneet terät. Kun tarkastat teriä, tarkista, että oikean ja vasemman terän akselin pään mutterit ovat tiukalla.

Kelan pitely
Vaara
Leikkuukelan terät ovat teräviä ja voivat katkaista käden tai jalan.
-
Pidä kädet ja jalat kelan ulkopuolella.
-
Varmista ennen kelan huoltoa, että sitä pidellään.
Kelan pitely kierreholkkien irrotusta varten
-
Löysää leikkuuyksikön vasemmalla puolella olevaa suojuksen pulttia ja nosta takasuojus (Kuva 29).
-
Aseta pitkävartinen vääntörauta (suositus ⅜” × 12” ja ruuvimeisselikahva) leikkuukelan takaosan läpi lähinnä leikkuuyksikön kiristettävää puolta (Kuva 29).
-
Aseta vääntörauta kelan tukilevyn hitsattua puolta vasten (Kuva 29).
Note: Aseta vääntörauta kela-akselin yläosan ja kahden kelaterän takaosan väliin niin, että kela ei liiku.
Important: Älä koske terien leikkuusärmiin vääntöraudalla, sillä tämä saattaa vaurioittaa leikkuusärmää ja/tai aiheuttaa korkean terän.
Important: Leikkuuyksikön vasemmalla puolella olevassa holkissa on vasemmanpuoleiset kierteet. Leikkuuyksikön oikealla puolella olevassa holkissa on oikeanpuoleiset kierteet.

-
Aseta vääntöraudan kahva takarullaa vasten.
-
Irrota kierreholkki ja varmista, että vääntörauta pysyy paikallaan. Poista sitten vääntörauta.
-
Laske takasuojus ja kiristä suojuksen pultti.
Kelan pitely kierreholkkien asennusta varten
-
Aseta pitkävartinen vääntörauta (suositus ⅜ × 12 tuumaa ja ruuvimeisselikahva) leikkuukelan etuosan läpi lähinnä leikkuuyksikön kiristettävää puolta (Kuva 30).
-
Aseta vääntörauta sisäisen leikkuukelan vahvikkeen hitsattua puolta vasten (Kuva 30).
Note: Vääntöraudan on koskettava terää etuosassa, kela-akselia ja terää kelan takaosassa, jolloin se lukittuu paikalleen.
Important: Älä koske terien leikkuusärmiin vääntöraudalla, sillä tämä saattaa vaurioittaa leikkuusärmää ja/tai aiheuttaa korkean terän.
Important: Leikkuuyksikön vasemmalla puolella olevassa holkissa on vasemmanpuoleiset kierteet. Leikkuuyksikön oikealla puolella olevassa holkissa on oikeanpuoleiset kierteet.

-
Aseta vääntöraudan kahva rullaa vasten.
-
Ota holkin asennusohjeet ja kireysvaatimukset huomioon ja suorita kierreholkin asennus ja varmista, että vääntörauta pysyy paikallaan. Poista sitten vääntörauta.






















