Mantenimiento
Peligro
El contacto con los molinetes u otras piezas en movimiento puede causar lesiones personales.
-
Antes de ajustar las unidades de corte, desengrane los molinetes, ponga el freno de estacionamiento, apague el motor y retire la llave.
-
Mantenga las manos y la ropa alejados de los molinetes y de otras piezas en movimiento.
Cambio del lubricante de la caja de engranajes
| Intervalo de mantenimiento |
| Después de las primeras 100 horas |
| Cada 500 horas / anualmente (lo que ocurra primero) |
-
Limpie las superficies externas de la carcasa del groomer.
Important: Asegúrese de que no haya suciedad ni recortes en la parte exterior de la carcasa del groomer; si se introducen residuos en el groomer, pueden producirse daños en la caja de engranajes.
-
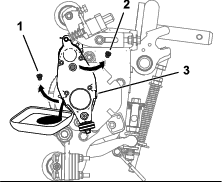
Retire el tapón de vaciado en la parte inferior de la carcasa (Figura 26).
-
Retire el tapón de llenado del lado de la carcasa y afloje el tapón de ventilación de aire en la parte superior, de modo que pueda pasar el aire (Figura 26).
-
Coloque un envase adecuado debajo del orificio de vaciado de aceite para recoger el aceite.
-
Incline la unidad de corte hacia atrás en el caballete hasta que el puerto de vaciado se encuentre en la parte inferior, para garantizar un vaciado completo (Figura 24).

-
Balancee la unidad de corte hacia atrás y hacia delante, para garantizar un vaciado completo. Cuando se vacíe el aceite por completo, coloque la unidad de corte sobre una superficie nivelada.
-
Instale el tapón de vaciado.
-
Utilice una jeringa (Pieza N.º 137-0872) para llenar la caja de transmisión con aceite 80-90W. Rellene con 50 cc en el caso de los molinetes de 12,7 cm o con 90 cc, en los molinetes de 17,8 cm.

-
Instale el tapón de llenado y apriete el tapón de ventilación de aire.
-
Apriete todos los tapones a entre 3,62 y 4,75 N∙m.

Retirada de la caja de transmisión del groomer
Note: Conserve todas las piezas retiradas para su instalación posterior, a menos que se indique lo contrario.
Important: Si tiene algún problema para retirar la caja de transmisión del groomer, consulte el Manual de mantenimiento de la unidad de tracción o póngase en contacto con su distribuidor Toro autorizado.
-
Retire la tapa del groomer.
-
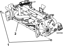
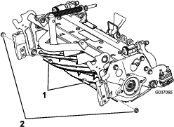
Retire los pernos de la tapa que conectan el groomer a la caja de transmisión (Figura 16).
-
Retire el pasador del regulador y el pasador de chaveta que conectan la caja de transmisión del groomer a los brazos del regulador (Figura 27).

-
Inmovilice el molinete para su retirada; consulte Inmovilización del molinete para retirar insertos roscados.
-
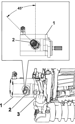
Instale el tornillo de refuerzo (pieza n.º 1-803022 – se vende por separado) en las roscas internas del cabezal hexagonal de la transmisión del groomer y apriételo a 13,5 N⋅m, tal y como se muestra en la Figura 27.
-
Retire la caja de transmisión del groomer del molinete de corte girando el cabezal hexagonal de la transmisión del groomer (Figura 27).
Important: Si la caja de transmisión del groomer está instalada a la derecha de la unidad de corte, gire el cabezal hexagonal de la transmisión del groomer en sentido antihorario (rosca a la derecha) para retirar el eje de la caja de transmisión de la unidad de corte.
Important: Si la caja de transmisión del groomer está instalada a la izquierda de la unidad de corte, gire el cabezal hexagonal de la transmisión del groomer en sentido horario (rosca a la izquierda) para retirar el eje de la caja de transmisión de la unidad de corte.
Important: Debe utilizar una llave de tubo de 6 puntos con pared resistente.
Limpieza del molinete groomer
| Intervalo de mantenimiento y servicio | Procedimiento de mantenimiento |
|---|---|
| Después de cada uso |
Lave el molinete groomer rociando agua después del uso. No dirija el chorro de agua directamente hacia las juntas de los cojinetes del groomer. No deje que el molinete groomer permanezca mojado porque se oxidarían sus componentes.
Inspección de las cuchillas
| Intervalo de mantenimiento y servicio | Procedimiento de mantenimiento |
|---|---|
| Cada vez que se utilice o diariamente |
Inspeccione regularmente las cuchillas del molinete groomer en busca de señales de daños y desgaste. Enderece las cuchillas dobladas con un alicate, y sustituya las cuchillas desgastadas. Al inspeccionar las cuchillas, compruebe que las tuercas de cada extremo del eje están bien apretadas.

Inmovilización del molinete
Advertencia
Las cuchillas del molinete están afiladas y pueden amputar las manos y los pies.
-
Mantenga las manos y los pies fuera del molinete.
-
Asegúrese de que el molinete esté inmovilizado antes de realizar tareas de mantenimiento.
Inmovilización del molinete para retirar insertos roscados
-
Afloje el perno del deflector a la izquierda de la unidad de corte y eleve el deflector trasero (Figura 29).
-
Inserte una palanca de mango largo (se recomienda de 3/8" x 12" con mango de destornillador) por la parte trasera del molinete de corte, lo más cerca del lateral de la unidad de corte que va a apretar (Figura 29).
-
Coloque la palanca contra la parte soldada de la placa de soporte del molinete (Figura 29).
Note: Inserte la palanca entre la parte superior del eje del molinete y las partes traseras de las 2 cuchillas del molinete, para que el molinete no se mueva.
Important: No toque con el borde de corte de las cuchillas la palanca, ya que puede dañar el borde de corte y/o causar una cuchilla alta.
Important: El inserto del lado izquierdo de la unidad de corte tiene roscas a izquierdas. El inserto del lado derecho de la unidad de corte tiene roscas a derechas.

-
Apoye el mango de la palanca contra el rodillo trasero.
-
Retire el inserto roscado al mismo tiempo que se asegura de que la palanca se mantiene en su sitio y, a continuación, retire la palanca.
-
Baje el deflector trasero y apriete el perno del deflector.
Inmovilización del molinete para instalar insertos roscados
-
Inserte una palanca de mango largo (se recomienda de 3/8" x 12" con mango de destornillador) por la parte delantera del molinete de corte, lo más cerca del lateral de la unidad de corte que va a apretar (Figura 30).
-
Coloque la palanca contra la parte soldada del refuerzo del molinete de corte interno (Figura 30).
Note: La palanca debe tocar una cuchilla en la parte delantera, el eje del molinete y una cuchilla en la parte trasera del molinete, para bloquearlo en su lugar.
Important: No toque con el borde de corte de las cuchillas la palanca, ya que puede dañar el borde de corte y/o causar una cuchilla alta.
Important: El inserto del lado izquierdo de la unidad de corte tiene roscas a izquierdas. El inserto del lado derecho de la unidad de corte tiene roscas a derechas.

-
Apoye el mango de la palanca contra el rodillo
-
Según las instrucciones de instalación del inserto y los requisitos de apriete, complete la instalación del inserto con roscas, al mismo tiempo que se asegura de que la palanca se mantiene en su lugar y, a continuación, retire la palanca.






















