Vedlikehold
-
Påse at børsten er parallell med valsen med 1,50 mm klaring for lett kontakt.
-
Smør nipler hver 50. time eller etter hver vask.
-
Trekk til J-boltene med et moment på 2–3 Nm ved utskifting av valsebørsten.
-
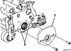
Trekk til mutteren med et moment på 36–45 Nm ved utskifting av børsteakselens drivremskive.
-
Trekk til bolten med et moment på 47–54 Nm ved utskifting av børsteakselens drivremskive.
Important: Sliping ved feil spolehastighet kan løsne og slipe vekk lederullens gjenger. Se brukerhåndboken for klippeenheten for slipeprosedyrer.
-
Valsebørste, lederullager og rem anses som forbruksgjenstander.
Sjekke og justere av remskivens innretting.
-
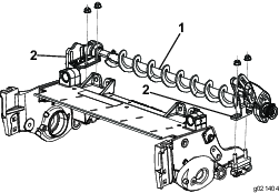
Den drevne remskiven (på valsebørsteakselen) kan beveges inn og ut (Figur 33).
Note: Noter hvilken vei remskiven må beveges.

-
Roter spolen, som samtidig rotere drivremskiven, og løft remmen av drivremskiven (Figur 33).
Note: Bruk en polstret hanske eller en tykk fille til å rotere spolen.
-
Fjern den 5/16 tommes låsemutteren som fester den drevne remskiven til enden av børsteakselen (Figur 33 eller Figur 34).
Note: Plasser en 1/2 tommes pipenøkkel på valsebørsteakselens flate område for å hindre den i å rotere.
-
Fjern den drevne remskiven fra akselen (Figur 34).
Note: Hvis remskiven må flyttes utover, legg til et 0,8 mm tykt avstandsstykke (Figur 34). Hvis remskiven må flyttes innover, fjern det innsatte 0,8 mm tykke avstandsstykket.
-
Monter remskiven.

-
Hold på valsebørsteakselens flate område og fest remskiven på akselen med 3/8-16 flensmutteren som du fjernet tidligere.
Note: Sett låsemutteren på plass og trekk til med et moment på 36–45 Nm.
-
Monter remmen på remskivene på følgende måte:
-
Legg remmen rundt den drivremskiven, og så over toppen av lederullen (Figur 21).

-
Start remmen på den drevne remskiven (Figur 21).
-
Bruk en 9/16 tommes lang pipenøkkel til å rotere børsteenheten, og før remmen over på den drevne remskiven (Figur 36).

Important: Pass på at ribbene på remmen sitter skikkelig i sporene i hver remskive. Og påse at beltet er i midten av lederullen.
-
-
Sjekk om remskivens innretting blir riktig igjen, gjenta denne prosedyren om nødvendig.
Holde fast spolen
Advarsel
Klippeenhetens spolekniver er skarpe og kan amputere hender og føtter.
-
Hold hendene og føttene utenfor spolen.
-
Sjekk at spolen holdes fast før du utfører service på den.
Holde spolen fast for fjerning av gjengede innsatser
-
Løsne skyddbolten på venstre side av klippeenheten og hev bakskyddet (Figur 37).
-
Sett inn et brekkjern med langt håndtak (anbefalt ⅜" x 12" med skrutrekkerhåndtaket) gjennom baksiden av klippespolen, nærmest den siden av klippeenheten som skal strammes (Figur 37).
-
Plasser brekkjernet mot spole-støtteplatens sveiseside (Figur 37).
Note: Sett brekkjernet inn mellom toppen av spoleakselen og baksiden av de to spoleknivene, slik at spolen ikke beveger seg.
Important: Kniveggene må ikke berøre brekkjernet, da dette kan skade kniveggen og/eller forårsake høy kniv.
Important: Innlegget på venstre side av klippeenheten er venstregjenget. Innlegget på høyre side av klippeenheten er høyregjenget.

-
Hvil håndtaket til brekkjernet mot den bakre valsen.
-
Fullfør fjerningen av den gjengede innsatsen samtidig som du passer på at brekkjernet forblir på plass. Fjern så brekkjernet.
-
Senk bakskyddet og stram skyddbolten.
Hold fast spolen mens du monterer de gjengede innsatsene
-
Sett inn et brekkjern med langt håndtak (anbefalt 3/8" x 12" med skrutrekkerhåndtak) gjennom fremsiden av klippespolen og nærmest den siden av klippeenheten som skal strammes (Figur 38).
-
Plasser brekkjernet mot sveisesiden til den interne kuttespolens forsterkning (Figur 38).
Note: Brekkjernet må være i kontakt med en kniv foran, spoleakselen og en kniv på baksiden av spolen, slik at den låses på plass.
Important: Kniveggene må ikke berøre brekkjernet, da dette kan skade kniveggen og/eller forårsake høy kniv.
Important: Innlegget på venstre side av klippeenheten er venstregjenget. Innlegget på høyre side av klippeenheten er høyregjenget.

-
Hvil brekkjernets håndtak mot valsen
-
Iht. monteringsinstruksjonene for innsatsen og kravene til stramming, fullfør monteringen av den gjengede innsatsen, samtidig som du passer på at brekkjernet sitter på plass. Deretter kan du fjerne brekkjernet.






























