Manutenzione
-
Assicuratevi che la spazzola sia parallela al rullo con un gioco di 1,50 mm per assicurare un contatto leggero.
-
Lubrificate i raccordi ogni 50 ore o dopo ogni lavaggio.
-
Quando sostituite una spazzola per rullo, serrate i bulloni J a un valore compreso tra 2 e 3 N⋅m.
-
Quando sostituite la puleggia condotta dell'albero della spazzola, serrate il dado ad un valore compreso tra 36 e 45 N⋅m.
-
Quando sostituite la puleggia condotta dell'albero della spazzola, serrate il dado ad un valore compreso tra 47 e 54 N⋅m.
Important: Eseguendo la lappatura ad una velocità del cilindro errata si possono allentare i filetti della puleggia di comando e spanarli. La procedura di lappatura è riportata nel Manuale dell'operatore degli apparati di taglio.
-
La spazzola per rullo, il cuscinetto della puleggia tendicinghia e la cinghia sono considerati articoli di consumo.
Verifica e regolazione dell’allineamento della puleggia
-
La puleggia condotta (all'albero della spazzola per rullo) può spostarsi in dentro o in fuori (Figura 33).
Note: Prendete nota della direzione in cui la puleggia deve muoversi.

-
Mentre fate ruotare il cilindro, che farà ruotare la puleggia motrice, forzate la cinghia dalla puleggia motrice (Figura 33).
Note: Indossate un guanto imbottito o utilizzate uno straccio spesso per girare il cilindro.
-
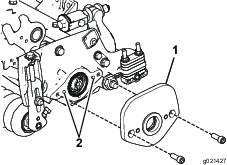
Togliete il dado di bloccaggio che fissa la puleggia condotta all'albero della spazzola (Figura 33 o Figura 34).
Note: Mettete una chiave dinamometrica da ½ poll. sulle sezioni piane dell'albero della spazzola per rullo per impedirne una rotazione.
-
Rimuovete la puleggia condotta dall'albero (Figura 34).
Note: Se occorre spostare in fuori la puleggia, aggiungete un distanziale dello spessore di 0,8 mm (Figura 34). Se occorre spostare la puleggia verso l'interno, togliete il distanziale dello spessore di 0,8 mm.
-
Installate la puleggia.

-
Mentre sostenete le sezioni piane dell'albero della spazzola, fissate la puleggia sull'albero con il dado flangiato 3/8–16 precedentemente rimosso.
Note: Posizionate il dado di bloccaggio e serrate ad un valore compreso tra 36 e 45 N⋅m.
-
Montate la cinghia sulle pulegge come segue:
-
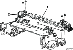
Avvolgete la cinghia intorno alla puleggia motrice e successivamente intorno alla parte superiore della puleggia tendicinghia (Figura 21).

-
Avviate la cinghia sulla puleggia condotta (Figura 21).
-
Utilizzate una chiave a tubo di profondità da 9/16" per ruotare il gruppo spazzola e guidare la cinghia sulla puleggia condotta (Figura 36).

Important: Verificate che le nervature della cinghia siano inserite correttamente nelle gole di ogni puleggia. Inoltre, assicuratevi che la cinghia sia al centro della puleggia motrice.
-
-
Verificate di nuovo l’allineamento della puleggia; ripetete questa procedura, se necessario.
Fissaggio del cilindro
Avvertenza
Le lame del cilindro di taglio sono affilate e possono amputare mani e piedi.
-
Tenete mani e piedi fuori dal cilindro.
-
Assicuratevi che il cilindro sia fermato prima di effettuarne la manutenzione.
Fissaggio del cilindro per la rimozione degli inserti filettati
-
Allentate il bullone del deflettore sul lato sinistro dell'apparato di taglio e sollevate il deflettore posteriore (Figura 37).
-
Inserite un piede di porco con manico lungo (⅜" x 12" raccomandato con manico a cacciavite) attraverso la parte posteriore del cilindro di taglio, più vicino al lato dell'apparato di taglio da serrare (Figura 37).
-
Posizionate il piede di porco contro il lato di saldatura della piastra di supporto del cilindro (Figura 37).
Note: Inserite il piede di porco tra la parte superiore dell'albero del cilindro e le parti posteriori di 2 lame del cilindro, in modo che il cilindro non si muova.
Important: Evitate il contatto del tagliente di qualsiasi lama con il piede di porco; ciò può danneggiare il tagliente e/o causare una lama alta.
Important: L’inserto a sinistra dell’apparato di taglio è sinistrorso. L'inserto a destra dell'apparato di taglio è destrorso.

-
Appoggiate il manico del piede di porco contro il rullo posteriore.
-
Completate la rimozione dell'inserto filettato assicurandovi che il piede di porco rimanga in posizione, quindi rimuovete il piede di porco.
-
Abbassate il deflettore posteriore e serrate il bullone del deflettore.
Fissaggio del cilindro per il montaggio degli inserti filettati
-
Inserite un piede di porco con manico lungo (⅜" x 12" raccomandato con manico a cacciavite) attraverso la parte anteriore del cilindro di taglio, più vicino al lato dell'apparato di taglio da serrare (Figura 38).
-
Posizionate il piede di porco contro il lato di saldatura del rinforzo del cilindro di taglio interno (Figura 38).
Note: Il piede di porco deve essere a contatto con la lama nella parte anteriore, con l'albero del cilindro e una lama nella parte posteriore del cilindro, bloccandolo in posizione.
Important: Evitate il contatto del tagliente di qualsiasi lama con il piede di porco; ciò può danneggiare il tagliente e/o causare una lama alta.
Important: L’inserto a sinistra dell’apparato di taglio è sinistrorso. L'inserto a destra dell'apparato di taglio è destrorso.

-
Appoggiate il manico del piede di porco contro il rullo
-
Secondo le istruzioni di installazione dell'inserto e i requisiti di serraggio, completate l'installazione dell'inserto filettato garantendo che il piede di porco rimanga in posizione, quindi rimuovete il piede di porco.






























