保守
-
ブラシがローラと平行になっていること、ローラとの間のすき間が1.50 mm で軽い接触があることを確認する。
-
50 運転時間ごと、また、機体を洗浄したときはその直後にグリスアップを行なう。
-
ローラブラシを交換した場合には、J ボルトを 2-3 N·m(0.23-0.29 kg.m = 20-25 in-lb)にトルク締めする。
-
ブラシシャフトの受動プーリを交換した場合には、ナットを 36ー45 N·m(3.7-4.7 kg.m= 27-33 ft-lb)にトルク締めする。
-
ブラシの駆動プーリを交換した場合には、ボルトを 47-54 N·m(4.8-5.5 kg.m = 35-40 ft-lb)にトルク締めする。
Important: バックラップをするときの回転速度が不適切であると駆動プーリをゆるめてしまう恐れがあります。バックラップ手順の詳細についてはカッティングユニットのオペレーターズマニュアル を参照してください。
-
ローラブラシ、アイドラベアリング、ベルトは消耗部品です。
プーリの整列の点検と調整
-
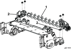
受動プーリ(ローラのシャフト位置)は内外に動かすことができます(図 33)。
Note: プーリをどちらに動かす必要があるのか確認する。

-
リールを回しながら(つまり駆動プーリを回しながら)、駆動プーリからベルトをはずす(図 33)。
Note: リールを回すときにはパッドのついている手袋や厚いウェスなどを使用してください。
-
受動プーリをブラシシャフトに固定しているロックナットを取り外す(図 33または図 34)。
Note: シャフトが回転しないように、ローラブラシシャフトの平面に ½" レンチを差し込んでください。
-
シャフトから受動プーリを取り外す(図 34)。
Note: プーリを外側に出したい場合には、0.8mm(0.032")厚のスペーサを1枚入れる(図 34)。プーリを内側に入れたい場合には、0.8mm(0.032")厚のスペーサを1枚抜き取る。
-
プーリを取り付ける。

-
ローラブラシのシャフトの平面を押さえながら、先ほど外したフランジナット(3/8–16)を使って、プーリをシャフトに固定する。
Note: ロックナットをセットし、36-45 N·m(3.8-4.5 kg.m = 27-33 ft-lb)にトルク締めする。
-
以下の手順で、プーリにベルトを取り付ける:
-
駆動 プーリにベルトを掛け、次に、アイドラプーリの上部に掛ける(図 21)。

-
受動 プーリからベルトを掛け始める(図 21)。
-
9/16" 深穴ソケットを使ってブラシアセンブリを回転させながら、ベルトを受動プーリに掛けまわす(図 36)。

Important: ベルトのリブが、各プーリの溝にきちんとはまるように取り付けること。また、ベルトがアイドラプーリの中心を通るようにすること。
-
-
プーリの整列をもう一度点検する;必要に応じて点検を繰り返す。
リール固定手順
警告
リール刃は非常に鋭利で、手足を切断できるほどである。
-
リールの軌道内に手足を入れないこと。
-
リールに作業を行う場合には、リールが回転しないよう確実に固定すること。
ねじ付きインサートを外すためにリールを固定するには
-
カッティングユニット左側のシールドボルトをゆるめて後シールドを上げる(図 37)。
-
長い柄のバール(9 mm x 30 cm 程度のドライバータイプのもの。握りのついているものがよい)を用意する。バールは、トルク作業を行う側に近い側で、リールの後ろから差し込むようにする(図 37)。
-
リールサポートプレートの溶接されている側からバールを入れ(図 37)、
Note: リールのシャフトの上側と2枚のリール刃の背中側にバールを差し込むと、リールが回転できなくなる。
Important: リールの刃先にバールを触れると刃こぼれなどを起こす;バールを当てないように十分注意すること。
Important: カッティングユニット左側のインサートは左ねじです。カッティングユニット右側のインサートは右ねじです。

-
バールの握り部分を後ローラに載せる。
-
バールでリールが確実に止まっていることを確認しながらインサートを外す。作業が終わったらバールを外す。
-
後シールドを降ろしてシールドボルトを締め付ける。
ねじ付きインサートの着脱のためにリールを固定するには
-
長い柄のバール(9 mm x 30 cm 程度のドライバータイプのもの。握りのついているものがよい)を用意する。バールは、トルク作業を行う側に近い側で、リールの前から差し込むようにする(図 38)。
-
リール補強版の溶接側からバールを入れる(図 38)と、
Note: カッティングユニットの前側で、バールがリール刃、リールシャフト、リールの背面に当たってリールをロックする状態になる。
Important: リールの刃先にバールを触れると刃こぼれなどを起こす;バールを当てないように十分注意すること。
Important: カッティングユニット左側のインサートは左ねじです。カッティングユニット右側のインサートは右ねじです。

-
バールの握り部分をローラに載せる。
-
インサートに付属している取り付け要領書に従って取り付けとトルク締めを行い、リールがバールで確実に固定されていることを確認して取り付けを終了し、最後にバールを外す。






























