Vedligeholdelse
-
Kontroller, at børsten sidder parallelt med rullen med 1,50 mm afstand fra let kontakt.
-
Smør niplerne for hver 50 timer eller efter hver vask.
-
Ved udskiftning af rullebørsten skal J-boltene tilspændes med et moment på 2-3 Nm.
-
Ved udskiftning af børsteakslens drevne remskive skal møtrikken tilspændes med et moment på 36-45 Nm.
-
Ved udskiftning af børstens drivremskive skal bolten tilspændes med et moment på 47 til 54 Nm.
Important: Baglapning ved en forkert knivcylinderhastighed kan løsne og overskrue drivremskivens gevind. Se fremgangsmåden for baglapning i brugervejledningen til klippeenheden.
-
Rullebørste, mellemhjulsleje og rem betragtes som forbrugsstoffer.
Kontrol og tilretning af remskivejusteringen
-
Den drevne remskive (ved rullebørsteakslen) kan bevæge sig ind eller ud (Figur 33).
Note: Noter, hvilken vej remskiven skal bevæge sig.

-
Drej den knivcylinder, der roterer drivremskiven, og lirk remmen af drivremskiven (Figur 33).
Note: Brug en vatteret handske eller tyk klud til at dreje knivcylinderen.
-
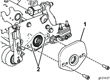
Fjern den låsemøtrik, der fastgør den drevne remskive til børsteakslen (Figur 33 eller Figur 34).
Note: Læg en ½" skruenøgle på rullebørsteakslens flade sider, så den ikke kan dreje.
-
Fjern den drevne remskive fra akslen (Figur 34).
Note: Hvis remskiven skal bevæge sig ud, tilføjes et afstandsstykke på 0,8 mm i tykkelse (Figur 34). Hvis remskiven skal bevæge sig ind, fjernes det eksisterende afstandsstykke på 0,8 mm i tykkelse.
-
Monter remskiven.

-
Hold rullebørsteakslens flade sider, og fastgør remskiven på akslen med den 3/8-16 flangemøtrik, du fjernede tidligere.
Note: Sæt låsemøtrikken i, og tilspænd den derefter med et moment på 36 til 45 Nm.
-
Monter remmen på remskiverne, som følger:
-
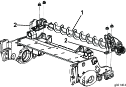
Sæt remmen rundt om drivremskiven og derefter over toppen af styreremskiven (Figur 21).

-
Start remmen på den drevne remskive (Figur 21).
-
Brug en topnøgleindsats (9/16") til at dreje børsteenheden og lempe remmen op på den drevne remskive (Figur 36).

Important: Kontroller, at ribberne på remmen sidder korrekt i rillerne i hver remskive. Kontroller også, at remmen er i midten af styreremskiven.
-
-
Kontroller remskivejusteringen igen. Gentag denne procedure om nødvendigt.
Indspænding af knivcylinderen
Advarsel
Knivcylinderens skæreknive er skarpe og i stand til at afskære hænder og fødder.
-
Hold hænder og fødder uden for cylinderen.
-
Sørg for, at knivcylinderen er indspændt, inden der udføres service på den.
Indspænding af knivcylinderen med henblik på afmontering af gevindindsatser
-
Løsn bolten på afskærmningen på venstre side af klippeenheden, og hæv den bagerste afskærmning (Figur 37).
-
Sæt en langskaftet løftestang (anbefalet ⅜" x 12" med skruetrækkerhåndtag) igennem klippeenhedens bagende, tættest på den side af klippeenheden, som du skal tilspænde (Figur 37).
-
Anbring løftestangen mod cylinderstøttepladens svejseside (Figur 37).
Note: Sæt løftestangen ind mellem knivcylinderakslens top og bagsiderne af knivcylinderens 2 skæreknive, så knivcylinderen ikke kan flytte sig.
Important: Lad ikke løftestangen komme i berøring med skæret på nogen af skæreknivene, da dette kan beskadige skæret og/eller medføre en høj skærekniv.
Important: Indsatsen i venstre side af klippeenheden har venstregevind. Indsatsen i højre side af klippeenheden har højregevind.

-
Lad løftestangens greb hvile mod den bageste rulle.
-
Færdiggør afmonteringen af gevindindsatsen, og sørg samtidig for, at løftestangen forbliver på plads, og fjern derpå løftestangen.
-
Sænk den bageste afskærmning, og stram bolten på afskærmningen.
Indspænding af knivcylinderen med henblik på montering af gevindindsatser
-
Sæt en langskaftet løftestang (anbefalet ⅜" x 12" med skruetrækkerhåndtag) igennem knivcylinderens forende, tættest på den side af klippeenheden, som du skal tilspænde (Figur 38).
-
Anbring løftestangen mod den indvendige knivcylinderforstærknings svejseside (Figur 38).
Note: Løftestangen bør være i kontakt med en skærekniv på forenden, knivcylinderakslen og en skærekniv på bagsiden af cylinderen for derved at låse den på plads.
Important: Lad ikke løftestangen komme i berøring med skæret på nogen af skæreknivene, da dette kan beskadige skæret og/eller medføre en høj skærekniv.
Important: Indsatsen i venstre side af klippeenheden har venstregevind. Indsatsen i højre side af klippeenheden har højregevind.

-
Lad løftestangens greb hvile mod rullen
-
I henhold til indsatsens monteringsvejledning og tilspændingskrav færdiggøres monteringen af gevindindsatsen, mens der sørges for, at løftestangen forbliver på plads, hvorpå løftestangen fjernes.






























