Manutenção
-
Certifique-se de que a escova está em paralelo com o rolo com uma folga de 1,50 mm a ligeiro contacto.
-
Lubrifique todos os bocais a cada 50 horas ou após cada lavagem.
-
Quando substituir uma escova do rolo, aperte os parafusos em J com uma força de 2 a 3 N·m.
-
Ao substituir a polia conduzida do eixo da escova, aperte a porca a uma força de 36 a 45 N·m.
-
Ao substituir a polia da transmissão da escova, aperte o parafuso a uma força de 47 a 54 N·m.
Important: A retificação dos cilindros por retrocesso, se feita a uma velocidade incorreta, pode desapertar e arrancar as roscas da polia da transmissão. Consulte o Manual do utilizador da unidade de corte quanto aos procedimentos de retificação de cilindros por retrocesso.
-
A escova do rolo, os rolamentos intermédios e a correia são considerados consumíveis.
Verificar e ajustar o alinhamento da polia
-
A polia de transmissão (no veio da escova do rolo) pode-se movimentar para dentro ou para fora (Figura 33).
Note: Tome nota da forma em que a polia necessita de se movimentar.

-
Rodando o cilindro, que por sua vez roda a polia da transmissão, levante a correia da polia da transmissão (Figura 33).
Note: Utilize umas luvas acolchoadas ou utilize um pano grosso para rodar o cilindro.
-
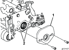
Retire as porcas de retenção que fixam a polia de transmissão ao veio da escova (Figura 33 ou Figura 34).
Note: Coloque uma chave de ½ pol. nas partes planas do veio da escova do rolo para impedir que rode.
-
Retire a polia acionada do veio (Figura 34).
Note: Se a polia necessita de sair mais, adicione um espaçador de 0,8 mm de espessura (Figura 34). Se a polia necessita de entrar mais, remova o espaçador existente de 0,8 mm de espessura.
-
Instale a polia.

-
Prendendo as partes planas do veio da escova do rolo, prenda a polia ao veio com a porca flangeada ⅜–16 previamente removida.
Note: Encaixe a porca de retenção apertando-a com uma força de 36 a 45 N·m.
-
Instale a correia nas polias da seguinte forma:
-
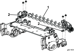
Passe a correia em redor da polia da transmissão e, em seguida, sobre a parte superior da polia intermédia (Figura 21).

-
Ligue a correia na polia acionada (Figura 21).
-
Utilize uma chave de caixa profunda de 9/16 pol. para rodar o conjunto da escova e orientar a correia para a polia acionada (Figura 36).

Important: Certifique-se de que as saliências da correia assentam devidamente nas ranhuras de cada polia. Além disso, certifique-se de que a correia está no centro da polia intermédia.
-
-
Verifique novamente o alinhamento da polia; repita este procedimento se necessário.
Prender o rastelo
Aviso
As lâminas dos cilindros de corte são afiadas e capazes de amputar mãos e pés.
-
Mantenha as mãos e pés afastados do cilindro.
-
Certifique-se de que o cilindro está preso antes de realizar manutenção.
Prender o cilindro para remover os adaptadores roscados
-
Desaperte o parafuso do resguardo no lado esquerdo da unidade de corte e eleve o resguardo traseiro (Figura 37).
-
Insira um pé de cabra de cabo longo (recomendado 3/8 x 12 pol. com pega de chave de parafusos) através da traseira do cilindro de corte, o mais próximo do lado da unidade de corte que irá apertar (Figura 37).
-
Coloque o pé de cabra contra o lado soldado da placa de suporte do cilindro (Figura 37).
Note: Insira o pé de cabra entre a parte superior do eixo do cilindro e as partes de trás das duas lâminas do cilindro de forma a que o cilindro não se mova.
Important: Não toque na extremidade de corte de qualquer lâmina com o pé de cabra; isto pode danificar a extremidade de corte e/ou causar uma lâmina elevada.
Important: O adaptador do lado esquerdo da unidade de corte tem roscas do lado esquerdo. O adaptador do lado direito da unidade de corte tem roscas do lado direito.

-
Apoie a pega do pé de cabra contra o rolo traseiro.
-
Conclua a remoção do adaptador roscado enquanto assegura que o pé de cabra permanece no sítio e, em seguida, remova o pé de cabra.
-
Desça o resguardo traseiro e aperte o parafuso do resguardo.
Prender o cilindro para instalar os adaptadores roscados
-
Insira um pé de cabra de cabo longo (recomendado 3/8 x 12 pol. com pega de chave de parafusos) através da frente do cilindro de corte, o mais próximo do lado da unidade de corte que irá apertar (Figura 38).
-
Coloque o pé de cabra contra o lado soldado do reforço interno do cilindro de corte (Figura 38).
Note: O pé de cabra deve estar em contacto com a lâmina na frente, no eixo do cilindro e uma lâmina atrás na parte traseira do cilindro, bloqueando-o no sítio.
Important: Não toque na extremidade de corte de qualquer lâmina com o pé de cabra; isto pode danificar a extremidade de corte e/ou causar uma lâmina elevada.
Important: O adaptador do lado esquerdo da unidade de corte tem roscas do lado esquerdo. O adaptador do lado direito da unidade de corte tem roscas do lado direito.

-
Apoie a pega do pé de cabra contra o rolo
-
De acordo com as instruções de instalação do adaptador e requisitos de aperto, conclua a instalação do adaptador roscado assegurando que o pé de cabra permanece no sítio e, em seguida, retire o pé de cabra.






























