Underhåll
-
Kontrollera att borsten är parallell med rullen och att mellanrummet mellan dem är 1,5 mm, eller att de bara precis vidrör varandra.
-
Smörj alla smörjnipplar var 50:e timme eller efter varje tvätt.
-
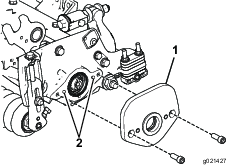
När du byter ut rullborsten ska du dra åt J-skruvarna till 2–3 Nm.
-
När du sätter tillbaka borstaxelns drivna skiva ska du dra åt muttern till 36–45 Nm.
-
När du byter ut borstens drivskiva ska du dra åt skruven till 47–54 Nm.
Important: Slipning vid felaktig cylinderhastighet kan medföra att drivskivans gängor blir ned- eller bortslitna. Se bruksanvisningen till klippenheten för information om slipning.
-
Rullborste, drevlager och rem klassas som förbrukningsartiklar.
Kontrollera och justera att remskivorna ligger i linje med varandra
-
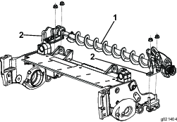
Den drivna skivan (vid rullborstaxeln) kan röra sig inåt eller utåt (Figur 33).
Note: Notera åt vilket håll som skivan behöver röra sig.

-
Rotera cylindern, som i sin tur kommer att rotera drivskivan, och bänd samtidigt bort remmen från drivskivan (Figur 33).
Note: Ha på dig en vadderad handske eller använd en tjock trasa när du roterar cylindern.
-
Ta bort låsmuttern som fäster den drivna skivan vid borstaxeln (Figur 33 eller Figur 34).
Note: Håll en 1/2-tums skiftnyckel mot rullborstaxelns plana yta för att förhindra att axeln vrids runt.
-
Ta bort den drivna skivan från axeln (Figur 34).
Note: Om remskivan behöver röra sig utåt lägger du på en 0,8 mm tjock distansbricka (Figur 34). Om remskivan behöver röra sig inåt tar du bort den befintliga 0,8 mm tjocka distansbrickan.
-
Montera remskivan.

-
Håll i rullborstaxelns plana yta, och fäst samtidigt remskivan vid axeln med flänsmuttern på 3/8–16 tum som du tidigare tog bort.
Note: Sätt dit låsmuttern och dra sedan åt den till 36–45 Nm.
-
Så här monterar du remmen på remskivorna:
-
Dra remmen runt drivskivan och sedan över mellanremskivan (Figur 21).

-
Starta remmen på den drivna skivan (Figur 21).
-
Rotera borstenheten och styr remmen på den drivna skivan genom att använda en 9/16 djupbrunnshylsa (Figur 36).

Important: Kontrollera att räfflorna på remmen passar ihop med skårorna på varje remskiva. Kontrollera också att remmen är i mitten av mellanremskivan.
-
-
Kontrollera att skivorna ligger i linje med varandra igen. Upprepa detta förfarande vid behov.
Låsa fast cylindern
Varning
Klippcylinderns knivar är vassa och kan slita av händer och fötter.
-
Håll händer och fötter borta från cylindern.
-
Se till att cylindern är fastlåst innan du servar den.
Låsa fast cylindern för att ta bort gängade insatser
-
Lossa på skyddsskruven på klippenhetens vänstra sida och höj upp det bakre skyddet (Figur 37).
-
För in en bändstång med långt handtag (vi rekommenderar storleken ⅜ x 12 tum med ett skruvmejselhandtag) genom klippcylinderns baksida närmast sidan på den klippenhet som du ska dra åt (Figur 37).
-
Placera bändstången mot cylinderstödplattans svetsade sida (Figur 37).
Note: För in bändstången mellan den övre delen av cylinderaxeln och baksidan på två cylinderknivar så att cylindern inte kan röra sig.
Important: Rör inte vid eggen på någon av knivarna med bändstången. Detta kan skada eggen och/eller resultera i en hög kniv.
Important: Insatsen på klippenhetens vänstra sida är vänstergängad. Insatsen på klippenhetens högra sida är högergängad.

-
Placera bändstångens handtag mot den bakre rullen.
-
Slutför borttagandet av den gängade insatsen och säkerställ samtidigt att bändstången stannar på sin plats. Ta sedan bort bändstången.
-
Sänk det bakre skyddet och dra åt skyddsskruven.
Låsa fast cylindern för att montera gängade insatser
-
För in en bändstång med långt handtag (vi rekommenderar storleken ⅜ x 12 tum med ett skruvmejselhandtag) genom klippcylinderns framsida närmast sidan på den klippenhet som du ska dra åt (Figur 38).
-
Placera bändstången mot den svetsade sidan på cylinderns inre förstärkning (Figur 38).
Note: Bändstången ska vidröra en främre kniv, cylinderaxeln och en kniv längre bak i cylindern så att den låses fast.
Important: Rör inte vid eggen på någon av knivarna med bändstången. Detta kan skada eggen och/eller resultera i en hög kniv.
Important: Insatsen på klippenhetens vänstra sida är vänstergängad. Insatsen på klippenhetens högra sida är högergängad.

-
Placera bändstångens handtag mot rullen.
-
Slutför monteringen av den gängade insatsen enligt insatsens monteringsanvisningar och åtdragningskrav och säkerställ samtidigt att bändstången stannar på sin plats. Ta sedan bort bändstången.






























