Manutenção
Perigo
Tocar nos cilindros ou noutras peças em movimento pode provocar lesões graves.
-
Antes de fazer quaisquer ajustes às unidades de corte, desengate os cilindros, engate o travão de estacionamento, desligue o motor e retire a chave.
-
Mantenha as mãos e roupa afastadas dos cilindros e de todas as outras peças em movimento.
Mudança do lubrificante da caixa de velocidades
| Intervalo de assistência |
| Após as primeiras 100 horas |
| A cada 500 horas/anualmente (o que ocorrer primeiro) |
-
Limpe as superfícies exteriores da caixa do rastelo.
Important: Certifique-se de que não existe sujidade nem aparas no exterior da caixa do rastelo; se os detritos entrarem no rastelo, podem danificar a caixa de velocidades.
-
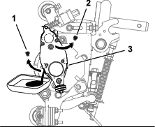
Remova o tampão de escoamento no fundo da caixa (Figura 26).
-
Remova o tampão de enchimento na lateral da caixa e desaperte o tampão de ventilação na parte superior para que o ar possa passar (Figura 26).
-
Alinhe um recipiente adequado por baixo da porta de drenagem do óleo para recolher o óleo drenado.
-
Incline a unidade de corte para trás para o apoio até a porta de drenagem estar no fundo para assegurar uma drenagem completa (Figura 24).

-
Abane a unidade de corte para trás e para a frente para assegurar uma drenagem completa. Quando o lubrificante estiver completamente drenado, coloque a unidade de corte numa superfície nivelada.
-
Instale o tampão de escoamento.
-
Utilize uma seringa (peça n.º 137-0872) para encher a caixa da transmissão com óleo 80-90W. Encha com 50 cc para cilindros de 12,7 cm ou 90 cc para cilindros de 17,8 cm.

-
Instale o tampão de enchimento e aperte o tampão de ventilação.
-
Aperte todos os tampões com uma força de 3,62 a 4,75 N·m.

Remover a caixa da transmissão do rastelo
Note: Guarde todas as peças retiradas para reutilização, a não ser que seja indicado de outra forma.
Important: Se tiver algum problema ao remover a caixa da transmissão do rastelo, consulte o Manual de manutenção da sua unidade de tração ou contacte o seu distribuidor autorizado Toro.
-
Retire a tampa do rastelo.
-
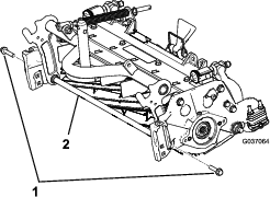
Retire os parafusos de fixação que ligam o rastelo à caixa da transmissão (Figura 16).
-
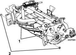
Retire o pino de ajuste e perno de gancho que ligam a caixa da transmissão do rastelo aos braços de ajuste (Figura 27).

-
Prenda o cilindro para remoção; consulte a Prender o cilindro para remover os adaptadores roscados.
-
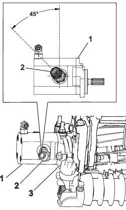
Instale o parafuso de reforço (peça n.º 1-803022—vendida em separado) nas roscas internas da cabeça sextavada da transmissão do rastelo e aperte com 13,5 N⋅m como se mostra na Figura 27.
-
Remova a caixa da transmissão do rastelo do cilindro de corte rodando a cabeça sextavada da transmissão do rastelo (Figura 27).
Important: Se a caixa da transmissão do rastelo for instalada do lado direito de uma unidade de corte, rode a cabeça sextavada da transmissão do rastelo no sentido contrário ao dos ponteiros do relógio (rosca direita) para remover o eixo da caixa da transmissão da unidade de corte.
Important: Se a caixa da transmissão do rastelo for instalada do lado esquerdo de uma unidade de corte, rode a cabeça sextavada da transmissão do rastelo no sentido dos ponteiros do relógio (rosca esquerda) para remover o eixo da caixa da transmissão da unidade de corte.
Important: Tem de utilizar uma chave de caixa de seis faces com parede grossa.
Limpeza do cilindro do rastelo
| Intervalo de assistência | Procedimento de manutenção |
|---|---|
| Após cada utilização |
Limpe o cilindro do rastelo depois de o utilizar pulverizando-o com água. Não direcione o fluxo de água diretamente para os vedantes dos rolamentos do rastelo. Não deixe o cilindro do rastelo mergulhado em água, pois tal enferrujará os componentes.
Verificação das lâminas
| Intervalo de assistência | Procedimento de manutenção |
|---|---|
| Em todas as utilizações ou diariamente |
Verifique, com frequência, as lâminas do cilindro de rastelo para detetar possíveis danos ou desgaste. Endireite as lâminas dobradas com um alicate e substitua as lâminas gastas. Ao verificar as lâminas, certifique-se de que as porcas da extremidade das lâminas esquerda e direita estão bem apertadas.

Prender o rastelo
Aviso
As lâminas dos cilindros de corte são afiadas e capazes de amputar mãos e pés.
-
Mantenha as mãos e pés afastados do cilindro.
-
Certifique-se de que o cilindro está preso antes de realizar manutenção.
Prender o cilindro para remover os adaptadores roscados
-
Desaperte o parafuso do resguardo no lado esquerdo da unidade de corte e eleve o resguardo traseiro (Figura 29).
-
Insira um pé de cabra de cabo longo (recomendado 3/8 x 12 pol. com pega de chave de parafusos) através da traseira do cilindro de corte, o mais próximo do lado da unidade de corte que irá apertar (Figura 29).
-
Coloque o pé de cabra contra o lado soldado da placa de suporte do cilindro (Figura 29).
Note: Insira o pé de cabra entre a parte superior do eixo do cilindro e as partes de trás das duas lâminas do cilindro de forma a que o cilindro não se mova.
Important: Não toque na extremidade de corte de qualquer lâmina com o pé de cabra; isto pode danificar a extremidade de corte e/ou causar uma lâmina elevada.
Important: O adaptador do lado esquerdo da unidade de corte tem roscas do lado esquerdo. O adaptador do lado direito da unidade de corte tem roscas do lado direito.

-
Apoie a pega do pé de cabra contra o rolo traseiro.
-
Conclua a remoção do adaptador roscado enquanto assegura que o pé de cabra permanece no sítio e, em seguida, remova o pé de cabra.
-
Desça o resguardo traseiro e aperte o parafuso do resguardo.
Prender o cilindro para instalar os adaptadores roscados
-
Insira um pé de cabra de cabo longo (recomendado 3/8 x 12 pol. com pega de chave de parafusos) através da frente do cilindro de corte, o mais próximo do lado da unidade de corte que irá apertar (Figura 30).
-
Coloque o pé de cabra contra o lado soldado do reforço interno do cilindro de corte (Figura 30).
Note: O pé de cabra deve estar em contacto com a lâmina na frente, no eixo do cilindro e uma lâmina atrás na parte traseira do cilindro, bloqueando-o no sítio.
Important: Não toque na extremidade de corte de qualquer lâmina com o pé de cabra; isto pode danificar a extremidade de corte e/ou causar uma lâmina elevada.
Important: O adaptador do lado esquerdo da unidade de corte tem roscas do lado esquerdo. O adaptador do lado direito da unidade de corte tem roscas do lado direito.

-
Apoie a pega do pé de cabra contra o rolo
-
De acordo com as instruções de instalação do adaptador e requisitos de aperto, conclua a instalação do adaptador roscado assegurando que o pé de cabra permanece no sítio e, em seguida, retire o pé de cabra.






















