Mantenimiento
-
Asegúrese de que el cepillo está paralelo al rodillo con una holgura de 1,50 mm o con un contacto ligero.
-
Lubrique los engrasadores cada 50 horas o después de cada lavado.
-
Al cambiar el cepillo del rodillo, apriete los pernos en J a entre 2 y 3 N·m.
-
Al cambiar la polea arrastrada del eje del cepillo, apriete la tuerca a entre 36 y 45 N·m.
-
Al cambiar la polea motriz del cepillo, apriete el perno a entre 47 y 54 N·m.
Important: El autoafilado con una velocidad del molinete incorrecta puede aflojar y dañar las roscas de la polea motriz. Consulte el procedimiento de autoafilado en el Manual del operador de la unidad de corte.
-
El cepillo del rodillo, la polea tensora y la correa se consideran como componentes consumibles.
Comprobación y ajuste de la alineación de la polea
-
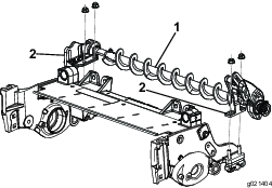
La polea arrastrada (en el eje del groomer) puede desplazarse hacia dentro y hacia fuera (Figura 33).
Note: Anote la dirección en que la polea debe desplazarse.

-
Mientras gira del molinete, que hará girar a su vez la polea motriz, haga palanca para retirar la correa de la polea motriz (Figura 33).
Note: Lleve un guante acolchado o utilice un trapo grueso para girar el moliente.
-
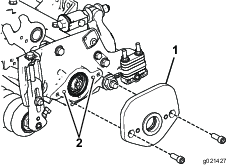
Retire la contratuerca que sujeta la polea arrastrada al eje del cepillo (Figura 33 o Figura 34).
Note: Sujete el eje del cepillo del rodillo para que no gire colocando una llave de ½" en las zonas planas del eje.
-
Retire la polea arrastrada del eje (Figura 34).
Note: Para desplazar la polea hacia fuera, añada un espaciador de 0,8 mm de grosor (Figura 34). Para desplazar la polea hacia dentro, retire el espaciador existente de 0,8 mm de grosor.
-
Instale la polea.

-
Sujetando las zonas planas del eje del cepillo del rodillo, sujete la polea en el eje con la tuerca con arandela prensada de 3/8–16 que retiró anteriormente.
Note: Asiente la contratuerca y, a continuación, apriétela a entre 36 y 45 N⋅m.
-
Instale la correa sobre las poleas:
-
Coloque la correa alrededor de la polea motriz y luego por encima de la polea tensora (Figura 21).

-
Empiece a colocar la correa en la polea arrastrada (Figura 21).
-
Utilice una llave de vaso profundo de 9/16" para girar el conjunto del cepillo y guiar la correa sobre la polea arrastrada (Figura 36).

Important: Asegúrese de que los nervios de la correa están correctamente asentados en las ranuras de cada polea. Asegúrese también de que la correa está en el centro de la polea tensora.
-
-
Vuelva a comprobar la alineación de la polea; repita este procedimiento si es necesario.
Inmovilización del molinete
Advertencia
Las cuchillas del molinete están afiladas y pueden amputar las manos y los pies.
-
Mantenga las manos y los pies fuera del molinete.
-
Asegúrese de que el molinete esté inmovilizado antes de realizar tareas de mantenimiento.
Inmovilización del molinete para retirar insertos roscados
-
Afloje el perno del deflector a la izquierda de la unidad de corte y eleve el deflector trasero (Figura 37).
-
Inserte una palanca de mango largo (se recomienda de 3/8" x 12" con mango de destornillador) por la parte trasera del molinete de corte, lo más cerca del lateral de la unidad de corte que va a apretar (Figura 37).
-
Coloque la palanca contra la parte soldada de la placa de soporte del molinete (Figura 37).
Note: Inserte la palanca entre la parte superior del eje del molinete y las partes traseras de las 2 cuchillas del molinete, para que el molinete no se mueva.
Important: No toque con el borde de corte de las cuchillas la palanca, ya que puede dañar el borde de corte y/o causar una cuchilla alta.
Important: El inserto del lado izquierdo de la unidad de corte tiene roscas a izquierdas. El inserto del lado derecho de la unidad de corte tiene roscas a derechas.

-
Apoye el mango de la palanca contra el rodillo trasero.
-
Retire el inserto roscado al mismo tiempo que se asegura de que la palanca se mantiene en su sitio y, a continuación, retire la palanca.
-
Baje el deflector trasero y apriete el perno del deflector.
Inmovilización del molinete para instalar insertos roscados
-
Inserte una palanca de mango largo (se recomienda de 3/8" x 12" con mango de destornillador) por la parte delantera del molinete de corte, lo más cerca del lateral de la unidad de corte que va a apretar (Figura 38).
-
Coloque la palanca contra la parte soldada del refuerzo del molinete de corte interno (Figura 38).
Note: La palanca debe tocar una cuchilla en la parte delantera, el eje del molinete y una cuchilla en la parte trasera del molinete, para bloquearlo en su lugar.
Important: No toque con el borde de corte de las cuchillas la palanca, ya que puede dañar el borde de corte y/o causar una cuchilla alta.
Important: El inserto del lado izquierdo de la unidad de corte tiene roscas a izquierdas. El inserto del lado derecho de la unidad de corte tiene roscas a derechas.

-
Apoye el mango de la palanca contra el rodillo
-
Según las instrucciones de instalación del inserto y los requisitos de apriete, complete la instalación del inserto con roscas, al mismo tiempo que se asegura de que la palanca se mantiene en su lugar y, a continuación, retire la palanca.






























