Vedlikehold
Fare
Kontakt med spolene eller andre bevegelige deler kan føre til personskader.
-
Før du foretar justeringer på klippeenheten, koble fra spolene, sett på parkeringsbremsen, stopp motoren, og ta ut nøkkelen.
-
Hold hender og klær borte fra spolene og andre bevegelige deler.
Skifte girolje
| Serviceintervall |
| Etter de 100 første timene |
| Hver 500. time / årlig (det som kommer først) |
-
Rengjør utvendige overflater på trimsatshuset.
Important: Påse at det ikke er smuss eller gress på utsiden av trimsatshuset. Hvis det kommer rusk inn på innsiden av trimsatsen, kan det medføre skade på girkassen.
-
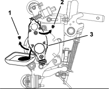
Løsne tappepluggen i bunnen av huset (Figur 26).
-
Fjern påfyllingspluggen på siden av huset og løsne luftepluggen på toppen, slik at luft kan slippe ut (Figur 26).
-
Plasser en egnet beholder under oljetappingsporten for å fange opp tappet olje.
-
Tipp klippeenheten bakover på støtten til tappeåpningen er helt nederst, for å sikre fullstendig tømming (Figur 24).

-
Vipp klippeenheten frem og tilbake for å sikre at den tømmes helt. Når klippeenheten er fullstendig tømt for olje, plasserer du den på et jevnt underlag.
-
Sett på plass tappepluggen.
-
Bruk en sprøyte (delenr. 137-0872) til å fylle drivhuset med 80-90W-olje. Fyll med 50 cc for 12,7 cm spoler eller 90 cc for 18 cm spoler.

-
Sett i påfyllingspluggen og stram til lufteventilpluggen.
-
Trekk til pluggene med et moment på 3,62–4,75 Nm.

Fjerne trimsatsdrevhuset
Note: Behold alle demonterte deler for senere montering med mindre annet er angitt.
Important: Hvis du har problemer med å fjerne trimsatsdrivhuset, se servicehåndboken for trekkenheten eller kontakt din autoriserte Toro-distributør.
-
Ta lokket av trimsatsen.
-
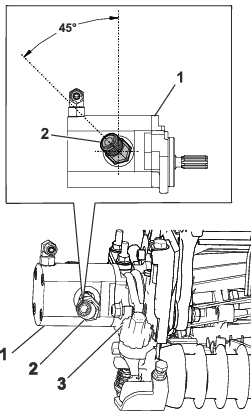
Fjern klemboltene som kobler trimsatsen til styreboksen (Figur 16).
-
Fjern justeringssplinten og hårnålsplinten som kobler trimsatsdrivhuset til justeringsarmene (Figur 27).

-
Hold spolen fast for fjerning. Se Holde spolen fast for fjerning av gjengede innsatser.
-
Monter forsterkningsskruen(delenr. 1-803022 – selges separat) på de innvendige gjengene på trimsatsenhetens sekskanthodebolt og stram til 13,5 Nm som vist i Figur 27.
-
Fjern trimsatsdrivhuset fra klippespolen ved å vri trimsatsenhetens sekskanthodebolt med (Figur 27).
Important: Hvis trimsatsdrivhuset er montert på høyre side av klippeenheten, vri trimsatsenhetens sekskanthodebolt mot klokken (høyregjenget) for å fjerne drivhusakselen fra klippeenheten.
Important: Hvis trimsatsdrivhuset er montert på venstre side av klippeenheten, vri trimsatsenhetens sekskanthodebolt med klokken (venstregjenget) for å fjerne drivhusakselen fra klippeenheten
Important: Du må bruke en sekspunkts sokkel med tungt borerør.
Rengjøre trimmespolen
| Vedlikeholdsintervall | Vedlikeholdsprosedyre |
|---|---|
| Etter hver bruk |
Rengjør trimmespolen etter bruk ved å sprøyte vann på den. Ikke rett vannstrålen direkte på trimsatsens lagerpakninger. Ikke la trimsatsvalsen stå i vann slik at komponentene ruster.
Undersøke knivbladene
| Vedlikeholdsintervall | Vedlikeholdsprosedyre |
|---|---|
| For hver bruk eller daglig |
Undersøk trimmespoleknivene regelmessig for slitasje eller skade. Rett ut bøyde kniver med en tang, og skift ut slitte kniver. Når du kontrollerer knivene, sjekk at mutterne på høyre og venstre side av knivakselen sitter godt fast.

Holde fast spolen
Advarsel
Klippeenhetens spolekniver er skarpe og kan amputere hender og føtter.
-
Hold hendene og føttene utenfor spolen.
-
Sjekk at spolen holdes fast før du utfører service på den.
Holde spolen fast for fjerning av gjengede innsatser
-
Løsne skyddbolten på venstre side av klippeenheten og hev bakskyddet (Figur 29).
-
Sett inn et brekkjern med langt håndtak (anbefalt ⅜" x 12" med skrutrekkerhåndtaket) gjennom baksiden av klippespolen, nærmest den siden av klippeenheten som skal strammes (Figur 29).
-
Plasser brekkjernet mot spole-støtteplatens sveiseside (Figur 29).
Note: Sett brekkjernet inn mellom toppen av spoleakselen og baksiden av de to spoleknivene, slik at spolen ikke beveger seg.
Important: Kniveggene må ikke berøre brekkjernet, da dette kan skade kniveggen og/eller forårsake høy kniv.
Important: Innlegget på venstre side av klippeenheten er venstregjenget. Innlegget på høyre side av klippeenheten er høyregjenget.

-
Hvil håndtaket til brekkjernet mot den bakre valsen.
-
Fullfør fjerningen av den gjengede innsatsen samtidig som du passer på at brekkjernet forblir på plass. Fjern så brekkjernet.
-
Senk bakskyddet og stram skyddbolten.
Hold fast spolen mens du monterer de gjengede innsatsene
-
Sett inn et brekkjern med langt håndtak (anbefalt 3/8" x 12" med skrutrekkerhåndtak) gjennom fremsiden av klippespolen og nærmest den siden av klippeenheten som skal strammes (Figur 30).
-
Plasser brekkjernet mot sveisesiden til den interne kuttespolens forsterkning (Figur 30).
Note: Brekkjernet må være i kontakt med en kniv foran, spoleakselen og en kniv på baksiden av spolen, slik at den låses på plass.
Important: Kniveggene må ikke berøre brekkjernet, da dette kan skade kniveggen og/eller forårsake høy kniv.
Important: Innlegget på venstre side av klippeenheten er venstregjenget. Innlegget på høyre side av klippeenheten er høyregjenget.

-
Hvil brekkjernets håndtak mot valsen
-
Iht. monteringsinstruksjonene for innsatsen og kravene til stramming, fullfør monteringen av den gjengede innsatsen, samtidig som du passer på at brekkjernet sitter på plass. Deretter kan du fjerne brekkjernet.






















