Entretien
-
Vérifiez que la brosse est parallèle au rouleau avec un espace de 1,50 mm ou un léger contact.
-
Graissez les graisseurs toutes les 50 heures et après chaque lavage.
-
Si vous remplacez la brosse de rouleau, serrez les écrous en J à un couple de 2 à 3 N·m.
-
Si vous remplacez la poulie menée de l'arbre de brosse, serrez l'écrou à un couple de 36 à 45 N·m.
-
Si vous remplacez la poulie d'entraînement de la brosse, serrez le boulon à un couple de 47 à 54 N·m.
Important: Si le rodage n'est pas effectué à une vitesse de cylindre correcte, le cylindre risque de se desserrer et d'arracher les filetages des poulies d'entraînement. Reportez-vous au Manuel de l'utilisateur des unités de coupe pour la procédure de rodage.
-
La brosse de rouleau, le roulement de la poulie de tension et la courroie sont considérés comme des produits de consommation.
Contrôle et réglage de l'alignement de la poulie
-
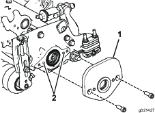
La poulie menée (au niveau de l'arbre de la brosse) peut bouger vers l'intérieur ou l'extérieur (Figure 33).
Note: Notez dans quelle direction la poulie doit bouger.

-
Tout en tournant le cylindre, ce qui entraîne la poulie d'entraînement, déchaussez la courroie de la poulie (Figure 33
Note: Munissez-vous d'un gant ou d'un chiffon épais pour faire tourner le cylindre.
-
Retirez le contre-écrou qui fixe la poulie menée à l'arbre de la brosse (Figure 33 ou Figure 34).
Note: Placez une clé de 1/2 pouce sur les méplats de l'arbre de la brosse pour l'empêcher de tourner.
-
Déposez la poulie menée de l'arbre (Figure 34).
Note: Si la poulie a besoin d'être déplacée vers l'extérieur, ajoutez une entretoise de 0,8 mm d'épaisseur (Figure 34). Si la poulie doit être rapprochée de l'intérieur, retirez l'entretoise de 0,8 mm existante.
-
Montez la poulie.

-
Tout en immobilisant les méplats de l'arbre de la brosse, fixez la poulie sur l'arbre avec l'écrou à embase (⅜"–16) retiré précédemment.
Note: Mettez le contre-écrou en place et serrez-le à un couple de 36 à 45 N·m.
-
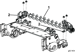
Montez la courroie sur les poulies comme suit :
-
Passez la courroie autour de la poulie d'entraînement puis sur le dessus de la poulie de tension (Figure 21).

-
Commencez à installer la courroie sur la poulie menée (Figure 21).
-
Avec une clé à douille profonde de 9/16 pouce, tournez la brosse et guidez la courroie sur la poulie menée (Figure 36).

Important: Assurez-vous que les nervures de la courroie sont engagées correctement dans les gorges de chaque poulie. Assurez-vous aussi que la courroie est bien centrée sur la poulie de tension.
-
-
Contrôlez de nouveau l'alignement de la poulie ; répétez cette procédure au besoin.
Blocage du cylindre
Attention
Les lames du cylindre sont très coupantes et peuvent sectionner les mains et les pieds.
-
Laissez les mains et les pieds à l'extérieur du cylindre.
-
Vérifiez que le cylindre est bloqué avant d'en faire l'entretien.
Blocage du cylindre pour la dépose des inserts filetés
-
Desserrez le boulon du déflecteur sur le côté gauche de l'unité de coupe et levez le déflecteur arrière (Figure 37).
-
Insérez un levier à long manche (⅜" x 12" avec manche de tournevis) à l'arrière du cylindre de coupe, du côté le plus proche de l'unité de coupe que vous allez serrer (Figure 37).
-
Placez le levier contre le côté soudé de la plaque de support du cylindre (Figure 37).
Note: Insérez le levier entre le haut de l'arbre du cylindre et l'arrière des 2 lames pour empêcher le cylindre de bouger.
Important: Ne touchez le tranchant des lames avec le levier au risque d'endommager le tranchant et/ou de déformer les lames.
Important: L’insert du côté gauche de l'unité de coupe est fileté à gauche. L’insert du côté droit de l'unité de coupe est fileté à droite.

-
Appuyez le manche du levier sur le rouleau arrière.
-
Finissez de déposer l'insert fileté en vérifiant que le levier reste en place, puis retirez le levier.
-
Baissez le déflecteur arrière et serrez le boulon de fixation.
Blocage du cylindre pour la pose des inserts filetés
-
Insérez un levier à long manche (⅜" x 12" avec manche de tournevis) à l'avant du cylindre de coupe, du côté le plus proche de l'unité de coupe que vous allez serrer (Figure 38).
-
Placez le levier contre le côté soudé du renfort interne du cylindre (Figure 38).
Note: Le levier doit être en contact avec une lame à l'avant, l'arbre du cylindre et une lame à l'arrière de l'arrière du cylindre, qui est ainsi bloqué en place.
Important: Ne touchez le tranchant des lames avec le levier au risque d'endommager le tranchant et/ou de déformer les lames.
Important: L’insert du côté gauche de l'unité de coupe est fileté à gauche. L’insert du côté droit de l'unité de coupe est fileté à droite.

-
Appuyez le manche du levier sur le rouleau.
-
Finissez d'installer les inserts filetés selon les instructions d'installation et de serrage, en vérifiant que le levier reste en place, puis retirez le levier.






























