Manutenção
Lubrificação da unidade de corte vertical
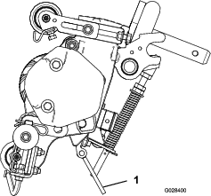
Cada unidade de corte vertical possui 5 bocais de lubrificação (Figura 13) que deverão ser lubrificados semanalmente com massa lubrificante nº 2 para utilizações gerais, à de lítio.
Estes pontos de lubrificação são o rolo da frente (2), rolo traseiro (2) e estrias do cilindro (1).
Important: Lubrificar as unidades de corte imediatamente após a lavagem ajuda a purgar a água dos rolamentos e aumenta a duração dos mesmos.
-
Limpe cada bocal de lubrificação com um trapo limpo.
-
Aplique lubrificação até que se veja lubrificante limpo a sair dos vedantes do rolo e da válvula de descarga do rolamento (Figura 13).

-
Elimine o excesso de massa lubrificante.
Retiro das lâminas da unidade de corte vertical do eixo
-
Fixe a extremidade do eixo da unidade de corte vertical, que tem apenas uma anilha e uma porca, num torno.
-
Na outra extremidade do eixo, rodar a porca no sentido contrário ao dos ponteiros do relógio e retirá-la.
Cuidado
As lâminas são muito afiadas e podem ter fissuras que lhe podem ferir as mãos.
Use luvas e tenha cuidado ao remover as lâminas do eixo.
-
Retire o espaçador pequeno, a anilha, as lâminas e os espaçadores grandes. Limpe e lubrifique o eixo quadrado com uma leve camada de massa para facilitar montagem (Figura 14).

Important: A ordem da desmontagem é extremamente importante. Não inverta as lâminas do cilindro da unidade de corte vertical quando as desmontar nem inverta a ordem quando as montar. Anote o orifício informativo em cada furo da unidade de corte vertical. O orifício informativo destina-se à montagem para se obter a hélice adequada do cilindro da unidade de corte vertical.
Instalação das lâminas da unidade de corte vertical
-
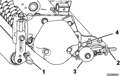
Monte uma lâmina (Figura 15).
-
Monte um espaçador grande.
-
Não inverta as lâminas do cilindro quando as montar no eixo do cilindro.
Note: Se inverter as lâminas, as lâminas em utilização (arredondadas) irão misturar-se com as extremidades afiadas das lâminas anteriores não utilizadas, resultando num desempenho de corte insatisfatório.
-
Instale lâmina seguinte no sentido dos ponteiros do relógio de forma a o orifício de referência (Figura 15) não ficar alinhado com o orifício da primeira lâmina por um furo do eixo.

-
Continue a instalar os espaçadores e as lâminas desta forma até ter instalado completamente todas as lâminas.
Note: Quando corretamente montadas, as lâminas ficarão sobrepostas de uma forma tal que lembrarão uma hélice.
-
Instale o espaçador pequeno no eixo.
-
Aplique Loctite azul 242 na porca. Instale a porca no eixo (lado maquinado da porca voltado para o espaçador) e aperte-a com 109 a 135 N·m.
Espaçamento opcional da lâmina
1,25 cm de espaçamento da lâmina para o modelo 03618
Para alterar configuração da unidade de corte vertical do espaçamento standard de 1,92 cm para o espaçamento de 1,25 cm são necessários 34 espaçadores adicionais, peça número 17-1580, e 10 lâminas de carboneto adicionais, peça número 106-6355, ou 10 lâminas regulares, peça número 17-1590 (Figura 16).

2,54 cm de espaçamento da lâmina para o modelo 03619
Para alterar configuração da unidade de corte vertical do espaçamento standard de 3,2 cm para o espaçamento de 2,54 cm são necessários 19 novos espaçadores, peça número 93-3092, e 4)lâminas de carboneto adicionais, peça número 106-8625, ou 4 lâminas regulares adicionais, peça número 93-3038 (Figura 17).

Manutenção do rolo
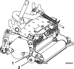
O kit de remontagem do rolo, peça nº 114-5430 e o kit de ferramentas de remontagem do rolo, peça nº 115-0803 (Figura 18) estão disponíveis para fazer a manutenção do rolo. O kit do rolo inclui todos os rolamentos, porcas dos rolamentos, vedantes internos e externos necessários para remontar um rolo. O kit de ferramentas inclui todas as ferramentas e as instruções de instalação necessárias à remontagem de um rolo com o kit de remontagem de rolo. Consulte o catálogo de peças ou contacte o distribuidor Toro autorizado para obter ajuda.



O não cumprimento
destas instruções pode resultar em ferimentos pessoais
ou mesmo em morte.










