Underhåll
Smörja vertikalklipparen
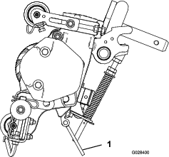
Varje vertikalklippare har fem smörjnipplar (Figur 13) som ska smörjas varje vecka med universalfett nr 2 på litiumbas.
Smörjpunkterna är den främre rullen (2), den bakre rullen (2) och cylindermotorns räfflor (1).
Important: Om du smörjer klippenheterna omedelbart efter tvätt, töms vattnet ur lagren vilket ökar deras livslängd.
-
Torka av alla smörjnipplar med en ren trasa.
-
Påför fett tills det rinner ut rent fett ur rullens tätningar och lagrets övertrycksventil (Figur 13).

-
Torka bort eventuellt överflödigt fett.
Ta bort vertikalklipparknivarna från axeln
-
Sätt fast änden av vertikalklipparaxeln, som endast har en bricka och mutter, i ett skruvstäd.
-
Vrid muttern i andra änden av axeln moturs och ta bort muttern.
Var försiktig
Knivarna är mycket vassa och kan ha grader (”skägg”) som kan skära dig i händerna.
Använd handskar och var försiktig när du tar bort knivarna från axeln.
-
Ta bort den lilla distansbrickan, brickan, knivarna och de stora distansbrickorna. Rengör och smörj den fyrkantiga axeln med ett tunt lager fett för att underlätta monteringen (Figur 14).

Important: Demonteringsordningen är mycket viktig. Vänd inte på vertikalklipparens cylinderknivar under demonteringen och ändra inte ordningen när de monteras. Observera styrhålet i respektive vertikalklipparkniv. Styrhålet används vid monteringen för att uppnå rätt helix för vertikalklipparcylindern.
Montera vertikalklipparknivarna
-
Montera en kniv (Figur 15).
-
Montera en stor distansbricka.
-
Vänd inte på cylinderknivarna när du monterar dem på cylinderaxeln.
Note: Om du vänder på knivarna kommer knivarna som används (rundade) att blandas med de hittills oanvända knivarnas egg, vilket resulterar i en otillräcklig klipprestanda.
-
Montera nästa kniv medurs så att styrhålet (Figur 15) inte är linje med hålet i den första kniven utan förskjuts med ett avstånd lika stort som flatsidan på axeln.

-
Fortsätt att montera distansbrickorna och knivarna på det här viset tills alla knivar har monterats.
Note: När knivarna har monterats på rätt sätt kommer de att sitta i sicksackordning (förskjutna) så att de får ett spiralliknande utseende.
-
Montera den lilla distansbrickan på axeln.
-
Stryk på blå Loctite 242 på muttern. Montera muttern på axeln (med den bearbetade sidan av muttern mot distansbrickan) och dra åt till 109–135 N·m.
Valfritt knivavstånd
Modell 03618: 12,7 mm knivavstånd
För att ändra vertikalklipparens konfigurering från standardavståndet på 19,1 mm till 12,7 mm krävs ytterligare 34 distansbrickor (artikelnummer 17-1580) och ytterligare 10 hårdmetallknivar (artikelnummer 106-6355) eller 10 vanliga knivar (artikelnummer 17-1590) (Figur 16).

Modell 03619: 25,4 mm knivavstånd
För att ändra vertikalklipparens konfigurering från standardavståndet på 31,8 mm till 25,4 mm krävs ytterligare 19 distansbrickor (artikelnummer 93-3092) och ytterligare 4 hårdmetallknivar (artikelnummer 106-8625) eller 4 vanliga knivar (artikelnummer 93-3038-03) (Figur 17).

Serva rullen
Ombyggnadssatsen till rulle (artikelnr 114-5430) och verktygssatsen för ombyggnad av rulle (artikelnr 115-0803) (Figur 18) finns tillgängliga för service av rullen. Ombyggnadssatsen till rullen innehåller alla lager, lagermuttrar samt inre och yttre tätningar som krävs för att bygga om en rulle. Verktygssatsen för ombyggnad av rulle omfattar alla verktyg och monteringsanvisningar som krävs för att bygga om en rulle med ombyggnadssatsen. Se reservdelskatalogen eller kontakta en auktoriserad Toro-återförsäljare om du behöver hjälp.



. Symbolen betyder Var försiktig,
Varning eller Fara – anvisning om personsäkerhet. Underlåtenhet
att följa anvisningarna kan leda till personskador eller innebära
livsfara.










