Техническое обслуживание
Смазка вертикуттера
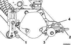
На каждом вертикуттере установлено 5 масленок (Рисунок 13), которые следует раз в неделю заправлять универсальной консистентной смазкой № 2 на литиевой основе.
Точки смазки: передний ролик (2 шт.), задний ролик (2 шт.) и шлицы двигателя барабана (1 шт.).
Important: Смазка режущих блоков непосредственно после их очистки поможет удалить воду из подшипников и продлить срок их службы.
-
Протирайте каждую масленку чистой ветошью.
-
Вводите смазку до появления чистой смазки на выходе уплотнений роликов и предохранительного клапана подшипника (Рисунок 13).

-
Удалите излишки смазки.
Извлечение ножей вертикуттера из вала
-
Закрепите край вала вертикуттера (с одной шайбой и гайкой) при помощи зажимного приспособления.
-
На противоположном краю вала поверните гайку против часовой стрелки и снимите ее.
Предостережение
Ножи очень острые, на них могут быть заусенцы, вы можете порезать руки.
Используйте перчатки и будьте осторожны при снятии ножей с вала.
-
Снимите малый разделитель, шайбу, ножи и большие разделители. Очистите и смажьте квадратный вал небольшим слоем смазки, чтобы облегчить сборку (Рисунок 14).

Important: Чрезмерно важно соблюдать порядок разборки. Не переворачивайте ножи барабана вертикуттера в ходе разборки и не меняйте порядок действий при сборке. Используйте установочное отверстие в каждом ноже вертикуттера. Установочное отверстие предоставлено для обеспечения правильного порядка сборки и последующего получения надлежащей спиральной структуры барабана вертикуттера.
Установка ножей вертикуттера
-
Установите нож (Рисунок 15).
-
Установите большой разделитель.
-
Не переворачивайте ножи в обратное положение при их повторной установке на вал барабана.
Note: Если перевернуть ножи, то используемые ножи (закругленные) смешаются с острыми краями ножей, которые ранее не использовались, что приведет к неудовлетворительным характеристикам резания.
-
Устанавливайте каждый последующий нож по часовой стрелке таким образом, чтобы соответствующее установочное отверстие (Рисунок 15) не было совмещено с первым отверстием ножа одной плоскостью вала.

-
Продолжайте устанавливать разделители и ножи таким же способом до тех пор, пока не установите весь набор ножей.
Note: В случае правильной сборки, ножи сформируют спираль.
-
Установите небольшой разделитель на вал.
-
Нанесите на гайку Blue Loctite 242. Установите гайку на вал (обработанной стороной гайки к разделителю) и затяните ее с моментом от 109 до 135 Н∙м.
Выбор разделения ножей
0,5-дюймовое разделение ножей для модели 03618
Для изменения стандартной конфигурации вертикуттера с 0,75-дюймовым разделением ножей на 0,5-дюймовое требуются дополнительные разделители (34 шт.), № по кат. 17-1580, а также дополнительные карбидные ножи (10 шт.), № по кат. 106-6355, или дополнительные стандартные ножи (10 шт.), № по кат. 17-1590 (Рисунок 16).

1,00-дюймовое разделение ножей для модели 03619
Для изменения стандартной конфигурации вертикуттера с 1,25-дюймовым разделением ножей на 1-дюймовое требуются новые разделители (19 шт.), № по кат. 93-3092, а также дополнительные карбидные ножи (4 шт.), № по кат. 106-8625, или дополнительные стандартные ножи (4 шт.), № по кат. 93-3038-03 (Рисунок 17).

Обслуживание валика
Для обслуживания валика предусмотрены ремонтный комплект валика (номер по каталогу 114-5430) и набор инструментов для ремонта валика (номер по каталогу 115-0803) (Рисунок 18). Ремонтный комплект валика включает в себя все подшипники, гайки подшипника, внутренние и внешние уплотнения для ремонта валика. Набор инструментов для ремонта валика включает в себя все инструменты и инструкции, необходимые для ремонта валика с помощью ремонтного комплекта. См. каталог запасных частей для вашей машины или свяжитесь с официальным дистрибьютором компании Toro для получения помощи.



которые
имеют следующее
значение: «Осторожно!»,
«Внимание!» или
«Опасно!» – указания
по обеспечению
личной безопасности.
Несоблюдение данных
инструкций может
стать причиной
травмы или гибели.










