| Underhållsintervall | Underhållsförfarande |
|---|---|
| Varje användning eller dagligen |
|
Denna maskin är en gräsklippare av gåmodell med cylinderknivar som är avsedd att användas av yrkesförare som har anlitats för kommersiellt arbete. Den är huvudsakligen konstruerad för att klippa gräs på väl underhållna gräsytor. Det kan medföra fara för dig och kringstående om maskinen används i andra syften än vad som avsetts.
Läs denna information noga så att du lär dig att använda och underhålla produkten på rätt sätt, och för att undvika person- och produktskador. Du är ansvarig för att produkten används på ett korrekt och säkert sätt.
Besök www.Toro.com om du behöver utbildningsmaterial för säkerhet och drift, information om tillbehör, hjälp med att hitta en återförsäljare eller om du vill registrera din produkt.
Kontakta en auktoriserad Toro-återförsäljare och ha produktens modell- och serienummer till hands när du behöver service, Toro-originaldelar eller ytterligare information. Modell- och serienummer finns på en platta på den bakre balken. Skriv in numren i det tomma utrymmet.
Important: Skanna rutkoden på serienummerdekalen (i förekommande fall) med en mobil enhet för att få tillgång till information om garanti, reservdelar och annat.

I den här bruksanvisningen anges potentiella risker och alla säkerhetsmeddelanden har markerats med en varningssymbol (Figur 2), som anger fara som kan leda till allvarliga personskador eller dödsfall om föreskrifterna inte följs.

Två ord används också i den här bruksanvisningen för att markera information. Viktigt anger speciell teknisk information och Observera anger allmän information som är värd att notera.
Produkten uppfyller alla relevanta europeiska direktiv. Mer information finns i den separata produktspecifika försäkran om överensstämmelse.
Det är ett brott mot avsnitt 4442 eller 4443 i Kaliforniens Public Resource Code att använda eller köra motorn på skogs-, busk- eller grästäckt mark om motorn inte är utrustad med en gnistsläckare som är i fullgott skick, vilket anges i avsnitt 4442, eller utan att motorn är konstruerad, utrustad och underhålls för att förhindra brand.
Den bifogade bruksanvisningen till motorn tillhandahålls för information om den amerikanska miljömyndigheten EPA:s (US Environmental Protection Agency) och Kaliforniens lagstiftning om utsläppskontroll för utsläppssystem, underhåll och garanti. En extra bruksanvisning kan beställas från motortillverkaren.
Om du ska använda denna maskin på en höjd som är över 1 500 m över havet krävs ett höghöjdsmunstycke. Se Honda-motorns bruksanvisning.
KALIFORNIEN
Proposition 65 Varning
Motoravgaserna från denna produkt innehåller kemikalier som av den amerikanska delstaten Kalifornien anses orsaka cancer, fosterskador eller andra fortplantningsskador.
Användning av produkten kan orsaka kemikalieexponering som av den amerikanska delstaten Kalifornien anses orsaka cancer, fosterskador och andra fortplantningsskador.
Denna maskin har utformats i enlighet med specifikationerna i SS-EN ISO 5395 och ANSI B71.4-2017 och uppfyller dessa standarder när du har försett maskinen med förarkontrollsatsen och obligatoriska dekaler.
Maskinen kan slita av händer och fötter och kasta omkring föremål.
Läs och förstå innehållet i den här bruksanvisningen innan du startar maskinen.
Håll koncentrationen helt på maskinen när du använder den. Delta inte i aktiviteter som kan distrahera dig, eftersom personskador eller materiella skador då kan uppstå.
Håll händer och fötter på avstånd från maskinens rörliga delar.
Kör endast maskinen om skydd och andra säkerhetsanordningar sitter på plats och fungerar.
Håll kringstående och barn borta från arbetsområdet. Låt aldrig barn köra maskinen.
Stäng av motorn, ta ut nyckeln (i förekommande fall) och vänta tills alla rörliga delar har stannat innan du kliver ur förarsätet. Låt maskinen svalna innan du justerar, rengör, förvarar eller utför underhåll på den.
Felaktigt bruk eller underhåll av maskinen kan leda till
personskador. För att minska risken för skador ska du alltid
följa säkerhetsanvisningarna och uppmärksamma varningssymbolen
(
). Symbolen betyder Var försiktig, Varning eller Fara –
anvisning om personsäkerhet. Underlåtenhet att följa
anvisningarna kan leda till personskador eller dödsfall.
![]() |
Säkerhetsdekalerna och säkerhetsinstruktionerna är fullt synliga för föraren och finns nära alla potentiella farozoner. Ersätt dekaler som har skadats eller saknas. |











Note: Vänster och höger sida på maskinen är lika med förarens vänstra respektive högra sida vid normal körning.
Delar som behövs till detta steg:
| Handtag | 1 |
| Kabelband | 4 |
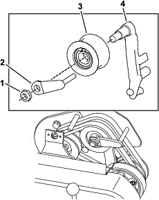
Ta bort de skruvar (5/16 tum), låsmuttrar, ringbultar och hårnålssprintar som håller fast styrarmarnas nedre delar på båda sidorna av maskinen (Figur 3).

Ta bort skruvarna (⅜ tum), brickorna och låsbrickorna från fäststiften på båda sidorna av maskinen (Figur 3).
För in handtagets ändar genom hålen i styrarmarna och passa in hålen efter fäststiften (Figur 3).
Kläm ihop handtagens ändar inåt och montera dem på fäststiften (Figur 4).

Sätt fast handtagen på fäststiften med de skruvar (⅜ tum), brickor och låsbrickor som du tog bort tidigare (Figur 4).
Använd skruvarna (5/16 tum), låsmuttrarna, hårnålssprintarna och ringbultarna som du tog bort tidigare för att fästa styrarmarna bakpå ramen (Figur 3).
Fäst kablarna och kablaget vid handtaget med kabelbanden (Figur 5).

Detta förfarande beskrivs i Figur 6.

Avlägsna hårnålssprintarna från ringbultarna på varje sida av maskinen.
Medan du stöder handtaget avlägsnar du ringbultarna på varje sida och höjer eller sänker handtaget till önskat driftsläge.
Montera ringbultarna och hårnålssprintarna.
Delar som behövs till detta steg:
| Höger hjulaxel | 1 |
| Vänster hjulaxel | 1 |
Tryck ned stödet med foten och dra upp handtaget för att stödja maskinen på stödet.
Stryk på gänglåsningslim på hjulaxlarnas gängor.
Trä på den högra hjulaxeln på drivskivan på maskinens högra sida (Figur 7).
Note: Höger hjulaxel har vänstergängor.

Dra åt axeln till 88–101 N·m.
Upprepa steg 2 till 4 för att montera vänster hjulaxel på maskinens vänstra sida.
Delar som behövs till detta steg:
| Transporthjul | 2 |
Tryck ned stödet med foten och dra upp handtaget för att stödja maskinen på stödet.
Skjut på ett hjul på en axel.
Sväng hjullåsklämman bort från hjulets mitt så att det kan glida längre in på axeln (Figur 8).

Vrid hjulet bakåt och framåt tills det sitter helt och hållet på axeln och låsklämman är fäst i gängan på axeln.
Upprepa proceduren på maskinens andra sida.
Pumpa däcken till 0,83–1,03 bar.
Sänk försiktigt ned maskinen från stödet.
Gör följande justeringar innan du använder maskinen:
Delar som behövs till detta steg:
| Operatörskontrollsats (beställ separat, kontakta en auktoriserad Toro-återförsäljare) | 1 |
För att uppfylla kraven i standarderna i SS-EN ISO 5395 och ANSI B71.4-2017 ska du montera operatörskontrollsatsen (modellnr 112-9282). Se satsens monteringsanvisningar.
Kontakta en auktoriserad Toro-återförsäljare för att erhålla denna sats.
Delar som behövs till detta steg:
| Dekal med uppgift om tillverkningsår | 1 |
| Dekal med CE-märkning | 1 |
Om du använder den här maskinen i ett land som följer CE-standarderna så ska du fästa dekalen med uppgift om tillverkningsår och dekalen med CE-märkning nära serienummerplåten. Se Figur 9.

Delar som behövs till detta steg:
| Gräskorg | 1 |
Fatta tag i korgens övre kant och för på den på korgens monteringsfästen (Figur 10).

Det tar bara åtta klipptimmar att köra in maskinen.
De första körtimmarna är mycket viktiga för maskinens framtida driftssäkerhet. Du måste övervaka maskinens resultat noga så att eventuella mindre problem, som kan leda till större problem, upptäcks och kan korrigeras. Inspektera maskinen ofta under de första körtimmarna och leta efter tecken på oljeläckage, lösa fästanordningar och andra fel.
Information om rekommenderat oljebyte och underhållsprocedurer under inkörsperioden finns i motorns bruksanvisning.


Hjuldrivningsspaken (Figur 12) sitter till höger på kontrollpanelens framsida. Den har två lägen: NEUTRALLäGE och FRAMåT. När du trycker spaken framåt kopplas hjuldrivningen in.
Gasreglaget (Figur 12) sitter till höger på kontrollpanelens baksida. Spaken ansluter till och reglerar gasreglagelänkarna till förgasaren. I Specifikationer visas motorhastigheten.
Strömbrytaren (Figur 12) sitter längst upp på kontrollpanelen. Flytta brytaren till läget ON (På) för att starta motorn och till läget OFF (Av) för att stanna motorn.
Driftsbromsen (Figur 13) sitter till vänster överst på kontrollpanelens framsida. Du kan använda bromsen till att sakta in eller stanna maskinen.

Parkeringsbromsen (Figur 14) sitter längst ned på driftsbromsen. Ansätt driftsbromsen helt och tryck på knoppen på parkeringsbromsen så att driftsbromsen vilar på parkeringsbromsstiftet. Ansätt driftsbromsen för att frigöra parkeringsbromsen. Du måste frigöra bromsen innan du kopplar in hjuldrivningen.

Om maskinen har utrustats med en förarkontroll (Figur 12) sitter den på handtagets baksida. Tryck förarkontrollen mot handtaget. Du måste koppla in förarkontrollen innan du flyttar hjuldrivningsspaken. Motorn stängs av om du släpper förarkontrollen.
Cylinderdrivningsspaken (Figur 15) sitter i det högra hörnet på maskinens framsida. Spaken har två lägen:
KOPPLA IN – för spaken framåt för att koppla in cylindern.
KOPPLA UR – för spaken bakåt för att koppla ur cylindern.

Chokereglaget (Figur 16) sitter framtill till vänster på motorn. Använd reglaget som hjälp för att starta en kall motor. Se Använda chokereglaget.

Bränslekranen sitter på sidan av motorn under chokereglaget (Figur 16).
Note: Stäng bränslekranen när maskinen inte används på några dagar, t.ex. vid transport till och från arbetsplatsen eller när maskinen står parkerad inuti en byggnad. Se Öppna och stänga bränslekranen.
Starta motorn genom att dra i startsnöret (Figur 16).
| Modellspecifikationer | Modell 04055 |
| Bredd | 91 cm |
| Höjd | 114 cm |
| Längd med korg | 122 cm |
| Torrvikt (med korg och Wiehle-rulle, utan hjul eller trimningscylinder) | 98 kg |
| Klippbredd | 53 cm |
| Klipphöjd | 1,6–31,8 mm |
| Klämma | 4,3 mm |
| Motorvarvtal | Låg tomgång: 1 800–2 000 varv/minut, hög tomgång: 3 350–3 550 varv/minut |
Det finns ett urval av godkända Toro-redskap och -tillbehör som du kan använda för att förbättra och utöka maskinens kapacitet. Kontakta en auktoriserad återförsäljare eller auktoriserad Toro-distributör, eller gå till www.Toro.com för att se en lista över alla godkända redskap och tillbehör.
Använd endast originalreservdelar och tillbehör från Toro för att garantera optimal prestanda och fortlöpande säkerhet för produkten. Det kan vara farligt att använda reservdelar och tillbehör från andra tillverkare och det kan göra produktgarantin ogiltig.
Note: Vänster och höger sida på maskinen är lika med förarens vänstra respektive högra sida vid normal körning.
Låt aldrig barn eller någon som inte har fått utbildning använda eller utföra underhåll på maskinen. Lokala föreskrifter kan begränsa användarens ålder. Det är ägaren som ansvarar för att utbilda alla förare och mekaniker.
Lär dig hur man använder utrustningen på ett säkert sätt och bekanta dig med manöverreglage och säkerhetsskyltar.
Stäng av motorn, ta ut nyckeln (i förekommande fall) och vänta tills alla rörliga delar har stannat innan du kliver ur förarsätet. Låt maskinen svalna innan du justerar, rengör, förvarar eller utför underhåll på den.
Lär dig att stanna maskinen och att snabbt stänga av motorn.
Kontrollera att förarkontrollreglage, säkerhetsbrytare och skyddsanordningar sitter fast och fungerar som de ska. Kör inte maskinen om dessa inte fungerar som de ska.
Inspektera området där maskinen ska användas och ta bort föremål som maskinen kan slunga omkring.
Var ytterst försiktig när du hanterar bränsle. Det är brandfarligt och dess ångor är explosiva.
Släck alla cigaretter, cigarrer, pipor och övriga antändningskällor.
Använd endast en godkänd bränslebehållare.
Avlägsna inte tanklocket och fyll aldrig på bränsle i bränsletanken när motorn är igång eller varm.
Du ska varken fylla på eller tappa ut bränsle från maskinen i ett slutet utrymme.
Förvara inte maskinen eller bränslebehållaren i närheten av en öppen låga, gnista eller tändlåga, t.ex. nära en varmvattenberedare eller någon annan utrustning.
Om du spiller ut bränsle ska du inte försöka att starta motorn. Undvik att orsaka gnistor tills bränsleångorna har skingrats.
Fyll inte på dunkar inuti ett fordon eller på ett lastbilsflak eller släp med plastklädsel. Ställ alltid dunken på marken en bit bort från fordonet före påfyllning.
Lasta av maskinen från lastbilen eller släpet och fyll på bensin när den står på marken. Om detta inte är möjligt är det bättre att fylla på maskinen från en dunk än med munstycket på en bensinpump.
Se till att munstycket är i kontakt med bränsletankens kant eller dunköppningen tills tankningen är klar.
Utför det dagliga underhållet. Se Kontrollista för dagligt underhåll.
Kontrollera oljenivån i motorn före varje användningstillfälle eller var 8:e körtimme. Se Kontrollera oljenivån i motorn.
Bränsletankens kapacitet: 2,0 liter
Rekommenderat bränsle: blyfri bensin med oktantal 87 eller högre (klassificeringsmetod (R+M)/2)
Etanol: Bensin som innehåller upp till 10 % etanol (gasohol) eller 15 % MTBE (metyl-tertiär-butyleter) baserat på volym är godkänd. Etanol och MTBE är inte samma sak. Bensin med 15 % etanol (E15) baserat på volym får inte användas.
Använd aldrig bensin som innehåller mer än 10 % etanol baserat på volym, t.ex. E15 (innehåller 15 % etanol), E20 (innehåller 20 % etanol) eller E85 (innehåller upp till 85 % etanol).
Använd inte bensin som innehåller metanol.
Lagra inte bränsle i bränsletanken eller i en bränslebehållare under vintern om inte en stabiliserare används.
Tillför inte olja i bensinen.
Använd endast rent och färskt (mindre än 30 dagar gammalt) bränsle för bästa resultat.
Användning av ej godkänd bensin kan leda till prestandaproblem och/eller skador på motorn som eventuellt inte omfattas av garantin.
Under vissa förhållanden är bränsle extremt brandfarligt och mycket explosivt. Brand eller explosion i bränsle kan orsaka brännskador och materiella skador.
Fyll tanken på en öppen plats, utomhus, när motorn är kall. Torka upp utspillt bränsle.
Fyll aldrig på bränsletanken i en sluten släpvagn.
Fyll inte bränsletanken helt full. Fyll på bränsle i tanken tills det återstår 6–13 mm till påfyllningsrörets underkant. Det tomma utrymmet behövs för bränslets expansion.
Rök aldrig när du handskas med bensin och håll dig borta från öppen eld eller platser där bensinångor kan antändas av gnistor.
Förvara bränslet i en godkänd dunk och förvara den utom räckhåll från barn. Köp aldrig mer bränsle än vad som går åt inom en månad.
Kör inte maskinen utan att ha hela avgassystemet på plats och i gott fungerande skick.
Under vissa förhållanden kan statisk elektricitet frigöras vid tankning och orsaka gnistor som kan antända bensinångorna. Brand eller explosion i bränsle kan orsaka brännskador och materiella skador.
Ställ alltid bränsledunkar på marken en bit bort från ditt fordon före påfyllning.
Fyll inte på bränsledunkar inne i ett fordon eller på lastbilsflak eller släp, eftersom plastmattor och liknande kan isolera dunken och förlänga urladdningstiden för statisk elektricitet.
När det passar, lasta av maskinen från lastbilen eller släpet och fyll på bensin när den står på marken. Fyll hellre på maskinen från en dunk än med munstycket på en bensinpump om det inte är möjligt att lasta av maskinen från släpet.
Om tankning måste ske från en bensinpump ska munstycket hela tiden vara i kontakt med kanten på bränsletankens eller dunkens öppning tills tankningen är klar.
Bränsle är skadligt eller dödligt om det förtärs. Längre exponering för bränsleångor kan orsaka allvarliga skador och sjukdom.
Undvik att andas in bränsleångor under en längre tid.
Håll ansiktet borta från munstycket och bränsletankens eller stabilisatorflaskans öppning.
Undvik hudkontakt och tvätta bort spill med tvål och vatten.
Rengör omkring tanklocket och avlägsna locket från tanken (Figur 17). Fyll bränsletanken till påfyllningsrörets nedersta del.
Important: Fyll inte på för mycket bränsle i tanken.

Skruva på tanklocket och torka upp eventuellt bränslespill.
Använd följande tabeller för att ställa in maskinen efter gräsförhållanden.
| Artikelnummer | Beskrivning | Intensitet | Kommentarer |
| 112-9281-01 | Standard | Mindre | Standard Greensmaster 1000 |
| 112-9279-03 | Intensiv | Mer |
| Artikelnummer | Beskrivning | Klipphöjdsintervall | Kommentarer |
| 93-4262 | Mikroklippning | 1,57–3,1 mm | |
| 115-1880 | EdgeMax Microcut | 1,57–3,1 mm | Standard Greensmaster 1000 |
| 93-4263 | Roterande | 3,1–6,0 mm | |
| 115-1881 | EdgeMax Tournament | 3,1–6,0 mm | Slitstarkare |
| 93-4264 | Låg klipphöjd | 6,0 mm och uppåt | |
| 108-4303 | Utökad mikroklippning | 1,57–3,1 mm | Svagare effekt |
| Artikelnummer | Beskrivning | Diameter/material | Kommentarer |
| 99-6241 | Smal Wiehle | 50,8 mm aluminium | Standard, 5 mm mellanrum |
| 88-6790 | Bred Wiehle | 50,8 mm aluminium | Större penetrering, 11 mm mellanrum |
| 104-2642 | Komplett rulle | 50,8 mm stål | Minst penetrering |
| 71-1550 | Wiehle-rulle | 50,8 mm gjutjärn | Större penetrering, 11 mm mellanrum |
| 93-9045 | Wiehle-rulle | 63,5 mm aluminium | 61 cm bred för kantstöd |
| 52-3590 | Böjd rulle | 63,5 mm aluminium |
| Modell | Standard | Klippsats 65-9000 | Traktorsats 115-1886 | Klipp- och traktorsatser | ||||||||
| Standardcylinder | Tillvalscylinder | Standardcylinder | Tillvalscylinder | Standardcylinder | Tillvalscylinder | Standardcylinder | Tillvalscylinder | |||||
| 04810 | 11 knivar4,1 mm | 14 knivar3,3 mm | 8 knivar5,8 mm | 11 knivar6,4 mm | 14 knivar4,8 mm | 8 knivar8,6 mm | 11 knivar3,8 mm | 14 knivar3,0 mm | 8 knivar5,1 mm | 11 knivar5,6 mm | 14 knivar4,3 mm | 8 knivar7,6 mm |
| Hastighet | 5,39 km/h | 4,80 km/h | ||||||||||
| Underhållsintervall | Underhållsförfarande |
|---|---|
| Varje användning eller dagligen |
|
Om säkerhetsbrytarna är urkopplade eller skadade kan maskinen starta oväntat och orsaka personskador.
Gör inga otillåtna ändringar på säkerhetsbrytarna.
Kontrollera säkerhetsbrytarnas funktion dagligen och byt ut eventuella skadade brytare innan maskinen körs.
Tryck ned stödet med foten och dra handtaget uppåt och bakåt för att lyfta hjulen från marken.
Lägg hjuldrivningsspaken i INKOPPLAT läge och motorreglagen i startläge.
Försök att starta motorn.
Motorn bör inte kunna startas. Om motorn startar behöver säkerhetsströmbrytaren servas. Åtgärda problemet innan du använder maskinen. Se Serva säkerhetsbrytaren för drivning
Lyft försiktigt upp handtaget för att fälla upp stödet.
Använd transporthjulen för att transportera maskinen en kortare sträcka.
Montera transporthjulen. Se Montera transporthjulen
Se till att hjuldrivnings- och cylinderdrivningsreglagen är i NEUTRALLäGET.
Starta motorn, se Starta motorn
Sätt gasreglaget i det LåNGSAMMA läget, luta maskinens främre del uppåt, koppla gradvis in hjuldrivningen och öka sakta motorhastigheten.
Justera gasreglaget så att klipparen körs i önskad hastighet och transportera maskinen till önskad plats.
Använd ett släp för att transportera maskinen en längre sträcka. Var försiktig när maskinen lastas på eller av från släpet.
Kör försiktigt upp maskinen på släpet.
Stäng av motorn, koppla in parkeringsbromsen och vrid bränsleventilen till det AVSTäNGDA läget.
Använd en ramp i fullbredd när du lastar maskinen på en släpvagn eller lastbil.
Säkra maskinen på släpet.
Note: Du kan använda Toro TransPro-släpet för att transportera maskinen. Anvisningar om hur du lastar släpet finns i släpets bruksanvisning.
Important: Låt inte motorn vara igång när motorn transporteras på ett släp, eftersom detta kan utsätta den för skada.
För tillbaka hjuldrivningsspaken till NEUTRALLäGET, för gasreglaget till det LåNGSAMMA läget och stäng av motorn.
Tryck ned stödet med foten och dra upp handtaget tills stödet har roterat framåt, över mitten.
Ta bort transporthjulen genom att trycka ut hjullåsklämmorna ur spåren på sexkantsaxeln.
Sänk försiktigt ner maskinen från stödet genom att sakta trycka framåt eller lyfta det nedre handtaget och låta stödet fjädra tillbaka till FöRVARINGSLäGET.
Använd chokereglaget för att starta en kall motor. För spaken till läget CHOKE innan du startar en kall motor. Flytta spaken till läget KöR när motorn startar.

Ägaren/operatören kan förebygga och ansvarar för olyckor som kan ge upphov till personskador eller skador på egendom.
Använd lämpliga kläder, inklusive ögonskydd, långbyxor, rejäla och halkfria skor samt hörselskydd. Sätt upp långt hår och använd inte hängande smycken eller löst sittande kläder.
Kör inte maskinen om du är sjuk, trött eller påverkad av alkohol eller läkemedel.
Håll koncentrationen helt på maskinen när du använder den. Delta inte i aktiviteter som kan distrahera dig, eftersom personskador eller materiella skador då kan uppstå.
Se till att alla drivenheter är i neutralläge, parkeringsbromsen är inkopplad och att du sitter i förarsätet innan du startar motorn.
Håll kringstående och barn borta från arbetsområdet. Se till att gräskorgen är monterad på maskinen och var försiktig om medarbetare måste närvara.
Använd endast maskinen om du har god sikt, så att du kan undvika gropar och dolda faror.
Använd inte maskinen när det finns risk för blixtnedslag.
Undvik att klippa vått gräs. Dåligt fotfäste kan göra att du halkar och faller.
Håll händer och fötter borta från klippenheten.
Titta bakåt och nedåt innan du backar för att se till att vägen är fri.
Var försiktig när du närmar dig hörn med skymd sikt, buskage, träd eller andra objekt som kan försämra sikten.
Stanna klippenheten om du inte klipper.
Koppla ur klippenhetens drivning och stäng av motorn innan du ställer in klipphöjden.
Låt aldrig motorn gå i ett utrymme där avgaser inte kan komma ut.
Lämna aldrig en maskin som är i gång utan uppsikt.
Gör följande innan du kliver ur förarsätet:
Parkera maskinen på ett plant underlag.
Koppla ur klippenheten.
Koppla in parkeringsbromsen.
Stäng av maskinen och ta ut nyckeln (i förekommande fall).
Vänta tills alla rörliga delar har stannat.
Stäng av maskinen innan du tömmer korgen.
Rör inte motorn, ljuddämparen eller avgasröret när motorn är igång eller strax efter att den har stängts av, eftersom dessa delar kan vara så varma att du bränner dig.
Stäng av maskinen och koppla ur klippenhetens drivning i följande situationer:
Före tankning
Innan du rensar blockeringar
Innan du tar bort gräskorgen
Innan du kontrollerar, rengör eller underhåller klippenheten.
När du har kört på något främmande föremål eller om det uppstår onormala vibrationer. Kontrollera noga om klippenheten har skadats och reparera eventuella skador innan du startar och kör maskinen igen.
Innan du lämnar förarplatsen.
Använd endast tillbehör och redskap som har godkänts av The Toro® Company.
Sluttningar är en betydande faktor vid olyckor som orsakas av att föraren förlorat kontrollen eller att maskinen välter, vilket kan innebära livsfara eller leda till allvarliga personskador. Du ansvarar för säker drift i sluttningar. Du måste vara extra försiktig när du kör maskinen i en sluttning. Vidta följande åtgärder innan du använder maskinen i en sluttning:
Läsa sluttningsanvisningarna i bruksanvisningen och på maskinen och förstå dessa.
Dagligen utvärdera förhållandena på platsen för att fastställa om sluttningen är säker för maskindrift. Använd sunt förnuft och gott omdöme vid utvärderingen. Förändringar i terrängen, t.ex. fukt, kan snabbt påverka hur maskinen fungerar i en sluttning.
Kör tvärs över sluttningar, aldrig uppåt eller nedåt i dem. Kör aldrig maskinen i mycket branta eller våta sluttningar. Dåligt fotfäste kan göra att du halkar och faller.
Identifiera faror nere vid slutet av sluttningen. Kör inte maskinen nära stup, diken, flodbäddar, vatten eller andra riskfyllda områden. Maskinen kan välta plötsligt om ett hjul kör över en kant eller kanten ger vika. Håll ett säkert avstånd mellan maskinen och eventuella riskfyllda områden. Använd ett handverktyg i sådana områden.
Undvik att starta, stänga av eller svänga med maskinen i sluttningar. Undvik att göra plötsliga ändringar i hastighet eller riktning – sväng långsamt och gradvis.
Använd inte maskinen under förhållanden där det råder tvekan om dragkraft, styrning eller stabilitet. Tänk på att maskinen kan förlora drivkraften om du kör på vått gräs, tvärs över sluttningar eller i nedförslutning. Om drivhjulen tappar dragkraft kan det leda till att maskinen glider och att du förlorar kontrollen över bromsning och styrning. Maskinen kan glida även om drivhjulen stoppas.
Ta bort eller märk ut hinder som diken, hål, fåror, gupp, stenar eller andra dolda faror. Det kan finnas dolda hinder i högt gräs. Ojämn terräng kan få maskinen att välta.
Ställ dig inte i maskinens färdriktning om du förlorar kontrollen över maskinen.
Ha alltid en växel ilagd när du kör maskinen nedför en sluttning. Rulla inte nedför sluttningar i friläget (gäller endast enheter med växellådor).
Note: Illustrationer och beskrivningar av reglagen som nämns i detta avsnitt finns i Reglage.
Note: Se till att tändstiftskabeln sitter på tändstiftet.
Se till att hjuldrivningsspaken och cylinderdrivningsspaken är i URKOPPLAT läge.
Note: Motorn startar inte om drivningsspaken är i det INKOPPLADE läget.
Kontrollera att bränslekranen är öppen.
Flytta strömbrytaren till läget På.
För gasreglaget till det SNABBA läget.
Sätt chokereglaget halvvägs mellan lägena CHOKE och KöR när du ska starta en kall motor.
Note: Choken behövs kanske inte när du startar en varm motor.
Ta tag i startsnörets handtag och dra det utåt tills du känner ett motstånd. Dra sedan kraftigt för att starta motorn.
Important: Dra inte startsnöret ända ut och släpp inte handtaget när snöret dras ut. Snöret kan gå av och enheten kan skadas.
För choken till läget KöR när motorn värms upp.
För hjul- och cylinderdrivningsspakarna till URKOPPLAT läge.
För gasreglagekontrollen till det LåNGSAMMA läget.
För strömbrytaren till AVSTäNGT läge.
Stäng bränslekranen innan du ställer undan eller transporterar maskinen.
Important: Gräsklippet fungerar som ett smörjmedel under klippning. Om klippenheten används mycket utan gräsklipp kan klippenheten skadas.
En green skall klippas i en rak fram och tillbaka-rörelse över gräset.
Undvik att klippa i cirklar eller vända maskinen på greenen för att minska slitage.
Sväng maskinen utanför greenen genom att höja klippcylindern (tryck ned handtaget) och svänga på drivtrumman.
Klippning ska göras i vanlig gånghastighet. Höga hastigheter sparar lite tid och ger ett dåligt klippresultat.
Använd inriktningsränderna på korgen som hjälp för att klippa i en rak linje tvärsöver greenen och hålla maskinen på samma avstånd från kanten på föregående klippning (Figur 20).

Använd lysdiodssatsen om du kör maskinen i förhållanden med dåligt ljus. Kontakta en auktoriserad Toro-återförsäljare.
Important: Använd inte andra belysningssystem med maskinen eftersom de inte fungerar korrekt tillsammans med motorns växelströmsmatning.
Korrekt användning av maskinen ger jämnast möjliga klippning av gräsmattan. I Arbetstips finns grundläggande förslag på hur du kan få ut så mycket som möjligt av maskinen.
Important: Om klippenheten används i hög utsträckning utan gräsklipp (smörjmedel) kan den skadas.
Starta motorn, ställ in gasreglaget på minskad hastighet, tryck ned handtaget för att höja klippenheten, för hjuldrivningsspaken till det INKOPPLADE läget och transportera maskinen till greenens kant.
För hjuldrivningsspaken till det URKOPPLADE läget och för cylinderdrivningsspaken till det INKOPPLADE läget.
För hjuldrivningsspaken till det INKOPPLADE läget, öka gaspådraget tills maskinen färdas i önskad hastighet, kör ut maskinen till greenområdet, sänk maskinens främre parti och påbörja arbetet.
Kör bort från greenen när du har klippt färdigt och för hjuldrivningsspaken till URKOPPLAT läge, stäng av motorn och sätt cylinderdrivningsspaken i URKOPPLAT läge.
Töm klippet från gräskorgen, montera gräskorgen och påbörja transport.
Kör bort från greenen, för cylinder- och hjuldrivningsspakarna till URKOPPLAT läge och stäng av motorn.
Töm gräset som finns i gräskorgen, sätt tillbaka gräskorgen på klipparen och transportera maskinen till förvaringsplatsen.
Stäng av motorn, ta ut nyckeln (i förekommande fall) och vänta tills alla rörliga delar har stannat innan du kliver ur förarsätet. Låt maskinen svalna innan du justerar, rengör, förvarar eller utför underhåll på den.
Ta bort gräs och skräp från maskinen för att förebygga brand. Torka upp eventuellt olje- eller bränslespill.
Låt maskinen svalna innan du ställer undan maskinen i ett slutet utrymme.
Förvara inte maskinen eller bränslebehållaren i närheten av en öppen låga, gnista eller tändlåga, t.ex. nära en varmvattenberedare eller annan utrustning.
Minska gasen innan du stänger av motorn och stäng bränslekranen (i förekommande fall) efter användning.
Kör bort maskinen från arbetsplatsen efter klippningen. Se Transportera maskinen med transporthjul eller Transportera maskinen med ett släp.
Dåligt underhållna maskiner kan gå sönder i förtid och eventuellt skada dig eller andra.
Följ dessa anvisningar för att underhålla och hålla maskinen i gott bruksskick.
Note: Vänster och höger sida på maskinen är lika med förarens vänstra respektive högra sida vid normal körning.
Important: Luta inte maskinen mer än 25°. Om maskinen lutas mer än 25° tränger olja in i förbränningskammaren och/eller så läcker bränsle ut från tanklocket.
Important: Mer information om underhållsrutiner finns i bruksanvisningen till motorn.
Gör följande innan du kliver ur förarsätet:
Parkera maskinen på ett plant underlag.
Flytta gasreglaget till läget för låg tomgång.
Koppla ur klippenheten/klippenheterna.
Se till att drivningen är i neutralläge.
Koppla in parkeringsbromsen.
Stäng av maskinen och ta ut nyckeln (i förekommande fall).
Vänta tills alla rörliga delar har stannat.
Låt maskinens komponenter svalna innan du utför något underhåll.
Utför om möjligt inget underhåll på maskinen medan den är igång. Håll dig på avstånd från rörliga delar.
Klädesplagg, händer, fötter och andra kroppsdelar måste hållas borta från klippenheten, redskapen och andra rörliga delar om motorn måste vara igång för att ett visst underhåll ska kunna utföras. Håll kringstående på behörigt avstånd.
Undvik eldsvåda genom att rengöra och avlägsna gräs och skräp från klippenheten, drivningen, ljuddämparen, kylgallren och motorn. Torka upp eventuellt olje- eller bränslespill.
Håll alla delar i gott bruksskick. Byt ut slitna och skadade delar och dekaler, eller ersätt de som saknas. Säkerställ säkert bruksskick genom att se till att alla fästelement är åtdragna på maskinen.
Undersök gräsuppsamlarens komponenter ofta och byt ut dem vid behov.
Använd endast originalreservdelar och tillbehör från Toro för att garantera att maskinen är säker och har optimal prestanda. Det kan vara farligt att använda reservdelar från andra tillverkare och det kan medföra att produktgarantin upphör att gälla.
Kontakta en auktoriserad Toro-återförsäljare vid eventuellt behov av större reparationer eller assistans.
| Underhållsintervall | Underhållsförfarande |
|---|---|
| Efter de första 20 timmarna |
|
| Varje användning eller dagligen |
|
| Var 25:e timme |
|
| Var 50:e timme |
|
| Var 100:e timme |
|
| Var 300:e timme |
|
| Var 1000:e timme |
|
Important: Kopiera sidan och använd den regelbundet.
| Kontrollpunkt | Vecka: | ||||||
|---|---|---|---|---|---|---|---|
| Mån. | Tis. | Ons. | Tors. | Fre. | Lör. | Sön. | |
| Kontrollera säkerhetsbrytarnas funktion. | |||||||
| Kontrollera parkeringsbromsens funktion. | |||||||
| Kontrollera bränslenivån. | |||||||
| Kontrollera oljenivån i motorn. | |||||||
| Kontrollera luftfiltret. | |||||||
| Rengör motorkylflänsarna. | |||||||
| Undersök ovanliga motorljud. | |||||||
| Kontrollera om det finns missljud vid körning/användning. | |||||||
| Kontrollera justeringen av cylinder mot underkniv. | |||||||
| Kontrollera klipphöjdsinställningen. | |||||||
| Smörj alla nipplar. | |||||||
| Bättra på skadad lack. | |||||||
| Kontrollen utförd av: | ||
| Artikel | Datum | Information |
Någon skulle kunna starta motorn medan du utför underhåll eller gör justeringar på maskinen. Om motorn startas av misstag kan du eller kringstående skadas allvarligt.
Stäng av motorn, koppla in parkeringsbromsen och lossa tändkablarna från tändstiften innan du utför underhåll av något slag. För också kablarna åt sidan, så att de inte råkar kommer i kontakt med tändstiften.
Utför följande innan du rengör, utför underhåll eller gör justeringar på maskinen:
Parkera maskinen på ett plant underlag.
Stäng av motorn och ta ut nyckeln ur maskinen (i förekommande fall).
Koppla in parkeringsbromsen.
Vänta tills alla rörliga delar har stannat och låt motorn svalna innan du utför underhåll eller reparationer på maskinen, eller ställer den i förvar.
Koppla loss tändkabeln (Figur 21).

| Underhållsintervall | Underhållsförfarande |
|---|---|
| Var 25:e timme |
|
Smörj klipparens tolv smörjnipplar med litiumfett nr 2. Använd en manuell fettspruta för bästa resultat.
Smörjnipplarnas placering är som följer:
Två på den främre valsen (Figur 22)
Två på cylinderlagren (Figur 22)
Två på trumaxlarna (Figur 23)
Tre på differentialen (Figur 23)
Två på cylinderns överföringslager (Figur 24)
En på mellanremskivorna (Figur 25).
Torka av alla smörjnipplar med en ren trasa.
Pumpa in fett i varje nippel.
Important: Tryck inte för hårt då detta kan orsaka permanent skada på smörjtätningarna.
Torka av överflödigt fett.




Ändra inte varvtalshållarens inställning och övervarva inte motorn.
Kör motorn tills tanken är tom eller töm tanken på bensin med en handpump; sug aldrig ut med en hävert. Om du behöver tömma bränsletanken ska du göra det utomhus.
Fyll vevhuset med ca 0,56 liter olja med rätt viskositet före start. En olja med API-serviceklassifikation på SJ eller högre används i motorn. Välj lämplig viskositet för oljan (vikt) baserat på omgivningstemperatur. Figur 26 visar rekommenderad temperatur/viskositet.

Note: Oljeförbrukningen ökas om multigradeoljor (5W-20, 10W-30 och 10W-40) används. Kontrollera oljenivån i motorn oftare när du använder dessa oljor.
| Underhållsintervall | Underhållsförfarande |
|---|---|
| Varje användning eller dagligen |
|
Den bästa tiden för kontroll av oljenivån är när motorn är kall eller innan du startar motorn inför arbetsdagen. Om du redan har startat motorn ska du låta oljan rinna tillbaka ner till sumpen i minst 10 minuter innan du kontrollerar den.
Stäng av motorn och vänta tills alla rörliga delar har stannat. Se Förbereda maskinen för underhåll.
Placera maskinen så att motorn står jämnt och rengör området runt oljepåfyllningsröret (Figur 27).

Ta bort oljestickan genom att vrida den moturs.
Ta bort oljestickan och torka av änden.
Sätt i oljestickan helt i påfyllningsröret, men gänga inte i den.
Ta ut oljestickan och kontrollera oljenivån i motorn (Figur 28).

Om oljenivån i motorn inte är rätt ska du tillföra eller tappa ur olja för att rätta till nivån. Se Byta ut motoroljan.
| Underhållsintervall | Underhållsförfarande |
|---|---|
| Efter de första 20 timmarna |
|
| Var 100:e timme |
|
Oljan kan vara het efter att motorn har varit igång. Kontakt med het olja kan orsaka allvarliga personskador.
Undvik kontakt med den heta motoroljan vid avtappning.
Stäng av motorn och vänta tills alla rörliga delar har stannat. Se Förbereda maskinen för underhåll.
Ställ ett kärl under avtappningspluggen för att fånga upp oljan.
Avlägsna avtappningspluggen, brickan och oljestickan (Figur 27).
Placera motorn så att den töms på olja.
När all olja har runnit ut flyttar du motorn till ett jämnt läge och monterar avtappningspluggen och en ny bricka.
Note: Kassera spilloljan på en godkänd återvinningsstation.
Häll långsamt i olja i påfyllningshålet till rätt nivå.
Kontrollera att oljan är på rätt nivå på oljestickan. Se Kontrollera oljenivån i motorn.
Gänga i oljestickan i påfyllningshålet.
Torka upp all utspilld olja.
Anslut tändkabeln till tändstiftet.
| Underhållsintervall | Underhållsförfarande |
|---|---|
| Varje användning eller dagligen |
|
| Var 50:e timme |
|
| Var 300:e timme |
|
Important: Kör inte motorn utan luftfilterenheten eftersom detta leder till mycket stora skador på motorn.
Stäng av motorn och vänta tills alla rörliga delar har stannat. Se Förbereda maskinen för underhåll.
Ta bort vingmuttern som fäster luftrenarkåpan (Figur 29).
Avlägsna luftrenarkåpan.
Note: Säkerställ att smuts eller skräp från luftrenarkåpan inte faller i basen.
Ta bort skumplast- och pappersinsatserna från basen.
Ta bort skumplastinsatsen från pappersinsatsen.
Kontrollera skumplast- och pappersinsatserna och byt ut dem om de är skadade eller väldigt smutsiga.

Rengör pappersinsatsen genom att knacka försiktigt på den för att få bort smutsen.
Note: Borsta inte bort smuts från pappersinsatsen, eftersom smutsen då tränger in i fibrerna. Byt ut insatsen om smutsen inte avlägsnas när du knackar på den.
Rengör skumplastinsatsen med tvål och varmt vatten eller ett lösningsmedel som inte är brandfarligt.
Note: Använd inte bensin för att rengöra skumplastinsatsen eftersom detta innebär risk för brand eller explosion.
Skölj och torka av skumplastinsatsen ordentligt.
Torka bort smuts från basen och kåpan med en fuktig trasa.
Note: Kontrollera att smuts och skräp inte kommer in i förgasarens luftkanal.
Montera luftrenarinsatserna och se till att de är korrekt placerade. Montera den nedre vingmuttern.
Montera kåpan och montera den övre vingmuttern för att fästa den.
| Underhållsintervall | Underhållsförfarande |
|---|---|
| Var 100:e timme |
|
| Var 300:e timme |
|
Använd ett tändstift av typen NGK BPR6ES eller motsvarande.
Stäng av motorn och vänta tills alla rörliga delar har stannat. Se Förbereda maskinen för underhåll.
Rengör runt tändstiftet.
Skruva bort tändstiftet från cylindertoppen.
Important: Ett sprucket, skadat eller smutsigt tändstift måste bytas ut. Elektroderna får inte sandblästras, skrapas eller rengöras, eftersom partiklar då kan ta sig in i cylindern och orsaka skador på motorn.
Ställ in gapet på pluggen till 0,7–0,8 mm

Montera och dra försiktigt åt tändstiftet för hand (för att undvika korsgängning).
Dra åt tändstiftet ytterligare ett halvt varv om det är nytt. Annars drar du åt ytterligare ett åttondels till ett kvarts varv.
Important: Ett löst tändstift kan bli väldigt varmt och skada motorn. Om du drar åt tändstiftet för mycket kan du skada gängorna i cylinderhuvudet.
Anslut tändkabeln till tändstiftet.
Gör på följande sätt om säkerhetsbrytaren för drivning behöver justeras eller bytas ut:
Se till att motorn är avstängd och att hjuldrivningsspaken är urkopplad och vilar mot neutralstoppet (Figur 31).

Lossa fästelementen på säkerhetsbrytaren (Figur 31).
Placera ett 0,8 mm tjockt mellanlägg mellan hjuldrivningsspaken och säkerhetsbrytaren (Figur 31).
Dra åt fästelementen på säkerhetsbrytaren och kontrollera avståndet igen.
Note: Hjuldrivningsspaken får inte vidröra brytaren.
Koppla in hjuldrivningsspaken och kontrollera att brytaren mister kontinuiteten.
Note: Byt brytaren vid behov.
Justera drifts-/parkeringsbromsen om den slirar under drift.
Koppla in driftsbromsen, tryck in knoppen på parkeringsbromsen och låt driftsbromsen vila på parkeringsbromsstiftet (Figur 32).

Tryck baktill på driftsbromsspaken med en fjädervåg (Figur 33). Parkeringsbromsen ska frigöras när en kraft på 13,5–18 kg har uppnåtts. Om parkeringsbromsen frigörs innan en kraft på 13,5–18 kg har uppnåtts ska bromskabeln justeras.

Lossa den hållare som håller fast kilremskåpan och öppna kåpan genom att vrida den (Figur 34).

Så här justerar du bromskabelns spänning:
Minska kabelns spänning genom att lossa kabelns främre kontramutter och dra åt den bakre kontramuttern (Figur 35). Upprepa steg 1 och 2 och justera vid behov spänningen på nytt.
Öka kabelns spänning genom att dra åt kabelns främre kontramutter och lossa den bakre kontramuttern (Figur 35). Upprepa steg 1 och 2 och justera vid behov spänningen på nytt.
Note: Du kan justera kabeln vid kontramutterfästena vid kontrollpanelen eller vid fästet längst ned på motorn.

Stäng kåpan och fäst hållaren.
Se till att alla remmar är ordentligt spända för att säkerställa korrekt maskindrift och undvika onödigt slitage. Kontrollera remmarna ofta.
Ta bort fästskruvarna på remkåpan och sedan remkåpan så att remmen blir synlig (Figur 36).

Kontrollera spänningen genom att trycka ned remmen mellan de två skivorna (Figur 37) med en kraft på 18–22 Nm. Remmen ska böjas ned 6 mm.

Utför följande steg för att justera remspänningen:
Lossa fästmuttern på mellanremskivan och sväng mellanremskivan medsols mot remmens baksida tills önskad remspänning erhålls (Figur 37).
Important: Spänn inte remmarna för hårt.
Dra åt muttern för att säkra justeringen.
Sätt tillbaka remkåpan genom att placera den i rätt läge.
Montera alla skruvar tills gängorna greppar i mellanlägget, samtidigt som en liten springa upprätthålls mellan kåpans fog och sidoplåten.
Note: Springan gör det möjligt att se skruvarnas inriktning mot de gängade mellanläggen.
När du har monterat alla skruvar ska du dra åt dem tills samtliga avståndsstycken inuti kåpan kommer i kontakt med sidoplåten.
Note: Dra inte åt skruvarna för hårt.
Ta bort fästskruvarna på remkåpan och sedan remkåpan så att remmen blir synlig (Figur 38).

Kontrollera spänningen genom att trycka ned remmen mellan de två skivorna (Figur 39) med en kraft på 18–22 N·m.
Note: Remmen ska böjas ned 6 mm.

Gör följande för att justera remspänningen:
Lossa fästmuttern på mellanremskivan och sväng mellanremskivan medsols mot remmens baksida tills önskad remspänning erhålls (Figur 39).
Important: Spänn inte remmarna för hårt.
Dra åt muttern för att säkra justeringen.
Sätt tillbaka remkåpan genom att placera den i rätt läge.
Montera alla skruvar tills gängorna greppar i mellanlägget, samtidigt som en liten springa upprätthålls mellan kåpans fog och sidoplåten.
Note: Springan gör det möjligt att se skruvarnas inriktning mot de gängade mellanläggen.
När du har monterat alla skruvar ska du dra åt dem tills samtliga avståndsstycken inuti kåpan kommer i kontakt med sidoplåten.
Note: Dra inte åt skruvarna för hårt.
Ta bort de skruvar som håller fast den främre och bakre delen av differentialkåpan på differentialhuset, och skjut bort kåpdelarna så att remmen syns.
Kontrollera spänningen genom att trycka ned remmen mellan de två skivorna (Figur 40) med en kraft på 22–26 N·m.
Note: Remmen ska böjas ned 6 mm.

Gör följande för att justera remspänningen:
Lossa fästmuttern på mellanremskivan och sväng mellanremskivan medsols mot remmens baksida tills önskad remspänning erhålls (Figur 40).
Important: Spänn inte remmarna för hårt.
Dra åt muttern för att säkra justeringen.
Sätt tillbaka remkåpan genom att placera den i rätt läge.
Montera alla skruvar tills gängorna greppar i mellanlägget, samtidigt som en liten springa upprätthålls mellan kåpans fog och sidoplåten. Springan gör det möjligt att se skruvarnas inriktning mot de gängade mellanläggen.
När du har monterat alla skruvar ska du dra åt dem tills samtliga avståndsstycken inuti kåpan kommer i kontakt med sidoplåten. Dra inte åt skruvarna för hårt.
Justera remspänningen på primärkilremmarna genom att först kontrollera drivreglagets inställning. Se Justera hjuldrivningen.
Om remmarna fortfarande slirar efter att du justerat drivreglaget går du vidare till nästa steg.
Lossa den hållare som håller fast kilremskåpan och öppna kåpan genom att vrida den (Figur 41).

Öka remspänningen genom att lossa motorns fästskruvar och flytta motorn bakåt stegvis.
Important: Spänn inte remmarna för hårt.
Dra åt fästskruvarna.
Note: Avståndet mellan drivskivans mitt och den drivna skivans mitt ska vara ca 12,7 cm när de nya kilremmarna har monterats.
När primärkilremmarna är spända ska du kontrollera inriktningen mellan motorns utgående axelskiva och överföringsskivan med en riktskena.
Om skivorna inte är i linje lossar du de skruvar som håller fast motorns sockel på maskinens ram. Skjut sedan motorn från ena sidan till den andra tills skivorna befinner sig i linje inom 0,7 mm.
Dra åt skruvarna och kontrollera inriktningen.
Justera remstyrningen så att det går lättare att skjuta eller dra maskinen utan att starta motorn (Figur 42, infällning) på följande sätt:
Lägg i kopplingen.
Lossa den låsmutter som håller fast mellanremskivan och remstyrningen på mellandrevsarmen.
Vrid remstyrningen medsols tills ett gap på ca 1,5 mm erhålls mellan styrfingret och drivremmarnas baksida.
Dra åt den låsmutter som håller fast mellanremskivan och remstyrningen på mellandrevsarmen.

Stäng kåpan och fäst hållaren.
Ta bort de skruvar som håller fast remkåporna för hjuldrivning och cylinderdrivning på den högra sidoplåten, och ta bort remkåporna.
Lossa fästbulten på varje mellanremskiva och sväng sedan varje mellanremskiva motsols iväg från varje rems undersida för att lätta på remspänningen.
Ta bort remmarna.
Ta bort de skruvar som håller fast den främre och bakre delen av differentialkåpan på differentialhuset, och skjut bort kåpdelarna så att remmen blir synlig (Figur 43).

Lossa fästmuttern på mellanremskivorna till differentialremmen och sväng mellanremskivan motsols iväg från remmens baksida för att lätta på remspänningen.
Ta bort de två skruvar och de två låsmuttrar som håller fast det främre kopplingshuset på sidoplåten (Figur 43).
Vrid huset 180° så att dess botten riktas uppåt.
Ta bort de två skruvar och låsmuttrar som håller fast det högra lagerhuset på sidoplåten (Figur 43).
Vrid huset 180° så att dess botten riktas uppåt.
Ta bort den gamla remmen.
Dra den nya remmen över de roterade huskåporna, differentialkåpdelarna och på differentialskivorna.
Se till att mellanremskivan är placerad mot remmens baksida.
Vrid tillbaka bägge husen till upprätt läge och fäst dem på sidoplåten med de skruvar och muttrar som du tog bort tidigare.
Justera differentialremmens spänning. Se Justering av differentialremmen.
Justera remspänningen för hjuldrivnings- och cylinderdrivremmarna. Se Justera drivremmen för hjuldrivningen och Justera cylinderdrivremmen.
Montera differentialkåpan samt hjul- och cylinderdrivningens remkåpor.
Följ stegen nedan för att avlägsna glapp från drivreglaget:
För hjuldrivningsreglaget till URKOPPLAT läge.
Lossa den hållare som håller fast kilremskåpan och öppna kåpan genom att vrida den (Figur 41).
För att avlägsna glapp från drivreglaget lossar du den främre kabelns kontramutter och drar åt den bakre kabelns kontramutter (Figur 44) tills det inte återstår något glapp.

Dra åt kabelns främre kontramutter.
Stäng kåpan och fäst hållaren.
Kontrollera gaspedalens funktion.
Var försiktig när du undersöker klippenhetscylindern. Använd skyddshandskar och var försiktig när du underhåller cylindern.
En sliten eller skadad kniv eller underkniv kan gå sönder, och den trasiga delen kan slungas ut mot dig eller någon kringstående, vilket kan leda till allvarliga personskador eller innebära livsfara.
Kontrollera regelbundet att knivarna och underknivarna inte är utslitna eller skadade.
Var försiktig när du kontrollerar knivarna. Använd skyddshandskar och var försiktig när du utför underhåll på cylindrarna. Knivarna och underknivarna får endast bytas ut eller slipas – de ska aldrig rätas ut eller svetsas.
Parkera maskinen på ett plant och jämnt underlag, gärna en arbetsplatta av precisionsstål.
Lägg en ca 73,6 cm lång plan stålremsa med måtten 0,6 x 2,5 cm under cylinderknivarna och mot underknivens främre kant för att förhindra att underkniven vilar på arbetsytan.
Lyft den främre valsen så att den bakre trumman och cylindern vilar på ytan.
Tryck ordentligt på maskinen ovanför cylindern så att alla cylinderbladen kommer i kontakt med stålremsan.
Samtidigt som du trycker på cylindern för du på ett bladstål under en ände på trumman. Kontrollera därefter den andra änden.
Note: Om avståndet mellan trumman och arbetsytan är större än 0,25 mm i någon ände ska du justera trumman (gå vidare till steg 6). Om avståndet är mindre än 0,25 mm behövs ingen justering.
Ta bort den bakre remkåpan på maskinens högra sida (Figur 45).

Vrid drivskivan tills hålen passar in med de fyra rullagrens flänsskruvar (Figur 46).

Lossa de fyra rullagerskruvarna och den skruv som fäster mellanremskivan.
Höj eller sänk rullens högra sida tills avståndet är mindre än 0,25 mm.
Dra åt rullvalsens skruvar.
Justera remspänningen och dra åt mellanremskivans fästskruv (Figur 46).
Justera underkniven mot cylindern efter fräsning, slipning eller demontering av klippenheten. Proceduren är inte avsedd för daglig justering.
Parkera maskinen på en plan och jämn arbetsyta.
Luta maskinen bakåt på handtaget så att underkniven och cylindern blir synliga.
Important: Luta inte maskinen mer än 25°. Om maskinen lutas mer än 25° tränger olja in i förbränningskammaren och/eller så läcker bränsle ut från tanklocket.
Rotera cylindern så att ett knivblad korsar underknivens egg mellan underknivens första och andra skruvhuvud på högra sidan av klippenheten (Figur 47).

Rotera cylindern så att ett knivblad korsar underknivens egg mellan underknivens första och andra skruvhuvud på högra sidan av klippenheten.
För in mellanlägget (0,05 mm) mellan det markerade knivbladet och underknivens egg vid den punkt där det markerade knivbladet korsar underknivens egg.
Vrid den högra underknivsstångens justerskruv tills du känner ett lätt tryck (dvs. motstånd) i mellanlägget genom att skjuta det från sida till sida (Figur 47).
Ta bort mellanlägget.
Rotera långsamt cylindern så att det närmaste knivbladet korsar underknivens egg mellan det första och andra skruvhuvudet på vänstra sidan av klippenheten.
Upprepa steg 4 till 7 för vänster sida av klippenheten och den vänstra underknivsstångens justerskruv.
Upprepa steg 5 till 7 tills ett lätt motstånd har erhållits på både höger och vänster sida av klippenheten genom att använda samma kontaktpunkter.
För att cylindern och underkniven precis ska vidröra varandra ska du vrida respektive underknivsstångs justerskruv tre klick medsols.
Note: För varje klick på underknivens justerskruv flyttas underkniven 0,018 mm. Genom medsols rotation förs underknivens egg närmare cylindern och genom motsols rotation förs den bort från cylindern.
Testa klipprestandan genom att föra in en lång remsa av klipprestandapapper mellan cylindern och underkniven, i rät vinkel mot underkniven (Figur 48). Rotera cylindern långsamt framåt. Den ska klippa papperet.

Note: Om du ser att kontakten/cylindern släpar för mycket kan det bli nödvändigt att antingen slipa, slipa om framsidan av underkniven eller fräsa klippenheten för att få de vassa eggar som krävs för finklippning.
Kontrollera att den bakre valsen står plant och att kontakten mellan underkniven och cylindern är korrekt. Luta maskinen bakåt på handtaget så att de främre och bakre rullarna och underkniven blir synliga.
Important: Luta inte maskinen mer än 25°. Om maskinen lutas mer än 25° tränger olja in i förbränningskammaren och/eller så läcker bränsle ut från tanklocket.
Lossa de låsmuttrar som håller fast klipphöjdsarmarna på klipphöjdsfästena (Figur 49).

Lossa muttern på mätstången (Figur 50) och ställ in justerskruven på önskad klipphöjd. Avståndet mellan skruvhuvudets nedersta del och stångens ovansida är lika med klipphöjden.

Haka på skruvhuvudet på underknivens skäregg och vila stångens bakände på den bakre valsen (Figur 51).

Vrid justeringsskruven tills valsen kommer i kontakt med den främre delen av mätstången.
Justera båda ändar av rullen tills hela rullen är parallell med underkniven.
Important: Vid korrekt inställning är de bakre och främre rullarna i kontakt med mätstången och skruven sitter tätt mot underkniven. På så sätt blir klipphöjden identisk i båda ändar av underkniven.
Dra åt muttrarna för att säkra justeringen.
Important: För att undvika skalpning på kuperade gräsmattor, ska du se till att rullstöden är i det främre läget (valsen närmre cylindern).
Note: Den främre valsen kan sättas i tre olika lägen (Figur 52), beroende på användarens användning och behov.
Använd det främre läget när en trimsats har monterats.
Använd mellanläget när ingen trimsats används.
Använd den tredje positionen vid extremt kuperade gräsförhållanden.

Justera skyddet så att gräsklippet hamnar i korgen.
Mät avståndet från den övre delen av den främre stödstången till skyddets framkant vid varje ände av klippenheten (Figur 53).

Skyddets höjd från stödstången vid normala klippförhållanden bör vara 10 cm. Lossa de skruvar och muttrar som håller fast varje ände av skyddet på sidoplåten, och justera skyddet till rätt höjd.
Dra åt fästdonen.
Note: Skyddet kan sänkas vid torrt gräs (klipp flyger över korgens övre kant) eller höjas för vått och tungt gräs (klipp ansamlas i den bakre delen av korgen).
Justera klippstången så att gräsklippet matas ut ordentligt från cylindern.
Lossa de skruvar som håller fast den övre stången (Figur 54) på klippenheten.

För in ett bladstål på 1,5 mm mellan cylinderns översta del och stången och dra åt skruvarna.
Kontrollera att stången och cylindern sitter på samma avstånd från varandra längs hela cylindern.
Note: Stången kan justeras för att kompensera för förändringar i gräsförhållanden. När gräset är extremt vått bör staven flyttas närmare cylindern. Vid torra gräsförhållanden ska staven däremot flyttas längre bort från cylindern. Staven ska vara parallell mot cylindern för att säkerställa optimal prestanda. Justera alltid stången när du justerar skyddens höjd eller vässar cylindern på en cylindervässare.
Kontrollera den vänstra underknivsstångens fästhandtag för att avgöra om underknivsstången är av standardmodell eller mer intensiv. Om fästhandtagen är rundade är underknivsstången av standardmodell. Om det är en skåra i fästhandtagen är underknivsstången intensiv (Figur 55).

Vrid underknivsstångens justerskruv motsols så att underkniven förs bort från cylindern (Figur 56).

För fjäderspänningsmuttern bakåt, tills brickan inte längre är spänd mot underknivsstången (Figur 56).
Lossa kontramuttern som håller fast skruven på underknivsstången på vardera sidan av maskinen (Figur 57).

Ta bort bulten till underknivsstången så att denna kan dras nedåt och avlägsnas från maskinen. Spara de två nylonbrickorna och de två stansade brickorna av stål på vardera änden av underknivsstången (Figur 57).
Montera underknivsstången genom att placera fästhandtagen mellan brickan och underknivsstångens justerare.
Fäst underknivsstången på båda sidoplåtarna med skruvarna (kontramuttrar på skruvarna) och åtta brickor.
Note: Sätt en nylonbricka på var sida om sidoplåtens nav. Placera en stålbricka på utsidan av varje nylonbricka.
Dra åt skruvarna till 27–36 N·m.
Dra åt kontramuttrarna tills de yttre tryckbrickorna nätt och jämnt roterar fritt.
Dra åt fjäderspänningsmuttern tills fjädern pressas ihop och vrid sedan ut den ett halvt varv.
Justera underknivsstången. Se Justera underkniven mot cylindern.
Ta bort locket på den högra cylinderdrivningens kåpa (Figur 58).

Sätt in en hylsförlängning på 13 mm, som är ansluten till slipmaskinen, i det fyrkantiga hålet mitt på cylinderskivan.
Utför slipningen i enlighet med förfarandet i Toros bruksanvisning för vässning av cylinder- och rotorklippare, formulärnr 80-300 PT.
Att vidröra cylindrarna eller andra rörliga delar kan orsaka personskador.
Kom inte nära cylindern när du slipar.
En borste med kort skaft får inte användas vid slipning. Artikelnr 29-9100, komplett handtagsenhet eller enskilda delar, kan köpas hos en lokal auktoriserade Toro-återförsäljare.
Note: Dra en fil över underknivens framsida när slipningen avslutats så blir skäreggen bättre. Detta avlägsnar eventuella grader (skägg) eller ojämna kanter som kan uppstå på skäreggen.
Sätt tillbaka locket på kåpan när du är klar med proceduren.
Stäng av motorn, ta ut nyckeln (i förekommande fall) och vänta tills alla rörliga delar har stannat innan du kliver ur förarsätet. Låt maskinen svalna innan du justerar, rengör, förvarar eller utför underhåll på den.
Förvara inte maskinen eller bränslebehållaren i närheten av en öppen låga, gnista eller tändlåga, t.ex. nära en varmvattenberedare eller någon annan utrustning.
Avlägsna gräs, smuts och smörja från maskinens utvändiga delar, särskilt motorn. Rensa bort smuts och skräp från utsidan av motorns kylflänsar och fläkthuset.
Important: Tvätta maskinen med ett milt rengöringsmedel och vatten. Högtryckstvätta inte maskinen. Undvik att använda alltför mycket vatten, särskilt nära växelspaksplattan och motorn.
Tillsätt en bränslestabiliserare/konditionerare till bränslet i tanken när gräsklipparen ska förvaras under en längre tid (mer än 30 dagar).
Kör motorn så att det stabiliserade bränslet fördelas i bränslesystemet (5 minuter).
Du kan antingen stänga av motorn, låta den svalna och tappa ur bränslet, eller också köra motorn tills den stängs av.
Starta motorn och kör den tills den stängs av. Starta motorn igen, med choken stängd, tills det inte går att starta motorn.
Lossa tändkabeln från tändstiftet.
Kassera bränslet på lämpligt sätt. Återvinn det enligt lokala föreskrifter.
Note: Förvara inte bränsle som innehåller stabiliserare/konditionerare under längre tid än vad som rekommenderas av stabiliserartillverkaren.
Kontrollera och dra åt alla skruvar, muttrar och skruvar. Reparera eller byt ut utslitna och skadade delar.
Måla i lackskador och bara metallytor. Färg finns att köpa hos auktoriserade Toro-återförsäljare.
Förvara maskinen i ett rent och torrt garage eller lagerutrymme. Täck över maskinen för att skydda den och hålla den ren.