| Intervalo de assistência | Procedimento de manutenção |
|---|---|
| Em todas as utilizações ou diariamente |
|
Esta máquina é um cortador de relva manual e lâmina rotativa destinada a ser utilizada por operadores profissionais contratados em aplicações comerciais. Foi originalmente concebida para cortar relva em relvado com boa manutenção. Se a máquina for utilizada com qualquer outro propósito, poderá pôr em perigo o utilizador ou outras pessoas.
Leia estas informações cuidadosamente para saber como utilizar e efetuar a manutenção do produto de forma adequada, bem como evitar ferimentos e danos no produto. A utilização correta e segura do produto é da exclusiva responsabilidade do utilizador.
Visite www.Toro.com para mais informações sobre produtos e acessórios, para obter o contacto de um distribuidor ou registar o seu produto.
Sempre que necessitar de assistência, peças genuínas Toro ou informações adicionais, entre em contacto com um representante autorizado Toro, indicando os números de modelo e de série do produto. O número de modelo e de série Encontram-se numa placa montada no chassis traseiro. Escreva os números no espaço disponível.
Important: Com o seu dispositivo móvel, pode ler o código QR (se equipado) no autocolante com o número de série para aceder a informações sobre garantia, peças e outras.

Este manual identifica potenciais perigos e tem mensagens de segurança identificadas pelo símbolo de alerta de segurança (Figura 2), que identifica perigos que podem provocar ferimentos graves ou mesmo a morte, se não respeitar as precauções recomendadas.

Neste manual são utilizados 2 termos para identificar informações importantes. Importante identifica informações especiais de ordem mecânica e Nota sublinha informações gerais que requerem especial atenção.
Este produto cumpre todas as diretivas europeias relevantes. Para mais informações, consulte a folha de Declaração de conformidade (DOC) em separado, específica do produto.
Utilizar ou operar o motor em qualquer terreno com floresta, arbustos ou relva é uma violação da secção 4442 ou 4443 do código de recursos públicos da Califórnia exceto se o motor estiver equipado com uma proteção contra chamas, como definido na secção 4442, mantido em boas condições ou o motor for construído equipado e mantido para a prevenção de fogo.
O Manual do proprietário do motor é fornecido para informações acerca do sistema de emissões, manutenção e garantia da US Environmental Protection Agency (EPA) e regulamento de controlo de emissões da Califórnia. A substituição pode ser solicitada através do fabricante do motor.
Operar esta máquina a 1500 m acima do nível do mar exige um jato de altitude elevada. Consulte o Manual do proprietário do motor Honda.
CALIFÓRNIA
Proposição 65 Aviso
É do conhecimento do Estado da Califórnia que os gases de escape deste motor contêm químicos que podem provocar cancro, defeitos congénitos ou outros problemas reprodutivos.
É do conhecimento do Estado da Califórnia que a utilização deste produto pode causar exposição a químicos que podem provocar cancro, defeitos congénitos ou outros problemas reprodutivos.
Esta máquina foi concebida de acordo com as normas EN ISO 5395 e ANSI B71.4-2017 e cumpre estas normas quando é adicionado o kit de presença do operador e autocolantes exigidos.
Este produto pode provocar a amputação de mãos e pés e a projeção de objetos.
Leia e compreenda o conteúdo deste Manual do utilizador antes de ligar a máquina.
Tenha total atenção durante a utilização da máquina. Não exerça qualquer atividade que provoque distração; caso contrário podem ocorrer ferimentos ou danos materiais.
Não coloque as mãos ou os pés perto de componentes em movimento da máquina.
Não opere a máquina sem que todos os resguardos e outros dispositivos protetores de segurança estejam instalados e a funcionar corretamente na máquina.
Mantenha as pessoas e as crianças pequenas afastadas da área de operação. Nunca permita que crianças utilizem a máquina.
Desligue o motor, retire a chave (se equipada) e aguarde até que todo o movimento pare antes de sair da posição do operador. Deixe a máquina arrefecer antes de a ajustar, lhe fazer a manutenção, limpar ou armazenar.
O uso e manutenção impróprios deste equipamento
pode resultar em ferimentos. Para reduzir o risco de lesões,
respeite estas instruções de segurança e preste
sempre atenção ao símbolo de alerta de segurança
, que indica:
Cuidado, Aviso ou Perigo – instruções de segurança
pessoal. O não cumprimento destas instruções
pode resultar em ferimentos pessoais ou mesmo em morte.
![]() |
Os autocolantes de segurança e de instruções são facilmente visíveis e situam-se próximo das zonas de potencial perigo. Substitua todos os autocolantes danificados ou perdidos. |











Note: Determine os lados direito e esquerdo da máquina a partir da posição normal de utilização.
Peças necessárias para este passo:
| Pega | 1 |
| Braçadeira de cabos | 4 |
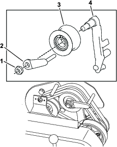
Retire os parafusos, porcas de bloqueio, ganchos de anel e pernos de gancho que fixam a parte inferior dos braços da pega de cada lado da máquina (Figura 3).

Retire os parafusos, anilhas e anilhas de retenção dos pinos de montagem em cada lado da máquina (Figura 3).
Insira as extremidades do manípulo através dos orifícios nos braços do manípulo e alinhe os furos com os pinos de montagem (Figura 3).
Faça força para dentro nas extremidades do manípulo e instale-as nos pinos de montagem (Figura 4).

Prenda a pega nos pinos de montagem com os parafusos (⅜ pol.), anilhas e anilhas de retenção previamente retirados (Figura 4).
Utilize os parafusos (5/16 pol.), porcas de bloqueio, pernos de gancho e ganchos de anel que retirou previamente para fixar os braços da pega à parte posterior da estrutura (Figura 3).
Prenda os cabos e cablagem à pega com as braçadeiras (Figura 5).

Consulte Figura 6 para obter este procedimento.

Retire a chaveta do gancho de anel em cada lado da máquina.
Enquanto segurar no manípulo, retire o gancho de anel de cada lado e suba ou desça o manípulo até o colocar na posição desejada para a sua utilização.
Instale os ganchos de anel e chavetas.
Peças necessárias para este passo:
| Eixo direito da roda | 1 |
| Eixo esquerdo da roda | 1 |
Empurre o apoio para baixo com o pé e empurre o manípulo para cima para suportar a máquina no apoio.
Aplique adesivo de roscas nas roscas dos eixos das rodas.
Enrosque o eixo direito da roda na polia motora do lado direito da máquina (Figura 7).
Note: O eixo direito da roda tem roscas esquerdas.

Aperte o eixo com uma força de 88 a 101 N∙m.
Repita os passos 2 a 4 para instalar o veio da roda esquerda no lado esquerdo da máquina.
Peças necessárias para este passo:
| Roda de transporte | 2 |
Empurre o apoio para baixo com o pé e empurre o manípulo para cima para suportar a máquina no apoio.
Deslize uma roda para um veio.
Gire o dispositivo de bloqueio da roda para fora do centro da roda permitindo que se afaste do eixo (Figura 8).

Gire a roda nos dois sentidos até que se encaixe perfeitamente no eixo e que o dispositivo de bloqueio se prenda ao veio do eixo.
Repita o procedimento no lado oposto da máquina.
Encha os pneus com 0,83 a 1,03 bar.
Baixe cuidadosamente a máquina do apoio.
Antes de utilizar a máquina, terá de realizar os seguintes ajustes:
Peças necessárias para este passo:
| Kit de presença do operador (encomendar em separado; contacte o distribuidor Toro autorizado) | 1 |
Para cumprir a EN ISO 5395 e ANSI B71.4-2017, instale o Kit de presença do operador (Modelo n.º 112-9282); consulte as Instruções de instalação do kit.
Contacte o distribuidor Toro autorizado para adquirir este kit.
Peças necessárias para este passo:
| Autocolante do ano de fabrico | 1 |
| Autocolante da marca CE | 1 |
Se utilizar esta máquina num país que cumpra as normas CE, coloque o autocolante do ano de fabrico e o autocolante da marca CE junto da placa do número de série; consulte Figura 9.

Peças necessárias para este passo:
| Cesto de relva | 1 |
Segure o cesto pelo topo e encaixe as barras de montagem do cesto (Figura 10).

São necessárias apenas 8 horas de operação de corte para o período de rodagem.
As primeiras horas de funcionamento são essenciais para a futura fiabilidade da máquina. Tem de monitorizar o desempenho da máquina de perto de forma a que pequenas dificuldades, que poderiam levar a grandes problemas, sejam detetadas e possam ser corrigidas. Durante as primeiras horas de funcionamento, inspecione frequentemente a máquina para verificar se há sinais de fugas de óleo, fixações soltas ou qualquer outra avaria.
Consulte o manual do proprietário do motor para obter o período de rodagem e procedimentos de manutenção recomendados.


A alavanca de transmissão da tração (Figura 12) encontra-se no lado direito frontal do painel de controlo. Tem 2 posições: PONTO-MORTO e PARA A FRENTE. Empurrando a alavanca para a frente, porá em funcionamento a transmissão da direção.
A alavanca do acelerador (Figura 12) está situada no lado direito posterior do painel de controlo. A alavanca está ligada ao carburador, fazendo-o funcionar. Consulte Especificações para obter a velocidade do motor.
O interruptor Ligar/Desligar (Figura 12) localiza-se no topo do painel de controlo. Mova o interruptor para a posição LIGAR para ligar o motor e para a posição DESLIGAR para desligar o motor.
O travão de serviço (Figura 13) encontra-se no lado dianteiro esquerdo do painel de controlo. Pode utilizar o travão para abrandar ou parar a máquina.

O travão de estacionamento (Figura 14) encontra-se na base do travão de serviço. Engate totalmente o travão de serviço e empurre o manípulo do travão de estacionamento para permitir que o travão de serviço apoie no pino do travão de estacionamento. Engate o travão de serviço para libertar o travão de estacionamento. Tem de desativar o travão antes de se engatar a transmissão de tração.

Se instalado, o controlo de presença do operador (Figura 12) encontra-se na parte de trás da pega. Mantenha o controlo da presença do operador encostada à pega. Tem de ativar o controlo de presença do operador antes de engatar a alavanca de tração. Se libertar o controlo de presença do operador, o motor desliga.
A alavanca de transmissão do cilindro (Figura 15) encontra-se no canto direito frontal da máquina. A alavanca tem duas posições:
ENGATAR mova a alavanca para a frente para engatar o cilindro.
DESENGATAR mova a alavanca para trás para desengatar o cilindro.

A alavanca do ar (Figura 16) está situada no lado esquerdo dianteiro do motor. Utilize a alavanca para ajudar no arranque de um motor frio; consulte a Utilização da alavanca do ar.

A válvula de corte de combustível encontra-se na lateral do motor abaixo da alavanca do ar (Figura 16).
Note: Feche a válvula de corte de combustível quando a máquina não for utilizada durante alguns dias, durante o transporte para e do local de trabalho ou quando a máquina estiver estacionada no interior de um edifício; consulte a Abertura e fecho da válvula de corte de combustível.
Empurre o manípulo do arrancador de retrocesso (Figura 16) para ligar o motor.
| Especificações do modelo | Modelo 04055 |
| Largura | 91 cm |
| Altura | 114 cm |
| Comprimento com cesto de relva | 122 cm |
| Peso a seco (com cesto e rolo Wiehle; sem rodas nem cilindro do rastelo) | 98 kg |
| Largura de corte | 53 cm |
| Altura de corte | 1,6–31,8 mm |
| Clip | 4,3 mm |
| Velocidade do motor | Baixo ralenti: 1800 a 2000 rpm; Alto ralenti: 3350 a 3550 rpm |
Está disponível uma seleção de acessórios aprovados pela Toro para utilização com a máquina, para melhorar e expandir as suas capacidades. Contacte o seu representante de assistência autorizado ou distribuidor Toro autorizado ou vá a www.Toro.com para obter uma lista de todos os engates e acessórios aprovados.
Para assegurar o desempenho ideal e certificação de segurança continuada da máquina, utilize sempre peças de substituição e acessórios genuínos Toro. As peças de substituição e acessórios fabricados por outros fabricantes podem ser perigosos e essa utilização anula a garantia.
Note: Determine os lados direito e esquerdo da máquina a partir da posição normal de utilização.
Nunca permita que crianças ou pessoal não qualificado utilizem ou procedam à assistência técnica da máquina. Os regulamentos locais podem determinar restrições relativamente à idade do utilizador. A formação de todos os operadores e mecânicos é da responsabilidade do proprietário.
Familiarize-se com o funcionamento seguro do equipamento, com os comandos do utilizador e com os sinais de segurança.
Desligue o motor, retire a chave (se equipada) e aguarde até que todo o movimento pare antes de sair da posição do operador. Deixe a máquina arrefecer antes de a ajustar, lhe fazer a manutenção, limpar ou armazenar.
Saiba como parar a máquina e desligar a máquina rapidamente.
Verifique se os controlos de presença do operador, os interruptores de segurança e os dispositivos de proteção de segurança estão corretamente montados e a funcionar corretamente. Não utilize a máquina se estes componentes não estiverem a funcionar corretamente.
Inspecione a área em que vai utilizar a máquina e remova todos os objetos que a máquina possa projetar.
Tenha muito cuidado quando manusear combustível. É inflamável e os vapores são explosivos..
Apague todos os cigarros, charutos, cachimbos e outras fontes de ignição.
Utilize apenas um recipiente para combustível aprovado.
Não retire o tampão do combustível nem adicione combustível enquanto o motor estiver a trabalhar ou quente.
Não adicione ou drene combustível num espaço fechado.
Não guarde a máquina ou o recipiente de combustível num local onde existe uma fonte de fogo, faísca ou luz piloto, como junto de uma caldeira ou outro eletrodoméstico.
Em caso de derrame de combustível, não tente ligar o motor; evite criar qualquer fonte de ignição até os vapores do combustível se terem dissipado.
Não encha recipientes no interior de um veículo ou camião ou atrelado com um revestimento de plástico. Coloque sempre os recipientes no chão, longe do veículo, antes de os encher.
Retire o equipamento do camião ou do atrelado e abasteça-o no chão. Se tal não for possível, abasteça o equipamento com um recipiente portátil e não a partir do bico de abastecimento normal.
Mantenha o bico sempre em contacto com o anel exterior do depósito de combustível ou com a abertura do recipiente até concluir a operação.
Efetue os procedimentos de manutenção diária; consulte Lista de manutenção diária.
Verifique o nível do óleo do motor antes de cada utilização ou ao fim de cada 8 horas de utilização, consulte a Verificação do nível de óleo do motor.
Capacidade do depósito de combustível: 2 litros
Combustível recomendado: Gasolina sem chumbo com uma classificação de octanas de 87 ou superior (método de classificação (RR+M)/2))
Etanol: Gasolina com até 10% de etanol (gasolina com álcool) ou 15% MTBE (éter metil terciário butílico) por volume é aceitável. Etanol e MTBE não são a mesma coisa. Gasolina com 15% de etanol (E15) por volume não é aprovada para utilização.
Nunca utilize gasolina que contenha mais de 10% de etanol por volume como, por exemplo, E15 (contém 15% etanol), E20 (contém 20% etanol) ou E85 (contém até 85% de etanol).
Não utilize gasolina que contenha metanol.
Não guardar combustível nem no depósito do combustível nem em recipientes de combustível durante o inverno, a não ser que seja utilizado um estabilizador de combustível.
Não adicionar petróleo à gasolina.
Para melhores resultados, utilize apenas combustível limpo e fresco (com menos de 30 dias).
Utilizar gasolina não aprovada pode causar problemas de desempenho e/ou danos no motor, que poderão não ser abrangidos pela garantia.
Em determinadas circunstâncias, o combustível é extremamente inflamável e explosivo. Um incêndio ou explosão provocada por combustível pode resultar em queimaduras e danos materiais.
Encha o depósito de combustível no exterior, num espaço aberto, quando o motor estiver frio. Remova todo o combustível que se tenha derramado.
Nunca encha o depósito de combustível num atrelado fechado.
Não encha completamente o depósito de combustível. Adicione combustível ao depósito de combustível, até que o nível se encontre entre 6 a 13 mm abaixo da extremidade inferior do tubo de enchimento. Este espaço vazio no depósito permitirá que o combustível se expanda.
Nunca fume quando estiver a manusear combustível e mantenha-se afastado de todas as fontes de fogo ou faíscas que possam inflamar os vapores de combustível.
Guarde o combustível num recipiente aprovado e mantenha-o fora do alcance das crianças. Nunca adquira mais do que o combustível necessário para 30 dias.
Não utilize a máquina sem que todos os componentes do sistema de escape estejam corretamente montados e em boas condições de funcionamento.
Em determinadas condições durante o abastecimento, pode ser libertada eletricidade estática que provoca uma faísca que pode inflamar os vapores do combustível. Um incêndio ou explosão provocada por combustível pode resultar em queimaduras e danos materiais.
Coloque sempre os recipientes de combustível no chão, longe do veículo, antes de os encher.
Não encha os recipientes de combustível no interior de uma carrinha, outro veículo ou um atrelado, porque os revestimentos do interior ou a cobertura plástica da carrinha podem isolar o recipiente e abrandar a perda de energia estática do mesmo.
Quando for prático, retire o equipamento do camião ou do atrelado e reabasteça-o no chão. Se tal não for possível, abasteça o equipamento no veículo com um recipiente portátil e não a partir do bico de abastecimento normal.
Se tiver de utilizar um bico de abastecimento, mantenha-o em contacto permanente com o anel exterior do depósito de combustível ou com a abertura do recipiente até concluir a operação.
O combustível pode ser prejudicial ou mesmo fatal quando ingerido. A exposição prolongada a vapores pode provocar lesões graves ou doenças.
Evite inalar vapores durante muito tempo.
Mantenha a cara afastada do bico e do depósito de combustível ou da abertura do condicionador.
Evite o contacto com a pele; lave qualquer derrame com água e sabão.
Limpe a zona em redor da tampa do depósito de combustível e retire a tampa do depósito (Figura 17). Encha o depósito de combustível até à parte inferior da abertura do tubo de enchimento.
Important: Não encha demasiado o depósito com combustível.

Instale a tampa do depósito e limpe os derrames de gasolina.
Utilize os quadros seguintes para ajustar a máquina às condições de relva.
| Número de peça | Descrição | Agressividade | Comentários |
| 112-9281-01 | De série | Menos | Greensmaster 1000 standard |
| 112-9279-03 | Agressivo | Mais |
| Número de peça | Descrição | Limites da altura de corte | Comentários |
| 93-4262 | Microcorte | 1,57–3,1 mm | |
| 115-1880 | Microcorte EdgeMax | 1,57–3,1 mm | Greensmaster 1000 standard |
| 93-4263 | Tournament | 3,1–6,0 mm | |
| 115-1881 | Tournament EdgeMax | 3,1–6,0 mm | Corte mais longo |
| 93-4264 | Corte reduzido | 6 mm e superior | |
| 108-4303 | Microcorte alargado | 1,57–3,1 mm | Menos agressivo |
| Número de peça | Descrição | Diâmetro/Material | Comentários |
| 99-6241 | Compressor estreito | 50,8 mm alumínio | Espaçamento de 0,5 cm, de série |
| 88-6790 | Compressor largo | 50,8 mm alumínio | Maior penetração, espaçamento de 1,09 cm |
| 104-2642 | Cilindro de pisoamento | 50,8 mm aço | Penetração mínima |
| 71-1550 | Rolo Wiehle | 50,8 mm ferro fundido | Maior penetração, espaçamento de 1,09 cm |
| 93-9045 | Rolo Wiehle | 63,5 mm alumínio | 61 cm largura para suporte de extremidade |
| 52-3590 | Rolo Swaged | 63,5 mm alumínio |
| Modelo | De série | Kit de engate 65-9000 | Kit de tração Kit 115-1886 | Kits de engate e tração | ||||||||
| Cilindro de série | Cilindro opcional | Cilindro de série | Cilindro opcional | Cilindro de série | Cilindro opcional | Cilindro de série | Cilindro opcional | |||||
| 04810 | 11 lâminas 4,1 mm | 14 lâminas 3,3 mm | 8 lâminas 5,8 mm | 11 lâminas 6,4 mm | 14 lâminas 4,8 mm | 8 lâminas 8,6 mm | 11 lâminas 3,8 mm | 14 lâminas 3,0 mm | 8 lâminas 5,1 mm | 11 lâminas 5,6 mm | 14 lâminas 4,3 mm | 8 lâminas 7,6 mm |
| Velocidade | 5,39 km/h | 4,80 km/h | ||||||||||
| Intervalo de assistência | Procedimento de manutenção |
|---|---|
| Em todas as utilizações ou diariamente |
|
A máquina poderá arrancar inesperadamente se os interruptores de segurança se encontrarem desligados ou danificados e provocar lesões pessoais.
Não modifique os interruptores de segurança.
Verifique o funcionamento dos interruptores diariamente e substitua todos os interruptores danificados antes de utilizar a máquina.
Empurre o apoio para baixo com o pé e puxe o manípulo para cima e para trás para elevar as rodas do chão.
Coloque a alavanca de tração na posição ENGATAR e os controlos do motor na posição de arranque.
Tente pôr o motor a funcionar.
O motor não deverá arrancar. Se o motor arrancar, terá que inspecionar o interruptor de segurança. Corrija o problema antes da utilização da máquina. Consulte Manutenção do interruptor de segurança da tração
Levante cuidadosamente o manípulo para libertar o apoio.
Utilize as rodas de transporte para transportar a máquina uma distância mais curta.
Instale as rodas de transporte; consulte Instalação das rodas de transporte
Certifique-se de que as alavancas de tração e da transmissão do cilindro se encontram na posição PONTO MORTO.
Arranque o motor; consulte Ligação do motor
Coloque a alavanca do acelerador na posição LENTO, incline a dianteira da máquina, engate gradualmente a transmissão da tração e aumente lentamente a velocidade do motor.
Ajuste o acelerador para utilizar o cortador à velocidade desejada e transporte a máquina até ao local de destino.
Utilize um reboque para transportar a máquina uma distância considerável. Tenha cuidado durante a carga e descarga da máquina do reboque.
Conduza cuidadosamente a máquina para o reboque.
Desligue o motor, engate o travão de mão e coloque a válvula de combustível na posição DESLIGAR.
Utilize uma rampa de largura total para carregar a máquina num reboque ou camião.
Aperte de forma segura a máquina no reboque.
Note: Pode utilizar o reboque Toro Trans Pro para transportar a máquina. Para obter instruções sobre como carregar o reboque, consulte o Manual do utilizador do reboque.
Important: Não ponha o motor a trabalhar enquanto está a transportar a unidade num reboque pois pode danificar a máquina.
Volte a colocar a alavanca de controlo da tração na posição PONTO MORTO, o acelerador na posição LENTO e desligue o motor.
Empurre o apoio para baixo com o pé e puxe o manípulo para cima até que o apoio tenha rodado para a frente, em direção ao centro.
Remova as rodas de transporte empurrando os clipes de bloqueio da roda para fora das ranhuras do veio hexagonal.
Cuidadosamente baixe a máquina do apoio empurrando lentamente para a frente ou levantando o apoio da pega central inferior, permitindo ao apoio de voltar para a sua posição de ARMAZENAMENTO.
Utilize a alavanca do ar para ajudar no arranque de um motor frio. Desloque a alavanca para a posição AR quando arrancar o motor a frio. Depois de o motor arrancar, desloque a alavanca para a posição FUNCIONAMENTO.

Controle o fluxo de combustível para o motor com a válvula de corte de combustível da seguinte forma:
Para abrir a válvula de combustível, rode a alavanca da válvula de corte de combustível na direção do manípulo do arranque manual com cordão (Figura 19).
Para fechar a válvula de combustível, rode a alavanca da válvula de corte de combustível afastando-o do manípulo do arranque manual com cordão (Figura 19).

O proprietário/utilizador pode evitar e é responsável por acidentes que possam causar ferimentos a pessoas ou danos a propriedades.
Utilize vestuário adequado, incluindo proteção visual, calças compridas, calçado resistente antiderrapante e proteções para os ouvidos. Prenda cabelo comprido e não utilize vestuário solto ou joias pendentes.
Não utilize a máquina quando estiver doente, cansado ou se encontrar sob o efeito de álcool ou drogas.
Tenha total atenção durante a utilização da máquina. Não exerça qualquer atividade que provoque distração; caso contrário podem ocorrer ferimentos ou danos materiais.
Antes de ligar a máquina, certifique-se de que as transmissões estão em Ponto morto, o travão de estacionamento está engatado e coloque-se na posição de operação.
Mantenha as pessoas e as crianças pequenas afastadas da área de operação. Se estiverem presentes outros trabalhadores, tenha cuidado e certifique-se de que o cesto da relva está instalado na máquina.
Utilize a máquina apenas quando tiver boa visibilidade para evitar buracos e outros perigos não visíveis.
Nunca opere a máquina quando existir a possibilidade de trovoadas.
Evite cortar relva molhada. A má colocação dos pés pode provocar um acidente por escorregar e cair.
Mantenha as mãos e os pés afastados da unidade de corte.
Antes de recuar, olhe para trás e para baixo de modo a evitar acidentes.
Tome todas as precauções necessárias quando se aproximar de esquinas sem visibilidade, arbustos, árvores ou outros objetos que possam obstruir o seu campo de visão.
Pare a unidade de corte sempre que não estiver a cortar.
Desengate a transmissão da unidade de corte e desligue o motor antes de ajustar a altura de corte.
Nunca ligue o motor numa área onde os gases de escape fiquem presos.
Nunca deixe a máquina a trabalhar sem vigilância.
Antes de sair da posição de operador, faça o seguinte:
Coloque a máquina numa superfície nivelada.
Desengate a unidade de corte.
Engate o travão de estacionamento.
Desligue a máquina e retire a chave (se equipada).
Aguarde que todo o movimento pare.
Desligue a máquina antes de despejar o cesto.
Não toque no motor, panela de escape ou tubo de escape quando o motor se encontrar em funcionamento, ou imediatamente a seguir de o ter parado, porque são áreas que se encontram bastante quentes, podendo provocar queimaduras.
Desligue a máquina e desengate a transmissão da unidade de corte nas seguintes situações:
antes de atestar
antes de limpar bloqueios
antes de retirar o cesto de relva
antes de verificar, limpar ou fazer a manutenção da unidade de corte
após embater num objeto estranho ou em caso de vibrações anormais. Inspecione a unidade de corte a fim de encontrar danos e poder fazer as respetivas reparações antes de ligar e operar a máquina
antes de sair da posição de operação.
Utilize apenas acessórios e engates aprovados pela The Toro® Company.
Os declives são um importante fator relacionado com acidentes com perda de controlo e capotamento, o que pode resultar em ferimentos graves ou morte. Você é responsável pelo funcionamento seguro em declives. Operar a máquina em qualquer declive exige cuidado adicional. Antes de utilizar a máquina num declive, faça o seguinte:
Leia e compreenda as instruções relativas a declives no manual e na máquina.
Avalie as condições no local no próprio dia para determinar se o declive é seguro para o funcionamento da máquina. Utilize o bom senso e capacidade crítica ao efetuar esta avaliação. Alterações no terreno, como humidade, podem afetar rapidamente o funcionamento da máquina num declive.
Opere atravessando os declives, nunca para cima e para baixo. Evite a operação em declives muito inclinados ou molhados. A má colocação dos pés pode provocar um acidente por escorregar e cair.
Identifique perigos na base do declive. Não opere a máquina perto de depressões, valas, diques, água ou outros perigos. A máquina poderá capotar repentinamente, se uma roda resvalar ou se o piso ceder. Mantenha uma distância segura entre a máquina e qualquer risco. Utilize uma ferramenta manual para operar nestas áreas.
Evite arrancar, parar ou virar a máquina em declives. Evite alterações súbitas na velocidade ou direção; vire lenta e gradualmente.
Não utilize a máquina em condições nas quais a tração, a viragem ou a estabilidade possam ser postas em causa. Esteja atento ao funcionamento da máquina em relva molhada, ao atravessar declives ou a descer – a máquina poderá perder tração. A perda de tração das rodas dianteiras pode resultar em derrapagem e perda de capacidade de travagem e de controlo da direção. A máquina pode deslizar, mesmo que as rodas dianteiras estejam paradas.
Remova ou assinale obstáculos como valas, buracos, sulcos, lombas, pedras ou outros perigos escondidos. A relva alta pode esconder diversos obstáculos. O terreno irregular pode fazer capotar a máquina.
Se perder o controlo da máquina, saia e afaste-se da direção de deslocação da máquina.
Tenha sempre a máquina engatada quando descer terrenos inclinados. Não desça com o motor desligado (aplicável apenas a unidades com transmissão).
Note: Para obter ilustrações e descrições dos controlos indicados nesta secção, consulte Comandos.
Note: Assegure-se de que o fio da vela está instalado na vela.
Certifique-se de que as alavancas da tração e da transmissão do cilindro se encontram na posição DESENGATADA.
Note: O motor não entrará em funcionamento se a alavanca de tração se encontrar na posição ENGATAR.
Certifique-se de que a válvula de corte de combustível está aberta.
Desloque o interruptor Ligar/Desligar para a posição LIGAR.
Desloque a alavanca do acelerador para a posição RáPIDO.
Desloque a alavanca do ar para a posição intermédia entre AR e FUNCIONAMENTO quando arrancar o motor a frio.
Note: O ar pode não ser necessário quando arrancar o motor a quente.
Puxe o manípulo do arranque manual até que se dê o engate e, em seguida, puxe-o vigorosamente para ligar o motor.
Important: Não puxe o cabo de retrocesso até ao seu limite nem liberte o manípulo do arrancador quando puxar o cabo porque pode provocar a rutura do cabo ou danificar a estrutura de retrocesso.
Mova a alavanca do ar para a posição FUNCIONAMENTO enquanto o motor aquece.
Desloque os controlos da tração e transmissão do cilindro para a posição DESENGATADA.
Desloque a alavanca do acelerador para a posição LENTO.
Desloque o interruptor Ligar/Desligar para a posição DESLIGAR.
Feche a válvula de corte de combustível antes de guardar ou transportar a máquina
Important: As aparas de relva funcionam como um lubrificante durante a deslocação. O uso excessivo da unidade de corte na ausência de aparas de relva poderá danificar a unidade corte.
Corte o relvado numa direção a direito para a frente e para trás, em todo o relvado.
Evite cortar em círculos ou virar a máquina em cima da relva, para evitar levantar a turfa.
Retire a máquina do relvado, levantando o cilindro de corte (empurre o manípulo para baixo) e ligando o tambor de tração.
Corte a um ritmo de andamento normal. Uma velocidade elevada poupa muito pouco tempo e dará origem a uma qualidade de corte muito inferior.
Para lhe permitir cortar em linha reta ao longo do relvado, e manter máquina à mesma distância da extremidade do corte anterior, use as tiras de alinhamento existentes no cesto (Figura 20).

Utilize o kit de luzes LED quando operar a máquina em fracas condições de iluminação; contacte o distribuidor autorizado Toro.
Important: Não utilize outros sistemas de luzes com esta máquina, uma vez que não funcionarão corretamente com a saída CA do motor.
O uso apropriado dá máquina proporciona o corte de relva com a maior precisão possível. Consulte também as Conselhos de utilização para obter sugestões fundamentais para obter o máximo rendimento da máquina.
Important: O uso excessivo da unidade de corte na ausência de aparas de relva (lubrificante) poderá danificar a unidade corte.
Ligue o motor, coloque o acelerador a uma velocidade reduzida, empurre o manípulo para levantar a unidade de corte, desloque a alavanca de tração para a posição ENGATAR e leve a máquina até uma ponta do relvado.
Mova a alavanca de tração para a posição DESENGATAR e mova a alavanca de transmissão do cilindro para a posição ENGATAR.
Desloque a alavanca de tração para a posição ENGATAR, aumente a velocidade até que a máquina se movimente à velocidade desejada, conduza a máquina para o relvado, desça a dianteira da máquina e comece a operação.
Quando acabar de cortar, saia do relvado, mova a alavanca de controlo de tração para a posição DESENGATAR, desligue o motor e empurre a alavanca de transmissão do cilindro para a posição DESENGATAR.
Despeje as aparas do cesto, volte a colocar o cesto, e comece o transporte da máquina.
Saia do relvado, desloque as alavancas de controlo da transmissão do cilindro e da tração para a posição DESENGATADA e pare o motor.
Despeje as aparas do cesto, volte a colocar o cesto no cortador e transporte a máquina para o armazenamento.
Desligue o motor, retire a chave (se equipada) e aguarde que todas as partes em movimento parem antes de sair da posição do operador. Deixe a máquina arrefecer antes de fazer ajustes, manutenção, limpeza ou a armazenar.
Elimine todos os vestígios de relva e detritos da máquina de modo a evitar qualquer risco de incêndio. Limpe as zonas que tenham óleo ou combustível derramado.
Espere que a máquina arrefeça antes de armazenar a máquina em ambiente fechado.
Não guarde a máquina ou o recipiente de combustível num local onde existe uma fonte de fogo, faísca ou luz piloto, como em cima de uma caldeira ou de outros eletrodomésticos.
Reduza a configuração do acelerador antes de desligar o motor e desligue a válvula de corte do combustível (se equipada) depois do corte.
Depois do corte, transporte a máquina afastando-a do local de trabalho; consulte Transporte da máquina utilizando rodas de transporte ou Transporte da máquina utilizando um reboque.
Não efetuar a manutenção adequada da máquina pode resultar em falha prematura dos sistemas da máquina, causando possíveis danos a si ou a quem estiver por perto.
Mantenha a máquina com uma boa manutenção e em bom funcionamento, conforme indicado nestas instruções.
Note: Determine os lados direito e esquerdo da máquina a partir da posição normal de utilização.
Important: Não incline a máquina mais de 25°. Inclinação da máquina mais de 25° leva a fuga de óleo para a câmara de combustão e/ou fuga de combustível pelo tampão do depósito de combustível.
Important: Para procedimentos de manutenção adicionais, consulte o Manual do proprietário do motor.
Antes de sair da posição de operador, faça o seguinte:
Coloque a máquina numa superfície nivelada.
Mova o acelerador para a posição de ralenti baixo.
Desengate a(s) unidade(s) de corte.
Certifique-se de que a tração está em Ponto morto.
Engate o travão de estacionamento.
Desligue a máquina e retire a chave (se equipada).
Aguarde que todo o movimento pare.
Deixe os componentes da máquina arrefecerem antes de proceder à manutenção.
Se possível, não faça manutenção com a máquina em funcionamento. Mantenha-se longe das peças móveis.
Se for necessário colocar o motor em funcionamento para executar qualquer ajuste, deverá manter as mãos, pés, roupa e outras partes do corpo longe da unidade de corte, acessórios e quaisquer peças em movimento. Mantenha as pessoas afastadas.
Elimine todos os vestígios de relva e detritos da unidade de corte, transmissão, abafador, filtro de refrigeração e motor, de modo a evitar qualquer risco de incêndio. Limpe as zonas que tenham óleo ou combustível derramado.
Mantenha todas as peças em boas condições de funcionamento. Substitua todos os autocolantes e peças gastos, danificados ou em falta. Mantenha todas as ferragens firmemente apertados para se assegurar de que a máquina funcionará em perfeitas condições.
Verifique frequentemente os componentes do recetor de relva e substitua quando necessário.
Para assegurar um desempenho ótimo e seguro da máquina, utilize apenas peças sobressalentes originais Toro. As peças de substituição de outros fabricantes podem ser perigosas e a sua utilização pode anular a garantia do produto.
Se for necessário efetuar reparações de vulto ou se alguma vez necessitar de assistência, contacte um distribuidor Toro autorizado.
| Intervalo de assistência | Procedimento de manutenção |
|---|---|
| Após as pimeiras 20 horas |
|
| Em todas as utilizações ou diariamente |
|
| A cada 25 horas |
|
| A cada 50 horas |
|
| A cada 100 horas |
|
| A cada 300 horas |
|
| A cada 1000 horas |
|
Important: Copie esta página para uma utilização de rotina.
| Verificações de manutenção | Para a semana de: | ||||||
|---|---|---|---|---|---|---|---|
| 2ª f. | 3ª f. | 4ª f. | 5ª f. | 6ª f. | Sáb. | Dom. | |
| Verifique o funcionamento dos interruptores de segurança. | |||||||
| Verifique o funcionamento do travão de estacionamento. | |||||||
| Verifique o nível de combustível. | |||||||
| Verificação do nível de óleo do motor. | |||||||
| Verifique o filtro de ar. | |||||||
| Verifique as aletas de arrefecimento do motor. | |||||||
| Verifique todos os ruídos estranhos no motor. | |||||||
| Verifique todos os ruídos estranhos de funcionamento. | |||||||
| Verifique o ajuste do cilindro à lâmina de corte. | |||||||
| Verifique o ajuste da altura do corte. | |||||||
| Lubrifique todas as uniões. | |||||||
| Retoque a pintura danificada. | |||||||
| Inspeção executada por: | ||
| Item | Data | Informação |
Quando está a fazer a manutenção ou ajuste da máquina, alguém pode ligar o motor. O arranque inicial do motor poderia causar ferimentos graves a si ou outras pessoas na área.
Desligue o motor, engate o travão de estacionamento e retire os fios das velas antes de efetuar qualquer manutenção. Adicionalmente, empurre os fios para o lado para que não entrem em contacto acidental com a(s) vela(s).
Antes de fazer manutenção, limpeza ou qualquer ajuste na máquina, realize o seguinte:
Coloque a máquina numa superfície nivelada.
Desligue o motor e retire a chave da máquina (se equipada).
Engate o travão de estacionamento.
Espere que todas as peças em movimento parem, deixe arrefecer o motor antes de realizar assistência, guardar ou fazer reparações.
Desligue o fio da vela de ignição (Figura 21).

| Intervalo de assistência | Procedimento de manutenção |
|---|---|
| A cada 25 horas |
|
Lubrifique os 12 bocais de lubrificação no cortador usando massa de lítio n.º2 para utilizações gerais. Para melhores resultados, utilize uma pistola de lubrificação manual.
As localizações dos bocais de lubrificação são as seguintes:
2 no rolo da frente (Figura 22)
2 nos rolamentos do cilindro (Figura 22)
2 nos eixos do tambor (Figura 23)
3 no diferencial (Figura 23)
2 nos rolamentos do contraeixo do cilindro (Figura 24)
1 nos apoios da correia (Figura 25).
Limpe cada bocal de lubrificação com um trapo limpo.
Bombeie lubrificante em cada bocal.
Important: Não aplique demasiada pressão ou os vedantes de lubrificação ficarão permanentemente danificados.
Limpe a massa lubrificante em excesso.




Não altere os valores do acelerador nem acelere o motor excessivamente.
Ponha o motor a funcionar até se gastar o combustível ou remova o combustível com uma bomba manual; nunca com um sifão. Se tiver de drenar o depósito de combustível, faça-o no exterior.
Encha o cárter com aproximadamente 0,56 litros de óleo com a viscosidade adequada antes da utilização. O motor utiliza um óleo de alta qualidade, correspondente à classificação de serviço do American Petroleum Institute (API) SJ ou superior. Selecione a viscosidade do óleo adequada (peso) com base na temperatura ambiente. Figura 26 ilustra as recomendações de temperatura/viscosidade.

Note: Óleos multigraduados (5W-20, 10W-30 e 10W-40) aumentam o consumo de óleo. Verifique o nível de óleo do motor com maior frequência quando utilizar estes óleos.
| Intervalo de assistência | Procedimento de manutenção |
|---|---|
| Em todas as utilizações ou diariamente |
|
A altura ideal para verificar o nível de óleo do motor será quando o motor estiver frio ou antes de ligar o motor para iniciar o dia de trabalho. Se já tiver ligado o motor, espere 10 minutos até o óleo voltar para o reservatório antes de verificar o nível de óleo do motor.
Desligue o motor e espere que todas as peças em movimento parem; consulte Preparação da máquina para a manutenção.
Coloque a máquina de maneira a que o motor esteja nivelado e limpe a área à volta do tubo de enchimento de óleo (Figura 27).

Retire a vareta de nível do óleo, rodando-a no sentido contrário ao dos ponteiros do relógio.
Retire a vareta do óleo e limpe a extremidade.
Insira a vareta totalmente no tubo de enchimento, mas não a enrosque.
Retire a vareta e verifique o nível de óleo do motor (Figura 28).

Se o nível do óleo do motor estiver incorreto, adicione ou drene óleo até ao nível correto; consulte Substituição do óleo do motor.
| Intervalo de assistência | Procedimento de manutenção |
|---|---|
| Após as pimeiras 20 horas |
|
| A cada 100 horas |
|
O óleo pode estar quente depois de o motor estar a trabalhar e o contacto com o óleo quente pode causar ferimentos graves.
Evite o contacto dom o óleo quente do motor quando o drenar.
Desligue o motor e espere que todas as peças em movimento parem; consulte Preparação da máquina para a manutenção.
Coloque um recipiente por baixo do tampão de escoamento para recolher o óleo.
Retire o tampão de escoamento, anilha e vareta (Figura 27).
Posicione o motor de forma a que o óleo drene do motor.
Quando o óleo tiver drenado completamente, mova o motor para uma posição nivelada e instale o tampão de drenagem e uma nova anilha.
Note: Deverá eliminar o óleo usado num centro de reciclagem certificado.
Lentamente, despeje óleo no orifício de enchimento de óleo até o óleo estar no nível correto.
Certifique-se de que o óleo está no nível correto na vareta; consulte Verificação do nível de óleo do motor.
Enrosque a vareta no orifício de enchimento de óleo.
Remova todo o óleo derramado.
Ligue o fio à vela de ignição.
| Intervalo de assistência | Procedimento de manutenção |
|---|---|
| Em todas as utilizações ou diariamente |
|
| A cada 50 horas |
|
| A cada 300 horas |
|
Important: Não opere o motor sem a montagem do filtro de ar; ocorrerão danos graves no motor.
Desligue o motor e espere que todas as peças em movimento parem; consulte Preparação da máquina para a manutenção.
Retire a porca de orelhas que prende a cobertura do filtro de ar (Figura 29).
Retire a cobertura do filtro de ar.
Note: Certifique-se de que não cai sujidade nem detritos da cobertura do filtro de ar na base.
Retire os elementos de esponja e de papel da base.
Retire o elemento de esponja do elemento de papel.
Inspecione os elementos de esponja e de papel; substitua-os se estiverem danificados ou excessivamente sujos.

Limpe o elemento de papel batendo-o delicadamente para retirar a sujidade.
Note: Não tente esfregar a sujidade do elemento de papel; esfregar força a sujidade a entrar nas fibras. Substitua o elemento se ao bater não retirar a sujidade.
Limpe o elemento de esponja com água morna e detergente ou num solvente não inflamável.
Note: Não utilize gasolina para limpar o elemento de esponja porque pode constituir risco de incêndio ou explosão.
Lave e seque bem o elemento de esponja.
Limpe a sujidade da base e da cobertura com um pano húmido.
Note: Certifique-se de que a sujidade e os detritos não entram no tubo de ventilação que conduz ao carburador.
Instale os elementos do filtro de ar e certifique-se de que estão devidamente posicionados. Instale a porca de orelhas inferior.
Instale a cobertura e a porca de orelhas superior para a fixar.
| Intervalo de assistência | Procedimento de manutenção |
|---|---|
| A cada 100 horas |
|
| A cada 300 horas |
|
Utilize uma vela NGK BPR6ES ou equivalente.
Desligue o motor e espere que todas as peças em movimento parem; consulte Preparação da máquina para a manutenção.
Limpe em torno da vela.
Retire a vela da cabeça do cilindro.
Important: Substitua a vela que se encontrar partida, reparada ou suja. Não lixe, raspe ou limpe os elétrodos, uma vez que tal poderá provocar danos no motor devido à entrada de limalhas no cilindro.
Defina a folga na vela para 0,7 a 0,8 mm

Coloque a vela com cuidado à mão (para evitar rosca cruzada) até apertar.
Aperte a vela com mais ½ volta se for nova; caso contrário, aperte mais ⅛ ou ¼ de volta.
Important: Uma vela solta pode aquecer muito e danificar o motor. Se apertar a vela demasiado, poderá danificar a rosca na cabeça do cilindro.
Ligue o fio à vela de ignição.
Siga o procedimento seguinte se o interruptor de segurança de tração tiver de ser ajustado ou substituído.
Certifique-se de que o motor está desligado e que a alavanca de tração está desengatada e colocada na paragem em ponto morto (Figura 31).

Desaperte as juntas de montagem do interruptor de segurança (Figura 31).
Coloque uma cunha de 0,8 mm entre a alavanca de tração e o interruptor de segurança (Figura 31).
Aperte os dispositivos de fixação do interruptor de segurança e verifique novamente a folga.
Note: A alavanca de tração não deverá entre em contacto com o interruptor.
Ative a alavanca de tração e comprove se o interruptor perde continuidade.
Note: Substitua o interruptor, se necessário.
Se o travão de serviço/mão derrapar durante o funcionamento, ajuste-o.
Engate o travão de serviço, empurre o manípulo do travão de mão e permita que o travão de serviço apoie no pino do travão de mão (Figura 32).

Utilizando uma balança de mola, pressione para trás na alavanca do travão de serviço (Figura 33). O travão de estacionamento deve libertar-se quando se atinge uma força de 13,5 a 18 kg. Se o travão de estacionamento se libertar antes de atingir 13,5 a 18 kg de força, é necessário um ajuste do cabo do travão.

Desaperte a fixação que prende a cobertura da correia em V e incline a abertura da cobertura (Figura 34).

Para ajustar a tensão do cabo do travão proceda com se indica a seguir:
Para diminuir a tensão do cabo, desaperte a porca frontal do cabo e aperte a porca traseira (Figura 35). Repita os passos 1 e 2 e ajuste a tensão, se necessário.
Para aumentar a tensão do cabo, aperte a porca frontal do cabo e desaperte a porca traseira (Figura 35). Repita os passos 1 e 2 e ajuste a tensão, se necessário.
Note: Pode ajustar o cabo nos suportes da porca de retenção através do painel de controlo ou no suporte na base do motor.

Feche a cobertura e prenda a fixação.
Certifique-se de que as correias possuem uma tensão correta, de modo a garantir o funcionamento correto da máquina e evitar qualquer desgaste desnecessário. Verifique as correias com frequência.
Retire a cobertura dos parafusos de montagem da correia e a cobertura da correia (Figura 36).

Verifique a tensão pressionando a correia a meio curso entre as polias (Figura 37) com uma força de 18 a 22 N. A correia deverá fletir-se 6 mm.

Realize os seguintes passos para ajustar a tensão da correia:
Desaperte a porca de montagem da polia intermédia e incline-a para o lado de trás da correia até que obtenha a tensão desejada da correia (Figura 37).
Important: Não aperte demasiado a correia.
Aperte a porca para bloquear o ajuste.
Instale a cobertura da correia colocando-a no local.
Mantendo uma ligeira folga entre o vedante da cobertura e a placa lateral, instale cada parafuso de montagem até que as roscas engatem na inserção.
Note: A folga permite o alinhamento dos parafusos nas inserções roscadas.
Depois de os parafusos estarem instalados, aperte-os até que as partes salientes no interior da cobertura entrem em contacto com a placa lateral.
Note: Não aperte demasiado os parafusos.
Retire a cobertura dos parafusos de montagem da correia e a cobertura da correia (Figura 38).

Verifique a tensão pressionando a correia a meio curso entre as polias (Figura 39) com uma força de 18 a 22 N.
Note: A correia deverá fletir-se 6 mm.

Realize o seguinte procedimento para ajustar a tensão da correia:
Desaperte a porca de montagem da polia intermédia e incline-a para o lado de trás da correia até que obtenha a tensão desejada da correia (Figura 39).
Important: Não aperte demasiado a correia.
Aperte a porca para bloquear o ajuste.
Instale a cobertura da correia colocando-a no local.
Mantendo uma ligeira folga entre o vedante da cobertura e a placa lateral, instale cada parafuso de montagem até que as roscas engatem na inserção.
Note: A folga permite o alinhamento dos parafusos nas inserções roscadas.
Depois de os parafusos estarem instalados, aperte-os até que as partes salientes no interior da cobertura entrem em contacto com a placa lateral.
Note: Não aperte demasiado os parafusos.
Retire os parafusos que prendem as secções frontais e traseiras da cobertura do diferencial à estrutura do diferencial e deslize a cobertura para fora para expor a correia.
Verifique a tensão pressionando a correia a meio curso entre as polias (Figura 40) com uma força de 22 a 26 N.
Note: A correia deverá fletir-se 6 mm.

Realize o seguinte procedimento para ajustar a tensão da correia:
Desaperte a porca de montagem da polia intermédia e incline-a para o lado de trás da correia até que obtenha a tensão desejada da correia (Figura 40).
Important: Não aperte demasiado a correia.
Aperte a porca para bloquear o ajuste.
Instale a cobertura da correia colocando-a no local.
Mantendo uma ligeira folga entre o vedante da cobertura e a placa lateral, instale cada parafuso de montagem até que as roscas engatem na inserção. A folga permite o alinhamento dos parafusos nas inserções roscadas.
Depois de os parafusos estarem instalados, aperte-os até que as partes salientes no interior da cobertura entrem em contacto com a placa lateral. Não aperte demasiado os parafusos.
Para ajustar a tensão da correia nas correias em V principais, verifique primeiro o ajuste do controlo da tração; consulte Ajuste do controlo da tração.
Se as correias patinarem depois de ajustar o controlo de tração, passe para o passo seguinte.
Desaperte a fixação que prende a cobertura da correia em V e incline a abertura da cobertura (Figura 41).

Para aumentar a tensão da correia, desaperte os parafusos de montagem do motor e mova o motor para trás nas ranhuras.
Important: Não aperte demasiado a correia.
Aperte as porcas de montagem.
Note: A distância entre o centro da polia motora e o centro da polia conduzida deve ser de aproximadamente 12.7 cm após a instalação das correias em V.
Após tensionar as correias em V principais, verifique o alinhamento da polia do eixo exterior do motor e a polia do contraeixo com um ângulo reto.
Se as polias estiverem desalinhadas, desaperte os parafusos que prendem a base de montagem do motor ao chassis da máquina e deslize o motor de um lado para o outro até que as polias fiquem alinhadas a 0,7 mm.
Aperte os parafusos de montagem e verifique o alinhamento.
Para empurrar ou puxar mais facilmente a máquina sem ligar o motor, ajuste o guia da correia (Figura 42, em destaque) da seguinte forma:
Engate a embraiagem.
Desaperte a porca de bloqueio que prende a polia intermédia e guia da correia ao braço intermédio.
Rode o guia da correia no sentido horário até alcançar uma folga de aproximadamente 1,5 mm entre o dedo guia e a parte posterior das correias da transmissão.
Aperte a porca de bloqueio que prende a polia intermédia e guia da correia ao braço intermédio.

Feche a cobertura e prenda a fixação.
Retire os parafusos que prendem as coberturas da correia da transmissão da tração e cilindro à placa lateral direita e remova as coberturas da correia.
Desaperte a porca de montagem da polia intermédia, em cada polia intermédia, e incline cada polia intermédia no sentido anti-horário afastando da parte posterior de cada correia para libertar a tensão da correia.
Retire as correias.
Retire os parafusos que prendem as secções frontais e traseiras da cobertura do diferencial à estrutura do diferencial e deslize a cobertura para fora para expor a correia (Figura 43).

Desaperte a porca de montagem da polia da polia intermédia do diferencial e incline cada polia intermédia no sentido anti-horário afastando da parte posterior de cada correia para libertar a tensão da correia.
Retire os 2 parafusos e porcas que prendem a estrutura da embraiagem frontal à placa lateral (Figura 43).
Rode a estrutura 180° para que a parte inferior da estrutura fique virada para cima.
Retire os 2 parafusos e porcas que prendem a estrutura da embraiagem direita traseira à placa lateral (Figura 43).
Rode a estrutura 180° para que a parte inferior da estrutura fique virada para cima.
Retire a correia antiga.
Deslize a nova correia sobre as coberturas da estrutura rodada, as diferentes secções da cobertura do diferencial, para as polias do diferencial.
Assegure-se de que a polia intermédia está posicionada contra a parte posterior da correia.
Rode ambas as estruturas para a posição vertical e prenda-as à placa lateral com os parafusos e porcas previamente removidos.
Ajuste a tensão da correia do diferencial; consulte a Ajuste da correia do diferencial.
Ajuste a tensão da correia na transmissão da tração e correias de transmissão dos cilindros; consulte a Ajuste da correia da transmissão da tração e a Ajuste da correia do cilindro.
Instale o diferencial, transmissão da tração e coberturas da transmissão do cilindro.
Siga estes passos para remover a folga do controlo de tração:
Desloque o controlo da tração para a posição DESENGATAR.
Desaperte a fixação que prende a cobertura da correia em V e incline a abertura da cobertura (Figura 41).
Para remover a folga do controlo de tração, desaperte a porca de retenção do cabo dianteira e aperte a porca de retenção do cabo traseira (Figura 44) até que seja removida toda a folga.

Aperte a porca de retenção do cabo dianteira.
Feche a cobertura e prenda a fixação.
Verifique o funcionamento do controlo de tração.
Tome todas as precauções necessárias quando efetuar a verificação do cilindro da unidade de corte. Use luvas e tenha cuidado durante a sua manutenção.
Uma lâmina ou lâmina de corte desgastada ou danificada pode partir-se, podendo levar à projeção de um fragmento contra o utilizador ou alguém que esteja por perto e provocar lesões graves ou até mesmo a morte.
Inspecione periodicamente se as lâminas e as lâminas de corte apresentam sinais de desgaste excessivo ou danos.
Tenha cuidado quando verificar as lâminas. Use luvas e tenha cuidado durante a sua manutenção. Substitua ou retifique as lâminas ou lâminas de corte, não as endireite nem solde.
Estacione a máquina numa superfície plana e nivelada, preferencialmente numa placa de aço para trabalhos de precisão.
Coloque uma tira de aço plana de 0,6 x 2,5 cm, aproximadamente com 73,6 cm de comprimento, sob as lâminas do cilindro e contra a extremidade frontal da lâmina de corte para evitar que a barra de apoio assente na superfície de trabalho.
Eleve o rolo da frente de forma a que apenas o tambor traseiro e cilindro estejam na superfície.
Pressione firmemente a máquina para baixo acima do cilindro de forma a que todas as lâminas do cilindro entrem em contacto dom a tira de aço.
Pressionando o cilindro, deslize um calibrador sob uma extremidade do tambor e, em seguida, verifique a outra extremidade do tambor.
Note: Se houver uma folga entre o tambor e a superfície de trabalho superior a 0,25 mm em qualquer dos lados, ajuste o tambor (passe para o passo 6). Se a folga for inferior a 0,25 mm, não é necessário qualquer ajuste.
Retire a cobertura traseira da correia do lado direito da máquina (Figura 45).

Rode a polia conduzida até que os furos fiquem alinhados com os 4 parafusos flangeados dos rolamentos do rolo (Figura 46).

Desaperte os 4 parafusos flangeados dos rolamentos do rolo e o parafuso que prende a polia intermédia.
Eleve ou baixe o lado direito da montagem do rolo até que a folga seja inferior a 0,25 mm.
Aperte os parafusos dos rolamentos do rolo.
Ajuste a tensão da correia e aperte o parafuso de montagem da polia intermédia (Figura 46).
Ajuste a lâmina ao cilindro após a amolação, retificação ou desmontagem da unidade de corte. Este procedimento não se destina a ajuste diário.
Estacione a máquina numa superfície de trabalho plana e nivelada.
Incline a máquina para trás sobre o manípulo para expor a lâmina e cilindro.
Important: Não incline a máquina mais de 25°. Inclinação da máquina mais de 25° leva a fuga de óleo para a câmara de combustão e/ou fuga de combustível pelo tampão do depósito de combustível.
Rode o cilindro de forma a que a lâmina cruze a extremidade da lâmina de corte entre a primeira e segunda cabeça dos parafusos do lado direito da unidade de corte (Figura 47).

Rode o cilindro de forma a que a lâmina cruze a extremidade da lâmina de corte entre a primeira e segunda cabeça dos parafusos do lado direito da unidade de corte.
Insira o calço de 0,05 mm entre a lâmina marcada e a extremidade da lâmina de corte no ponto em que a lâmina marcada cruza a extremidade da lâmina de corte.
Rode o parafuso de ajuste da barra de apoio direita até sentir uma ligeira pressão (ou seja, arrastamento) no calço deslizando-o de um lado para o outro (Figura 47).
Retire o calço.
Para o lado esquerdo da unidade de corte, rode lentamente o cilindro de forma a que a lâmina mais próxima cruze a extremidade da lâmina de corte entre a primeira e segunda cabeça dos parafusos.
Repita os passos 4 a 7 para o lado esquerdo da unidade de corte e parafuso de ajuste da barra de apoio do lado esquerdo.
Repita os passos 5 a 7 até sentir um ligeiro arrastamento nos lados direito e esquerdo da unidade de corte utilizando os mesmos pontos de contacto.
Para obter o ligeiro contacto entre a lâmina de corte e o cilindro, rode cada parafuso de ajuste da barra de apoio no sentido dos ponteiros do relógio 3 cliques.
Note: Com cada clique rodado do parafuso de ajuste da barra de apoio, a lâmina de corte desloca-se 0,018 mm. A rotação no sentido dos ponteiros do relógio move a lâmina de corte para mais perto do cilindro e a rotação no sentido contrário ao dos ponteiros do relógio afasta a lâmina do cilindro.
Teste o desempenho de corte inserindo uma fita comprida de desempenho de corte entre o cilindro e a lâmina de corte, perpendicular à lâmina (Figura 48). Lentamente rode o cilindro para a frente; deve cortar o papel.

Note: Se for evidente contacto/arrasto excessivos será necessário retificar, facear a ponta da lâmina de corte ou polir a unidade de corte para obter pontas afiadas, imprescindíveis para um corte de precisão.
Verifique se o rolo dianteiro se encontra nivelado e se o contacto entre a lâmina e o cilindro é o correto. Incline a máquina para trás sobre o manípulo para expor os rolos da frente e de trás e a lâmina de corte.
Important: Não incline a máquina mais de 25°. Inclinação da máquina mais de 25° leva a fuga de óleo para a câmara de combustão e/ou fuga de combustível pelo tampão do depósito de combustível.
Desaperte as porcas de bloqueio que prendem os braços da altura de corte aos suportes da altura de corte (Figura 49).

Desaperte a porca da barra indicadora (Figura 50) e regule o parafuso de ajuste para a altura de corte desejada. A altura de corte corresponde à distância entre a parte inferior da cabeça do parafuso e a superfície da barra.

Prenda a cabeça do parafuso à extremidade cortante da lâmina de corte e apoie a extremidade traseira da barra no rolo traseiro (Figura 51).

Rode o parafuso de ajuste até que o rolo entre em contacto com a dianteira da barra indicadora.
Ajuste ambas as extremidades do rolo até que todo o rolo esteja paralelo à lâmina de corte.
Important: Quando ajustados corretamente, os rolos traseiro e dianteiro entram em contacto com a barra indicadora e o parafuso fica encostado à lâmina de corte. Desta forma, a altura de corte é igual em ambas as extremidades da lâmina de corte.
Aperte as porcas para bloquear o ajuste.
Important: Para evitar pelar relva ondulada, assegure que os suportes do rolo estão posicionados para a retaguarda (o rolo mais perto do cilindro).
Note: O rolo da frente pode ser colocado em três posições diferentes (Figura 52), dependendo da aplicação e necessidades do utilizador.
Utilize a posição frontal quando é instalado uma vassoura.
Utilize a posição do meio sem uma vassoura.
Utilize a terceira posição em condições de relva extremamente ondulada.

Ajustar o resguardo para assegurar uma descarga das aparas de relva no cesto.
Meça a distância da parte superior da barra de apoio da frente à borda frontal do resguardo em cada extremidade da unidade de corte (Figura 53).

A altura do resguardo a partir da barra de suporte para condições normais de corte deve ser de 10 cm. Desaperte os parafusos e porcas que fixam cada extremidade do resguardo à placa lateral e ajuste o resguardo na altura correta.
Aperte as fixações.
Note: Pode descer o resguardo para condições de relva mais seca (as aparas voam sobre a parte superior do cesto) ou subi-lo para condições de relva molhada (as aparas acumulam-se na parte de trás do cesto).
Ajuste a barra de corte de forma a garantir que as aparas são completamente afastadas da zona do cilindro:
Desaperte os parafusos que fixam a barra superior (Figura 54) à unidade de corte.

Insira um calibrador de 1,5 mm entre a parte superior do cilindro e a barra e aperte os parafusos.
A barra e o cilindro têm de ter entre si a mesma distância em todo o comprimento do cilindro.
Note: A barra é ajustável para compensar as alterações das condições da relva. Ajuste a barra mais próximo do cilindro quando a relva está extremamente húmida. Por outro lado, afaste a barra do cilindro quando a relva se encontrar muito seca. A barra deve estar paralela ao cilindro para assegurar um desempenho ideal. Ajuste a barra sempre que a altura do resguardo for ajustada ou quando o cilindro for afiado num amolador.
Para determinar se a barra de apoio é normal ou agressiva, verifique as aletas de montagem da barra de apoio esquerda. Se as aletas de montagem forem redondas, é uma barra de apoio normal. Se as aletas de montagem tiverem um entalhe, é uma barra de apoio agressiva (Figura 55).

Rode o parafuso de ajuste da barra de apoio no sentido contrário ao dos ponteiros do relógio, para afastar lâmina de corte do cilindro (Figura 56).

Faça recuar a porca da mola tensora até que a anilha deixe de estar sob tensão contra a barra de apoio (Figura 56).
Desaperte a porca de bloqueio que segura a cavilha da barra de apoio, em cada um dos lados da máquina (Figura 57).

Remova cada uma das cavilhas da barra de apoio, de modo a permitir puxá-la e retirá-la da máquina. Guarde as duas anilhas de nylon e as duas anilhas de aço prensado de cada uma das extremidades da barra de apoio (Figura 57).
Instale a barra de apoio, posicionando as aletas de montagem entre a anilha e o ajustador da barra de apoio.
Fixe a barra de apoio a cada um dos lados da placa lateral com as cavilhas (porcas de aperto nas cavilhas) e com as 8 arruelas.
Note: Coloque uma arruela de nylon de cada lado da placa lateral. Coloque uma arruela de aço no exterior de cada uma das arruelas de nylon.
Aperte os parafusos com uma força de 27 a 36 N∙m.
Aperte as porcas de aperto até que as anilhas de encosto exteriores rodem livremente.
Aperte a porca da mola tensora até que a mola fique recolhida; em seguida, desaperte meia volta.
Ajuste a barra de apoio; consulte a Ajuste da lâmina de corte ao cilindro.
Retire a vela na cobertura da transmissão do cilindro direito (Figura 58).

Insira uma extensão de 1,3 cm, ligada à máquina de manutenção, no furo quadrado no centro da polia do cilindro.
Faça a manutenção de acordo com o procedimento descrito no Sharpening Reel and Rotary Mowers Manual, Formulário N.º 80-300 PT.
Tocar no cilindro ou noutras peças em movimento pode provocar lesões graves.
Afaste-se do cilindro durante a manutenção.
Não utilize um pincel de cabo curto para executar a manutenção. A pega peça n.º 29-9100, as peças individuais e as estruturas completas, estão disponíveis no distribuidor local autorizado Toro.
Note: Para um melhor fio de corte, passe uma lima na frente da lâmina de corte depois de concluída a operação de retificação. Assim, reduz imperfeições ou arestas que se possam ter formado no fio de corte.
Instale a tampa na cobertura quando terminar o procedimento.
Desligue o motor, retire a chave (se equipada) e aguarde até que todo o movimento pare antes de sair da posição do operador. Deixe a máquina arrefecer antes de a ajustar, lhe fazer a manutenção, limpar ou armazenar.
Não guarde a máquina ou o recipiente de combustível num local onde existe uma fonte de fogo, faísca ou luz piloto, como junto de uma caldeira ou outro eletrodoméstico.
Retire quaisquer cortes de relva, sujidade e fuligem das partes exteriores da máquina, especialmente do motor. Limpe toda a sujidade da parte exterior das aletas da cabeça do cilindro e da saída de ar.
Important: Pode lavar a máquina com água e um detergente suave. Não lave a máquina com sistemas de lavagem de pressão. Evite a utilização excessiva de água, especialmente próximo da placa da alavanca da transmissão e do motor.
Para guardar durante um período prolongado (mais de 30 dias) adicione ao depósito um estabilizador/condicionador de combustível.
Ligue o motor para distribuir o combustível condicionado pelo sistema de combustível durante 5 minutos.
Ou desligue o motor, deixe arrefecer e, em seguida, drene o depósito de combustível ou deixe o motor a trabalhar até parar.
Ligue o motor e deixe-o trabalhar até parar. Ligue novamente o motor, com o ar fechado, até o motor não voltar a ligar.
Desligue o fio da vela da ignição da vela da ignição.
A gasolina deverá ser eliminada de forma adequada. Recicle de acordo com as normas locais.
Note: Não guarde combustível que contenha estabilizador/condicionador durante mais tempo do que aquele recomendado pelo fabricante do estabilizador de combustível.
Verifique e aperte todos os pernos, porcas e parafusos. Repare ou substitua qualquer peça danificada ou gasta.
Pinte todas as superfícies de metal arranhadas ou descascadas. O serviço de pintura é disponibilizado pelo Distribuidor Toro autorizado.
Guarde a máquina numa garagem ou armazém limpo e seco. Tape a máquina para a proteger e mantê-la limpa.