| Częstotliwość serwisowania | Procedura konserwacji |
|---|---|
| Przed każdym użyciem lub codziennie |
|
Urządzenie to jest kosiarką do trawy pchaną, wirnikową przeznaczoną do użytku przez profesjonalnych operatorów do zastosowań komercyjnych. Kosiarka jest przeznaczona głównie do koszenia trawy na dobrze utrzymanych trawnikach. Używanie produktu w celach niezgodnych z jego przeznaczeniem może okazać się niebezpieczne dla operatora i osób postronnych.
Przeczytaj uważnie poniższe informacje, aby poznać zasady właściwej obsługi i konserwacji urządzenia, nie uszkodzić go i uniknąć obrażeń ciała. Odpowiedzialność za prawidłowe i bezpieczne użytkowanie produktu spoczywa na Tobie.
Odwiedź www.Toro.com w kwestiach dotyczących materiałów szkoleniowych z zakresu bezpieczeństwa oraz eksploatacji produktu, informacji na temat akcesoriów, pomocy w znalezieniu autoryzowanego sprzedawcy lub rejestracji urządzenia.
Aby skorzystać z serwisu, zakupić oryginalne części firmy Toro lub uzyskać dodatkowe informacje, należy skontaktować się z autoryzowanym dystrybutorem firmy Toro. Prosimy o przygotowanie numeru modelu i numeru seryjnego produktu. Model i numery seryjne znajdują się na tabliczce znamionowej na tylnej ramie. Zapisz je w przewidzianym na to miejscu.
Important: Urządzeniem mobilnym zeskanuj kod QR (jeśli występuje) na tabliczce z numerem seryjnym, aby uzyskać informacje o gwarancji, częściach zamiennych i innych kwestiach związanych z produktem.

Niniejsza instrukcja zawiera opis potencjalnych zagrożeń, a zawarte w niej ostrzeżenia zostały oznaczone symbolem ostrzegawczym (Rysunek 2), który sygnalizuje niebezpieczeństwo mogące spowodować poważne obrażenia lub śmierć w razie zlekceważenia zalecanych środków ostrożności.

W niniejszej instrukcji występują 2 słowa podkreślające wagę informacji. Ważne zwraca uwagę na szczególne informacje techniczne, a Uwaga podkreśla informacje ogólne wymagające uwagi.
Opisywane urządzenie jest zgodne ze wszystkimi obowiązującymi dyrektywami Unii Europejskiej; szczegółowe informacje zamieszczone są w odpowiedniej deklaracji zgodności, w oddzielnym arkuszu.
Stosowanie lub eksploatowanie w obszarach zalesionych, zakrzewionych lub trawiastych silnika bez działającego tłumika z iskrochronem według punktu 4442 kodeksu dotyczącego ochrony dóbr publicznych stanu Kalifornia lub silnika zaprojektowanego z myślą o ochronie przeciwpożarowej i odpowiednio wyposażonego oraz utrzymywanego jest naruszeniem punktu 4442 lub 4443 tegoż kodeksu.
Dołączona instrukcja obsługi silnika zawiera informacje dotyczące wymagań amerykańskiej Agencji Ochrony Środowiska (EPA) oraz prawa stanu Kalifornia dotyczącego kontroli emisji w systemach emisji, konserwacji i gwarancji. Części zamienne mogą być zamawiane u producenta silnika.
W przypadku eksploatacji tej maszyny na wysokości od 1500 metrów nad poziomem morza konieczne będzie zastosowanie dyszy wysokościowej. Patrz instrukcja obsługi silnika Honda.
KALIFORNIA
Propozycja 65 ostrzeżenie
Układ wydechowy tego urządzenia zawiera substancje chemiczne, które mogą być przyczyną powstawania raka, chorób układu oddechowego i innych schorzeń.
Użycie tego produktu może skutkować narażeniem się na działanie związków chemicznych uznanych w Stanie Kalifornia za wywołujące raka, uszkodzenia płodu lub działające szkodliwie dla rozrodczości.
Maszyna została zaprojektowana zgodnie z normami EN ISO 5395 oraz ANSI B71.4-2017 i spełnia wymagania tych norm po zamontowaniu zestawu kontroli obecności operatora i niezbędnych etykiet.
Produkt ten może spowodować amputację dłoni i stóp oraz wyrzucać obiekty.
Przed pierwszym uruchomieniem maszyny należy zapoznać się z niniejszą instrukcją obsługi.
Podczas obsługi maszyny zachowaj pełne skupienie. Nie podejmuj żadnych rozpraszających czynności, w przeciwnym razie możesz spowodować obrażenia lub wyrządzić szkody w mieniu.
Nie zbliżać dłoni ani stóp do ruchomych części maszyny.
Zabronione jest używanie maszyny bez założonych i poprawnie funkcjonujących wszystkich osłon oraz innych urządzeń ochronnych.
Nie zezwalaj osobom postronnym ani dzieciom na podchodzenie w pobliże obszaru pracy. Nigdy nie pozwalaj dzieciom obsługiwać maszyny.
Zanim opuścisz stanowisko operatora, wyłącz silnik, wyjmij kluczyk (jeżeli występuje) i poczekaj na zatrzymanie wszystkich ruchów roboczych. Przed przystąpieniem do regulacji, obsługi technicznej, czyszczenia lub przed składowaniem maszyny odczekaj, aż maszyna ostygnie.
Niewłaściwe użytkowanie lub konserwacja maszyny
może spowodować obrażenia ciała. W celu zmniejszenia
ryzyka obrażeń ciała postępuj zgodnie z tymi
zasadami bezpieczeństwa i zawsze zwracaj uwagę na ostrzegawczy
symbol bezpieczeństwa
, który oznacza: Uwaga, Ostrzeżenie
lub Niebezpieczeństwo – zasady bezpieczeństwa
osobistego. Nieprzestrzeganie powyższych zasad może doprowadzić
do obrażeń ciała lub śmierci.
![]() |
Etykiety dotyczące bezpieczeństwa oraz instrukcje są wyraźnie widoczne dla operatora i znajdują się w pobliżu wszystkich miejsc potencjalnego zagrożenia. Uszkodzone i brakujące etykiety należy wymienić. |











Note: Określ lewą i prawą stronę maszyny ze standardowego stanowiska operatora.
Części potrzebne do tej procedury:
| Uchwyt | 1 |
| Opaska zaciskowa | 4 |
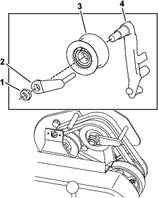
Zdemontuj śruby (5/16 cala), nakrętki zabezpieczające, sworznie z pierścieniami i sworznie z zawleczkami mocujące dolne końce ramion uchwytu do każdej ze stron maszyny (Rysunek 3).

Odkręć śruby (⅜ cala) i zdejmij podkładki i podkładki blokujące z trzpieni mocujących po każdej stronie kosiarki (Rysunek 3).
Wsuń końce uchwytu w otwory w ramionach uchwytu i wyrównaj otwory za pomocą trzpieni mocujących (Rysunek 3).
Ściśnij końce uchwytu do wewnątrz i zamontuj je na trzpieniach mocujących (Rysunek 4).

Zamocuj uchwyt do trzpieni mocujących przy pomocy wcześniej usuniętych śrub (⅜ cala), podkładek i podkładek blokujących (Rysunek 4).
Zamocuj ramiona uchwytu do tylnej części ramy za pomocą wcześniej usuniętych śrub (5/16 cala), nakrętek zabezpieczających, sworzni z zawleczką i sworzni pierścieniowych (Rysunek 3).
Zamocuj przewody i wiązkę przewodów do uchwytu za pomocą opasek kablowych (Rysunek 5).

Przy tej procedurze należy odnieść się do Rysunek 6.

Zdejmij zawleczki z trzpieni pierścieniowych po każdej stronie kosiarki.
Podtrzymując uchwyt, usuń trzpienie pierścieniowe z każdej strony i podnieś lub opuść uchwyt w wymagane położenie robocze.
Zamocuj trzpienie pierścieniowe i zawleczki.
Części potrzebne do tej procedury:
| Prawy wał koła | 1 |
| Lewy wał koła | 1 |
Używając stopy, popchnij podpórkę w dół i podciągnij uchwyt, aby oprzeć kosiarkę na podpórce.
Nałóż klej do zabezpieczania gwintów na gwinty wałów kół.
Wkręć prawy wał koła w pasowe koło napędowe po prawej stronie urządzenia (Rysunek 7).
Note: Prawy wał koła posiada gwinty lewostronne.

Dokręć wał z momentem od 88 do 101 N·m.
Potwórz kroki od 2 do 4, aby zamontować lewy wał koła po lewej stronie maszyny.
Części potrzebne do tej procedury:
| Koło transportowe | 2 |
Używając stopy, popchnij podpórkę w dół i podciągnij uchwyt, aby oprzeć kosiarkę na podpórce.
Nasuń koło na oś.
Odwróć zacisk blokujący koło od środka koła, umożliwiając jego dalsze wsunięcie na oś (Rysunek 8).

Obracaj koło do przodu i do tyłu, aż zostanie wsunięte do oporu na oś, a zacisk blokujący zostanie unieruchomiony w rowku na wale osi.
Powtórz tę procedurę po przeciwnej stronie urządzenia.
Napompuj wszystkie opony do ciśnienia 0,83-1,03 bara.
Ostrożnie opuść maszynę z podpórki.
Przed przystąpieniem do obsługi urządzenia wykonaj następujące regulacje:
Części potrzebne do tej procedury:
| Zestaw kontroli obecności operatora (zamawiany osobno, skontaktuj się z autoryzowanym dystrybutorem firmy Toro) | 1 |
Dla zgodności z normami EN ISO 5395 oraz ANSI B71.4-2017 zamontuj zestaw kontroli obecności operatora (model nr 112-9282), patrz instrukcja montażu zestawu.
Skontaktuj się z autoryzowanym dystrybutorem firmy Toro, aby zakupić zestaw.
Części potrzebne do tej procedury:
| Etykieta z rokiem produkcji | 1 |
| Etykieta ze znakiem CE | 1 |
Jeżeli ta maszyna będzie używana w kraju, w którym obowiązują normy CE, przyklej etykietę z rokiem produkcji i etykietę ze znakiem CE w pobliżu tabliczki znamionowej, patrz Rysunek 9.

Części potrzebne do tej procedury:
| Kosz na trawę | 1 |
Chwyć kosz za górną krawędź i zsuń go na drążki mocujące kosz (Rysunek 10).

Okres docierania wymaga jedynie 8 godzin koszenia.
Pierwsze godziny pracy mają kluczowe znaczenie dla przyszłej niezawodności maszyny. Z tego powodu należy uważnie obserwować jej sprawność, tak aby można było zauważyć i skorygować drobne problemy, które mogłyby prowadzić do poważnych trudności. W ciągu pierwszych kilku godzin pracy należy często kontrolować urządzenie pod kątem oznak wycieku oleju, poluzowanych elementów mocujących i innych usterek.
Informacje o zalecanej zmianie oleju w okresie docierania i o procedurach konserwacji zostały podane w instrukcji obsługi silnika.


Dźwignia napędu jazdy (Rysunek 12) znajduje się w prawej przedniej części panelu sterowania. Posiada ona 2 położenia: NEUTRAL (neutralne) i FORWARD (jazda do przodu). Ustawienie dźwigni w położeniu jazda do przodu powoduje załączenie napędu jazdy.
Element sterujący przepustnicą (Rysunek 12) znajduje się w prawej tylnej części panelu sterowania. Dźwignia jest połączona z i steruje przepustnicą połączoną z gaźnikiem. Ustawianie prędkości obrotowej opisano w Specyfikacje.
Przełącznik wł./wył. (Rysunek 12) znajduje się w górnej części panelu sterowania. Ustaw przełącznik w położenie ON (wł.), aby uruchomić silnik, lub w położenie OFF (wył.), aby wyłączyć silnik.
Hamulec roboczy (Rysunek 13) znajduje się w górnej lewej przedniej stronie panelu sterowania. Można użyć hamulca, aby zwolnić lub zatrzymać urządzenie.

Hamulec postojowy (Rysunek 14) znajduje się u podstawy hamulca roboczego. Całkowicie załącz hamulec roboczy i dociśnij pokrętło hamulca postojowego, aby hamulec roboczy mógł oprzeć się na trzpieniu hamulca postojowego. Włącz hamulec roboczy, aby zwolnić hamulec postojowy. Aby załączyć napęd jezdny, konieczne jest zwolnienie hamulca.

Czujnik obecności operatora (Rysunek 12), o ile znajduje się na wyposażeniu, znajduje się w tylnej części uchwytu. Dosuń czujnik obecności operatora do uchwytu. Załączenie czujnika obecności operatora jest konieczne do przesunięcia dźwigni napędu jezdnego. Zwolnienie czujnika obecności operatora spowoduje zatrzymanie silnika.
Dźwignia napędu wirnika (Rysunek 15) znajduje się w prawym przednim rogu urządzenia. Dźwignia ma 2 położenia:
ZAłąCZENIE – Przesuń dźwignię do przodu w celu załączenia wirnika.
ROZłąCZENIE – Przesuń dźwignię do tyłu w celu wyłączenia wirnika.

Dźwignia ssania (Rysunek 16) znajduje się w lewej przedniej części silnika. Przesuń dźwignię, aby ułatwić uruchomienie zimnego silnika, patrz Obsługa dźwigni ssania.

Zawór odcinający paliwo znajduje się z boku silnika poniżej regulacji ssania (Rysunek 16).
Note: Zamknij zawór odcinający paliwo, jeżeli maszyna nie będzie używana przez kilka dni, na czas transportu do i z miejsca prac oraz, gdy maszyna jest zaparkowana wewnątrz budynku, patrz Otwieranie i zamykanie zaworu odcięcia paliwa.
Pociągnij uchwyt rozrusznika mechanicznego (Rysunek 16) w celu uruchomienia silnika.
| Dane techniczne modelu | Model 04055 |
| Szerokość | 91 cm |
| Wysokość | 114 cm |
| Długość z koszem | 122 cm |
| Masa sucha (z koszem i rolką Wiehle; bez kół i wirnika zamiatającego) | 98 kg |
| Szerokość cięcia | 53 cm |
| Wysokość cięcia | od 1,6 do 31,8 mm |
| Przycinanie | 4,3 mm |
| Prędkość silnika | Niskie obroty biegu jałowego: od 1800 do 2000 obr./min.; wysokie obroty biegu jałowego od 3350 do 3550 obr./min. |
Dostępna jest gama osprzętu i akcesoriów zatwierdzonych przez firmę Toro przeznaczonych do stosowania z urządzeniem i zwiększających jego możliwości. Skontaktuj się z przedstawicielem autoryzowanego serwisu, dystrybutorem lub wejdź na stronę www.Toro.com, aby uzyskać listę zatwierdzonego osprzętu i zatwierdzonych akcesoriów.
Dla zagwarantowania wydajnej i bezpiecznej pracy maszyny należy stosować wyłącznie części zamienne/akcesoria zalecane przez firmę Toro. Części zamienne i akcesoria wykonane przez innych producentów mogą być niebezpieczne. Stosowanie ich mogłoby unieważnić gwarancję na produkt.
Note: Określ lewą i prawą stronę maszyny ze standardowego stanowiska operatora.
Użytkowanie lub serwisowanie maszyny przez dzieci lub osoby nieprzeszkolone jest zabronione. Wiek operatora może być ograniczony przez lokalne przepisy. Za szkolenie operatorów i mechaników odpowiada właściciel.
Należy zapoznać się z bezpieczną obsługą urządzeń, elementami sterującymi operatora i znakami bezpieczeństwa.
Zanim opuścisz stanowisko operatora, wyłącz silnik, wyjmij kluczyk (jeżeli występuje) i poczekaj na zatrzymanie wszystkich ruchów roboczych. Przed przystąpieniem do regulacji, obsługi technicznej, czyszczenia lub przed składowaniem maszyny odczekaj, aż maszyna ostygnie.
Operator musi umieć szybko zatrzymać maszynę i wyłączyć ją.
Należy sprawdzić czujniki obecności operatora i właściwe działanie wyłączników bezpieczeństwa, a także zabezpieczenia pod kątem prawidłowego zamocowania i działania. Nie wolno używać maszyny, jeśli nie działa ona prawidłowo.
Sprawdź obszar, w którym zamierzasz używać maszyny, i usuń wszelkie obiekty, które mogłyby zostać podrzucone przez maszynę.
Podczas posługiwania się paliwem zachowaj szczególną ostrożność. Paliwo jest wysoce palne, a jego opary mają właściwości wybuchowe.
Zgaś papierosy, cygara, fajki i inne źródła zapłonu.
Używaj wyłącznie atestowanego kanistra na paliwo.
Nigdy nie zdejmuj korka zbiornika paliwa ani nie uzupełniaj paliwa w trakcie pracy silnika lub gdy jest on rozgrzany.
Nie dolewaj ani nie spuszczaj paliwa w zamkniętym pomieszczeniu.
Nie przechowuj maszyny ani kanistra na paliwo w miejscach występowania otwartego ognia, tam gdzie występuje iskrzenie lub stosowany jest płomyk dyżurny, na przykład przy piecykach gazowych lub innych urządzeniach.
W przypadku rozlania paliwa nie próbuj włączać silnika, unikaj możliwości spowodowania zapłonu do czasu rozproszenia oparów paliwa.
Zabrania się napełniania kanistrów we wnętrzu pojazdu, na skrzyni ładunkowej czy na przyczepie ciężarówki wyłożonej tworzywem sztucznym. Przed napełnianiem zawsze ustaw kanister na podłożu, z dala od pojazdu.
Zdejmij urządzenie z ciężarówki lub przyczepy i uzupełnij paliwo na ziemi. Jeśli to niemożliwe, zatankuj maszynę z przenośnego kanistra, a nie za pomocą pistoletu dystrybutora paliwa.
Pistolet powinien przez cały czas dotykać obrzeża zbiornika paliwa lub kanistra, aż do zakończenia tankowania.
Wykonaj procedury konserwacji codziennej, patrz Lista kontrolna codziennych czynności konserwacyjnych.
Sprawdzaj poziom oleju silnikowego przed każdym użyciem lub co 8 godzin pracy, patrz Sprawdzanie poziomu oleju w silniku.
Pojemność zbiornika paliwa: 2,0 litry
Zalecany rodzaj paliwa: Benzyna bezołowiowa o liczbie oktanowej 87 lub wyższej (metoda szacowania (R+M)/2).
Etanol: Benzyna o zawartości do 10% etanolu (gasohol) lub 15% MTBE (etyl metylowo-tert-butylowy) zgodnie z objętością jest dopuszczalna. Etanol i MTBE to nie to samo. Benzyna o zawartości 15% etanolu (E15) nie może być stosowana.
Zabrania się stosowania benzyny o zawartości powyżej 10% etanolu (zgodnie z objętością), na przykład E15 (zawiera 15% etanolu), E20 (zawiera 20% etanolu) lub E85 (zawiera do 85% etanolu).
Nie używaj benzyny zawierającej metanol.
Zabrania się przechowywania paliwa w zbiorniku lub kanistrach przez okres zimowy, o ile nie zastosowano stabilizatora paliwa.
Nie dolewaj oleju do benzyny.
Aby uzyskać najlepsze rezultaty, używaj tylko czystej, świeżej (poniżej 30 dni) benzyny.
Zastosowanie nieprawidłowego rodzaju benzyny może skutkować problemami z wydajnością lub uszkodzeniem silnika, które może nie być objęte gwarancją
W określonych warunkach paliwo jest łatwopalne i silnie wybuchowe. Zapłon lub wybuch paliwa może poparzyć operatora i osoby postronne oraz spowodować straty materialne.
Uzupełniaj zbiornik paliwa na zewnątrz, na otwartej przestrzeni, gdy silnik jest zimny. Wytrzyj paliwo, które się rozlało.
Nigdy nie uzupełniaj zbiornika paliwa, gdy urządzenie jest umieszczone w zabudowanej naczepie.
Nie uzupełniaj zbiornika paliwa do pełna. Uzupełniaj paliwo w zbiorniku paliwa do poziomu od 6 do 13 mm poniżej dolnej krawędzi szyjki wlewu. Wolna przestrzeń w zbiorniku umożliwia rozszerzanie się paliwa.
Nigdy nie pal papierosów podczas przelewania paliwa i przebywaj w bezpiecznej odległości od otwartego płomienia lub miejsc, gdzie opary paliwowe mogą zapalić się od iskry.
Przechowuj paliwo w atestowanym kanistrze, poza zasięgiem dzieci. Zapas paliwa nigdy nie powinien starczać na więcej niż 30 dni.
Nie należy rozpoczynać pracy bez przygotowania i sprawdzenia układu wydechowego.
W niektórych sytuacjach podczas uzupełniania paliwa może nastąpić wyzwolenie się elektryczności statycznej, powstanie iskry i zapłon oparów. Zapłon lub wybuch paliwa może poparzyć operatora i osoby postronne oraz spowodować straty materialne.
Przed napełnieniem zawsze stawiaj kanistry z paliwem na podłożu, w bezpiecznej odległości od pojazdu.
Nie napełniaj kanistrów na paliwo wewnątrz pojazdu lub na przyczepie. Wewnętrzne wykładziny albo inne osłony mogą spowolnić rozładowywanie się elektryczności statycznej zgromadzonej na pojemniku, odizolowując go.
Jeśli to możliwe, zdejmij urządzenie z ciężarówki lub przyczepy i uzupełnij paliwo, gdy stoi na ziemi. Jeśli to niemożliwe, zatankuj urządzenie za pomocą przenośnego kanistra, a nie za pomocą pistoletu dystrybutora paliwa.
Jeśli musisz zatankować, używając pistoletu, zwróć uwagę na to, aby przez cały czas tankowania jego dysza dotykała krawędzi otworu zbiornika lub kanistra.
W przypadku połknięcia paliwo jest szkodliwe dla zdrowia i może prowadzić do śmierci. Długotrwałe wystawienie na działanie oparów może wywołać poważne obrażenia i choroby.
Unikaj długotrwałego wdychania oparów paliwa.
Nie zbliżaj twarzy do otworu dyszy, zbiornika paliwa lub butli ze środkiem uszlachetniającym.
Unikaj kontaktu ze skórą; rozlane paliwo należy usunąć za pomocą wody z mydłem.
Oczyść obszar wokół korka wlewu paliwa i odkręć korek (Rysunek 17). Napełniaj zbiornik paliwa do dolnego poziomu otworu szyjki wlewu.
Important: Nie wlewaj nadmiernej ilości paliwa do zbiornika.

Dokręć korek zbiornika i wytrzyj wszelkie rozlane paliwo.
Aby ustawić urządzenie według uwarunkowań murawy, zastosuj poniższe tabele.
| Numer części | Opis | Agresywność | Uwagi |
| 112-9281-01 | Standard | Mniej | Standard Greensmaster 1000 |
| 112-9279-03 | Agresywna | Więcej |
| Numer części | Opis | Zakres wysokości cięcia | Uwagi |
| 93-4262 | Microcut | 1,57–3,1 mm | |
| 115-1880 | EdgeMax Microcut | 1,57–3,1 mm | Standard Greensmaster 1000 |
| 93-4263 | Tournament | 3,1–6,0 mm | |
| 115-1881 | EdgeMax Tournament | 3,1–6,0 mm | Dłuższe zużycie |
| 93-4264 | Niskie cięcie | 6,0 mm i więcej | |
| 108-4303 | Extended Microcut (rozszerzony Microcut) | 1,57–3,1 mm | Mniej agresywna |
| Numer części | Opis | Średnica/materiał | Uwagi |
| 99-6241 | Narrow Wiehle (wąska Wiehle) | 50,8 mm/aluminium | Standardowy, odstęp co 0,20 cala |
| 88-6790 | Wide Wiehle (szeroka Wiehle) | 50,8 mm/aluminium | Więcej penetracji, odstęp co 0,43 cala |
| 104-2642 | Pełna rolka | 50,8 mm/stal | Najmniejszy stopień penetracji |
| 71-1550 | Rolka Wiehle | 50,8 mm/żeliwo | Więcej penetracji, odstęp co 0,43 cala |
| 93-9045 | Rolka Wiehle | 63,5 mm/aluminium | O szerokości 24 cali dla wsparcia krawędzi |
| 52-3590 | Rolka kształtowa | 63,5 mm/aluminium |
| Model | Standard | Zestaw do przycinania 65-9000 | Zespół trakcyjny 115-1886 | Zespoły do przycinania i zespoły trakcyjne | ||||||||
| Wirnik standardowy | Wirnik opcjonalny | Wirnik standardowy | Wirnik opcjonalny | Wirnik standardowy | Wirnik opcjonalny | Wirnik standardowy | Wirnik opcjonalny | |||||
| 04810 | 11 ostrzy4,1 mm | 14 ostrzy3,3 mm | 8 ostrzy5,8 mm | 11 ostrzy6,4 mm | 14 ostrzy4,8 mm | 8 ostrzy8,6 mm | 11 ostrzy3,8 mm | 14 ostrzy3,0 mm | 8 ostrzy5,1 mm | 11 ostrzy5,6 mm | 14 ostrzy4,3 mm | 8 ostrzy7,6 mm |
| Prędkość jazdy | 5,39 km/h | 4,80 km/h | ||||||||||
| Częstotliwość serwisowania | Procedura konserwacji |
|---|---|
| Przed każdym użyciem lub codziennie |
|
Jeżeli przełączniki blokad bezpieczeństwa są odłączone lub uszkodzone, maszyna może nieoczekiwanie uruchomić się, co może doprowadzić do obrażeń ciała.
Nie manipuluj przy wyłącznikach blokad.
Codziennie przed przystąpieniem do obsługi urządzenia sprawdzaj działanie wyłączników blokad i wymieniaj wszystkie uszkodzone wyłączniki.
Używając stopy, popchnij podpórkę w dół i pociągnij uchwyt w górę i wstecz, aby unieść koła nad ziemię.
Ustaw dźwignię jazdy w położeniu ZAłąCZONYM, a elementy sterujące silnikiem w położeniu uruchomienia.
Spróbuj uruchomić silnik.
Silnik nie powinien się uruchomić. Jeżeli następuje uruchomienie silnika, wyłącznik blokady wymaga serwisowania. Usuń tę usterkę przed przystąpieniem do użytkowania maszyny. Patrz Serwisowanie wyłącznika blokady napędu jezdnego
Ostrożnie podnieś uchwyt, aby zwolnić podpórkę.
Za pomocą kół transportowych można przewieźć maszynę na krótkie odległości.
Zainstaluj koła transportowe; patrz Montaż kół transportowych
Upewnij się, że dźwignie napędu jezdnego i wirnika znajdują się w położeniu NEUTRALNYM.
Uruchom silnik; patrz Uruchamianie silnika
Ustaw element sterujący przepustnicy w położeniu SLOW (wolno), przechyl przód urządzenia do góry, stopniowo załącz napęd jazdy i powoli zwiększ prędkość silnika.
Ustaw przepustnicę tak, aby kosiarka pracowała z wymaganą prędkością naziemną i przejedź maszyną do docelowej lokalizacji.
Do transportu maszyny na znaczne odległości należy używać przyczepy. Podczas załadunku i rozładunku maszyny z przyczepy zachowaj ostrożność.
Ostrożnie wjedź maszyną na przyczepę.
Wyłącz silnik, załącz hamulec postojowy i ustaw zawór paliwa w położeniu ODłąCZONYM.
Do ładowania maszyny na przyczepę używaj najazdu o pełnej szerokości.
Zamocuj bezpiecznie maszynę do przyczepy.
Note: Do transportu maszyny można użyć przyczepy Toro Trans Pro. Instrukcje załadunku kosiarki na przyczepę można znaleźć w instrukcji obsługi przyczepy.
Important: Nie uruchamiaj silnika podczas transportowania jej na przyczepie, ponieważ może dojść do uszkodzenia kosiarki.
Przywróć dźwignię sterowania napędem jezdnym do położenia ROZłąCZENIA, przepustnicę do położenia WOLNO i zatrzymaj silnik.
Pchnij podpórkę nogą w dół i pociągnij wspornik uchwytu, aż podpórka obróci się do przodu i znajdzie się nad środkiem maszyny.
Zdejmij koła transportowe naciskając zaciski blokujące kół tak, aby wysunęły się z rowków w wałach sześciokątnych.
Ostrożnie opuść urządzenie z podpórki poprzez powolne popchnięcie do przodu lub poprzez uniesienie dolnego środkowego wspornika uchwytu, umożliwiając przestawienie się podpórki z powrotem w jej położenie ZłOżONE.
Dźwignia ssania jest używana do wsparcia przy uruchamianiu zimnego silnika. Podczas uruchamiania zimnego silnika ustaw dźwignię w położeniu SSANIA. Po uruchomieniu silnika ustaw dźwignię w położeniu PRACA.

Właściciel/operator może zapobiegać wypadkom i jest odpowiedzialny za obrażenia ciała innych osób i uszkodzenia mienia wynikłe wskutek wypadków.
Noś odpowiednią odzież, w tym ochronę oczu, długie spodnie, pełne obuwie robocze z podeszwą antypoślizgową i ochronniki słuchu. Zwiąż włosy, jeśli są długie, i nie noś luźnej odzieży ani długiej biżuterii.
Nie używaj maszyny, będąc chorym, zmęczonym lub pod wpływem alkoholu lub narkotyków.
Podczas obsługi maszyny zachowaj pełne skupienie. Nie podejmuj żadnych rozpraszających czynności, w przeciwnym razie możesz spowodować obrażenia lub wyrządzić szkody w mieniu.
Przed uruchomieniem maszyny upewnij się, że wszystkie napędy są w położeniu neutralnym, hamulec postojowy jest załączony i że siedzisz w fotelu operatora.
Nie zezwalaj osobom postronnym ani dzieciom na podchodzenie w pobliże obszaru pracy. Jeżeli inni pracownicy muszą znajdować się w pobliżu, zachowaj ostrożność i upewnij się, że koszt na trawę jest zamontowany na maszynie.
Aby uniknąć dziur lub niewidocznych zagrożeń, korzystaj z urządzenia tylko przy dobrej widoczności.
Nie używaj maszyny, jeżeli występuje ryzyko wystąpienia wyładowań atmosferycznych.
Unikaj koszenia mokrej trawy. Przy słabym oparciu stóp o grunt mogą wystąpić spowodowane ześlizgnięciem się i upadkiem.
Nie zbliżaj dłoni ani stóp do jednostki tnącej.
Przed cofaniem spójrz do tyłu i w dół, aby upewnić się, że droga jest wolna.
Zachowaj ostrożność przy zbliżaniu się do zakrętów, krzewów, drzew i innych obiektów, które mogą utrudniać widoczność.
Zatrzymuj jednostki tnące zawsze, gdy nie wykonujesz koszenia.
Przed regulacją wysokości koszenia odłączaj napęd od jednostki tnącej i wyłączaj silnik.
Nigdy nie uruchamiaj silnika w pomieszczeniu zamkniętym, bez ujścia spalin.
Nie wolno pozostawiać działającej maszyny bez nadzoru.
Przed opuszczeniem stanowiska operatora::
Ustaw maszynę na równym podłożu.
Odłącz jednostkę tnącą.
Zaciągnij hamulec postojowy.
Wyłącz silnik maszyny i wyjmij kluczyk zapłonu (jeżeli występuje).
Poczekaj na zatrzymanie wszystkich ruchów roboczych.
Przed opróżnieniem kosza wyłącz maszynę.
Nie dotykaj silnika, tłumika ani rury wydechowej, gdy silnik jest włączony lub krótko po jego zatrzymaniu, ponieważ elementy te mogą być na tyle gorące, aby spowodować oparzenia.
W następujących sytuacjach konieczne jest wyłączenie silnika maszyny i odłączenie napędu jednostki tnącej:
Przed tankowaniem paliwa
przed usunięciem niedrożności,
przed zdemontowaniem kosza na trawę,
Przed przeprowadzeniem przeglądu, czyszczenia lub czynności konserwacyjnych przy jednostce tnącej
po uderzeniu obiektu obcego lub w przypadku pojawienia się nieprawidłowych wibracji. Sprawdzaj jednostkę tnącą pod kątem uszkodzeń i naprawiaj uszkodzone elementy przed jego ponownym uruchomieniem i przystąpieniem do obsługi
Przed opuszczeniem stanowiska operatora
Stosuj wyłącznie akcesoria i sprzęt zatwierdzony przez firmę Toro®.
Zbocza są głównym czynnikiem powodującym utratę kontroli i przewracanie się maszyny, co może skutkować poważnymi obrażeniami ciała lub śmiercią. Jesteś odpowiedzialny za bezpieczną pracę na zboczach. Użytkowanie maszyny na terenach pochyłych i zboczach wymaga dodatkowej uwagi. Przed rozpoczęciem pracy z maszyną na zboczu należy:
Zapoznać się z zaleceniami dotyczącymi pracy na zboczach zawartymi w instrukcji i na maszynie oraz zrozumieć je.
Ocenić warunki miejscowe w danym dniu, aby ocenić, czy praca maszyny na zboczu jest bezpieczna. Kierować się zdrowym rozsądkiem i umiejętnością oceny sytuacji podczas dokonywania oceny. Zmiany terenowe, takie jak zawilgocenie mogą szybko wpłynąć na pracę maszyny na zboczu.
Jeździć zawsze w poprzek zbocza; nigdy w górę lub w dół. Unikać pracy na zbyt stromych lub wilgotnych zboczach. Przy słabym oparciu stóp o grunt mogą wystąpić spowodowane ześlizgnięciem się i upadkiem.
Zidentyfikować zagrożenia przy podstawie zbocza. Nie używaj maszyny w pobliżu stromych zboczy, rowów, nasypów, wody i innych miejsc niebezpiecznych. Nagłe przejechanie kołem przez obrzeże lub osunięcie się obrzeża mogłoby spowodować wywrócenie się maszyny. Pomiędzy maszyną a potencjalnym niebezpieczeństwem zachowuj bezpieczną odległość. Do pracy w tych miejscach użyj narzędzia ręcznego.
Unikaj ruszania, zatrzymywania i skręcania na zboczach. Nie dokonuj nagłych zmian prędkości i kierunku jazdy; skręcaj powoli i stopniowo.
Nie używaj maszyny w warunkach, w których przyczepność, sterowanie lub stabilność są niepewne. Pamiętaj, że używanie maszyny na mokrej trawie, w poprzek lub w dół zbocza może skutkować utratą przyczepności przez maszynę. Utrata przyczepności przez koła napędowe może skutkować poślizgiem i utratą możliwości hamowania lub sterowania. Maszyna może ślizgać się nawet z zatrzymanymi kołami.
Usuń lub oznacz przeszkody takie jak rowy, dziury, koleiny, garby, kamienie lub inne ukryte zagrożenia. Wysoka trawa może zakrywać przeszkody. Na nierównym terenie istnieje ryzyko przewrócenia się maszyny.
Jeśli stracisz panowanie nad maszyną, oddal się od kierunku poruszania się maszyny.
Zjeżdżając w dół zbocza, należy mieć zawsze włączony bieg w maszynie. Nie wolno zjeżdżać ze zbocza na biegu jałowym (dotyczy tylko jednostek z napędem zębatym)
Note: Ilustracje i opisy elementów sterowania, do których nawiązuje niniejszy rozdział instrukcji, znajdują się w części Elementy sterowania.
Note: Upewnij się, że przewód świecy zapłonowej jest założony na świecę zapłonową.
Upewnij się, że dźwignie napędu jezdnego i wirnika są w położeniu ROZłąCZENIA.
Note: Silnik się nie uruchomi, jeżeli dźwignia jazdy jest w położeniu ENGAGED (załączonym).
Upewnij się, że zawór odcięcia paliwa jest otwarty.
Ustaw włącznik silnika w położeniu WłąCZONYM.
Przesuń dźwignię przepustnicy do położenia SZYBKIEJ JAZDY.
Podczas uruchamiania zimnego silnika ustaw dźwignię ssania w połowie odległości między położeniami SSANIE a PRACA.
Note: Jeżeli silnik jest rozgrzany, ssanie może nie być wymagane.
Pociągnij za uchwyt rozrusznika mechanicznego aż dojdzie do pozytywnego załączenia, następnie pociągnij go energicznie w celu uruchomienia silnika.
Important: Nie wyciągaj linki do końca ani nie puszczaj uchwytu po maksymalnym wysunięciu linki, gdyż linka może się zerwać lub może dojść do uszkodzenia zespołu rozrusznika.
W trakcie rozgrzewania się silnika ustaw dźwignię ssania w położeniu PRACA.
Ustaw elementy sterujące jazdą i napędem wirnika w położeniu ROZłąCZONYM.
Ustaw dźwignię sterowania przepustnicy w pozycji NISKICH OBROTóW.
Ustaw przełącznik w położeniu WYłąCZONYM.
Zamknij zawór odcinający paliwo podczas magazynowania lub transportowania urządzenia.
Important: Ścinki trawy działają w trakcie koszenia jak środek smarny. Nadmiernie intensywna eksploatacja zespołu tnącego przy braku ścinków trawy może uszkodzić zespół tnący.
Trawę należy kosić po linii prostej do przodu i do tyłu.
Unikaj koszenia kołowego lub zawracania kosiarką na obszarach trawiastych z uwagi na ryzyko zdarć.
Skręcaj kosiarką poza obszarem zieleni, podnosząc wirnik tnący (popychając uchwyt w dół) oraz załączając bęben jezdny.
Koś z zachowaniem normalnej prędkości chodu. Duża prędkość przynosi bardzo małą oszczędność czasu i pogarsza jakość koszenia.
Aby ułatwić sobie utrzymanie prostej linii koszenia na trawie oraz utrzymać urządzenie w stałej odległości od krawędzi poprzedniego skoszenia, użyj pasów kontrolnych na koszu (Rysunek 20).

Podczas eksploatacji urządzenia w warunkach słabego oświetlenia zaleca się stosowanie zestawu oświetleniowego LED, który można nabyć u autoryzowanego dealera marki Toro.
Important: Nie używaj do tej maszyny żadnych innych systemów oświetleniowych, gdyż nie będą one prawidłowo współpracować z prądem przemiennym generowanym przez silnik.
Prawidłowe użytkowanie urządzenia pozwoli uzyskać możliwie najgładsze cięcie murawy. W celu poznania podstawowych wskazówek pozwalających uzyskać możliwie najlepszą efektywność pracy kosiarki, skorzystaj również z Wskazówki dotyczące obsługi.
Important: Nadmiernie intensywna eksploatacja zespołu tnącego przy braku ścinków trawy (środka smarnego) może uszkodzić zespół tnący.
Uruchom silnik, ustaw przepustnicę na zredukowaną prędkość, naciśnij uchwyt do dołu w celu uniesienia zespołu tnącego, przesuń dźwignię jazdy w położenie ENGAGED (załączone) i przetransportuj maszynę na obszar zieleni.
Ustaw dźwignię jazdy w położeniu DISENGAGED (odłączona), a dźwignię napędu wirnika w położeniu ENGAGED (załączona).
Przesuń dźwignię jazdy w położenie ENGAGED (załączenia), zwiększ prędkość przepustnicy do momentu, gdy kosiarka będzie jechała z pożądaną prędkością, wjedź kosiarką na obszar zieleni, opuść przód kosiarki i rozpocznij pracę.
Po zakończeniu koszenia zjedź z zieleni, przesuń dźwignię napędu jezdnego w położenie DISENGAGED (odłączone), wyłącz silnik i popchnij dźwignię napędu wirnika w położenie DISENGAGED (odłączone).
Opróżnij kosz na trawę ze ścinków, zamontuj kosz na trawę i rozpocznij czynność transportowania.
Zjedź z obszaru trawiastego, ustaw dźwignię napędu wirnika i sterowania jazdą w położeniu DISENGAGED (odłączone), a następnie zatrzymaj silnik.
Opróżnij kosz na trawę ze ścinków, zamontuj kosz na trawę w kosiarce i przewieź maszynę do magazynowania.
Zanim opuścisz stanowisko operatora, wyłącz silnik, wyjmij kluczyk (jeżeli występuje) i poczekaj na zatrzymanie wszystkich ruchów roboczych. Przed przystąpieniem do regulacji, obsługi technicznej, czyszczenia lub przed składowaniem maszyny odczekaj, aż maszyna ostygnie.
Oczyść maszynę z trawy i innych pozostałości, aby zapobiec ewentualnym pożarom. Pamiętaj, aby usunąć rozlany olej lub rozlane paliwo.
Przed przechowywaniem maszyny w jakimkolwiek zamkniętym miejscu zaczekaj, aż maszyna ostygnie.
Nie przechowuj maszyny ani kanistra na paliwo w miejscach występowania otwartego ognia, tam gdzie występuje iskrzenie lub stosowany jest płomyk dyżurny, na przykład przy piecykach gazowych lub innych urządzeniach tego typu.
Przed wyłączeniem silnika po zakończeniu koszenia zmniejsz prędkość obrotową, a następnie zamknij zawór odcięcia paliwa (jeżeli występuje).
Po zakończeniu koszenia przewieź maszynę z obszaru pracy, patrz Transportowanie urządzenia na kołach transportowych lub Transportowanie maszyny na przyczepie.
Niewłaściwa konserwacja maszyny może doprowadzić do przedwczesnego uszkodzenia jej układów, co może stanowić zagrożenie dla operatora lub osób postronnych.
Maszynę należy regularnie konserwować i utrzymywać w dobrym stanie technicznym zgodnie ze wskazówkami w niniejszej instrukcji.
Note: Określ lewą i prawą stronę maszyny ze standardowego stanowiska operatora.
Important: Nie przechylaj maszyny pod kątem większym niż 25°. Przechylenie maszyny o więcej niż 25° spowoduje spływanie oleju do komory spalania i/lub wycieki paliwa przez korek zbiornika paliwa.
Important: Dodatkowe procedury konserwacyjne zostały podane w instrukcji obsługi silnika.
Przed opuszczeniem stanowiska operatora:
Ustaw maszynę na równym podłożu.
Ustaw przepustnicę w położeniu niskie obroty/bieg jałowy.
Rozłącz napęd jednostek tnących.
Upewnij się, że dźwignia jazdy jest w pozycji neutralnej.
Zaciągnij hamulec postojowy.
Wyłącz silnik maszyny i wyjmij kluczyk zapłonu (jeżeli występuje).
Poczekaj na zatrzymanie wszystkich ruchów roboczych.
Przed wykonaniem czynności konserwacyjnych poczekaj, aż maszyna ostygnie.
W miarę możliwości nie wykonuj czynności serwisowych przy uruchomionej maszynie. Nie zbliżaj się do ruchomych części.
Jeżeli istnieje konieczność uruchomienia silnika w celu wykonania prac konserwacyjnych, trzymaj ręce, stopy, odzież i części ciała z dala od zespołu tnącego, akcesoriów i ruchomych części. Osoby postronne powinny się odsunąć.
Usuń trawę i pozostałości z jednostki tnącej, napędu, tłumika, siatki układu chłodzenia i silnika, aby nie dopuścić do pożaru. Pamiętaj, aby usunąć rozlany olej lub rozlane paliwo.
Utrzymuj wszystkie części w nienagannym stanie. Wszystkie zużyte, uszkodzone lub brakujące części i naklejki należy wymienić/uzupełnić. Dokładnie dokręcaj wszystkie elementy mocujące, aby zachować pewność, że urządzenie będzie pracować bezpiecznie.
Sprawdzaj często elementy wychwytywacza trawy i w razie potrzeby wymieniaj.
Aby zapewnić bezpieczną i maksymalną wydajność, używaj wyłącznie oryginalnych części zamiennych firmy Toro. Części zamienne pochodzące od innych producentów mogą stwarzać zagrożenie dla bezpieczeństwa. Korzystanie z nich może spowodować utratę gwarancji maszyny.
W razie konieczności przeprowadzenia poważnych napraw lub uzyskania pomocy skontaktuj się z autoryzowanym przedstawicielem Toro.
| Częstotliwość serwisowania | Procedura konserwacji |
|---|---|
| Po pierwszych 20 godzinach |
|
| Przed każdym użyciem lub codziennie |
|
| Co 25 godzin |
|
| Co 50 godzin |
|
| Co 100 godzin |
|
| Co 300 godzin |
|
| Co 1000 godzin |
|
Important: Skopiuj te stronę, aby wykorzystać ją do rutynowych czynności kontrolnych.
| Sprawdzany element | Tydzień: | ||||||
|---|---|---|---|---|---|---|---|
| Pn. | Wt. | Śr. | Czw. | Pt. | Sb. | Nd. | |
| Sprawdź działanie blokady bezpieczeństwa. | |||||||
| Sprawdź działanie hamulca postojowego. | |||||||
| Sprawdź poziom paliwa. | |||||||
| Sprawdź poziom oleju w silniku. | |||||||
| Sprawdź filtr powietrza. | |||||||
| Oczyść żeberka chłodzące silnika. | |||||||
| Sprawdź, czy z silnika nie dobiegają nietypowe odgłosy. | |||||||
| Sprawdź, czy podczas eksploatacji nie słychać żadnych nietypowych odgłosów. | |||||||
| Sprawdź regulację wirnika względem noża dolnego. | |||||||
| Sprawdź ustawienie wysokości cięcia. | |||||||
| Nasmaruj wszystkie elementy mocujące. | |||||||
| Zamaluj miejsca z uszkodzonym lakierem. | |||||||
| Osoba przeprowadzająca przegląd: | ||
| Pozycja | Data | Informacje |
Podczas konserwacji lub regulacji maszyny ktoś może uruchomić silnik. Przypadkowe uruchomienie silnika może spowodować poważne obrażenia operatora lub osób postronnych.
Przed przeprowadzeniem prac konserwacyjnych wyłącz silnik, załącz hamulec postojowy i odłącz przewody od świec zapłonowych. Odłóż ponadto przewody na bok, tak by przypadkowo nie zetknąć ich ze świecami zapłonowymi.
Przed przeprowadzaniem serwisowania, czyszczenia lub regulacji maszyny:
Ustaw maszynę na równym podłożu.
Wyłącz silnik i wyjmij kluczyk ze stacyjki (jeżeli występuje).
Zaciągnij hamulec postojowy.
Przez przystąpieniem do serwisowania, przechowywania lub przeprowadzania napraw zaczekaj aż wszystkie części ruchome się zatrzymają i odczekaj aż silnik ostygnie.
Odłącz przewód od świecy zapłonowej (Rysunek 21).

| Częstotliwość serwisowania | Procedura konserwacji |
|---|---|
| Co 25 godzin |
|
Wtłocz smar nr 2 na bazie litu do 12 smarowniczek maszyny. W celu uzyskania najlepszych rezultatów zaleca się stosowanie smarownicy ręcznej.
Lokalizacje smarowniczek są następujące:
2 na przedniej rolce (Rysunek 22)
2 na tylnych łożyskach (Rysunek 22)
2 na osiach bębnowych (Rysunek 23)
3 na mechanizmie różnicowym (Rysunek 23)
2 na łożyskach wału pośredniego wirnika (Rysunek 24)
1 na czopach koła pasowego luźnego (Rysunek 25).
Przetrzyj każdą smarowniczkę czystą szmatką.
Wpompuj smar do każdej smarowniczki.
Important: Nie zwiększaj nadmiernie ciśnienia, gdyż może to spowodować trwałe uszkodzenie uszczelek smarnych.
Usuń nadmiar smaru.




Nie zmieniaj ustawień regulatora silnika ani nie ustawiaj nadmiernej prędkości obrotowej.
Poczekaj, aż pracujący silnik zgaśnie z braku paliwa lub usuń je pompką ręczną; nigdy nie odciągaj paliwa za pomocą lewara. Ewentualne opróżnianie zbiornika paliwa należy przeprowadzać na zewnątrz.
Przed uruchomieniem wlej do skrzyni korbowej około 0,56 litra oleju o właściwej lepkości. Silnik jest przystosowany do oleju wysokiej jakości posiadającego klasyfikację roboczą SJ lub wyższą wg Amerykańskiego Instytutu Petrochemicznego (API). Właściwą lepkość oleju (gęstość”) należy dobrać w zależności od temperatury otoczenia. Rysunek 26 ilustruje zalecenia odnośnie do temperatury/lepkości.

Note: Zastosowanie olejów uniwersalnych (5W-20, 10W-30 oraz 10W-40) zwiększy zużycie oleju. W przypadku stosowania takich olejów należy częściej sprawdzać poziom oleju.
| Częstotliwość serwisowania | Procedura konserwacji |
|---|---|
| Przed każdym użyciem lub codziennie |
|
Idealnym momentem na sprawdzenie poziomu oleju jest, gdy silnik jest zimny lub przed uruchomieniem silnika w danym dniu. Jeśli silnik został już włączony, przed sprawdzeniem odczekaj co najmniej 10 minut, aż olej spłynie do miski olejowej.
Wyłącz silnik i zaczekaj, aż wszystkie ruchome części się zatrzymają, patrz Przygotowanie maszyny do konserwacji.
Ustaw kosiarkę tak, aby silnik był wypoziomowany, i oczyść obszar wokół rury wlewu oleju (Rysunek 27).

Wykręć prętowy wskaźnik poziomu oleju przekręcając go w lewo.
Wyjmij wskaźnik poziomu oleju i wytrzyj końcówkę do czysta.
Wsuń wskaźnik poziomu całkowicie do szyjki wlewu oleju, ale nie wkręcaj go.
Wyjmij wskaźnik poziomu i sprawdź poziom oleju (Rysunek 28).

Jeżeli poziom oleju jest niewłaściwy, dolej oleju lub spuść go, aby uzyskać właściwy poziom, patrz Wymiana oleju silnikowego.
| Częstotliwość serwisowania | Procedura konserwacji |
|---|---|
| Po pierwszych 20 godzinach |
|
| Co 100 godzin |
|
Po uruchomieniu silnika olej może być gorący, dlatego kontakt z nim może doprowadzić do poważnych obrażeń.
Unikaj kontaktu z gorącym olejem silnikowym podczas opróżniania silnika.
Wyłącz silnik i zaczekaj, aż wszystkie ruchome części się zatrzymają, patrz Przygotowanie maszyny do konserwacji.
Umieść płaski pojemnik na olej pod korkiem spustowym.
Wykręć korek spustowy, podkładkę i wskaźnik poziomu (Rysunek 27).
Ustaw silnik tak, aby olej spłynął z silnika.
Po całkowitym spłynięciu oleju ustaw silnik poziomo i przykręć korek spustowy z nową podkładką.
Note: Oddaj zużyty olej do odpowiedniego centrum utylizacji.
Powoli wlewaj olej przez otwór wlewu oleju aż do uzyskania właściwego poziomu.
Upewnij się, że olej znajduje się we właściwym miejscu na wskaźniku poziomu, patrz Sprawdzanie poziomu oleju w silniku.
Wkręć wskaźnik poziomu do otworu wlewu oleju.
Wytrzyj cały rozlany olej.
Podłącz kabel do świecy zapłonowej.
| Częstotliwość serwisowania | Procedura konserwacji |
|---|---|
| Przed każdym użyciem lub codziennie |
|
| Co 50 godzin |
|
| Co 300 godzin |
|
Important: Zabrania się eksploatacji silnika bez filtra powietrza; doprowadzi to do poważnego uszkodzenia silnika.
Wyłącz silnik i zaczekaj, aż wszystkie ruchome części się zatrzymają, patrz Przygotowanie maszyny do konserwacji.
Odkręć nakrętkę motylkową mocującą pokrywę filtra powietrza (Rysunek 29).
Zdejmij pokrywę filtra powietrza.
Note: Zwróć uwagę, aby brud ani osady z pokrywy filtra powietrza nie wpadły na podstawę.
Zdejmij z podstawy wkłady piankowy i papierowy.
Wyjmij wkład piankowy z wkładu papierowego.
Sprawdź oba wkłady, piankowy oraz papierowy, i wymień je, jeżeli są uszkodzone lub zbyt zabrudzone.

Oczyść wkład papierowy, uderzając nim delikatnie w celu usunięcia zabrudzeń.
Note: Nie usuwaj zanieczyszczeń z wkładu papierowego szczotką; szczotkowanie powoduje wciskanie zanieczyszczeń we włókna. Wymień wkład, jeżeli uderzanie nim nie usunie zabrudzeń.
Umyj wkład piankowy w ciepłej wodzie z mydłem lub za pomocą niepalnego rozpuszczalnika.
Note: Do czyszczenia wkładu piankowego nie używaj benzyny, ponieważ groziłoby to pożarem lub wybuchem.
Dokładnie opłucz i wysusz piankowy wkład filtra.
Zetrzyj zabrudzenia z podstawy i pokrywy filtra za pomocą wilgotnej szmatki.
Note: Dopilnuj, aby zanieczyszczenia nie spadły do kanału dolotowego prowadzącego do gaźnika.
Zamontuj wkłady filtra powietrza, upewniając się, że są prawidłowo ustawione. Przykręć dolną nakrętkę motylkową.
Załóż pokrywę i przykręć górną nakrętkę motylkową, aby ją zamocować.
| Częstotliwość serwisowania | Procedura konserwacji |
|---|---|
| Co 100 godzin |
|
| Co 300 godzin |
|
Należy korzystać ze świec NGK BPR6ES lub ich odpowiednika.
Wyłącz silnik i zaczekaj, aż wszystkie ruchome części się zatrzymają, patrz Przygotowanie maszyny do konserwacji.
Wyczyść obszar wokół świecy zapłonowej.
Wyjmij świecę zapłonową z głowicy cylindra.
Important: Wymień, jeśli świeca jest pęknięta lub zanieczyszczona. Nie piaskuj, nie oskrobuj ani nie czyść elektrod, gdyż piach wnikający do cylindra może uszkodzić silnik.
Ustaw szczelinę na świecy na od 0,7 mm do 0,8 mm

Ostrożnie załóż świecę ręcznie (aby uniknąć przekoszenia gwintu), dokręcając do wyczuwalnego ręką oporu.
Dokręć świecę zapłonową o dodatkowe ½ obrotu, jeżeli jest nowa; w przeciwnym razie dokręć o dodatkowe ⅛ do ¼ obrotu.
Important: Zbyt luźno dokręcona świeca może prowadzić do przegrzania i uszkodzenia silnika, a zbyt mocno dokręcona może uszkodzić gwint w głowicy cylindra.
Podłącz kabel do świecy zapłonowej.
Jeżeli wyłącznik wymaga regulacji lub wymiany, zastosuj następującą procedurę.
Upewnij się, że silnik jest wyłączony, a dźwignia jazdy odłączona i ustawiona w położeniu zatrzymania neutralnego (Rysunek 31).

Poluzuj elementy mocujące wyłącznika blokady (Rysunek 31).
Umieść podkładkę o grubości 0,8 mm między dźwignią jazdy a włącznikiem blokady (Rysunek 31).
Dokręć elementy złączne mocujące włącznik blokady i ponownie sprawdź odstęp.
Note: Dźwignia jazdy nie może stykać się z wyłącznikiem.
Załącz dźwignię jazdy i upewnij się, że wyłącznik stracił ciągłość.
Note: W razie potrzeby wymień przełącznik.
Jeżeli hamulec roboczy/postojowy ślizga się podczas pracy, należy go wyregulować.
Załącz hamulec roboczy, naciśnij pokrętło hamulca postojowego i pozwól, aby hamulec roboczy mógł oprzeć się na trzpieniu hamulca postojowego (Rysunek 32).

Używając wagi sprężynowej, naciśnij wstecz dźwignię hamulca roboczego (Rysunek 33). Zwolnienie hamulca postojowego powinno nastąpić wówczas, gdy osiągnięta zostanie siła pomiędzy 13,5 a 18 kg. Jeżeli zwolnienie hamulca postojowego następuje przed przyłożeniem siły o wartości pomiędzy 13,5 a 18 kg, należy wyregulować linkę hamulca.

Poluzuj element ustalający mocujący pokrywę paska klinowego i otwórz pokrywę poprzez jej obrócenie (Rysunek 34).

Aby wyregulować napięcie linki hamulca, postępuj w następujący sposób.
Aby zmniejszyć napięcie linki, poluzuj przednią przeciwnakrętkę linki i dokręć tylną przeciwnakrętkę (Rysunek 35). W razie potrzeby powtórz kroki 1 i 2 i ponownie wyreguluj napięcie.
Aby zwiększyć napięcie linki, dokręć przednią przeciwnakrętkę linki i poluzuj tylną przeciwnakrętkę (Rysunek 35). W razie potrzeby powtórz kroki 1 i 2 i ponownie wyreguluj napięcie.
Note: Regulację linki można wykonać przy wspornikach przeciwnakrętek przy panelu sterowania lub przy wsporniku u podstawy silnika.

Zamknij pokrywę i zamocuj element ustalający.
Dopilnuj, żeby paski były odpowiednio napięte, aby zapewnić prawidłową pracę maszyny i zapobiec niepotrzebnemu zużyciu. Często sprawdzaj paski.
Usuń elementy mocujące pokrywę paska oraz pokrywę paska w celu jego odsłonięcia (Rysunek 36).

Sprawdź napięcie, naciskając pas w połowie rozpiętości między kołami (Rysunek 37) z siłą od 18 do 22 N. Ugięcie paska powinno wynosić 6 mm.

Wykonaj następujące czynności w celu wyregulowania napięcia paska:
Poluzuj nakrętkę mocującą koło pasowe luźne i obróć je w kierunku zgodnym z kierunkiem ruchu wskazówek zegara w stronę tylnej części paska aż do uzyskania wymaganego napięcia paska (Rysunek 37).
Important: Nie napinaj paska zbyt mocno.
Dokręć nakrętkę w celu zablokowania regulacji.
Zamontuj pokrywę paska poprzez umieszczenie jej na swoim miejscu.
Zachowując niewielką szczelinę między uszczelką pokrywy a płytą boczną, zamontuj każdą śrubę mocującą, aż gwinty złapią wkładkę.
Note: Szczelina umożliwia wizualne wyrównanie śrub do gwintowanych wkładek.
Po zamontowaniu wszystkich śrub, dokręć je do momentu, aż kołki wewnątrz pokrywy zetkną się z płytą boczną.
Note: Nie dokręcaj śrub zbyt mocno.
Usuń elementy mocujące pokrywę paska oraz pokrywę paska w celu jego odsłonięcia (Rysunek 38).

Sprawdź napięcie, naciskając pas w połowie rozpiętości między kołami (Rysunek 39) z siłą od 18 do 22 N.
Note: Ugięcie paska powinno wynosić 6 mm.

Wykonaj następujące czynności w celu wyregulowania napięcia paska:
Poluzuj nakrętkę mocującą koło pasowe luźne i obróć je w kierunku zgodnym z kierunkiem ruchu wskazówek zegara w stronę tylnej części paska aż do uzyskania wymaganego napięcia paska (Rysunek 39).
Important: Nie napinaj paska zbyt mocno.
Dokręć nakrętkę w celu zablokowania regulacji.
Zamontuj pokrywę paska poprzez umieszczenie jej na swoim miejscu.
Zachowując niewielką szczelinę między uszczelką pokrywy a płytą boczną, zamontuj każdą śrubę mocującą, aż gwinty złapią wkładkę.
Note: Szczelina umożliwia wizualne wyrównanie śrub do gwintowanych wkładek.
Po zamontowaniu wszystkich śrub, dokręć je do momentu, aż kołki wewnątrz pokrywy zetkną się z płytą boczną.
Note: Nie dokręcaj śrub zbyt mocno.
Usuń śruby mocujące przednie i tylne sekcje pokrywy mechanizmu różnicowego do obudowy mechanizmu różnicowego i rozsuń sekcje pokrywy, aby odsłonić pasek.
Sprawdź napięcie, wywierając nacisk na pasek w połowie rozpiętości między kołami (Rysunek 40) o sile w zakresie od 22 do 26 N.
Note: Ugięcie paska powinno wynosić 6 mm.

Wykonaj następujące czynności w celu wyregulowania napięcia paska:
Poluzuj nakrętkę mocującą koło pasowe luźne i obróć je w kierunku zgodnym z kierunkiem ruchu wskazówek zegara w stronę tylnej części paska aż do uzyskania wymaganego napięcia paska (Rysunek 40).
Important: Nie napinaj paska zbyt mocno.
Dokręć nakrętkę w celu zablokowania regulacji.
Zamontuj pokrywę paska poprzez umieszczenie jej na swoim miejscu.
Zachowując niewielką szczelinę między uszczelką pokrywy a płytą boczną, zamontuj każdą śrubę mocującą, aż gwinty złapią wkładkę. Szczelina umożliwia wizualne wyrównanie śrub do gwintowanych wkładek.
Po zamontowaniu wszystkich śrub, dokręć je do momentu, aż kołki wewnątrz pokrywy zetkną się z płytą boczną. Nie dokręcaj śrub zbyt mocno.
Aby wyregulować napięcie głównych pasków klinowych, najpierw sprawdź regulację sterowania jazdy, patrz Regulacja elementu sterującego jazdą.
Jeżeli paski ślizgają się po wyregulowaniu sterowania jazdą, przejdź do kolejnego kroku.
Poluzuj element ustalający mocujący pokrywę paska klinowego i otwórz pokrywę poprzez jej obrócenie (Rysunek 41).

Aby zwiększyć napięcie paska, poluzuj śruby mocujące silnik i przesuń silnik do tyłu w szczelinach.
Important: Nie napinaj paska zbyt mocno.
Dokręć śruby mocujące.
Note: Po zainstalowaniu nowych pasków klinowych odległość między środkami koła napędowego a koła napędzanego powinna wynosić około 12,7 cm.
Po napięciu głównych pasków klinowych, sprawdź wyosiowanie koła wału odbiorczego silnika oraz koła wału pośredniego do prostej krawędzi.
Jeżeli koła nie są wzajemnie wyrównane, poluzuj śruby mocujące podstawę silnika do ramy maszyny i przesuń silnik z jednej strony w drugą aż do wyrównania kół z dokładnością do 0,7 cm.
Dokręć śruby mocujące i sprawdź wyosiowanie.
Aby móc łatwiej popchnąć lub pociągnąć urządzenie bez uruchamiania silnika, wyreguluj prowadnicę paska (Rysunek 42, odsadzenie) w sposób następujący:
Załącz sprzęgło.
Dokręć przeciwnakrętkę mocującą koło pasowe luźne i prowadnicę paska do ramienia koła pasowego luźnego.
Przekręć prowadnicę paska w kierunku zgodnym z ruchem wskazówek zegara aż do uzyskania szczeliny wynoszącej około 1,5 mm między palcem prowadnicy a tylną stroną pasków napędowych.
Dokręć przeciwnakrętkę mocującą koło pasowe luźne i prowadnicę paska do ramienia koła pasowego luźnego.

Zamknij pokrywę i zamocuj element ustalający.
Wykręć śruby mocujące pokrywy pasków napędu jezdnego i napędu wirnika do prawej płyty, a następnie zdejmij pokrywy pasków.
Poluzuj nakrętkę mocującą koło pasowe luźne na każdym kole pasowym luźnym i obróć każde je w kierunku przeciwnym do kierunku ruchu wskazówek zegara od tyłu każdego paska w celu zwolnienia napięcia paska.
Usuń paski.
Usuń śruby mocujące przednie i tylne sekcje pokrywy mechanizmu różnicowego do obudowy mechanizmu różnicowego i rozsuń sekcje pokrywy, aby odsłonić pasek (Rysunek 43).

Poluzuj nakrętkę mocującą koło pasowe luźne na kole pasowym luźnym mechanizmu różnicowego i obróć je w kierunku przeciwnym do kierunku ruchu wskazówek zegara od tyłu paska w celu zwolnienia napięcia paska.
Usuń 2 śruby i 2 nakrętki zabezpieczające mocujące obudowę przedniego sprzęgła do płyty bocznej (Rysunek 43).
Obróć obudowę o 180°, tak aby spód obudowy był skierowany do góry.
Usuń 2 śruby i 2 nakrętki zabezpieczające mocujące obudowę tylnego prawego łożyska do płyty bocznej (Rysunek 43).
Obróć obudowę o 180°, tak aby spód obudowy był skierowany do góry.
Usuń stary pasek.
Wsuń nowy pasek przez obrócone pokrywy obudowy i sekcje pokrywy mechanizmu różnicowego na koła pasowe mechanizmu różnicowego.
Dopilnuj, aby koło pasowe luźne było ustawione naprzeciw tylnej strony paska.
Obróć obie obudowy z powrotem do położenia pionowego i zamocuj je do płyty bocznej za pomocą wcześniej zdemontowanych śrub i nakrętek.
Wyreguluj napięcie paska mechanizmu różnicowego; patrz Regulacja paska mechanizmu różnicowego.
Wyreguluj napięcie pasków napędowych jazdy i napędowych wirnika; patrz Regulacja paska napędu jezdnego oraz Regulacja paska napędu wirnika.
Zamontuj pokrywy mechanizmu różnicowego, napędu jezdnego i napędu wirnika.
Aby usunąć luz z elementu sterującego jazdą:
Ustaw element sterujący jazdą w położeniu DISENGAGED (odłączono).
Poluzuj element ustalający mocujący pokrywę paska klinowego i otwórz pokrywę poprzez jej obrócenie (Rysunek 41).
Aby usunąć luz z elementu sterującego jazdą, luzuj przeciwnakrętkę przedniej linki i dokręcaj przeciwnakrętkę tylnej linki (Rysunek 44), aż luz zostanie usunięty.

Dociągnij przeciwnakrętkę przedniej linki.
Zamknij pokrywę i zamocuj element ustalający.
Sprawdź działanie napędu jezdnego.
Zachowaj ostrożność podczas sprawdzania wirnika. Używaj rękawic i zachowaj ostrożność podczas serwisowania wirnika.
Uszkodzone lub zużyte ostrze lub nóż dolny może się złamać, a jego kawałki mogą zostać wyrzucone w kierunku operatora lub osób postronnych, powodując poważne obrażenia ciała lub śmierć.
Regularnie sprawdzaj ostrza i noże dolne pod kątem zużycia i uszkodzeń.
Podczas sprawdzania stanu ostrzy zachowaj szczególną ostrożność. Używaj rękawic i zachowaj ostrożność podczas sprawdzania ich działania. Ostrza i nóż dolny można wymieniać lub naostrzyć, nie wolno ich prostować ani spawać.
Zaparkuj urządzenie na płaskiej, poziomej powierzchni; jeśli to możliwe – na roboczym stalowym blacie do prac precyzyjnych.
Umieść płaski pasek stalowy o rozmiarze 0,6 x 2,5 cm, o długości wynoszącej około 73,6 cm pod nożami wirnika i naprzeciw przedniej krawędzi noża dolnego, aby zapobiec opieraniu się noża dolnego o powierzchnię roboczą.
Podnieś rolkę przednią tak, aby tylko tylny bęben i wirnik znajdowały się na powierzchni.
Mocno naciśnij na urządzenie ponad wirnikiem, tak aby wszystkie noże wirnika zetknęły się ze stalowym paskiem.
Naciskając w dół na wirnik, wsuń szczelinomierz pod jeden koniec bębna, a następnie sprawdź drugi koniec bębna.
Note: Jeżeli między bębnem a powierzchnią roboczą występuje szczelina większa niż 0,25 mm na którymkolwiek końcu, wyreguluj bęben (postępuj według kroku 6). Jeżeli szczelina jest mniejsza niż 0,25 mm, regulacja nie jest konieczna.
Zdemontuj pokrywę paska tylnego z prawej strony urządzenia (Rysunek 45).

Obróć koło napędzane do momentu, aż nastąpi zrównanie otworów z 4 śrubami kołnierzowymi łożyska rolki (Rysunek 46).

Poluzuj 4 śruby łożyska rolkowego oraz śrubę mocującą koło pasowe luźne.
Unieś lub obniż prawą stronę zespołu rolki tak, aby szczelina była mniejsza niż 0,25 mm.
Dokręć śruby łożyska rolki.
Wyreguluj napięcie paska i dokręć śrubę mocującą koło pasowe luźne (Rysunek 46).
Po szlifowaniu, ostrzeniu na obrotach wstecznych lub demontażu jednostki tnącej należy wyregulować nóż dolny. Procedura ta nie powinna być stosowana jako codzienna metoda regulacji.
Zaparkuj urządzenie na płaskiej, poziomej powierzchni roboczej.
Przechyl maszynę do tyłu na uchwycie, aby odsłonić nóż dolny i wirnik.
Important: Nie przechylaj maszyny pod kątem większym niż 25°. Przechylenie maszyny o więcej niż 25° spowoduje spływanie oleju do komory spalania i/lub wycieki paliwa przez korek zbiornika paliwa.
Obróć wirnik, aby ostrze przechodziło między łbami pierwszej i drugiej śruby noża dolnego po prawej stronie zespołu tnącego (Rysunek 47).

Obróć wirnik, aby ostrze przechodziło między łbami pierwszej i drugiej śruby noża dolnego po prawej stronie zespołu tnącego.
Wsuń podkładkę o wymiarze 0,05 mm między oznaczone ostrze a krawędź noża dolnego w punkcie, w którym oznaczone ostrze przechodzi przez krawędź noża dolnego.
Obracaj prawą śrubę regulacyjną listwy noża dolnego do momentu, aż poczujesz lekki opór (tj. ściąganie) na podkładce poprzez przesuwanie jej z jednej strony na drugą (Rysunek 47).
Zdemontuj podkładkę.
Odnośnie do lewej strony zespołu tnącego, powoli obróć wirnik tak, aby najbliższe ostrze przechodziło przez krawędź noża dolnego między łbami pierwszej i drugiej śruby.
Powtórz kroki od 4 do 7 dla lewej strony zespołu tnącego i lewej śruby regulacyjnej listwy noża dolnego.
Powtórz kroki od 5 do 7 aż do osiągnięcia lekkiego oporu ruchu zarówno po prawej jak i lewej stronie zespołu tnącego z wykorzystaniem tych samych punktów stycznych.
Aby uzyskać lekką styczność między wirnikiem a nożem dolnym, obróć każdą śrubę regulacyjną noża dolnego w prawo o 3 kliknięcia.
Note: Każde kliknięcie śruby regulacyjnej listwy noża dolnego przesuwa nóż dolny o 0,018 mm. Obracanie w kierunku zgodnym z kierunkiem ruchu wskazówek zegara przesuwa krawędź noża dolnego bliżej wirnika, a obracanie w kierunku przeciwnym do kierunku ruchu wskazówek zegara odsuwa krawędź noża dalej od wirnika.
Przetestuj efektywność cięcia poprzez wsunięcie długiego paska papieru do testu cięcia między wirnik a nóż dolny, prostopadle do noża dolnego (Rysunek 48). Powoli obracaj bęben do przodu – powinien on przeciąć papier.

Note: Jeżeli wyraźnie występuje nadmiernie intensywna styczność/ściąganie wirnika, konieczne będzie ostrzenie wsteczne, zlicowanie przedniej części noża dolnego lub oszlifowanie zespołu tnącego w celu uzyskania ostrych krawędzi koniecznych do uzyskania precyzyjnego cięcia.
Sprawdź, czy tylna rolka jest wypoziomowana oraz czy styczność noża dolnego i wirnika jest prawidłowa. Przechyl maszynę do tyłu na uchwycie, aby odsłonić przednią i tylną rolkę oraz nóż dolny.
Important: Nie przechylaj maszyny pod kątem większym niż 25°. Przechylenie maszyny o więcej niż 25° spowoduje spływanie oleju do komory spalania i/lub wycieki paliwa przez korek zbiornika paliwa.
Poluzuj nakrętki zabezpieczające mocujące ramiona wysokości cięcia do wsporników wysokości cięcia (Rysunek 49).

Poluzuj nakrętkę na pręcie wskaźnika (Rysunek 50) i ustaw śrubę regulacyjną na wymaganą wysokość cięcia. Odległość między spodem łba śruby a czołem pręta stanowi wysokość cięcia.

Zahacz łeb śruby o krawędź tnącą noża dolnego i oprzyj tylny koniec drążka na rolce tylnej (Rysunek 51).

Obróć śrubę regulacyjną aż do uzyskania styczności rolki z przednią częścią drążka wskaźnika.
Wyreguluj oba końce rolki aż do uzyskania równoległości całej rolki względem noża dolnego.
Important: Przy prawidłowym ustawieniu rolki tylna i przednia będą się stykać z drążkiem wskaźnika, a śruba będzie dociśnięta do noża dolnego. Pozwala to na upewnienie się, że wysokość koszenia jest identyczna po obu końcach noża dolnego.
Dokręć nakrętki w celu zablokowania regulacji.
Important: Aby zapobiec efektowi zdzierania falistej murawy, upewnij się, że wsporniki rolki są ustawione do tyłu (rolka znajdująca się bliżej wirnika).
Note: Rolka przednia może być ustawiona w trzech różnych położeniach (Rysunek 52), zależnie od zastosowania i potrzeb użytkownika.
W przypadku zamontowania szczotki, zastosuj położenie przednie.
Gdy szczotka nie występuje, zastosuj położenie środkowe.
W przypadku skrajnej falistości murawy, zastosuj położenie trzecie.

Wyreguluj osłonę, aby zapewnić właściwy wyrzut ścinków trawy do kosza.
Zmierz odległość od góry przedniego drążka wsporczego do przedniej krawędzi osłony na obu końcach zespołu tnącego (Rysunek 53).

Wysokość osłony względem drążka wsporczego w normalnych warunkach cięcia powinna wynosić 10 cm. Poluzuj śruby i nakrętki mocujące każdy koniec osłony do płyty bocznej i wyreguluj osłonę do uzyskania prawidłowej wysokości.
Dokręć elementy mocujące.
Note: Osłonę można obniżyć w warunkach suchej trawy (ścinki przelatują ponad koszem) lub podwyższyć, aby uwzględnić specyfikę ciężkiej i mokrej trawy (ścinki gromadzą się w tylnej części kosza).
Wyreguluj nóż odcinający tak, aby zapewnić równy strumień wyrzutu ścinków z obszaru wirnika.
Poluzuj śruby mocujące belkę górną (Rysunek 54) do zespołu tnącego.

Wsuń szczelinomierz o wymiarze 1,5 mm między górną część wirnika a listwę noża i dokręć śruby.
Upewnij się, że nóż i wirnik znajdują się w równej odległości od siebie na długości całego wirnika.
Note: Nóż można regulować w celu dostosowania do zmian w ukształtowaniu murawy. W przypadku gdy murawa jest szczególnie mokra, przybliż nóż do wirnika. I odwrotnie, w przypadku gdy murawa jest sucha, oddal nóż od wirnika. Aby zapewnić optymalną efektywność, nóż powinien być równoległy do wirnika. Wyreguluj nóż za każdym razem po regulacji wysokości osłony lub po ostrzeniu wirnika na szlifierce do wirników.
W celu ustalenia, czy nóż dolny działa w sposób standardowy, czy agresywny, sprawdź lewe ucha mocowania noża dolnego. Jeżeli ucha mocujące są zaokrąglone, jest to nóż dolny standardowy. Jeżeli ucha mocujące posiadają wewnątrz nacięcie, jest to nóż dolny agresywny (Rysunek 55).

Obróć śrubę regulacyjną listwy noża dolnego w lewo, aby odsunąć nóż dolny od wirnika (Rysunek 56).

Odkręcaj nakrętkę naciągu sprężyny do momentu, gdy podkładka nie będzie już dociśnięta do listwy noża dolnego (Rysunek 56).
Po każdej stronie urządzenia poluzuj przeciwnakrętkę mocującą śrubę noża dolnego (Rysunek 57).

Zdemontuj każdą śrubę noża dolnego, umożliwiając tym samym usunięcie i demontaż noża dolnego z urządzenia. Pozostaw 2 nylonowe i 2 tłoczone stalowe podkładki na każdym końcu noża dolnego (Rysunek 57).
Zamontuj nóż dolny, ustawiając ucha mocujące między podkładką a regulatorem noża dolnego.
Zamocuj nóż dolny do każdej płyty bocznej za pomocą śrub noża dolnego (przeciwnakrętki na śrubach) i 8 podkładek.
Note: Załóż podkładkę nylonową na każdej stronie wypukłości płyty bocznej. Załóż podkładkę stalową na zewnątrz każdej z podkładek nylonowych.
Dokręć śruby z momentem od 27 do 36 N·m.
Dokręć przeciwnakrętki do momentu, gdy zewnętrzne podkładki oporowe będą się swobodnie obracać.
Dokręć nakrętkę regulacyjną naprężenia sprężyny do momentu ściśnięcia sprężyny, a następnie cofnij ją o ½ obrotu.
Wyreguluj nóż dolny; patrz Regulacja noża dolnego względem wirnika.
Zdemontuj zatyczkę w prawej pokrywie napędu wirnika (Rysunek 58).

Wsuń pręt przedłużający ½-calowy, połączony z maszyną do ostrzenia wstecznego, w kwadratowy otwór pośrodku koła pasowego wirnika.
Wykonaj ostrzenie wsteczne zgodnie z procedurą zawartą w Instrukcji ostrzenia kosiarek wirnikowych i obrotowych Toro, Formularz nr 80-300 PT.
Kontakt z głowicami tnącymi oraz innymi częściami tnącymi może spowodować obrażenia ciała.
Podczas ostrzenia wstecznego trzymaj się z dala od wirnika.
Nigdy nie używaj do ostrzenia wstecznego pędzla malarskiego na krótkim uchwycie. Kompletny zespół uchwytu, część nr 29-9100, lub poszczególne części są dostępne u autoryzowanego dystrybutora Toro.
Note: Aby uzyskać lepszą jakość krawędzi tnącej, przejedź pilnikiem w poprzek przedniej powierzchni noża dolnego, gdy czynność ostrzenia zostanie zakończona. Pozwoli to usunąć wszelkie zadziory lub chropowatości krawędzi, które mogły powstać na krawędzi tnącej.
Po zakończeniu tej operacji zamontuj zatyczkę w pokrywie.
Zanim opuścisz stanowisko operatora, wyłącz silnik, wyjmij kluczyk (jeżeli występuje) i poczekaj na zatrzymanie wszystkich ruchów roboczych. Przed przystąpieniem do regulacji, obsługi technicznej, czyszczenia lub przed składowaniem maszyny odczekaj, aż maszyna ostygnie.
Nie przechowuj maszyny ani kanistra na paliwo w miejscach występowania otwartego ognia, tam gdzie występuje iskrzenie lub stosowany jest płomyk dyżurny, na przykład przy piecykach gazowych lub innych urządzeniach.
Usuń skoszoną trawę i zabrudzenia z zewnętrznych części całego urządzenia, a w szczególności z silnika. Usuń zanieczyszczenia i ścinki znajdujące się na żeberkach chłodzących cylindrów i głowicy silnika oraz obudowie dmuchawy.
Important: Urządzenie można myć łagodnym detergentem i wodą. Nie myć urządzenia wodą pod wysokim ciśnieniem. Należy unikać zbyt długiego kontaktu z wodą, szczególnie w pobliżu płyty dźwigni zmiany biegów oraz silnika.
W przypadku dłuższego przechowywania (powyżej 30 dni) należy wlać do zbiornika paliwa stabilizator / środek kondycjonujący.
Uruchom silnik na 5 minut w celu rozprowadzenia paliwa z dodatkiem uszlachetniającym w układzie paliwowym.
Wyłącz silnik, odczekaj aż ostygnie, po czym spuść zawartość zbiornika paliwa lub pozostaw silnik uruchomiony aż do jego samoczynnego wyłączenia.
Uruchom silnik i pozwól, aby pracował aż do wyłączenia. Ponownie uruchom silnik z wyłączonym ssaniem, aż uruchomienie silnika nie będzie możliwe.
Odłącz przewód od świecy zapłonowej.
Odpowiednio zutylizuj paliwo. Utylizacja powinna zostać przeprowadzona zgodnie z obowiązującymi przepisami.
Note: Paliwa z dodatkiem środka stabilizującego/uszlachetniającego nie przechowuj dłużej niż okres zalecany przez producenta środka stabilizującego.
Sprawdź i dokręć wszystkie śruby, nakrętki i wkręty. Napraw lub wymień wszystkie uszkodzone lub zużyte elementy.
Pomaluj wszystkie porysowane lub niepokryte powierzchnie metalowe. Lakier można kupić u autoryzowanego dealera marki Toro.
Przechowuj urządzenie w czystym, suchym garażu lub magazynie. Przykryj urządzenie w celu jego zabezpieczenia i utrzymania w czystości.