| 维护间隔时间 | 维护程序 |
|---|---|
| 在每次使用之前或每日 |
|
本机器是一款手扶式、滚刀刀片草坪剪草机,需由商业应用领域雇用的专业操作员进行操作。主要为了在保养得很好的草坪上进行剪草作业而设计。将本产品用于指定用途以外的其他目的可能会对您和旁观者造成危害。
请仔细阅读本手册,了解如何正确操作及维护您的产品,避免人身伤害和产品损坏。正确并安全地操作本产品是您的责任。
可访问 www.Toro.com,获取产品安全和操作培训材料、附件信息,查找代理商或注册产品。
当您需要关于维修保养、Toro 正品零件或其他方面的信息时,请联系 Toro 授权经销商,并准备好有关您的产品的型号和序列号等资料。型号和序列号位于后机架上的铭牌上。将型号、序列号写在提供的空白处。
Important: 您可以使用移动设备扫描序列号标贴上的二维码(如配备),以查阅保修、零售及其他产品信息。

本手册旨在确定潜在危险并列出安全警告标志(图2)所标示的安全信息,该标志表明了在不遵循建议的预防措施进行操作时可能造成的严重伤害或死亡事故。

本手册使用两个词语来突出信息。重要事项唤起人们对特殊机械信息的注意,而注意则强调值得特别关注的一般信息。
此产品遵循欧盟所有相关指令,详情请参阅另外提供的、特定产品的合格证明(DOC)单页。
如果该发动机的消火花消声器(定义见第 4442条)工作不正常,或发动机没有进行防火方面的隔离、装备或维护,根据《加利福尼亚州公共资源条例》(California Public Resource Code)第 4442 条或第 4443 条规定,在任何森林、灌木丛或草皮覆盖区域使用和操作该发动机均属违法。
随附的发动机用户手册介绍了美国环境保护局 (EPA) 和加州排放管制法中有关排放系统、维护和保修的信息。更换产品可通过发动机制造商订购。
在海平面以上 1,500m 操作本机器需要高海拔套件。请参阅您的 Honda 发动机《用户手册》。
加利福尼亚州
第65号提案中警告称:
本产品的发动机排出的废气含有加利福尼亚州已知的能致癌、致出生缺陷或损害生殖系统的化学物质。
使用此产品可能导致接触加利福尼亚州已知的能致癌、致出生缺陷或损害生殖系统的化学物质。
本机器根据 EN ISO 5395 和 ANSI B71.4-2017 标准进行设计,且当增加操作员到位套件和所需标贴时,可满足此类标准。
本产品可能切断手脚并抛掷物体。
在启动机器之前,请首先阅读并理解本操作员手册的内容。
操作机器时应全神贯注。不要从事任何引起分心的活动;否则,可能会造成人身伤害或财产损失。
切勿将手脚放在机器的活动组件附近。
请仅在所有防护装置和其他安全装置到位且可在机器上正常工作的情况下才操作机器。
让旁观者和儿童远离操作区。切勿让儿童操作机器。
关闭发动机、拔下钥匙(如配备)并等待所有移动完全停止,然后再离开操作员位置。等待机器冷却,然后再进行调整、维修、清洁或存放。
不当使用或维护本机器可能导致人身伤害。若要减少潜在伤害,请遵循这些安全说明并始终注意安全警告标志
,即小心、警告或危险等个人安全指示。不遵循这些说明可能导致人身伤害甚至死亡事故。
![]() |
任何潜在危险区附近均贴有操作员清晰可见的安全标贴和说明。更换受损或丢失的标贴。 |











Note: 请根据正常操作位置来判定机器的左侧和右侧。
此程序中需要的物件:
| 手柄 | 1 |
| 扎带 | 4 |
此程序中需要的物件:
| 右轮轴 | 1 |
| 左轮轴 | 1 |
用脚踩下支撑架,抓住手柄向上拉起,将机器支撑到支撑架上。
在轮轴的螺纹上涂抹螺纹紧固剂。
将右轮轴拧入机器右侧的驱动皮带轮(图7)。
Note: 右轮轴采用左旋螺纹。

上紧轮轴扭矩至 88~101Nm。
重复步骤 2 至 4,将左轮轴安装到机器左侧。
此程序中需要的物件:
| 行走轮 | 2 |
用脚踩下支撑架,抓住手柄向上拉起,将机器支撑到支撑架上。
将行走轮滑动到轴上。
转动行走轮锁定夹,使其离开轮的中心,将行走轮滑动到轴上(图8)。

前后旋转行走轮,直至其完全滑动到六角轴上,且锁定夹固定到驱动轴上的凹槽内。
对机器的另一侧重复相同的步骤。
将轮胎充气至 0.83~1.03bar。
小心地将机器从支撑架上放下。
操作机器之前,应完成以下调节:
此程序中需要的物件:
| 操作员到位套件(单独订购;请联系您的 Toro 授权经销商) | 1 |
要符合 EN ISO 5395 和 ANSI B71.4-2017 标准,请安装操作员到位套件(型号 112-9282);请参阅套件安装说明。
请联系 Toro 授权经销商以获得本套件。
磨合期仅需剪草 8 个小时。
机器最初几个小时的运行对未来的可靠性至关重要。您必须密切监控其性能,从而随时注意到并纠正可能导致大问题的小困难。在最初运行的几个小时期间,请经常检查机器是否有任何漏油、松动或任何其他故障的迹象。
请参阅发动机用户手册,了解建议的磨合期机油更换和维护程序。


牵引驱动控制杆(图12)位于控制台的右前侧。控制杆有 2 个位置:空档和前进。向前推动控制杆,接合牵引驱动装置。
On/Off(开启/关闭)开关(图12)位于控制台的上方。将开关移到 ON(开启)位置可以启动发动机,移到 OFF(关闭)位置可以关闭发动机。
行车刹车(图13)位于控制台的左前侧。您可使用行车刹车放慢或停止机器。

驻车刹车(图14)位于行车刹车的底部。完全接合行车刹车并推动驻车刹车旋钮,以便让行车刹车停靠在驻车刹车销上。接合行车刹车,松开驻车刹车。必须首先松开刹车,才能接合牵引驱动装置。

如果装备,操作员到位控制装置(图12)位于手柄的后部。推动操作员到位控制装置,使其紧贴手柄。您必须先接合操作员到位控制装置 ,然后才能移动牵引驱动控制杆。如果您松开操作员到位控制装置,发动机将关闭。
燃油切断阀位于发动机侧面的阻风门控制器下方(图16)。
Note: 机器几天不用、往返工作现场运输或当机器停驻在建筑物内时,请关闭燃油切断阀;请参阅打开和关闭燃油切断阀。
拉动反冲启动手柄(图16)启动发动机。
| 型号规格 | 型号 04055 |
| 宽度 | 91cm |
| 高度 | 114cm |
| 长度(含集草斗) | 122cm |
| 净重(带集草斗和槽纹滚筒;不带轮子或疏草滚刀) | 98kg |
| 剪草宽度 | 53cm |
| 剪草高度 | 1.6mm~31.8mm |
| 夹子 | 4.3mm |
| 发动机转速 | 低怠速:1,800~2,000rpm;高怠速:3,350~3,550rpm |
Toro 批准的一系列附件和配件可与机器一同使用,以提升和扩大其能力。请联系您的授权服务代理商或 Toro 授权经销商,或访问 www.Toro.com,获取所有经批准附件和配件的清单。
为保持机器的最佳性能和持续安全证明,请仅使用 Toro 正品更换零件和附件。其他制造商制造的更换件和附件可能引发危险,而且使用非正品可能使产品保修失效。
Note: 请根据正常操作位置来判定机器的左侧和右侧。
切勿让儿童或未接受过培训的人员操作或维修机器。当地法规可能对操作员的年龄有所限制。产品所有人负责培训所有操作员和机械师。
熟悉设备的安全操作、操作员控制装置和安全标识。
关闭发动机、拔下钥匙(如配备)并等待所有移动完全停止,然后再离开操作员位置。等待机器冷却,然后再进行调节、维修、清洁或存放。
了解如何快速停止机器和关闭机器。
检查操作员到位控制装置、安全开关和安全保护装置是否已安装,以及功能是否正常。如果机器运行不正常,切勿进行操作。
检查机器将要使用的区域,清除可能被机器抛起的所有物体。
处理燃油时要格外小心。燃油极度易燃,产生的蒸汽会发生爆炸。
应熄灭所有香烟、雪茄、烟斗及其他火源。
仅使用经批准的燃料容器。
在发动机运行或较热时,切勿拆下油箱盖或向油箱加油。
切勿在密闭的空间添加或排放燃油。
切勿将机器或燃油容器存放在有明火、火花或常明火的地方,例如热水器或其他电器上。
如果燃油溢出,切勿尝试启动发动机;避免形成火源,直到燃油蒸汽完全消散。
切勿在车内,或在带塑料衬垫的卡车或拖车上加油。加油前,应始终将容器放在远离车辆的地面上。
将设备从卡车或拖车上卸下,放在空地上再加油。如不可行,就用便携式容器给此类设备加油,尽量不使用燃料加油枪。
使用加油枪时,应始终使加油枪口与油箱或容器开口的边缘接触,直到完成加油过程。
执行日常维护程序;请参阅日常维护检查表。
每次使用之前或每运行 8 个小时后检查机油油位,请参阅 检查机油油位。
油箱容量:2.0L
推荐燃油:辛烷值为 87 或更高的无铅汽油((R+M)/2 分等法)
乙醇: 汽油,其中乙醇(乙醇汽油)体积与甲基叔丁基醚 (MTBE) 体积最高仅可分别为 10% 或 15%。乙醇与 MTBE 并不相同。不得使用乙醇体积占15%的(E15)的汽油。
切勿使用乙醇体积超过 10% 的汽油、例如 E15(含 15% 的乙醇)、E20(含 20% 乙醇)或 E85(含高达 85% 的乙醇)。
切勿使用含有甲醇的汽油。
切勿在越冬将燃油存放于燃油箱或燃油容器内,除非使用了燃油稳定剂。
切勿将机油添加到汽油中。
为取得最佳效果,请仅使用干净新鲜的汽油(少于 30 天)。
使用未经批准的汽油可能导致超出保修范围的性能问题和/或发动机损坏。
在特定条件下,燃油极为易燃易爆。燃油起火或爆炸会灼伤您和他人,而且还会造成财产损失。
请在发动机已冷却的状况下,在室外的开阔区域添加燃油。擦干净溢出的燃油。
切勿在封闭的拖车内加注燃油箱。
切勿将油箱完全加满。燃油油位最高只能加到油箱加油颈底部以下 6~13mm 处。油箱中留出的这部分空间是为了预防燃油发生膨胀。
处理燃油时切勿吸烟,而且要远离明火或燃油烟气容易被火花点燃的场所。
将燃油存放在规定容器内,远离儿童。切勿购买超过 30 天的燃油供应量。
切勿在整个排气系统没有到位且工作条件不适当时加油。
在某些情况下,静电可能会释放出能引燃汽油蒸气的火花。 燃油起火或爆炸会灼伤您和他人,而且还会造成财产损失。
加油前,总是把燃油容器放在远离机器的空地上。
不要在车辆内或在卡车或拖车上加油,因为里面的地毯或卡车上的塑料衬垫的绝缘效果,会减缓静电的释放。
可行时,将设备从卡车或拖车上卸下,放在地上再加油。如不可行,就用便携式容器给此类设备加油,尽量不使用燃料加油枪。
如果您必须使用加油枪,应始终使加油枪口与油箱或容器开口的边缘接触,直到完成加油过程。
吞咽燃油可导致伤害或死亡。长期接触油气可导致严重的人身伤害及疾病。
避免长时间呼吸燃油蒸汽。
确保您的面部远离加油枪、油箱或容器瓶开口。
避免与皮肤接触;请用肥皂和清水冲洗溢出物。
清理燃油箱盖附近的区域,从油箱上取下盖子(图17)。向燃油箱加油至加油颈开口的底部。
Important: 切勿将油箱加得过满。

装上燃油箱盖,擦干净溢出的燃油。
使用以下表格,将机器设置为与草坪状况相匹配。
| 零件号 | 描述 | 激进度 | 备注 |
| 112-9281-01 | 标准型 | 小 | 标配在 Greensmaster 1000上 |
| 112-9279-03 | 激进型 | 大 |
| 零件号 | 描述 | 剪草高度范围 | 备注 |
| 93-4262 | 微剪 | 1.57~3.1mm | |
| 115-1880 | EdgeMax 微剪 | 1.57~3.1mm | 标准 Greensmaster 1000 |
| 93-4263 | 比赛 | 3.1~6.0mm | |
| 115-1881 | EdgeMax 比赛 | 3.1~6.0mm | 更耐磨 |
| 93-4264 | 低剪 | 6.0mm 及以上 | |
| 108-4303 | 微剪延伸 | 1.57~3.1mm | 低激进度 |
| 零件号 | 描述 | 直径/材料 | 备注 |
| 99-6241 | 窄槽纹 | 50.8mm,铝制 | 标配,5.08mm 间距 |
| 88-6790 | 宽槽纹 | 50.8mm,铝制 | 更强穿透,10.9mm 间距 |
| 104-2642 | 全圆滚筒 | 50.8mm,钢制 | 最小穿透 |
| 71-1550 | 槽纹滚筒 | 50.8mm,铸铁 | 更强穿透,10.9mm 间距 |
| 93-9045 | 槽纹滚筒 | 63.5 mm,铝制 | 边支座宽 609.6mm |
| 52-3590 | 凹陷型滚筒 | 63.5 mm,铝制 |
| 型号 | 标准型 | 切距组件 65–9000 | 牵引组件 115-1886 | 切距和牵引组件 | ||||||||
| 标配滚刀 | 选配滚刀 | 标配滚刀 | 选配滚刀 | 标配滚刀 | 选配滚刀 | 标配滚刀 | 选配滚刀 | |||||
| 04810 | 11 刀片4.1mm | 14 刀片3.3mm | 8 刀片5.8mm | 11 刀片6.4mm | 14 刀片4.8mm | 8 刀片8.6mm | 11 刀片3.8mm | 14 刀片3.0mm | 8 刀片5.1mm | 11 刀片5.6mm | 14 刀片4.3mm | 8 刀片7.6mm |
| 地面行驶速度 | 5.39km/h | 4.80km/h | ||||||||||
| 维护间隔时间 | 维护程序 |
|---|---|
| 在每次使用之前或每日 |
|
如果安全联锁开关断开或损坏,机器可能意外操作,造成人身伤害。
切勿随意改动联锁开关设置。
每日均应检查联锁开关的操作,更换任何损坏的开关,然后再操作机器。
用脚踩下支撑架,抓住手柄向后上方拉起,将车轮抬离地面。
将牵引杆放入接合位置,并将发动机控制装置放于启动位置。
尝试启动发动机。
发动机不应启动。如果发动机启动,则需要对联锁开关进行维修。请在操作机器之前解决该问题。请参阅维修牵引联锁开关
小心向上提起手柄,放开支撑架。
较长距离运输机器时,请使用拖车。从拖车上装卸机器时要特别小心谨慎。
小心地将机器驾驶到拖车上。
关闭发动机,接合手刹,并将燃油阀转至关闭位置。
将机器装入拖车或卡车时,请使用全宽坡道。
将机器固定到拖车上。
Note: 机器可以使用 Toro Trans Pro 拖车运送。有关装载拖车的说明,请参阅拖车操作员手册。
Important: 使用拖车运送机器时不得运行发动机,因为这样可能损坏机器。
将驱动控制杆恢复至空档位置,将油门移至慢速位置,然后关闭发动机。
用脚踩下支架,向上拉起手柄支架,直至支架向前旋转并通过中心位置 。
将行走轮锁定夹推出六角轴槽,卸下行走轮。
缓慢向前推或提起下部手柄支架,小心将机器从支架上放下,同时让支架弹回存放位置。
使用阻风门控制杆帮助启动冷却的发动机。发动机冷启动时,将该控制杆移至阻风位置。发动机启动后,将阻风门控制杆移至运行位置。

所有者/操作员应防止发生可能导致人身伤害或财产损害的事故,并对此承担责任。
穿戴适当的服装,包括护目镜、长裤、结实的防滑鞋和听力保护用具。切勿身着宽松衣物或佩戴松散的珠宝,务请扎好长发。
在生病、疲劳或受酒精或药物影响时,切勿操作机器。
操作机器时应全神贯注。不要从事任何引起分心的活动;否则,可能会造成人身伤害或财产损失。
启动机器之前,应确保所有驱动装置都处于空档位置、驻车刹车已接合且您处于操作位置。
让旁观者和儿童远离操作区。如果必须有同事在场,请务必小心,并确保集草斗已安装到机器上。
仅在光线良好的情况下操作机器,以避免坑洞和潜在危险。
切勿在面临雷电风险时操作机器。
避免在湿草地上剪草。立足点不稳可能引发滑倒和跌倒意外。
确保手和脚远离滚刀组。
后退之前观察后面和下面的情况,确定道路无阻碍。
当接近可能遮挡视线的死角、灌木、树木或其他物体时需小心谨慎。
不剪草时应停止滚刀组。
调节剪草高度之前,应断开滚刀组驱动并关闭发动机。
切勿在无法排放废气的区域运行发动机。
切勿在无人看管的情况下离开运行中的机器。
离开操作员位置之前,请执行以下操作:
将机器停在水平地面上。
分离滚刀组。
接合驻车刹车。
关闭机器并拔下钥匙(如配备)。
等待所有移动完全停止。
先关闭机器,然后再清空集草斗。
当发动机正在运行或刚刚停止时,切勿触摸发动机、消声器或排气管,因为这些区域温度过高,足以造成灼伤。
在以下情况下应关闭机器并断开滚刀组驱动:
加油之前
在清理堵塞物之前
拆下集草斗之前
检查、清洁或维护滚刀组之前
撞击外物或出现异常振动之后。检查滚刀组是否受损,在启动和操作机器之前进行维修
离开操作位置之前,请执行以下操作:
仅使用 Toro® 公司批准的附件和配件。
斜坡是引发失控和翻倒事故的主要因素,这些意外可能导致严重的人身伤害甚至死亡事故。您负责斜坡的安全操作。在任何斜坡上操作机器都需要特别小心。在斜坡上使用机器之前,请执行以下操作:
阅读并了解手册和机器上的斜坡说明。
评估当天的现场情况,以确定斜坡是否可以安全操作机器。执行此类评估时应使用常识和良好的判断力。地形的变化(例如潮湿)会迅速影响斜坡上机器的运行。
应横穿斜坡表面,切勿上下操作。避免在过于陡峭或潮湿的斜坡上操作。立足点不稳可能引发滑倒和跌倒意外。
确认斜坡底部是否存在危险。切勿在靠近陡降处、沟渠、河堤、水面或其他危险处操作。如果车轮行驶到边缘上或边缘塌陷,机器可能会突然翻倒。在机器与任何危险之间保持安全距离。在这些区域请使用手持工具操作。
在斜坡上操作机器时避免启动、停止或转向。避免突然改变速度或方向;缓慢并逐渐转向。
切勿在牵引、转向或稳定性有问题的任何情况下操作机器。请注意,在湿草、横穿斜坡或下坡时操作机器可能导致失去牵引力。驱动轮失去牵引力可能会导致打滑以及丧失制动和转向能力。即使驱动轮停止,机器也可以滑动。
应移除或标记障碍物,如沟渠、孔洞、车辙、凸起、岩石或其他隐患。高草可能会隐藏有障碍物。崎岖不平的地形可能导致机器翻倒。
如果您失去对机器的控制,请远离机器的行进方向。
下坡时始终保持机器在档位上。下坡时切勿滑行(仅适用于齿轮传动装置)。
Note: 要了解本部分提及的控制装置的图示和描述,请参阅控制装置。
Note: 确保火花塞电线已连接到火花塞上。
确保牵引和滚刀驱动杆处于分离位置。
Note: 如果牵引杆处于接合位置,则发动机不会启动。
确保燃油切断阀已打开。
将 On/Off(开启/关闭) 开关移至 ON(开启)位置。
将油门控制杆移至快速位置。
发动机冷启动时,将阻风门控制杆移至阴风与运行之间的中心位置。
Note: 发动机热启动时无需打开阻风门。
将反冲启动手柄拉出到接合位置,然后大力拉动手柄以启动发动机。
Important: 当反冲绳拉出时,切勿将其拉到极限或松开启动手柄;反冲绳可能断掉或导致反冲组件受损。
发动机预热后,将阻风门控制杆移至 运行位置。
将牵引和滚刀驱动控制装置移至分离位置。
将油门控制杆移至慢速位置。
将 On/Off(开启/关闭) 开关移至 OFF(关闭)位置。
存放或运送机器时,应关闭燃油切断阀。
Important: 剪草时草屑作为一种润滑剂。没有草屑的情况下过度使用滚刀组可能导致滚刀组受损。
果岭应沿直线方向前后修剪。
不要在果岭区域进行圆形剪切或旋转机器,防止刮伤草坪。
机器掉头应当在果岭之外进行,方法为抬起滚刀(将手柄向下压),然后转动驱动轮鼓。
应按照正常的步行速度进行剪草。快速剪草能够节省的时间极为有限,且可能导致剪草质量低下。
为帮助剪草机保持在果岭上的直线操作,且和上一道剪草边缘的距离保持均衡,应使用集草斗上的对准条(图20)。

当在光照条件不足的情况下操作机器时使用 LED 灯具组件;联系您的 Toro 授权经销商。
Important: 切勿在此款机器上使用其他照明系统,因为发动机的交流输出将使它们无法正常工作。
正确使用机器可以最顺畅地修剪草坪。另请参阅操作技巧 ,了解让您的机器发挥最佳性能的基本建议。
Important: 没有草屑(润滑剂)的情况下过度使用滚刀组可能导致滚刀组受损。
启动发动机,将油门设置为低速,向下压手柄以抬起滚刀组,将牵引杆移至接合位置,把机器行驶到果岭的环圈上。
将牵引杆移至分离位置,然后将滚刀驱动杆移至接合位置。
将牵引杆移至接合位置,增加油门速度直至机器按照所需的地面行驶速度行驶,将机器行驶到果岭上,放下机器的前部,然后开始操作。
完成剪草后,驶离果岭,将牵引控制杆移至分离位置,关闭发动机,然后将滚刀驱动杆推入分离位置。
清空集草斗中的草屑,然后装回集草斗,开始行驶操作。
将剪草机驶出果岭,将滚刀驱动装置和牵引控制杆移至“分离”位置,停止发动机。
清空集草斗中的草屑,将集草斗装回剪草机上,然后运送机器进行存放。
未能正确维护机器可导致机器系统过早出现故障,从而可能对您或旁观者造成伤害。
遵守这些说明,确保机器始终处于良好的维护和工作状况。
Note: 请根据正常操作位置来判定机器的左侧和右侧。
Important: 机器倾斜角度不要超过 25°。机器倾斜 25° 以上 导致燃油泄漏到燃烧室和/或从燃油箱盖泄漏。
Important: 请参阅您的发动机用户手册,了解更多维护程序。
离开操作员位置之前,请执行以下操作:
将机器停在水平地面上。
将油门移至低怠速位置。
分离滚刀组。
确保驱动踏板处于空档位置。
接合驻车刹车。
关闭机器并拔下钥匙(如配备)。
等待所有移动完全停止。
待机器组件冷却后再执行维护。
如果可能,切勿在机器运行时执行维护。远离活动件。
如果进行维护调节时必须运行发动机,请确保您的四肢、衣物和身体的任何部位远离滚刀组、附件及任何活动件。请勿让旁观者靠近。
清除滚刀组、驱动装置、消声器、冷却滤网和发动机处的杂草和杂物,防止发生火灾。清理溢出的机油或燃油。
保持所有零件都处于良好的工作状况。更换所有磨损、损坏或缺失的零件和标贴。应拧紧所有五金件,确保机器处于安全工作状态。
经常检查集草组件并在必要时更换。
为确保机器的安全和最佳性能,请仅使用 Toro 真品更换件。其他制造商制造的更换件可能引发危险、而且使用非正品可能使产品保修失效。
如果需要大修或帮助,请联系 Toro 授权经销商。
| 维护间隔时间 | 维护程序 |
|---|---|
| 初次使用20小时后 |
|
| 在每次使用之前或每日 |
|
| 每25个小时 |
|
| 每50个小时 |
|
| 每100个小时 |
|
| 每300个小时 |
|
| 每1000个小时 |
|
Important: 复印本页以供日常使用。
| 维护检查项 | 第____周: | ||||||
|---|---|---|---|---|---|---|---|
| 周一 | 周二 | 周三 | 周四 | 周五 | 周六 | 周日 | |
| 检查安全联锁操作。 | |||||||
| 检查手刹操作。 | |||||||
| 检查燃油油位。 | |||||||
| 检查机油油位。 | |||||||
| 检查空气滤清器。 | |||||||
| 清洁发动机冷却片。 | |||||||
| 检查发动机是否有异常噪音。 | |||||||
| 检查操作是否有异常噪音。 | |||||||
| 检查滚刀到底刀的调节。 | |||||||
| 检查剪草高度的调节。 | |||||||
| 给所有黄油嘴加润滑脂。 | |||||||
| 为掉漆部分补漆。 | |||||||
| 检查人员: | ||
| 项目 | 日期 | 情况 |
维护或调节机器时,有人可能会启动发动机。意外启动发动机可能导致您或其他旁观者受到严重伤害。
执行任何维护前,请关闭发动机,设好手刹,然后断开火花塞电线。还要将火花塞线置于一边,以防止意外接触火花塞。
对机器执行维修、清洁或进行任何调整之前请首先执行以下步骤。
将机器停在水平地面上。
关闭发动机并从机器上拔下钥匙(如配备)。
接合驻车刹车。
等待所有活动件都停止,并让发动机冷却,然后再进行维修、存放或维修。
断开火花塞电线(图21)。

切勿改变调速器速度或超速运行发动机。
在干燥的条件下运行发动机,或用手泵去除燃油;切勿使用虹吸泵。如果必须排空燃油箱,则应在室外进行。
在启动之前,向曲轴箱添加约 0.56L 适当粘度的机油。发动机使用达到美国石油协会(API)服务等级 SJ 或更高级别的优质机油。根据温度环境选择适当粘度(重量)的机油。图26 说明了建议的温度/粘度。

Note: 多等级机油(5W-20、10W-30 和 10W-40)将增加机油消耗。使用这些机油时应更频繁地检查油位。
| 维护间隔时间 | 维护程序 |
|---|---|
| 初次使用20小时后 |
|
| 每100个小时 |
|
发动机运行后机油可能是热的,接触热机油可能导致严重人身伤害。
排油时,应避免接触热机油。
| 维护间隔时间 | 维护程序 |
|---|---|
| 在每次使用之前或每日 |
|
| 每50个小时 |
|
| 每300个小时 |
|
Important: 没有安装空气滤清器的情况下禁止操作发动机;可能导致发动机过度磨损。
关闭发动机,并等待所有活动件停止;请参阅准备机器进行维护。
拧掉固定空气滤清器盖的蝶型螺帽(图29)。
卸下空气滤清器盖。
Note: 确保没有灰尘或碎屑从空气滤清器盖落入底座。
从底座上卸下泡沫和纸质滤芯。
从纸质滤芯上取下泡沫滤芯。
检查泡沫和纸质滤芯;如果它们损坏或过脏,请更换。

轻轻敲击纸质滤芯,以清除污渍。
Note: 切勿用刷子排除纸质滤芯上的灰尘;用刷子扫会迫使灰尘进入纤维中。如果轻轻敲击无法清除污渍,请更换滤芯。
在温热的肥皂水或不可燃溶剂中清洁泡沫滤芯。
Note: 切勿使用汽油清洁泡沫滤芯,因为它可能引发火灾或爆炸危险。
冲洗并彻底干燥泡沫滤芯。
用湿抹布擦拭底座和盖子上的污垢。
Note: 确保灰尘和杂物不会进入通向化油器的空气管道。
安装空气滤清器滤芯并确保它们正确到位。安装下蝶形螺母。
安装盖子,并安装上蝶形螺母将其固定。
| 维护间隔时间 | 维护程序 |
|---|---|
| 每100个小时 |
|
| 每300个小时 |
|
使用 NGK BPR6ES 火花塞或同类产品。
关闭发动机,并等待所有活动件停止;请参阅准备机器进行维护。
清理火花塞周边。
从汽缸盖上拆下火花塞。
Important: 更换破裂、污浊或肮脏的火花塞。切勿对电极进行喷砂、刮擦或清洗操作,因为砂粒进入气缸可能导致发动机损坏。
将火花塞的缝隙设置 0.7~0.8mm

小心地手动安装火花塞(以避免螺纹错扣),直至用手拧紧。
如果是新火花塞,再旋紧半圈;否则,再旋紧 1/8 至 1/4 圈。
Important: 松动的火花塞可能变得非常热,并可能损坏发动机;火花塞拧得过紧可能损坏汽缸盖内的螺纹。
将电线连接到火花塞上。
如果行车刹车/手刹在操作中发生打滑,请调整。
接合行车刹车并推动驻车刹车旋钮,以便让行车刹车停靠在驻车刹车销上(图32)。

使用弹簧称,向后按压行车刹车杆(图33)。当作用力达到 13.5~18kg 时,驻车刹车应会松开。如果驻车刹车在作用力达到 13.5~18kg 之前松开,请调节刹车拉线。

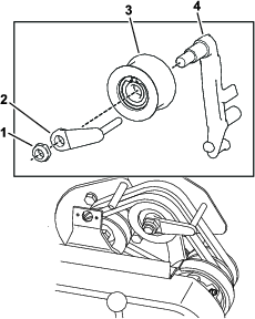
松开固定 V 形皮带罩的卡环,并将皮带罩旋开(图34)。

要调整刹车拉线的张紧度,应遵循以下步骤。
要减少拉线的张力,应拧松前拉线锁紧螺母,同时拧紧后锁紧螺母(图35)。必要时重复步骤 1 和 2 并调节张紧力。
要增加拉线的张力,应拧紧前拉线锁紧螺母,同时拧松后锁紧螺母(图35)。必要时重复步骤 1 和 2 并调节张紧力。
Note: 可以调节控制台旁边锁紧螺母支架上的拉线,也可以是发动机底座支架上的拉线。

关闭皮带罩并固定卡环。
确保各皮带具有适当的张紧力,以保证可以正确操作机器并避免不必要的磨损。经常检查皮带。
卸下皮带罩安装紧固件和皮带罩,露出皮带(图36)。

使用 18~22N 的作用力按压皮带轮(图37)中间部位的皮带,检查皮带的张紧力。皮带应下压 6mm。

请完成以下步骤来调节皮带张紧力:
松开怠轮皮带轮安装螺母,并紧贴着皮带背面顺时针旋转怠轮皮带轮,直至达到所需的皮带张紧力(图37)。
Important: 切勿过度张紧皮带。
拧紧安装螺母以锁定调节。
将皮带罩放回原位,安装皮带罩。
在保持皮带罩密封件与侧板之间保留轻微空隙的同时,安装各个安装螺栓,直至螺纹咬合到嵌入件。
Note: 此空隙可用于观察螺栓与螺纹嵌入件对齐情况。
所有螺栓都安装上之后,逐个拧紧螺栓,直至皮带罩内侧的托脚与侧板接触。
Note: 不要将螺母拧得过紧。
卸下皮带罩安装紧固件和皮带罩,露出皮带(图38)。

使用 18~22N 的作用力按压两皮带轮(图39)中间部位的皮带,检查皮带的张紧力。
Note: 皮带应下压 6mm。

请完成以下程序来调节皮带张紧力:
松开怠轮皮带轮安装螺母,并紧贴着皮带背面顺时针旋转怠轮皮带轮,直至达到所需的皮带张紧力(图39)。
Important: 切勿过度张紧皮带。
拧紧安装螺母以锁定调节。
将皮带罩放回原位,安装皮带罩。
在保持皮带罩密封件与侧板之间保留轻微空隙的同时,安装各个安装螺栓,直至螺纹咬合到嵌入件。
Note: 此空隙可用于观察螺栓与螺纹嵌入件对齐情况。
所有螺栓都安装上之后,逐个拧紧螺栓,直至皮带罩内侧的托脚与侧板接触。
Note: 不要将螺母拧得过紧。
拧下将差速器罩的前后部分固定到差速器壳体的螺栓,将差速器罩滑开,露出皮带。
使用 22~26N 的作用力按压两个皮带轮(图40)中间位置的皮带,检查皮带的张紧力。
Note: 皮带应下压 6mm。

请完成以下程序来调节皮带张紧力:
松开怠轮皮带轮安装螺母,并紧贴着皮带背面顺时针旋转怠轮皮带轮,直至达到所需的皮带张紧力(图40)。
Important: 切勿过度张紧皮带。
拧紧安装螺母以锁定调节。
将皮带罩放回原位,安装皮带罩。
在保持皮带罩密封件与侧板之间保留轻微空隙的同时,安装各个安装螺栓,直至螺纹咬合到嵌入件。此空隙可用于观察螺栓与螺纹嵌入件对齐情况。
所有螺栓都安装上之后,逐个拧紧螺栓,直至皮带罩内侧的托脚与侧板接触。不要将螺栓拧得过紧。
要调节主 V 形皮带的张紧力,应首先检查牵引控制装置的调节情况;请参阅调节牵引控制装置。
如果在调整牵引控制装置后皮带仍然打滑,请继续下一步。
松开固定 V 形皮带罩的卡环,并将皮带罩旋开(图41)。

要增加皮带的张紧力,应松开发动机安装螺栓,并将发动机在滑槽中向后移。
Important: 切勿过度张紧皮带。
旋紧安装螺栓。
Note: 安装了新的 V 形皮带之后,驱动皮带轮中心与从动皮带轮中心之间的距离应该约为 12.7cm。
在调节了主 V 形皮带的张紧力后,请用直尺检查发动机输出轴皮带轮与副轴皮带轮的对齐情况。
如果皮带轮没有对齐,应松开将发动机安装座固定到机架的螺丝,将发动机从一侧滑向另一侧,直至皮带轮对齐误差在 0.7mm 之内。
拧紧安装螺丝并检查对齐情况。
要在不启动发动机的情况下更容易推拉机器,应按照以下所示的方法调节皮带导轨(图42,插入件):
接合离合器。
松开将怠轮皮带轮和皮带导轨固定到怠轮臂的锁紧螺母。
顺时针旋转皮带导轨,直至导向销与驱动皮带背面之间的间隙达到约 1.5mm。
拧紧将怠轮皮带轮和皮带导轨固定到怠轮臂的锁紧螺母。

关闭皮带罩并固定卡环。
卸下将牵引驱动和滚刀驱动皮带固定至右侧板的螺栓,取下皮带罩。
松开各个怠轮皮带轮上的安装螺母,然后逆时针旋转怠轮皮带轮,使其与各个皮带的背面分开,从而释放皮带的张紧力。
取下皮带。
拧下将差速器罩的前后部分固定到差速器壳体的螺栓,将差速器罩滑开,露出皮带(图43)。

松开差速器怠轮皮带轮上的怠轮皮带轮安装螺母,然后逆时针旋转怠轮皮带轮,使其与各个皮带的背面分开,从而释放皮带的张紧力。
卸下将前离合器壳体固定到侧板上的 2 个螺栓和 2 锁紧螺母(图43)。
将壳体旋转 180 度,使壳体的底部向上。
卸下将右后轴承座固定到侧板上的 2 个螺栓和锁紧螺母(图43)。
将壳体旋转 180 度,使壳体的底部向上。
取下旧皮带。
将新皮带滑动到旋转的壳体罩和差速器罩上,并放到差速器皮带轮上。
确保怠轮皮带轮紧贴皮带的背面。
将两个壳体都旋转回到直立的位置,并用之前卸下的螺栓和螺母将其固定到侧板上。
调节差速器皮带张紧力;请参阅调节差速器皮带。
安装差速器、牵引驱动和滚刀驱动罩。
检查滚刀组滚刀时需小心谨慎。维修滚刀时,需佩戴手套并小心操作。
磨损或受损的刀片或底刀可能会断裂,刀片碎片可能会被抛掷到您或旁观者所在的区域,导致严重人身伤害甚至死亡事故。
定期检查刀片和底刀是否过度磨损或损坏。
检查刀片时需小心谨慎。维修滚刀时,需佩戴手套并小心操作。仅更换或倒磨刀片和底刀;切勿拉直或焊接。
将机器停在平整、水平的地面上,最好是放在一块精密钢制平板上。
把一块 0.6 x 2.5cm 的扁平钢条(长约 73.6cm)放在滚刀刀片的下方,并靠住底刀的前边缘,防止底刀架接触工作表面。
提起前滚筒,这样只有后驱动轮鼓和滚刀在工作表面上。
在滚刀上方用力下按机器,这样所有滚刀刀片都接触到钢条。
在向下按滚刀时,将测隙规滑动到驱动轮鼓的一端,然后检查驱动轮鼓的另一端。
Note: 如果驱动轮鼓与工作表面之间存有缝隙,且在任一端的缝隙大于 0.25mm,则调节驱动轮鼓(继续第 6 步)。如果缝隙不到 0.25mm,则无需进行调节。
从机器右侧卸下后皮带罩(图45)。

旋转从动皮带轮,直至孔与轮鼓轴承的4 个凸缘螺丝对齐(图46)。

拧松 4 个轮鼓轴承螺丝和固定怠轮皮带轮的螺丝。
提起或降低轮鼓组件的右侧,直到缝隙小于 0.25mm。
拧紧轮鼓轴承螺丝。
调节皮带张紧度,拧紧怠轮皮带轮安装螺丝(图46)。
在打磨、倒磨或拆卸滚刀组后,调节底刀与滚刀。此程序并不是一个日常调节。
将机器停在水平地面上。
握住把手,向后倾斜机器,露出底刀和滚刀。
Important: 机器倾斜角度不要超过 25°。机器倾斜 25° 以上 导致燃油泄漏到燃烧室和/或从燃油箱盖泄漏。
旋转滚刀,使一片刀片经过滚刀组右侧第一个与第二个底刀螺丝之间的底刀刀刃(图47)。

旋转滚刀,使一片刀片经过滚刀组右侧第一个与第二个底刀螺丝之间的底刀刀刃。
在带标记的刀片与底刀刀刃之间,在刀片穿过底刀刀刃的地方插入 0.05mm 的薄垫片。
向右转动底刀架调节螺丝,左右滑动薄垫片,直至感到薄垫片上存在轻微的压力(如拉力)(图47)。
取出薄垫片。
在滚刀组的左侧,缓慢旋转滚刀,使最近的刀片经过第一个与第二个螺丝头之间的底刀刀刃。
对滚刀组左侧和左底刀架调节螺丝重复步骤 4 至 7。
重复步骤 5 至 7,利用相同的接触点,直至在滚刀组右侧和左侧都感到轻微的阻力。
要想使滚刀与底刀保持轻微接触,应将每个底刀架调节螺丝都顺时针旋转 3 格。
Note: 底刀架调节螺丝每旋转一格,底刀会移动 0.018mm。顺时针旋转使底刀刀刃移近滚刀,而逆时针旋转则可使底刀刀刃远离滚刀。
在滚刀与底刀间插入一长条 剪切性能检测纸,纸要与底刀垂直,检测剪切性能 (图48)。缓慢向前旋转滚刀;滚刀应剪切检测纸。

Note: 如果您看到过大的接触/滚刀阻力,则有必要对滚刀组进行倒磨、磨底刀前面或研磨滚刀组,以得到精确剪草所必需的锋利刀刃。
请确认后滚筒已平齐,以及底刀与滚刀接触正确。握住把手,向后倾斜机器,露出前后滚筒和底刀。
Important: 机器倾斜角度不要超过 25°。机器倾斜 25° 以上 导致燃油泄漏到燃烧室和/或从燃油箱盖泄漏。
松开将剪草高度臂固定到剪草高度支架上的锁紧螺母(图49)。

松开调刀尺上的螺母(图50),并将调节螺丝设定为所需的剪草高度。 螺丝头底部与调刀尺表面之间的距离就是剪草高度。

将螺丝头钩在底刀的刀刃上,并将调刀尺的后端放到后滚筒上 (图51)。

旋转调整螺丝,直到滚筒接触到调刀尺的前面。
调整滚筒的两端,直到整个滚筒与底刀平行。
Important: 正确设置后,前后滚筒均会接触到调刀尺,螺丝会轻轻顶住底刀。这可以确保底刀两端的剪草高度相同。
拧紧安装螺母以锁定调节。
Important: 为避免在起伏不平的草坪上出现刮伤,确保滚筒支架的是朝后摆放的(滚筒接近滚刀)。
Note: 前滚筒可以放置在 3 个不同的位置(图52),这取决于用户的应用场合和需求。
当安装有疏草刀时,使用前位置。
没有疏草刀时,使用中间位置。
在极度不平的草坪条件下,使用第三个位置。

调节挡草罩,确保草屑正确地排入集草斗中。
分别测出前支撑杆顶部到滚刀组两端的护罩前唇的距离(图53)。

在正常剪草条件下,护罩距离支撑杆的高度应为 10cm。松开将护罩两端固定到侧板上的螺栓和螺母,并将护罩调节到正确的高度。
拧紧紧固件。
Note: 在干燥草坪条件下(草屑从集草斗上方飞过),您可以调低护罩;或者在草密、湿润的条件下(草屑堆积在集草斗的后面),调高护罩。
调整出草挡板,确保草屑从滚刀区域干净排出。
松开将顶部挡板 (图54) 紧固到滚刀组的螺丝。

将 1.5mm(0.060 英寸)的塞尺插入滚刀顶部与挡板之间,并旋紧螺丝。
确保挡板和滚刀在整个滚刀组宽度上都保持等距。
Note: 挡板可以调整,以补偿草坪状况的变动。草坪异常湿润时,将挡板调整至更靠近滚刀。相反,当草坪状况较干燥时,挡板应进一步远离滚刀。挡板应与滚刀平行,确保实现最佳性能。当调节挡草罩高度或在滚刀磨床上磨刀时,应调整挡板。
要确定底刀架是标准型还是激进型,请查看底刀架左安装吊耳。如果安装吊耳为圆形,则为标准型底刀架。如果安装吊耳上有槽口,则为激进型底刀架(图55)。

安装底刀架,将安装吊耳固定在垫圈与底刀架调节器之间。
用底刀架螺栓(螺栓上带有锁紧螺母)和 8 个垫圈将底刀架固定在两个侧板上。
Note: 将尼龙垫圈放在侧板凸起的两侧。在两个尼龙垫圈的外侧各放一个钢垫圈。
上紧螺栓扭矩至 27~36N·m。
拧紧锁紧螺母,直到外侧的止推垫圈刚刚好自由转动。
旋紧弹簧加压螺母,直到弹簧完全压紧,然后往回松开 ½ 圈。
调节底刀架;请参阅 调节底刀与滚刀。
从右滚刀驱动罩上取下栓塞(图58)。

将连接至倒磨机的 12.7mm 驱动延长杆插入滚刀皮带轮中间的方孔中。
根据 TORO 滚刀和旋刀剪草机磨刀手册(手册号 80-300 PT)执行倒磨。
接触滚刀或其他活动件可能造成人身伤害。
倒磨时远离滚刀。
倒磨时切勿使用短柄油漆刷。可以从您当地的 Toro 授权经销商处购买零件编号为 29-9100 的手柄组件总成或单个零件。
Note: 为了获得状态更好的刀刃,可以在完成倒磨操作时用锉刀打磨底刀的前面。这将去除刀刃上可能累积的任何毛刺或粗糙边缘。
完成此程序时,将栓塞安装到罩子上。
关闭发动机、拔下钥匙(如配备)并等待所有移动完全停止,然后再离开操作员位置。等待机器冷却,然后再进行调整、维修、清洁或存放。
切勿将机器或燃油容器存放在有明火、火花或常明火的地方,例如热水器或其他电器上。
清除整台机器外部零件上的草屑、灰尘及污垢,尤其是发动机。清除发动机气缸盖散热片外侧及冷却风扇壳体的灰尘及草屑。
Important: 可使用温和的清洁剂和水来清洗机器。 切勿用压力清洗机器。避免过量用水,特别是在换档控制杆片和发动机附近。
如果要长期存放(超过 30 天),请向油箱内的燃油添加稳定剂/调节剂添加剂。
运行发动机,通过燃油系统分散调节燃油(5 分钟)。
可以停止发动机,让它冷却,然后排出油箱中的燃油,或者运行发动机直至其自动停止。
启动并运行发动机,直至其自动停止。在阻风门关闭的情况下,重新启动发动机,直至发动机不会再启动。
断开火花塞上的火花塞电线。
正确处置燃油。根据当地规定进行回收。
Note: 含有稳定剂/调节剂的燃油存放时间不得超过燃油稳定剂制造商建议的期限。
检查并旋紧所有螺栓、螺母和螺钉。修理或更换已磨损或损坏的任何部件。
为所有受损或裸露的金属表面上漆。油漆可从您的 Toro 授权经销商处购买。
将机器存放在清洁、干燥的车库或存储区内。盖上机器,保护并使其保持清洁。