| Onderhoudsinterval | Onderhoudsprocedure |
|---|---|
| Bij elk gebruik of dagelijks |
|
Deze machine is een loopmaaier met messenkooi bedoeld voor gebruik door professionele bestuurders in commerciële toepassingen. De machine is voornamelijk ontworpen voor het maaien van gras op goed onderhouden gazons. Gebruik van dit product voor andere doeleinden dan deze kan gevaarlijk zijn voor u of omstanders.
Lees deze informatie zorgvuldig door, zodat u weet hoe u de machine op de juiste wijze moet gebruiken en onderhouden en om letsel en schade aan de machine te voorkomen. U bent verantwoordelijk voor het juiste en veilige gebruik van de machine.
Ga naar www.Toro.com voor documentatie over productveiligheid en bedieningsinstructies, informatie over accessoires, hulp bij het vinden van een dealer of om uw product te registreren.
Als u service, originele Toro onderdelen of aanvullende informatie nodig hebt, kunt u contact opnemen met een erkende Toro dealer. U dient hierbij altijd het modelnummer en het serienummer van het product te vermelden. Het model- en serienummer bevinden zich op een plaatje op het achterframe. U kunt de nummers noteren in de ruimte hieronder.
Important: U kunt met uw mobiel apparaat de QR-code (indien aanwezig) op het plaatje met het serienummer scannen om toegang te krijgen tot de garantie, onderdelen en andere productinformatie.

Er worden in deze handleiding een aantal mogelijke gevaren en een aantal veiligheidsberichten genoemd (Figuur 2) met de volgende waarschuwingssymbolen, die duiden op een gevaarlijke situatie die zwaar lichamelijk letsel of de dood tot gevolg kan hebben wanneer de veiligheidsvoorschriften niet in acht worden genomen.

Er worden in deze handleiding twee woorden gebruikt om uw aandacht op bijzondere informatie te vestigen. Belangrijk attendeert u op bijzondere technische informatie en Opmerking duidt algemene informatie aan die bijzondere aandacht verdient.
Dit product voldoet aan alle relevante Europese richtlijnen; zie voor details de aparte productspecifieke conformiteitsverklaring.
Als de machine zonder een goed werkende vonkenvanger, zoals omschreven in sectie 4442, of een goed onderhouden, brandveilige motor wordt gebruikt in een bosgebied of op een met dicht struikgewas of gras begroeid terrein, handelt de bestuurder in strijd met de bepalingen van sectie 4442 of 4443 van de Wet op de Openbare Hulpbronnen (Public Resources Code) van de Staat Californië.
De bij deze motor geleverde Gebruikershandleiding bevat informatie over het Environmental Protection Agency (EPA) in de Verenigde Staten, over de California Emission Control Regulation voor emissiesystemen, en over onderhoud en garantie. Bestel vervangonderdelen bij de fabrikant van de motor.
Als u deze machine gebruikt op een hoogte boven 1500 meter boven de zeespiegel, moet u de sproeier voor grote hoogte aanschaffen. Raadpleeg de gebruikershandleiding van uw Honda motor.
CALIFORNIË
Proposition 65 Waarschuwing
De uitlaatgassen van de motor van dit product bevatten chemische stoffen waarvan bekend is dat ze kanker, geboorteafwijkingen of andere schade aan de voortplantingsorganen kunnen veroorzaken.
Gebruik van dit product kan leiden tot blootstelling aan chemische stoffen waarvan de Staat Californië weet dat ze kanker, geboorteafwijkingen en andere schade aan het voortplantingssysteem veroorzaken.
Deze machine is ontworpen in overeenstemming met de EN-norm ISO 5395 en B71.4-2017 van het ANSI (American National Standards Institute) en voldoet aan deze normen indien u de dodemansknop monteert en de vereiste stickers aanbrengt.
Dit product kan handen of voeten afsnijden en voorwerpen uitwerpen.
Lees deze Gebruikershandleiding en zorg ervoor dat u deze begrijpt voordat u de machine start.
Geef uw volledige aandacht als u de machine gebruikt. Zorg ervoor dat u met niets anders bezig bent waardoor u kunt worden afgeleid, anders kan er letsel ontstaan of kan eigendom worden beschadigd.
Houd uw handen en voeten uit de buurt van bewegende onderdelen van de machine.
Gebruik de machine niet als er schermen of andere beveiligingsmiddelen ontbreken of als deze niet naar behoren werken.
Laat geen omstanders of kinderen het werkgebied betreden. Laat kinderen nooit de machine bedienen.
Zet de motor af, verwijder het contactsleuteltje (indien aanwezig) en wacht totdat alle bewegende onderdelen tot stilstand zijn gekomen voordat u de bestuurderspositie verlaat. Laat de machine afkoelen voordat u deze afstelt, reinigt, stalt of er onderhoudswerkzaamheden aan verricht.
Onjuist gebruik of onderhoud van deze machine kan letsel tot
gevolg hebben. Om het risico op letsel te verkleinen, dient u zich
aan de volgende veiligheidsinstructies te houden en altijd op het
veiligheidssymbool
te letten, dat betekent Voorzichtig,
Waarschuwing of Gevaar – instructie voor persoonlijke veiligheid.
Niet-naleving van deze instructies kan leiden tot lichamelijk of dodelijk
letsel.
![]() |
Veiligheidsstickers en veiligheidsinstructies zijn gemakkelijk zichtbaar voor de bestuurder en bevinden zich bij plaatsen waar gevaar kan ontstaan. Vervang alle beschadigde of ontbrekende stickers. |











Note: Bepaal vanuit de normale bestuurderspositie de linker- en rechterzijde van de machine.
Benodigde onderdelen voor deze stap:
| Handgreep | 1 |
| Kabelbinder | 4 |
Verwijder de bouten (5/16"), borgmoeren, ringpennen en R-pennen waarmee de onderkant van de handgreeparmen is bevestigd aan beide zijden van de machine (Figuur 3).

Verwijder de bouten (⅜"), ringen en borgringen van de montagepennen aan elke kant van de machine (Figuur 3).
Steek de uiteinden van de handgreep door de openingen in de handgreeparmen en houd de openingen recht voor de montagepennen (Figuur 3).
Druk de uiteinden van de handgreep naar binnen en bevestig ze op de montagepennen (Figuur 4).

Bevestig de handgreep aan de montagepennen met de bouten (⅜"), ringen en borgringen die u eerder hebt verwijderd (Figuur 4).
Gebruik de bouten (5/16"), borgmoeren, R-pennen en ringpennen die u eerder hebt verwijderd om de handgreeparmen te bevestigen aan de achterkant van het frame (Figuur 3).
Bevestig de kabels en de kabelboom aan de handgreep met de kabelbinders (Figuur 5).

Raadpleeg Figuur 6 voor deze procedure.

Verwijder de R-pennen van de ringpennen aan beide zijden van de machine.
Ondersteun de handgreep en verwijder de ringpennen van beide zijden. Zet de vervolgens de handgreep hoger of lager in de gewenste werkstand.
Monteer de ringpennen en de R-pennen.
Benodigde onderdelen voor deze stap:
| Rechter wielas | 1 |
| Linker wielas | 1 |
Trap de kickstandaard naar beneden en trek de handgreep omhoog om de machine te laten steunen op de kickstandaard.
Breng hechtmiddel voor schroefdraad aan op de schroefdraad van de wielassen.
Draai de rechterwielas in de aandrijfpoelie op de rechterzijde van de machine (Figuur 7).
Note: De rechter wielas heeft een linkse draad.

Draai de as aan met een torsie van 88 tot 101 N·m.
Herhaal stap 2 tot en met 4 om de linker wielas te monteren aan de linkerkant van de machine.
Benodigde onderdelen voor deze stap:
| Transportwiel | 2 |
Trap de kickstandaard naar beneden en trek de handgreep omhoog om de machine te laten steunen op de kickstandaard.
Schuif een wiel op een as.
Draai de sluitklem van het wiel weg van het midden van het wiel zodat het wiel verder op de as kan schuiven (Figuur 8).

Draai het wiel naar voren en achteren totdat het wiel helemaal op de as schuift en de sluitklem vastzit in de sleuf op de as.
Herhaal deze procedure aan de andere kant van de machine.
Pomp de banden op tot 0,83 tot 1,03 bar
Haal de machine voorzichtig van de kickstandaard.
Voordat u de machine in gebruik neemt, moet u deze als volgt afstellen:
Benodigde onderdelen voor deze stap:
| Dodemansknop (afzonderlijk bestellen; neem contact op met uw erkende Toro verdeler) | 1 |
Om te voldoen aan de EN-norm ISO 5395 en B71.4-2017 van het ANSI (American National Standards Institute), moet u de dodemansknop monteren (modelnr. 112-9282); raadpleeg de Montage-instructies van de set.
Neem contact op met uw erkende Toro verdeler om deze set aan te schaffen.
Benodigde onderdelen voor deze stap:
| Sticker productiejaar | 1 |
| Sticker CE-markering | 1 |
Als u deze machine gebruikt in een land dat de CE-normen naleeft, moet u de sticker met het productiejaar en de sticker met de CE-markering aanbrengen in de buurt van het plaatje met het serienummer; zie Figuur 9.

Benodigde onderdelen voor deze stap:
| Grasmand | 1 |
Pak de mand vast bij de bovenste lip en schuif deze op de bevestigingsstangen van de mand (Figuur 10).

Er is slechts een inrijperiode van 8 uur maaien vereist.
De eerste bedrijfsuren zijn van cruciaal belang voor de betrouwbaarheid van de machine in de toekomst. U moet de prestaties van de machine scherp in het oog houden zodat kleine gebreken die later grote problemen kunnen veroorzaken, worden opgemerkt en verholpen. Controleer de machine tijdens de eerste bedrijfsuren regelmatig op tekenen van lekkage, loszittend bevestigingsmateriaal of andere gebreken.
Raadpleeg de gebruikershandleiding van de motor voor de aanbevolen procedures voor olieverversing en onderhoud tijdens de inrijperiode.


De tractiehendel (Figuur 12) zit rechts voor op het instrumentenpaneel. Deze heeft 2 standen: NEUTRAAL en VOORUIT. Als u de hendel naar voren duwt, schakelt u de tractie-aandrijving in.
De gashendel (Figuur 12) bevindt zich rechts achter op het instrumentenpaneel. Met behulp van de gashendel regelt u de gastoevoer naar de carburateur. Zie Specificaties voor het motortoerental.
De Aan-/Uit-schakelaar (Figuur 12) bevindt zich op de bovenkant van het bedieningspaneel. Zet de schakelaar op AAN om de motor te starten en op UIT om de motor af te zetten.
De bedrijfsrem (Figuur 13) bevindt zich vooraan links op het bedieningspaneel. De rem kan worden gebruikt om de machine langzamer te laten rijden of tot stilstand te brengen.

De parkeerrem (Figuur 14) bevindt zich net onder de bedrijfsrem. Schakel de bedrijfsrem volledig in en duw de knop van de parkeerrem in zodat de bedrijfsrem op de pen van de parkeerrem rust. Schakel de bedrijfsrem in om de parkeerrem vrij te zetten. U dient de rem vrij te zetten voordat u de tractieaandrijving inschakelt.

Als de machine is uitgerust met een dodemanshendel (Figuur 12), bevindt deze zich op de achterzijde van de handgreep. Druk de dodemanshendel tegen de handgreep. U moet de dodemanshendel indrukken voordat u de tractiehendel verplaatst. Als u de dodemanshendel loslaat, slaat de motor af.
De aandrijfhendel van de messenkooi (Figuur 15) zit rechts, voor op het instrumentenpaneel. De hendel heeft twee standen:
INSCHAKELEN – beweeg de hendel naar voren om de messenkooi in te schakelen.
UITSCHAKELEN – beweeg de hendel naar achteren om de messenkooi uit te schakelen.

De chokehendel (Figuur 16) bevindt zich links voor op de motor. Gebruik de hendel als hulpmiddel bij het starten van een koude motor; zie De chokehendel gebruiken.

De brandstofafsluitklep bevindt zich aan de kant van de motor, onder de chokehendel (Figuur 16).
Note: Sluit de brandstofafsluitklep als u de machine enkele dagen niet gaat gebruiken, voor het transport naar en van het werkterrein, en wanneer u de machine binnen gaat parkeren; zie De brandstofafsluitklep openen en sluiten.
Trek aan de handgreep van de handstarter (Figuur 16) om de motor te starten.
| Modelspecificaties | Model 04055 |
| Breedte | 91 cm |
| Hoogte | 114 cm |
| Lengte met riem | 122 cm |
| Leeggewicht (met mand en Wiehle-rol, zonder wielen of veegrol) | 98 kg |
| Maaibreedte | 53 cm |
| Maaihoogte | 1,6 tot 31,8 mm |
| Sluiting | 4,3 mm |
| Motortoerental | Laag stationair: 1800 tot 2000 tpm; hoog stationair: 3350 tot 3550 tpm |
Een selectie van door Toro goedgekeurde werktuigen en accessoires is verkrijgbaar voor gebruik met de machine om de mogelijkheden daarvan te verbeteren en uit te breiden. Neem contact op met een erkende servicedealer of een erkende Toro distributeur of bezoek www.Toro.com voor een lijst van alle goedgekeurde werktuigen en accessoires.
Om de beste prestaties te verkrijgen en ervoor te zorgen dat de veiligheidscertificaten van de machine blijven gelden, moet u ter vervanging altijd originele onderdelen en accessoires van Toro aanschaffen. Gebruik ter vervanging nooit onderdelen en accessoires van andere fabrikanten, omdat dit gevaarlijk kan zijn en de productgarantie hierdoor kan vervallen.
Note: Bepaal vanuit de normale bestuurderspositie de linker- en rechterzijde van de machine.
Laat kinderen of personen die geen instructie hebben ontvangen de machine nooit gebruiken of er onderhoudswerkzaamheden aan verrichten. Plaatselijke voorschriften kunnen nadere eisen stellen aan de leeftijd van degene die met de machine werkt. De eigenaar is verantwoordelijk voor de opleiding van alle bestuurders en monteurs.
Zorg ervoor dat u vertrouwd raakt met de bedieningsorganen en de veiligheidssymbolen, en weet hoe u de machine veilig kunt gebruiken.
Zet de motor af, verwijder het contactsleuteltje (indien aanwezig) en wacht totdat alle bewegende onderdelen tot stilstand zijn gekomen voordat u de bestuurderspositie verlaat. Laat de machine afkoelen voordat u deze afstelt, reinigt, stalt of er onderhoudswerkzaamheden aan verricht.
Zorg ervoor dat u weet hoe u de machine snel kunt stoppen en uitschakelen.
Controleer de aanwezigheid en goede werking van de dodemansinrichtingen, veiligheidsschakelaars en beveiligingsmiddelen. Gebruik de machine uitsluitend als deze naar behoren werken.
Controleer het werkgebied en verwijder alle voorwerpen die de machine zou kunnen uitwerpen.
Wees uiterst voorzichtig bij het omgaan met brandstof. Brandstof is ontvlambaar en de dampen kunnen tot ontploffing komen.
Doof alle sigaretten, sigaren, pijpen en andere ontstekingsbronnen.
Gebruik uitsluitend een goedgekeurd vat of blik voor de brandstof.
Als de motor draait of heet is, mag de brandstoftankdop niet worden verwijderd en mag de tank niet met brandstof worden bijgevuld.
Geen brandstof bijvullen of aftappen in een afgesloten ruimte.
Bewaar de machine en het brandstofvat niet op plaatsen waar open vlammen, vonken of waakvlammen (bv. van een boiler of een ander toestel) aanwezig kunnen zijn.
Probeer de motor niet te starten als u brandstof hebt gemorst. Voorkom elke vorm van open vuur of vonken totdat de brandstofdampen volledig zijn verdwenen.
Vul de houders niet in een voertuig, op een vrachtwagen of op de laadbak van een aanhanger met kunststofbekleding. Zet houders altijd op de grond, uit de buurt van het voertuig voordat u de tank bijvult.
Laad de machine uit de vrachtwagen of van de aanhanger en vul de tank pas als de machine op de grond staat. Als dit niet mogelijk is, is het beter dergelijke machines bij te vullen uit een draagbaar vat dan met behulp van een brandstofpistool.
Houd het vulpistool voortdurend in contact met de rand van de brandstoftank of de opening van de brandstofhouder totdat het bijvullen voltooid is.
Voer de procedures voor het dagelijks onderhoud uit, zie Controlelijst Dagelijks Onderhoud.
Controleer het motoroliepeil voor elk gebruik of om de 8 bedrijfsuren, zie Het motoroliepeil controleren.
Inhoud brandstoftank: 2,0 liter
Aanbevolen brandstof: loodvrije benzine met een octaangetal van 87 of hoger (indelingsmethode (R+M)/2)
Ethanol: Benzine met maximaal 10% ethanol (gasohol) of 15% MTBE (methyl-tertiair-butylether) per volume is aanvaardbaar. Ethanol en MTBE zijn niet hetzelfde. Benzine met 15% ethanol (E15) per volume is niet geschikt voor gebruik.
Gebruik nooit benzine die meer dan 10% ethanol per volume bevat, zoals E15 (bevat 15% ethanol), E20 (bevat 20% ethanol), of E85 (bevat tot 85% ethanol).
Geen benzine gebruiken die methanol bevat.
Tijdens de winter geen brandstof bewaren in de brandstoftank of in vaten, tenzij u een brandstofstabilisator gebruikt.
Meng nooit olie door benzine.
Gebruik voor de beste resultaten uitsluitend schone, verse brandstof (minder dan 30 dagen oud).
Ongeschikte benzine gebruiken kan leiden tot verminderde prestaties en/of motorschade die mogelijk niet gedekt wordt door de garantie.
In bepaalde omstandigheden is brandstof uiterst ontvlambaar en zeer explosief. Brand of explosie van brandstof kan brandwonden bij u of anderen en materiële schade veroorzaken.
Vul de brandstoftank in de open lucht wanneer de motor koud is. Neem eventueel gemorste benzine op.
Vul de brandstoftank nooit als de machine in een gesloten aanhanger staat.
Vul de brandstoftank niet helemaal vol. Vul de brandstoftank totdat het peil 6 mm tot 13 mm van de onderkant van de vulbuis staat. Deze geeft de brandstof in de tank ruimte om uit te zetten.
Rook nooit wanneer u met brandstof bezig bent en houd de brandstof weg van open vlammen of vonken.
Bewaar brandstof in een goedgekeurd vat of blik en buiten bereik van kinderen. Koop nooit meer benzine dan u in 30 dagen kunt opmaken.
Gebruik de machine uitsluitend als het complete uitlaatsysteem is gemonteerd en naar behoren werkt.
In bepaalde omstandigheden kan tijdens het tanken statische elektriciteit worden ontladen, waardoor vonken ontstaan die brandstofdampen tot ontbranding kunnen brengen. Brand of explosie van brandstof kan brandwonden bij u of anderen en materiële schade veroorzaken.
Zet brandstofvaten altijd op de grond en uit de buurt van de machine voordat u de tank bijvult.
Brandstofvaten niet in een voertuig of vrachtwagen of op aanhanger vullen, omdat bekleding of kunststof beplating het vat kunnen isoleren en de afvoer van statische lading kunnen bemoeilijken.
Als het praktisch mogelijk is, kunt u de machine het beste uit de vrachtwagen of aanhanger halen en bijvullen met brandstof als ze op de grond staat. Als dit niet mogelijk is, is het beter dergelijke machines bij te vullen uit een draagbaar vat in plaats van met behulp van een vulpistool.
Als u een vulpistool moet gebruiken, dient u de vulpijp voortdurend in contact met de rand van de brandstoftank of de opening van het vat te houden, totdat het bijvullen voltooid is.
Brandstof is schadelijk of dodelijk bij inname. Langdurige blootstelling aan dampen kan leiden tot ernstig letsel en ziekte.
Voorkom dat u dampen lange tijd inademt.
Houd uw gezicht uit de buurt van het vulpistool en de opening van de brandstoftank, blik of fles met conditioner.
Voorkom contact met de huid; gemorste brandstof afspoelen met zeep en water.
Reinig de omgeving van de tankdop en verwijder de dop van de tank (Figuur 17). Vul de brandstoftank tot aan de onderkant van de opening van de vulbuis.
Important: Vul de tank niet te vol.

Doe de dop weer op de tank en veeg eventueel gemorste brandstof weg.
Raadpleeg onderstaande tabellen om de machine aan te passen aan de gazonomstandigheden.
| Onderdeelnummer | Beschrijving | Agressiviteit | Opmerkingen |
| 112-9281-01 | Standaard | Minder | Standaard Greensmaster 1000 |
| 112-9279-03 | Agressief | Meer |
| Onderdeelnummer | Beschrijving | Maaihoogtebereik | Opmerkingen |
| 93-4262 | Microcut | 1,57-3,1 mm | |
| 115-1880 | EdgeMax Microcut | 1,57-3,1 mm | Standaard Greensmaster 1000 |
| 93-4263 | Tournament | 3,1-6 mm | |
| 115-1881 | EdgeMax Tournament | 3,1-6 mm | Duurzamer |
| 93-4264 | Lage maaihoogte | 6 mm en hoger | |
| 108-4303 | Verlengde Microcut | 1,57-3,1 mm | Minder agressief |
| Onderdeelnummer | Beschrijving | Diameter/Materiaal | Opmerkingen |
| 99-6241 | Wiehle, met smalle tussenruimte | 50,8 mm aluminium | Standaard, 5,1 mm afstand |
| 88-6790 | Wiehle, met brede tussenruimte | 50,8 mm aluminium | Diepere penetratie, 10,9 mm afstand |
| 104-2642 | Volledige rol | 50,8 mm staal | Minste indringing |
| 71-1550 | Wiehle-rol | 50,8 mm gietijzer | Diepere penetratie, 10,9 mm afstand |
| 93-9045 | Wiehle-rol | 63,5 mm aluminium | 61 cm breed voor steun van de rand |
| 52-3590 | Geklonken rol | 63,5 mm aluminium |
| Type | Standaard | Maaiset 65-9000 | Tractieset 115-1886 | Maai- en tractiesets | ||||||||
| Standaard messenkooi | Optionele messenkooi | Standaard messenkooi | Optionele messenkooi | Standaard messenkooi | Optionele messenkooi | Standaard messenkooi | Optionele messenkooi | |||||
| 04810 | 11 messen4,1 mm | 14 messen3,3 mm | 8 messen5,8 mm | 11 messen6,4 mm | 14 messen4,8 mm | 8 messen8,6 mm | 11 messen3,8 mm | 14 messen3,0 mm | 8 messen5,1 mm | 11 messen5,6 mm | 14 messen4,3 mm | 8 messen7,6 mm |
| Rijsnelheid | 5,39 km/uur | 4,80 km/uur | ||||||||||
| Onderhoudsinterval | Onderhoudsprocedure |
|---|---|
| Bij elk gebruik of dagelijks |
|
Niet-aangesloten of beschadigde interlockschakelaars kunnen onverwachte gevolgen hebben op de werking van de machine. Dit kan lichamelijk letsel veroorzaken.
Laat de interlockschakelaars ongemoeid.
Controleer elke dag de werking van de interlockschakelaars en vervang beschadigde schakelaars voordat u de machine weer in gebruik neemt.
Trap de kickstandaard omlaag met uw voet en trek de handgreep omhoog en terug totdat de wielen vrijkomen van de grond.
Zet de tractiehendel op INGESCHAKELD en de bedieningsorganen van de motor op start.
Probeer de motor te starten.
De motor mag niet starten. Als de motor wel start, moet de interlockschakelaar worden nagekeken. Zorg ervoor dat het probleem is verholpen voordat u de machine gaat gebruiken. Zie Onderhoud van de interlockschakelaar van de tractie
Til de handgreep voorzichtig omhoog om de kickstandaard vrij te zetten.
Gebruik de transportwielen om de machine over korte afstanden te transporteren.
Monteer de transportwielen; raadpleeg De transportwielen monteren
Zorg ervoor dat de tractiebediening en de messenkooibediening in NEUTRAAL staan.
Start de motor; zie Motor starten
Zet de gashendel op LANGZAAM, kantel de voorzijde van de machine voorzichtig omhoog om de tractieaandrijving in te schakelen en verhoog geleidelijk aan de snelheid.
Zorg ervoor dat de gashendel zodanig is afgesteld dat de maaimachine met de gewenste snelheid kan worden gebruikt, en rij de machine naar de plaats van bestemming.
Gebruik een aanhanger om de machine over aanzienlijke afstanden te transporteren. Wees voorzichtig wanneer u de machine op en van de aanhanger rijdt.
Rijd de machine voorzichtig op de aanhanger.
Zet de motor af, stel de parkeerrem in werking en draai de brandstofklep op UIT.
Gebruik een oprijplaat van volledige breedte bij het laden van de machine op een aanhanger of vrachtwagen.
Bevestig de machine stevig op de aanhanger.
Note: U kunt de Toro Trans Pro aanhanger gebruiken om de machine te transporteren. Raadpleeg de Gebruikershandleiding van uw aanhanger voor instructies over het laden van de aanhanger.
Important: Laat de motor niet lopen als u de machine vervoert op een aanhanger, omdat hierdoor schade aan de machine kan ontstaan.
Zet de tractiehendel in de stand NEUTRAAL, zet de gashendel op LANGZAAM en schakel de motor uit.
Trap de kickstandaard omlaag met uw voet en trek de handgreep omhoog om de kickstandaard naar voren, over het dode punt te kantelen.
Verwijder de transportwielen door de sluitklemmen van het wiel uit de groeven van de zeskantige as te duwen.
Laat de machine voorzichtig van de kickstandaard zakken door de machine langzaam vooruit te duwen of de onderste handgreepsteun op te tillen. Zo laat u de kickstandaard terug naar de stand STALLING bewegen.
Gebruik de chokehendel als hulpmiddel om een koude motor te starten. Zet de hendel op CHOKE voordat u een koude motor start. Zodra de motor start, zet u de hendel op LOPEN.

Gebruik de brandstofafsluitklep als volgt om de brandstofstroom naar de motor te regelen:
De eigenaar/bestuurder is verantwoordelijk voor ongevallen die kunnen leiden tot lichamelijk letsel en materiële schade, en hij kan zulke ongevallen voorkomen.
Draag geschikte kleding en uitrusting, zoals oogbescherming, een lange broek, stevige schoenen met een gripvaste zool en gehoorbescherming. Draag lang haar niet los en draag geen losse kleding of juwelen.
Gebruik de machine niet als u ziek of moe bent of onder de invloed van alcohol of drugs bent.
Geef uw volledige aandacht als u de machine gebruikt. Zorg ervoor dat u met niets anders bezig bent waardoor u kunt worden afgeleid, anders kan er letsel ontstaan of kan eigendom worden beschadigd.
Voordat u de machine start: zorg dat alle aandrijvingen in de neutraalstand staan, de parkeerrem in werking is gesteld en u zich in de bestuurderspositie bevindt.
Laat geen omstanders of kinderen het werkgebied betreden. Als er collega’s aanwezig moeten zijn, moet u voorzichtig zijn en controleren of de grasmand op de machine gemonteerd is.
Bedien de machine uitsluitend als de zichtbaarheid goed is zodat u putten en verborgen gevaren kunt vermijden.
Gebruik de machine niet als het kan bliksemen.
Maai geen nat gras. Het niet goed neerzetten van de voeten kan ongevallen veroorzaken waarbij de gebruiker wegglijdt en ten val komt.
Houd uw handen en voeten uit de buurt van het maaidek.
Kijk achterom en omlaag voordat u achteruitrijdt om er zeker van te zijn dat de weg vrij is.
Wees voorzichtig bij het naderen van blinde hoeken, struiken, bomen, en andere objecten die uw zicht kunnen belemmeren.
Stop de maai-eenheid altijd wanneer u niet daadwerkelijk maait.
Schakel de aandrijving van de maai-eenheid uit en zet de motor af voordat u de maaihoogte afstelt.
Laat nooit een motor lopen in een ruimte waar uitlaatgassen niet weg kunnen.
U mag een machine met draaiende motor nooit onbeheerd achterlaten.
Doe het volgende voordat u de bestuurdersstoel verlaat:
Parkeer de machine op een horizontaal oppervlak.
Schakel de maai-eenheid uit.
Stel de parkeerrem in werking.
Zet de machine uit en verwijder het sleuteltje (indien aanwezig).
Wacht totdat alle bewegende onderdelen tot stilstand zijn gekomen.
Schakel de machine uit voordat u de mand leegmaakt.
Raak de motor, de geluiddemper of de uitlaatpijp niet aan als de motor loopt of direct nadat u deze heeft afgezet. Deze onderdelen kunnen heet zijn en brandwonden veroorzaken.
In de volgende gevallen moet u de machine en de aandrijving van de maai-eenheid uitschakelen:
Voordat u brandstof bijvult
Voordat u verstoppingen verwijdert
Vóór verwijdering van de grasvanger
Voordat u de maai-eenheid controleert, schoonmaakt of er onderhoudswerkzaamheden aan verricht
Als u een voorwerp hebt geraakt of de machine abnormaal begint te trillen. Controleer de maai-eenheid op beschadigingen en voer alle benodigde reparaties uit voordat u de machine weer start en gebruikt
Voordat u de bestuurderspositie verlaat
Gebruik alleen door The Toro® Company goedgekeurde accessoires en werktuigen.
Het maaien op hellingen is een belangrijke factor bij ongelukken waarbij de controle over de machine wordt verloren of deze omkantelt. Dit kan ernstig of dodelijk letsel veroorzaken. U bent verantwoordelijk voor een veilig gebruik van de machine op hellingen. Gebruik van de machine op hellingen vereist altijd extra voorzichtigheid. Doe het volgende voordat u de machine op een helling gaat gebruiken:
Lees de instructies voor gebruik op een helling in de handleiding en op de machine, en zorg dat u deze instructies begrijpt.
Onderzoek de toestand van het werkgebied op die dag om te bepalen of de machine veilig kan worden gebruikt op de helling. Gebruik uw gezond verstand en uw beoordelingsvermogen wanneer u dit onderzoek uitvoert. Veranderingen in het terrein, zoals de vochtigheidsgraad, kunnen snel van invloed zijn op de manier waarop de machine reageert op een helling.
Maai met de helling mee, maai nooit een helling op en af. Maai niet op al te steile of natte hellingen. Het niet goed neerzetten van de voeten kan ongevallen veroorzaken waarbij de gebruiker wegglijdt en ten val komt.
Spoor gevaren onderaan de helling op. Gebruik de machine niet in de buurt van steile hellingen, greppels, oevers, water of andere gevaren. De machine kan plotseling omslaan als een wiel over de rand komt of als de rand instort. Houd een veilige afstand tussen de machine en landschapselementen die gevaarlijk kunnen zijn. Gebruik handgereedschap om op deze plaatsen te werken.
Vermijd starten, stoppen of bochten maken op hellingen. Vermijd plotse veranderingen van snelheid of richting; verander traag en geleidelijk van richting.
Gebruik een machine niet in omstandigheden waarbij u twijfelt over tractie, sturen of stabiliteit. Denk eraan dat de machine tractie kan verliezen doordat u bergafwaarts, op nat gras of dwars op een helling maait. Als de aandrijfwielen tractie verliezen, kan de machine gaan schuiven en kunt u de controle over de remmen en het stuur verliezen. De machine kan schuiven, zelfs als de aandrijfwielen niet draaien.
Verwijder of let op obstakels als sloten, gaten, geulen, hobbels, stenen of andere verborgen gevaren. In hoog gras zijn obstakels niet altijd zichtbaar. De machine kan omslaan op oneffenheden in het terrein.
Als u de controle over de machine verliest, moet u wegstappen van de richting waarin de machine rijdt.
Hou de machine altijd in versnelling bij het naar beneden rijden op een helling. Laat de motor niet in vrijloop als u naar beneden rijdt (alleen van toepassing voor eenheden met tandwielaandrijving).
Note: Voor afbeeldingen en beschrijvingen van de bedieningsorganen die worden genoemd in dit hoofdstuk, zie Bedieningsorganen.
Note: Zorg ervoor dat de bougiekabel is aangesloten op de bougie.
De tractiehendel en de messenkooihendel moeten op UIT staan.
Note: De motor zal niet starten als de tractie is INGESCHAKELD.
Zorg ervoor dat de brandstofafsluitklep open is.
Draai het contactsleuteltje naar de stand AAN.
Zet de gashendel in de stand SNEL.
Zet de chokehendel halverwege tussen CHOKE en LOPEN als u een koude motor start.
Note: Als u een warme motor start, hoeft u de choke niet te gebruiken.
Trek de handgreep van de terugloopstarter naar buiten totdat deze vastgrijpt, trek vervolgens krachtig hieraan om de motor te starten.
Important: Trek het startkoord niet tot het eind naar buiten en laat de handgreep van de starter niet los als u het koord naar buiten trekt; de kans bestaat dat het koord breekt of dat het terugloopmechanisme schade oploopt.
Zet de chokehendel op LOPEN als de motor warm wordt.
Schakel de tractiebediening en de messenkooibediening UIT.
Zet de gashendel in de stand LANGZAAM.
Zet de Aan-/Uit-schakelaar naar de stand UIT.
Sluit de brandstofafsluitklep voordat u de machine transporteert of stalt
Important: Het grasmaaisel functioneert als een smeermiddel tijdens het maaien. Als de maai-eenheid veel ronddraait zonder maaisel kan dit leiden tot beschadiging van de maai-eenheid.
Maai de greens door recht heen en weer te gaan over elke green.
Maai niet in cirkels en draai de machine niet op de greens, om schade door schuren te voorkomen.
Haal de maaimachine van de green door de messenkooi omhoog te brengen (handgreep omlaag duwen) en de tractietrommel aan te zetten.
Maai bij een normale loopsnelheid. Een hogere snelheid levert weinig tijdwinst op en leidt tot slechtere maairesultaten.
Om ervoor te zorgen dat u de greens in een rechte lijn maait en de machine op een gelijke afstand van de rand van de vorige maaibaan blijft, moet u de markeringsstrepen op de mand gebruiken (Figuur 20).

Gebruik de LED-lampset als u de machine gebruikt bij geringe verlichting; neem contact op met uw erkende Toro verdeler.
Important: Gebruik geen andere verlichtingssystemen met deze machine: deze zijn niet compatibel met de wisselstroom geleverd door de motor.
Bij het juiste gebruik van de machine wordt het gazon uiterst gelijkmatig gemaaid. Zie ook Tips voor bediening en gebruik voor elementaire aanwijzingen om uw machine optimale prestaties te laten leveren.
Important: Als u het maaidek al te veelvuldig zonder maaisel (smeermiddel) gebruikt, kan de machine schade oplopen.
Start de motor, zet de gashendel op lage snelheid, duw de handgreep omlaag om het maaidek omhoog te brengen, zet de tractie INGESCHAKELD en ga met de machine naar de rand van het gazon.
Zet de tractiehendel in de stand UIT en de messenkooi in INGESCHAKELD.
Plaats de tractiehendel in de stand INGESCHAKELD en geef meer gas totdat de machine de gewenste snelheid heeft bereikt. Duw vervolgens de machine het gazon op, laat de voorkant van de machine neer en begin met maaien.
Als u klaar bent met maaien, moet u de machine het gazon afrijden, de tractie UITSCHAKELEN, de motor afzetten en de messenkooi UITSCHAKELEN.
Maak de grasmand leeg, monteer de grasmand en begin met het transport van de machine.
Rij de machine van de green af, schakel de messenkooi uit en zet de rijhendels in de stand UIT en zet de motor af.
Maak de grasmand leeg, monteer de grasmand op de maaier en transporteer de machine naar de stalling.
Zet de motor af, verwijder het contactsleuteltje (indien aanwezig) en wacht totdat alle bewegende onderdelen tot stilstand zijn gekomen voordat u de bestuurderspositie verlaat. Laat de machine afkoelen voordat u deze afstelt, reinigt, stalt of er onderhoudswerkzaamheden aan verricht.
Verwijder gras en vuil van de machine om brand te voorkomen. Neem gemorste olie of brandstof op.
Laat de machine afkoelen voordat u deze in een afgesloten ruimte stalt.
Sla de machine en de brandstofhouder niet op op plaatsen waar open vlammen, vonken of waakvlammen (bv. van een boiler of andere toestellen) aanwezig kunnen zijn.
Zet de gashendel terug voordat u de motor uitzet en sluit de brandstofafsluitklep (indien aanwezig) na het maaien.
Na het maaien: transporteer de machine van de werkplek, zie De machine transporteren met transportwielen of De machine transporten met een aanhanger.
Als u de machine niet goed onderhoudt kunnen systemen van de machine voortijdig defect raken en u of omstanders mogelijk letsel toebrengen.
Zorg ervoor dat de machine goed wordt onderhouden en goed functioneert zoals aangegeven in deze instructies.
Note: Bepaal vanuit de normale bestuurderspositie de linker- en rechterzijde van de machine.
Important: Kantel de machine niet met een hoek die groter is dan 25°. Als u de machine kantelt met een hoek die groter is dan 25°, lekt er olie in de verbrandingskamer en/of uit de dop van de brandstoftank.
Important: Raadpleeg de gebruikershandleiding van de motor voor verdere onderhoudsprocedures.
Doe het volgende voordat u de bestuurdersstoel verlaat:
Parkeer de machine op een horizontaal oppervlak.
Zet de gashendel op laag stationair.
Schakel de maai-eenheid/maai-eenheden uit.
Zorg dat de tractie in neutraal staat.
Stel de parkeerrem in werking.
Zet de machine uit en verwijder het sleuteltje (indien aanwezig).
Wacht totdat alle bewegende onderdelen tot stilstand zijn gekomen.
Laat de onderdelen van de machine afkoelen voordat u onderhoudswerkzaamheden uitvoert.
Voer indien mogelijk geen onderhoudswerkzaamheden uit als de machine draait. Blijf uit de buurt van bewegende onderdelen.
Als de motor moet lopen om onderhouds- of afstelwerkzaamheden uit te voeren, moet u uw kleding, handen, voeten en andere lichaamsdelen uit de buurt van de maai-eenheid, werktuigen en bewegende delen houden. Houd omstanders op een afstand.
Verwijder gras en vuil van de maai-eenheid, de aandrijving, de geluiddemper, het koelscherm en de motor om brand te voorkomen. Neem gemorste olie of brandstof op.
Houd alle onderdelen in goede staat. Vervang versleten, beschadigde en ontbrekende onderdelen en stickers. Zorg dat al het bevestigingsmateriaal goed vastzit zodat de machine steeds veilig kan worden gebruikt.
Controleer de onderdelen van de grasvanger regelmatig en vervang ze wanneer dit nodig is.
Om veilige en optimale prestaties van de machine te verkrijgen, moet u ter vervanging alleen originele Toro onderdelen gebruiken. Gebruik ter vervanging nooit onderdelen van andere fabrikanten, omdat dit gevaarlijk kan zijn en de productgarantie hierdoor kan vervallen.
Indien grote reparaties nodig zijn of ondersteuning vereist is moet u contact opnemen met een erkende Toro dealer.
| Onderhoudsinterval | Onderhoudsprocedure |
|---|---|
| Na de eerste 20 bedrijfsuren |
|
| Bij elk gebruik of dagelijks |
|
| Om de 25 bedrijfsuren |
|
| Om de 50 bedrijfsuren |
|
| Om de 100 bedrijfsuren |
|
| Om de 300 bedrijfsuren |
|
| Om de 1000 bedrijfsuren |
|
Important: Gelieve deze pagina te kopiëren ten behoeve van gebruik bij routinecontroles.
| Gecontroleerde item | Voor week van: | ||||||
|---|---|---|---|---|---|---|---|
| Ma. | Di. | Wo. | Do. | Vr. | Za. | Zo. | |
| Werking van veiligheidssysteem controleren. | |||||||
| Werking van de parkeerrem controleren. | |||||||
| Brandstofpeil controleren. | |||||||
| Het motoroliepeil controleren. | |||||||
| Het luchtfilter controleren | |||||||
| De koelribben van de motor reinigen. | |||||||
| Controleren of motor ongewone geluiden maakt. | |||||||
| Controleren op ongewone geluiden tijdens het gebruik. | |||||||
| Afstelling van contact tussen ondermes en messenkooi controleren. | |||||||
| Maaihoogte-instelling controleren. | |||||||
| Alle smeerpunten smeren. | |||||||
| Beschadigde lak bijwerken. | |||||||
| Controle uitgevoerd door: | ||
| Item | Datum | Informatie |
Tijdens het onderhoud of het afstellen van de machine kan iemand de motor starten. Als de motor per ongeluk gestart wordt, kan dat u en andere omstanders ernstig verwonden.
Zet de motor uit, schakel de parkeerrem in en maak de bougiekabel(s) los voordat u onderhoudswerkzaamheden uitvoert. Druk ook de kabel(s) opzij, zodat deze niet per ongeluk contact kan/kunnen maken met de bougie(s).
Doe het volgende voordat u de machine reinigt of er onderhoud of afstellingen aan uitvoert.
Parkeer de machine op een horizontaal oppervlak.
Zet de motor af en haal het sleuteltje van de machine (indien aanwezig).
Stel de parkeerrem in werking.
Wacht totdat alle bewegende onderdelen tot stilstand zijn gekomen en laat de motor afkoelen voordat u de machine stalt of er onderhoud of reparaties aan uitvoert.
Maak de bougiekabel los (Figuur 21).

| Onderhoudsinterval | Onderhoudsprocedure |
|---|---|
| Om de 25 bedrijfsuren |
|
Spuit vet in de 12 smeernippels van de maaier. Gebruik hiervoor nr. 2 smeervet op lithiumbasis. De beste resultaten verkrijgt u met een smeerpistool.
De smeerpunten zijn:
2 op de voorrol (Figuur 22)
2 op de lagers van de messenkooi (Figuur 22)
2 op de trommelassen (Figuur 23)
3 op de differentieel (Figuur 23)
2 op de lagers van de secundaire as van de messenkooi (Figuur 24)
1 op de draaipunten van de riemspanrol (Figuur 25).
Veeg alle smeernippels af met een schone doek.
Spuit vet in de nippels.
Important: Bij het smeren mag de druk niet te hoog zijn omdat anders de pakkingen permanente schade kunnen oplopen.
Veeg eventueel overtollig vet weg.




Verander de stand van de toerenregelaar niet en laat de motor niet te snel draaien.
Laat de motor drooglopen of pomp de brandstof met een handpomp uit de tank. Gebruik nooit een hevel. Als u de brandstoftank moet aftappen, doe dit dan in de open lucht.
Vul het carter met ongeveer 0,56 liter olie die de juiste viscositeit heeft voordat u de machine start. De motor gebruikt een type hoogwaardige olie waaraan het American Petroleum Institute (API) onderhoudsclassificatie SJ of hoger heeft verleend. Selecteer de juiste viscositeit (dikte) van de olie op basis van de omgevingstemperatuur. Figuur 26 laat zien wat de aanbevolen temperatuur/viscositeit is.

Note: Multigrade-olie (5W-20, 10W-30 en 10W-40) leidt tot een hoger olieverbruik. Controleer het motoroliepeil vaker als u dit type olie gebruikt.
| Onderhoudsinterval | Onderhoudsprocedure |
|---|---|
| Bij elk gebruik of dagelijks |
|
Het ideale moment om de motorolie te controleren, is wanneer de motor koud is of voordat u deze hebt gestart aan het begin van de werkdag. Als hij al heeft gedraaid, moet u de olie eerst terug in het carter laten lopen gedurende tenminste 10 minuten voordat u het motoroliepeil controleert.
Zet de motor uit en wacht totdat alle bewegende onderdelen tot stilstand gekomen zijn; raadpleeg De machine klaarmaken voor onderhoud.
Plaats de machine zo, dat de motor waterpas staat en reinig de omgeving van de olievulbuis (Figuur 27).

Verwijder de peilstok door deze linksom te draaien.
Verwijder de peilstok en veeg het uiteinde schoon.
Steek de peilstok volledig in de vulbuis, maar draai hem er niet in.
Haal de peilstok eruit en controleer het motoroliepeil (Figuur 28).

Als het motoroliepeil niet goed is, vul dan olie bij of tap olie af tot het peil goed is; raadpleeg Motorolie verversen.
| Onderhoudsinterval | Onderhoudsprocedure |
|---|---|
| Na de eerste 20 bedrijfsuren |
|
| Om de 100 bedrijfsuren |
|
De olie kan heet zijn nadat de motor heeft gelopen; contact met hete olie kan ernstig brandwonden veroorzaken.
Vermijd contact met hete motorolie als u deze aftapt.
Zet de motor uit en wacht totdat alle bewegende onderdelen tot stilstand gekomen zijn; raadpleeg De machine klaarmaken voor onderhoud.
Plaats een bak onder de aftapplug om de olie op te vangen.
Verwijder de aftapplug, de ring en de peilstok (Figuur 27).
Plaats de motor zo, dat de olie wegloopt uit de motor.
Wanneer de olie volledig weggelopen is, plaatst u de motor in een horizontale positie en monteert u de aftapplug en een nieuwe ring.
Note: Geef de oude olie af bij een erkend recyclingcentrum.
Giet langzaam olie in de vulopening totdat de olie het juiste peil bereikt heeft.
Zorg ervoor dat de olie het juiste niveau heeft op de peilstok; raadpleeg Het motoroliepeil controleren.
Schroef de peilstok in de vulopening.
Veeg eventueel gemorste olie weg.
Sluit de bougiekabel aan op de bougie.
| Onderhoudsinterval | Onderhoudsprocedure |
|---|---|
| Bij elk gebruik of dagelijks |
|
| Om de 50 bedrijfsuren |
|
| Om de 300 bedrijfsuren |
|
Important: Laat de motor nooit zonder luchtfilter draaien; dit veroorzaakt ernstige motorschade.
Zet de motor uit en wacht totdat alle bewegende onderdelen tot stilstand gekomen zijn; raadpleeg De machine klaarmaken voor onderhoud.
Draai de vleugelmoer los waarmee het luchtfilterdeksel vastzit (Figuur 29).
Verwijder het luchtfilterdeksel.
Note: Zorg ervoor dat er geen vuil van het luchtfilterdeksel in de basis valt.
Verwijder het schuimelement en het papierelement uit de basis.
Trek het schuimelement van het papierelement.
Inspecteer het schuimelement en het papierelement; vervang deze als ze beschadigd is of heel erg vuil.

Reinig het papierelement door er voorzichtig op te kloppen en het stof te verwijderen.
Note: Probeer het papierelement niet schoon te borstelen; hierdoor dringt er vuil in de vezels. Vervang het element als u het niet kunt reinigen door erop te kloppen.
Reinig het schuimelement met warm water en zeep of in een niet-ontvlambaar oplosmiddel.
Note: Gebruik geen benzine om het schuimelement te reinigen; dit kan brand- of ontploffingsgevaar veroorzaken.
Spoel en droog het schuimelement grondig.
Veeg het vuil met een vochtige doek van de basis en het deksel.
Note: Zorg ervoor dat er geen vuil terechtkomt in het luchtkanaal dat naar de carburateur leidt.
Monteer de luchtfilterelementen en zorg dat ze juist geplaatst zijn. Monteer de onderste vleugelmoer.
Monteer het deksel en monteer de bovenste vleugelmoer om het te bevestigen.
| Onderhoudsinterval | Onderhoudsprocedure |
|---|---|
| Om de 100 bedrijfsuren |
|
| Om de 300 bedrijfsuren |
|
Gebruik een NGK BPR6ESbougie of een bougie van een equivalent type.
Zet de motor uit en wacht totdat alle bewegende onderdelen tot stilstand gekomen zijn; raadpleeg De machine klaarmaken voor onderhoud.
Maak de omgeving van de bougie schoon.
Haal de bougie uit de cilinderkop.
Important: Als de bougie gebarsten of vuil is, moet deze worden vervangen. U mag de elektroden niet zandstralen, afkrabben of reinigen omdat hierdoor gruis kan losraken en in de cilinder terechtkomen. Dit kan leiden tot beschadiging van de motor.
Stel de elektrodenafstand op 0,7 tot 0,8 mm

Monteer de bougie voorzichtig met de hand (om beschadiging van de schroefdraad te voorkomen).
Draai een nieuwe bougie nog eens ½ slag vast; draai andere bougies nog ⅛ tot ¼ slag vaster.
Important: Een losse bougie kan erg heet worden en de motor beschadigen; een bougie te vast draaien kan de schroefdraad in de cilinderkop beschadigen.
Sluit de bougiekabel aan op de bougie.
Ga als volgt te werk als de interlockschakelaar van de tractie moet worden afgesteld of vervangen.
Zorg ervoor dat de motor is afgezet, de tractiebediening is uitgeschakeld en de tractiehendel tegen de aanslag van de neutraalstand aanzit Figuur 31).

Maak de bevestigingen van de interlockschakelaar los (Figuur 31).
Plaats een afstandsring met een dikte van 0,8 mm tussen de tractiehendel en de interlockschakelaar (Figuur 31).
Zet de bevestigingen van de interlockschakelaar vast en controleer de opening opnieuw.
Note: De tractiehendel mag niet in contact komen met de schakelaar.
Beweeg de tractiehendel en controleer of er stroom op de schakelaar staat.
Note: Vervang de schakelaar indien nodig.
Indien de bedrijfs-/parkeerrem slipt tijdens het gebruik, moet u deze afstellen.
Schakel de bedrijfsrem volledig in en duw de knop van de parkeerrem in zodat de bedrijfsrem op de pen van de parkeerrem rust (Figuur 32).

Gebruik een weegschaal en druk de hendel van de bedrijfsrem in (Figuur 33). De parkeerrem moet loskomen als er 13,5 tot 18 kg kracht wordt uitgeoefend. Als de parkeerrem vrijkomt voordat er 13,5 tot 18 kg kracht wordt uitgeoefend, moet u de remkabel afstellen.

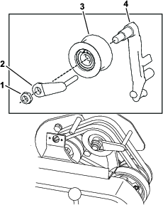
Draai de borgschroef los waarmee de kap van de V-riem is bevestigd, en draai de kap open (Figuur 34).

Ga als volgt te werk om de spanning van de remkabel aan te passen.
Draai om de kabelspanning te verminderen de voorste contramoer losser en de achterste contramoer vaster (Figuur 35). Herhaal stap 1 en 2 en stel indien nodig de spanning af.
Draai om de kabel strakker te zetten de voorste contramoer vaster en de achterste contramoer losser (Figuur 35). Herhaal stap 1 en 2 en stel indien nodig de spanning af.
Note: U kunt de kabel afstellen bij de beugels met de contramoeren bij het bedieningspaneel of bij de beugel bij de motorbasis.

Sluit de kap en zet de borging vast.
Zorg ervoor dat de riemen de juiste spanning hebben zodat de machine naar behoren kan werken en onnodige slijtage wordt voorkomen. Controleer de riemen regelmatig.
Verwijder de bevestigingen van de drijfriemkap en de drijfriemkap zodat u bij de riem kunt komen (Figuur 36).

Controleer de spanning door de riem midden tussen de poelies (Figuur 37) in te drukken met een kracht van ongeveer 2 kg (18 tot 22 N). De riem moet een speling van 6 mm hebben.

Om de riemspanning af te stellen, gaat u als volgt te werk:
Maak de montagemoer van de spanpoelie los en draai de spanpoelie rechtsom tegen de achterzijde van de riem totdat de riem de vereiste spanning heeft (Figuur 37).
Important: U mag de riem niet te strak trekken.
Draai de moer vast om de afstelling te borgen.
Zet de drijfriemkap weer op zijn plaats.
Monteer alle bevestigingsbouten totdat de draad in het inzetdeel grijpt, waarbij u ervoor moet zorgen dat er een geringe afstand blijft bestaan tussen de afdichting van de kap en de zijplaat
Note: Hierdoor kunt u zien of de bouten recht voor de getapte inzetstukken zitten.
Nadat de bouten zijn gemonteerd, moet u ze vastdraaien totdat de afstandhouders contact maken met de zijplaat.
Note: Draai de schroeven niet te vast aan.
Verwijder de bevestigingen van de drijfriemkap en de drijfriemkap zodat u bij de riem kunt komen (Figuur 38).

Controleer de spanning door de riem midden tussen de poelies (Figuur 39) in te drukken met een kracht van ongeveer 2 kg (18 tot 22 N).
Note: De riem moet een speling van 6 mm hebben.

Om de riemspanning af te stellen, gaat u als volgt te werk:
Maak de montagemoer van de spanpoelie los en draai de spanpoelie rechtsom tegen de achterzijde van de riem totdat de riem de vereiste spanning heeft (Figuur 39).
Important: U mag de riem niet te strak trekken.
Draai de moer vast om de afstelling te borgen.
Zet de drijfriemkap weer op zijn plaats.
Monteer alle bevestigingsbouten totdat de draad in het inzetdeel grijpt, waarbij u ervoor moet zorgen dat er een geringe afstand blijft bestaan tussen de afdichting van de kap en de zijplaat
Note: Hierdoor kunt u zien of de bouten recht voor de getapte inzetstukken zitten.
Nadat de bouten zijn gemonteerd, moet u ze vastdraaien totdat de afstandhouders contact maken met de zijplaat.
Note: Draai de schroeven niet te vast aan.
Verwijder de bouten waarmee het voorste en het achterste deel van de differentieelkap zijn bevestigd aan de differentieelbehuizing en schuif beide delen weg zodat u bij de riem kunt komen.
Controleer de spanning door de riem midden tussen de poelies (Figuur 40) in te drukken met een kracht van ongeveer 2,5 kg (22 tot 26 N).
Note: De riem moet een speling van 6 mm hebben.

Om de riemspanning af te stellen, gaat u als volgt te werk:
Maak de montagemoer van de spanpoelie los en draai de spanpoelie rechtsom tegen de achterzijde van de riem totdat de riem de vereiste spanning heeft (Figuur 40).
Important: U mag de riem niet te strak trekken.
Draai de moer vast om de afstelling te borgen.
Zet de drijfriemkap weer op zijn plaats.
Monteer alle bevestigingsbouten totdat de draad in het inzetdeel grijpt, waarbij u ervoor moet zorgen dat er een geringe afstand blijft bestaan tussen de afdichting van de kap en de zijplaat Hierdoor kunt u zien of de bouten recht voor de getapte inzetstukken zitten.
Nadat de bouten zijn gemonteerd, moet u ze vastdraaien totdat de afstandhouders contact maken met de zijplaat. Draai de schroeven niet te vast aan.
Om de spanning van de primaire V-riemen af te stellen, moet u eerst de afstelling van het tractiebediening controleren; zie De tractiebediening afstellen.
Als de riemen nog slippen nadat u de tractiebediening hebt afgesteld, gaat u naar de volgende stap.
Draai de borgschroef los waarmee de kap van de V-riem is bevestigd, en draai de kap open (Figuur 41).

Om de riemspanning te verhogen, draait u de bevestigingsbouten van de motor los en schuift u motor naar achteren in de sleuven.
Important: U mag de riem niet te strak trekken.
De bevestigingsbouten van de vastdraaien.
Note: De afstand tussen het midden van de aandrijfpoelie en de aangedreven poelie moet ongeveer 12,7 cm zijn nadat de nieuwe V-riemen zijn gemonteerd.
Nadat de spanning van de primaire V-riemen is afgesteld, moet u de uitlijning van poelie van de uitgangsas van de motor en de poelie van de secundaire as controleren met behulp van een rechte rand.
Als de poelies niet in een rechte lijn staan, moet u de schroeven losdraaien waarmee de onderkant van de motor is bevestigd aan het frame van de machine en de motor van links naar rechts schuiven totdat de poelies in een rechte lijn staan met een marge van 0,7 mm.
Draai de bevestigingsschroeven vast en controleer de uitlijning.
Om de machine gemakkelijker te duwen of te slepen zonder de motor te starten, moet u de riemgeleider als volgt afstellen (Figuur 42, inzet)
Schakel de koppeling in.
Draai de borgmoer los waarmee de spanpoelie en de riemgeleider zijn bevestigd aan de arm van de spanpoelie.
Draai de riemgeleider rechtsom totdat de afstand tussen geleidevinger en de achterzijde van de drijfriemen ongeveer 1,5 mm bedraagt.
Draai de borgmoer vast waarmee de spanpoelie en de riemgeleider zijn bevestigd aan de arm van de spanpoelie.

Sluit de kap en zet de borging vast.
Verwijder de bouten waarmee de kappen van de drijfriemen van de tractie en de messenkooi zijn bevestigd aan de rechter zijplaat, en verwijder de kappen.
Maak de montagemoer van elke spanpoelie los en draai de spanpoelies linksom vanaf de achterzijde van elke riem om de riem te ontspannen.
Verwijder de riemen
Verwijder de bouten waarmee het voorste en het achterste deel van de differentieelkap zijn bevestigd aan de differentieelbehuizing en schuif beide delen weg zodat u bij de riem kunt komen (Figuur 43).

Maak de montagemoer op de spanpoelie van de differentieel los en draai de spanpoelies linksom vanaf de achterzijde van de riem om de riem te ontspannen.
Verwijder de 2 bouten en 2 borgmoeren waarmee de behuizing van de voorste koppeling is bevestigd aan de zijplaat (Figuur 43).
Draai het lagerhuis 180° zodat de onderkant ervan naar boven wijst.
Verwijder de 2 bouten en 2 borgmoeren waarmee de lagerbehuizing rechtsachter is bevestigd aan de zijplaat (Figuur 43).
Draai het lagerhuis 180° zodat de onderkant ervan naar boven wijst.
Verwijder de oude riem.
Schuif de nieuwe riem over de kappen van de behuizing van de koppeling en de lagerbehuizing die u hebt rondgedraaid, de delen van de differentieelkap en op de differentieelpoelies.
Let erop dat de spanpoelie is geplaatst tegen de achterzijde van de riem.
Draai de behuizing van de koppeling en de lagerbehuizing weer rechtop in hun oorspronkelijke stand en zet ze vast aan de zijplaat met de bouten en moeren die u eerder hebt verwijderd.
Pas de spanning van de differentieelriem aan, zie De differentieelriem afstellen.
Pas de spanning van de tractiedrijfriem en van de drijfriem van de messenkooi aan, zie De tractiedrijfriem afstellen en De drijfriem van de messenkooi afstellen.
Plaats de kappen van de differentieel, de tractieaandrijving en de messenkooiaandrijving.
Voer de volgende stappen uit om speling van de tractiebediening op te heffen:
Schakel de tractiebediening UIT.
Draai de borgschroef los waarmee de kap van de V-riem is bevestigd, en draai de kap open (Figuur 41).
Om speling van de tractiebediening op te heffen, draait u de voorste contramoer op de kabel los en draait u de achterste contramoer op de kabel vast (Figuur 44) tot alle speling weg is.

Draai de voorste contramoer op de kabel vast.
Sluit de kap en zet de borging vast.
Controleer de werking van de tractiebediening.
Wees voorzichtig als u de messenkooi van de maai-eenheid controleert. Draag handschoenen en wees voorzichtig als u onderhoudswerkzaamheden uitvoert aan de messenkooi.
Versleten of beschadigde messen of ondermessen kunnen breken en een stuk ervan kan naar u of naar omstanders worden uitgeworpen en zo ernstig lichamelijk of dodelijk letsel toebrengen.
Controleer op gezette tijden de maaimessen en ondermessen op overmatige slijtage en beschadigingen.
Wees voorzichtig als u de messen controleert. Draag handschoenen en wees voorzichtig als u onderhoudswerkzaamheden uitvoert aan de messenkooien. De maaimessen en ondermessen mogen alleen worden vervangen of gewet; probeer ze nooit te rechten of eraan te lassen.
Parkeer de machine op een egaal, horizontaal oppervlak, bij voorkeur op een stalen precisieplaat.
Plaats een platte staalstrip van 0,6 x 2,5 cm, met een lengte van ongeveer 74 cm, onder de messen van de messenkooi en tegen de voorste rand van het ondermes om te voorkomen dat de ondermesbalk op het werkoppervlak komt te rusten.
Til de voorste rol omhoog zodat alleen de achterste trommel en de messenkooi op het oppervlak rusten.
Druk de machine stevig omlaag, boven de messenkooi, zodat alle messen van de messenkooi de staalstrip raken.
Terwijl u de machine omlaag drukt, schuift u een voelmaat onder een uiteinde van de trommel. Daarna doet u dit bij het andere uiteinde van de trommel.
Note: Als de afstand tussen de trommel en het werkoppervlak aan beide uiteinden groter dan 0,25 mm is, moet u de trommel afstellen (ga verder met stap 6). Als de afstand minder dan 0,25 mm is, hoeft de trommel niet te worden afgesteld.
Verwijder de achterste drijfriemkap van de rechterkant van de machine (Figuur 45).

Draai de aandrijfpoelie rond totdat de openingen zich recht voor de 4 flensschroeven van het rollager bevinden (Figuur 46).

Draai de vier schroeven van het rollager en de schroef waarmee de spanpoelie is bevestigd, los.
Zet de rechterkant van het rolstel hoger of lager totdat de afstand tot het werkoppervlak minder dan 0,25 mm is.
Draai de schroeven van het rollager vast.
Stel de riemspanning af en draai de bevestigingsschroef van de spanpoelie vast (Figuur 46).
Stel het contact tussen ondermes en messenkooi af nadat u de maai-eenheid hebt geslepen, gewet of gedemonteerd. Deze procedure is geen dagelijks onderhoud.
Parkeer de machine op een vlak, horizontaal oppervlak.
Kantel de machine naar achteren op de handgreep zodat u bij het ondermes en de messenkooi kunt komen.
Important: Kantel de machine niet met een hoek die groter is dan 25°. Als u de machine kantelt met een hoek die groter is dan 25°, lekt er olie in de verbrandingskamer en/of uit de dop van de brandstoftank.
Draai de messenkooi zodanig dat een mes de rand van het ondermes kruist tussen de eerste en de tweede schroefkop van het ondermes aan de rechterkant van de maai-eenheid (Figuur 47).

Draai de messenkooi zodanig dat een mes de rand van het ondermes kruist tussen de eerste en de tweede schroefkop van het ondermes aan de rechterkant van de maai-eenheid.
Steek de afstandsring (0,05 mm) tussen het mes met de markering en de rand van het ondermes op de plaats waar het mes met de markering de rand van het ondermes kruist.
Draai aan de rechter afstelschroef van de ondermesbalk tot u een lichte druk (weerstand) voelt als u de afstandsring heen en weer schuift (Figuur 47).
Verwijder de afstandsring.
Voor de linkerzijde van de maai-eenheid draait u de messenkooi langzaam tot het dichtstbijzijnde mes de rand van het ondermes kruist tussen de eerste en de tweede schroefkop.
Herhaal stap 4 tot 7 voor de linkerzijde van de maai-eenheid en de linker afstelschroef van de ondermesbalk.
Herhaal stap 5 tot 7 tot u een lichte weerstand voelt zowel aan de rechter- als de linkerkant van de maai-eenheid; gebruik hierbij dezelfde contactpunten.
Om een licht contact tussen het ondermes en de messenkooi te verkrijgen, dient u elke stelschroef van de ondermesbalk 3 klikstanden rechtsom te draaien.
Note: Elke klikstand van de stelschroef van de ondermesbalk beweegt het ondermes 0,018 mm. Draai rechtsom om de rand van het ondermes dichter bij de messenkooi te brengen, en linksom om de rand van het ondermes te verwijderen van de messenkooi.
Test de maaiprestaties door een lange strook maaitestpapier tussen het ondermes en de messenkooi te steken, loodrecht op het ondermes (Figuur 48). Draai de messenkooi traag naar voren. Het papier moet gesneden worden.

Note: Als u ziet dat het contact tussen het ondermes en messenkooi te zwaar wordt, moet u de messen van het maaidek wetten, de voorkant van het ondermes vernieuwen of de maai-eenheid slijpen om de scherpe snijranden te krijgen die nodig zijn om met grote precisie te kunnen maaien.
Controleer of de achterste roller horizontaal is en het contact tussen ondermes en messenkooi correct is. Kantel de machine naar achteren op de handgreep zodat u bij de voorste en achterste rollen en het ondermes kunt komen.
Important: Kantel de machine niet met een hoek die groter is dan 25°. Als u de machine kantelt met een hoek die groter is dan 25°, lekt er olie in de verbrandingskamer en/of uit de dop van de brandstoftank.
Draai de borgmoeren los waarmee de maaihoogtearmen zijn bevestigd aan de maaihoogtebeugels (Figuur 49)

Draai de moer op de hoogtelat los (Figuur 50) en draai de stelschroef op de gewenste maaihoogte. De afstand tussen de onderkant van de schroefkop en de lat is de maaihoogte.

Plaats de schroefkop op de snijrand van het ondermes en laat de achterzijde van de lat op de achterrol rusten (Figuur 51).

Draai aan de stelschroef totdat de rol contact maakt met de voorkant van de hoogtelat.
Stel beide uiteinden van de rol af totdat de hele rol evenwijdig aan het ondermes is.
Important: Bij een correcte afstelling zullen de achter- en voorrol contact maken met de hoogtelat en zal de schroef goed tegen het ondermes aan zitten. Hierdoor hebben beide uiteinden van het ondermes dezelfde maaihoogte.
Draai de moeren vast om de afstelling te borgen.
Important: Om te voorkomen dat een golvend gazon wordt afgeschaafd, moeten de rolsteunen naar achteren worden geplaatst (de rol dichter bij de messenkooi).
Note: De voorste rol kan in de drie standen worden gezet (Figuur 52), afhankelijk van de werkzaamheden en de behoeften van de gebruiker.
Gebruik de voorste stand als er een groomer is gemonteerd.
Gebruik de middelste stand als er geen groomer is gemonteerd.
Gebruik de derde stand bij een sterk golvend gazon.

U moet het scherm instellen om ervoor te zorgen dat het maaisel op correcte wijze wordt afgevoerd naar de grasmand.
Meet de afstand van de bovenkant van de voorste steunstang tot de voorste lip van het scherm aan beide uiteinden van het maaidek (Figuur 53).

De hoogte van het scherm vanaf de steunstang moet voor normale maaiomstandigheden 10 cm zijn. Draai de bouten en moeren los waarmee beide uiteinden van het scherm zijn bevestigd aan de zijplaat, en stel het scherm in op de correcte hoogte.
Draai de bevestigingen vast.
Note: U kunt het scherm lager zetten als u maait in droge omstandigheden (het maaisel vliegt over de bovenkant van de mand), of hoger zetten als het gras zwaar is omdat het vochtig is (aangekoekt maaisel op de achterkant van de mand).
U moet de stopbalk instellen zodat het maaisel op behoorlijke wijze wordt afgevoerd uit de omgeving van de messenkooi.
Draai de schroeven los waarmee de bovenbalk (Figuur 54) is gemonteerd aan de maai-eenheid.

Steek een voelermaat van 1,5 mm tussen de bovenzijde van de messenkooi en de balk en draai de schroeven vast.
Zorg ervoor dat de afstand tussen de balk en de messenkooi over de gehele lengte van de messenkooi gelijk is.
Note: De balk kan worden aangepast om veranderingen in de gazonomstandigheden te compenseren. De afstand tussen de balk en de messenkooi moet worden verminderd als het gazon uitzonderlijk vochtig is. Daartegenover staat de afstand tussen de balk en de messenkooi groter moet zijn als het gazon droog is. De balk moet evenwijdig aan de messenkooi zijn om de beste prestaties te verkrijgen. Stel de balk af wanneer u de schermhoogte verandert of de messenkooi slijpt met een messenkooislijper.
Om te bepalen of de ondermesbalk standaard of agressief is, moet u de montagelippen op de linker ondermesbalk controleren. Als de montagelippen rond zijn, hebt u een standaard ondermesbalk. Als de montagelippen een inkeping hebben, is het een agressieve ondermesbalk (Figuur 55).

Draai de stelschroef van de ondermesbalk linksom om het ondermes weg te trekken van de messenkooi (Figuur 56).

Draai de veerspanningsmoer uit totdat de drukring niet meer tegen de ondermesbalk is geklemd (Figuur 56).
Draai de contramoer van de snijbalkbout aan beide zijden van de machine los (Figuur 57).

Verwijder beide ondermesbalkbouten zodat de ondermesbalk omlaag kan worden getrokken en uit de machine worden verwijderd. Bewaar de 2 nylon en de 2 stalen ringen op beide uiteinden van de ondermesbalk (Figuur 57).
Plaats de ondermesbalk en zorg ervoor dat de montagelippen zich tussen de ring en de stelschroef van de ondermesbalk bevinden.
Zet de ondermesbalk vast aan beide zijplaten met de ondermesbalkbouten (contramoeren op de bouten) en 8 ringen.
Note: Plaats een nylon ring op beide zijden van de verdikking op de zijplaat. Plaats een stalen ring op de buitenkant van beide nylon ringen.
Draai de bouten vast met een torsie van 27 tot 36 N·m.
Draai de contramoeren vast totdat de buitenste drukringen net vrij kunnen ronddraaien.
Draai de veerspanningsmoer vast totdat de veer is ingedrukt; draai deze vervolgens een ½ slag terug.
Stel de ondermesbalk af, zie Contact tussen ondermes en messenkooi afstellen.
Verwijder de plug in de rechterkap van de messenkooiaandrijving (Figuur 58)

Steek een verlengstuk van ½", dat is aangesloten op de wet-machine, in de vierkante opening in het midden van de poelie van de messenkooi.
Wet de messenkooi volgens de procedure in de Handleiding Slijpen van maaimachines met messenkooien en roterende messen van Toro, document 80-300 PT.
Contact met de messenkooi of andere bewegende onderdelen kan lichamelijk letsel veroorzaken.
Blijf op een afstand van de messenkooi tijdens het wetten.
Gebruik bij het wetten geen borstel met een korte steel. Een volledige set stelen (onderdeelnummer 29-9100) of losse stelen zijn verkrijgbaar bij uw erkende Toro verdeler.
Note: Voor een betere snijrand moet u de voorkant van het ondermes bijvijlen als u klaar bent met wetten. Hiermee verwijdert u bramen of ruwe randen die kunnen zijn ontstaan op de snijrand.
Plaats de plug in de kap als u klaar bent met deze procedure.
Zet de motor af, verwijder het contactsleuteltje (indien aanwezig) en wacht totdat alle bewegende onderdelen tot stilstand zijn gekomen voordat u de bestuurderspositie verlaat. Laat de machine afkoelen voordat u deze afstelt, reinigt, stalt of er onderhoudswerkzaamheden aan verricht.
Bewaar de machine en het brandstofvat niet op plaatsen waar open vlammen, vonken of waakvlammen (bv. van een boiler of een ander toestel) aanwezig kunnen zijn.
Verwijder maaisel, vuil en vet van de buitenkant van de gehele machine, met name van de motor. Verwijder vuil en kaf van de buitenkant van de cilinder, de koelribben van de cilinderkop van de motor en de ventilatorbehuizing.
Important: U kunt de machine met een mild reinigingsmiddel en water wassen. Reinig de machine niet met een hogedrukreiniger. Gebruik niet te veel water, zeker niet in de buurt van de schakelhendelplaat en de motor.
Als u de machine lange tijd wilt stallen (meer dan 30 dagen), moet u een stabilizer/conditioner toevoegen aan de brandstof in de tank.
Laat de motor 5 minuten lopen om de stabilizer/conditioner door het brandstofsysteem te verspreiden.
Zet de motor af, laat deze afkoelen, en laat de brandstoftank leeglopen, of laat de motor lopen totdat deze afslaat.
Start de motor en laat hem lopen totdat hij afslaat. Probeer de motor opnieuw te starten met de choke dicht. De motor mag niet aanslaan.
Maak de bougiekabel los van de bougie.
U moet brandstof op de juiste wijze afvoeren. Verwerk deze overeenkomstig de plaatselijk geldende voorschriften.
Note: Bewaar brandstof die stabilizer/conditioner bevat niet langer dan aanbevolen door de fabrikant van de stabilizer.
Controleer alle bouten, schroeven en moeren en draai deze vast. Versleten of beschadigde delen repareren of vervangen.
Werk alle krassen en beschadigingen van de lak bij. De lak is verkrijgbaar bij een erkende Toro dealer.
Stal de machine in een schone, droge garage of opslagruimte. Dek de machine af om deze te beschermen en schoon te houden.